PWM控制芯片SG3525资料下载内容主要介绍了:SG3525功能和特性SG3525引脚功能SG3525内部方框图SG3525与SG3524的区别对比SG3525典型应用电路
2021-03-23 07:48:08
SG3525能够进行pwm波调节来调节LED灯亮度,220v整流后得到的320v直流电需要通过接入多大功率的电阻才能接在SG3525的15脚
2015-04-10 15:31:16
SG3525的3脚和4脚是怎么协同工作的????
2021-01-16 18:28:18
仿真软件中找不到SG3525、TL494的仿真模型,请问那位大师有,传个给我,谢谢
2017-05-28 22:11:39
我想问下是不是误差放大器不接信号的时候就只会输出锯齿波,没有PWM信号啊!因为我今天做出了SG3525模块后他只输出锯齿波!
2013-07-13 18:57:40
1SG3525频率PWM控制均可调模块1.1 PWMPWM控制——脉冲宽度调制威廉希尔官方网站
,通过对一系列脉冲的宽度进行调制,来等效地获得所需要的波形(含形状和幅值), PWM控制威廉希尔官方网站
在逆变电路中应用最广
2021-07-21 08:43:59
本帖最后由 gk320830 于 2015-3-7 17:08 编辑
sg3525控制PWM占空比大小可调怎么没发生变化
2013-09-07 03:40:50
sg3525中文资料摘要:对PWM控制芯片SG3524与SG3525的工作性能作了介绍和比较,通过实验得出了SG3525在软起动功能上较SG3524有很大的改进。关键词:SG3524;SG3525
2009-09-11 02:11:23
新手求问。sg3525在NI中可以仿真吗?
2015-06-01 14:25:23
sg3525怎样输出占空比大于百分之50的pwm,用3525的原因是想用它的同步
2013-01-23 16:25:06
DCDC推挽电源SG3525 pdf
2019-05-09 10:35:52
如果没有sg3525,有其他能替代的吗?脉宽调节控制器
2015-04-28 14:26:03
SG3525在Saber的元器件库里没有sg3525.sin这个文件,在哪能找到吗?
2018-05-10 12:13:46
。2.1、脉宽调制电路本设计采用SG3525作为电源的PWM控制芯片。该芯片使用简单,只需要外接少量电阻电容,即可构成所需的脉宽调制电路。如图2所示,芯片内部主要由误差放大器N1、比较器N2、振荡器
2018-10-19 16:40:07
,同时也希望这篇文章能给第一次尝试做“单相电压型全桥逆变”的朋友带来一些帮助。 一、电路结构图 图1:电路流程图 采用SG3525作为控制芯片,输出两路互补PWM波,经过光耦TPL521-1G隔离,送至
2018-12-01 01:46:08
的脉宽调制器是美国硅通用公司的第二代产品SG3525,这是一种性能优良,功能齐全,通用性强的单片集成PWM控制器。由于它简单、可靠且使用方便灵活,大大简化了脉宽调制器的设计及调试。1、双管正激变
2018-11-21 16:21:20
下,将直流转换成高频方波交流,再经高频变压器降压以及副边高频整流、滤波后输出直流。电源控制电路由专用集成芯片SG3525及其外围电路构成PWM调制,经光电隔离、功率放大后直接驱动全桥变换器开关管,由于
2018-10-19 16:38:40
基于调频调功这种方式,由PWM控制芯片SG3525控制实现的加热电源。2.主电路拓扑结构和控制原理2.1.主电路结构本文设计的感应加热电源为串联谐振式全桥IGBT逆变电源,其逆变主电路结构如图1所示
2018-11-21 16:15:32
,串联二极管串联压降取0.6V,所以次级绕组电压幅值Up2取5.6V,最大工作比α=0.45,次级绕组峰值电流Ip2=1A,次2.2、控制及驱动电路设计采用SG3525集成PWM控制器作为控制芯片,它
2018-10-19 16:39:24
,该类控制器采用数字运算,性能稳定,能实现系统的智能控制。本文介绍了一种基于ADUC814单片机与专用集成PWM控制器SG3525的蓄电池充电电源,它结合了两类控制威廉希尔官方网站
的优点。2、充电电源主电路
2018-10-19 16:40:32
引言直流稳压电源是一种常见的电子仪器,其广泛应用于实验教学和科学研究等领域。目前使用的直流稳压电源大部分存在诸多缺点,如输出不可调、电压不稳定等等,因而导致实验结果不精确。以SG3525控制芯片
2018-10-19 16:44:09
想利用SG3525输出的方波控制晶体管,对540V的直流电进行斩波,输出195V的电压,那么SG3525输出的方波占空比应该是195/540=0.36,那么怎么确定SG3525的占空比输出为0.36?
2014-04-25 15:32:16
sg3525第九脚最大可输入几伏电压 40v行不行求解答 谢谢
2012-08-31 11:01:54
求SG3525的spice模型或仿真图,邮箱365054707@qq.com。。。。急急急急急急急急急!!
2016-07-10 17:34:04
我们老师要求我们做个逆变电源要求在sg3525输出端输出频率为正负12v的方波后用24v:60v的升压器升压后整流变成直流,sg3525protues仿真不了,不会设计电路,求大神帮助设计一个{:4:}
2013-11-04 21:31:54
用于额温计的信号调理芯片NSA2300/NSA2302介绍
2021-06-16 08:18:14
目前公司准备做个项目,就是用单片机来实现开关电源的电压、电流检测,过压保护,过热保护,以及输出PWM方波控制IGBT以达到稳压的效果。现在的问题主要是单片机能不能替代PWM器件SG3525输出PWM
2009-06-03 18:37:55
目前公司准备做个项目,就是用单片机来实现开关电源的电压、电流检测,过压保护,过热保护,以及输出PWM方波控制IGBT以达到稳压的效果。现在的问题主要是单片机能不能替代PWM器件SG3525输出PWM
2009-06-03 18:39:23
可以改变输出控制信号PWM 的频率, 调节第9 脚(EAOU T )的电压可以改变输出脉宽,这些功能可以改善变频电源的动态性能和简化控制电路的设计。 2. 1 PWM -SG3525 内部结构
2018-10-18 16:54:40
本人需要把两片以上SG3525 控制在相同的频率以及相位。 目前将主芯片SG3525的osc端接到,从芯片的syncn端,确实可以实现频率的同步,但是出现了一个问题:两个芯片的输出,比如outa,随机出现同相位和反相位的两种情况。 请教高手,是否有办法能够控制,相位的完全同步?
2015-08-22 15:56:07
请教SG3525使用外部同步信号时怎么设计使用一片SG3525产生较高频率的时钟信号,然后用光耦隔离,供另外两片SG3525作为同步信号,但是发现直接接到SG3525的3脚,SG3525的输出不正确,请问应该如何连接呢。
2015-08-22 15:33:48
想要在multisim上做基于SG3525的PWM电路,但是multsim元件库里没有这个芯片。我找到它的模型,导入时出现如下图。
2020-04-27 17:40:13
请问怎样判别SG3525的好坏?
2013-08-19 10:22:40
我想做一个超声驱动电源,前面用SG3525做了一个,基本功能能实现,但是随着负载温度的变化,就会失谐。我现打算用CD4046进行频率跟踪和SG3525搭配,频率在35-45K。请问各位大神应该怎么搭配,有没有相关资料分享一下?
2017-04-07 09:25:33
基于SG3525的带过载保护开关稳压电源设计(2)
2019-03-11 07:33:49
基于SG3525的开关电源设计(2)
2019-03-01 11:16:36
,不仅威廉希尔官方网站
要求低,而且设计电路比较简单。本文依据方波逆变电源的基本原理,模块化设计了逆变电源的实现电路,包括基于SG3525控制的高频PWM主电路、全桥逆变电路、必要的保护电路和相关驱动电路,并给出
2018-10-19 16:36:04
SG3525也是定频PWM电路,采用16引脚标准DIP封装
2008-07-30 17:29:55
3484 高频开关电源的计算机辅助分析与设计(CAA/ CAD) 要求建立脉冲宽度调制(PWM) 控制器的有效模型. 介绍了SG3525 的两种不同的宏模型. 模型Ⅰ提供了全功能等效电路, 可应用于开关变
2010-01-10 12:12:45
94 对PWM控制芯片SG3524与SG3525的工作性能作了介绍和比较,通过实验得出了SG3525在软起动功能上较SG3524有很大的改进。关键词:SG3524;SG3525;脉宽调制;软起动目前,开关电源越来
2010-01-10 12:13:29
144 SG3525在开关电源中的应用
摘要:文章主要介绍了PWM集成电路SG3525的特性,分析了由SG3525控制的半桥型开关稳压电路的结构和工作原理。实践表明:该系统工
2010-05-12 16:20:52
447 基于PWM的半桥型开关电源摘要:主要介绍了由SG3525组成的半桥型开关稳压电路的结构和工作原理,阐述了PWM集成电路SG3525的特性和主要功能。实践表明:该系统工
2010-05-12 16:33:07
163 摘要:文中简要介绍了SG3525芯片的功能及内部结构,介绍了一款基于SG3525芯片的半桥高频开关电源。给出了高频变压器、PWM控制电路的设计方法,并给出了实验结果。关键词:SG35
2010-06-27 22:17:24
241 sg3525的应用电路
2008-07-30 17:40:07
27230 
DCDC推挽电源SG3525 pdf
2008-07-30 17:43:17
18273 
sg3525参数:sg3525极限参数,sg3525主要参数,sg3525引脚功
2008-07-30 17:48:30
13191 
SG3525振荡器原理图
2008-07-30 17:50:59
2638 
基于SG3525电压调节芯片的PWM Buck三电平变换器
摘要:阐述了用SG3525电压调节芯片实现PWM Buck三电平变换器的交错控制。相对于采用分立元件实现PWM Buck三电平变换器的
2009-07-06 09:20:18
6253 
sg3525过流保护电路
2010-03-31 12:02:57
17473 
sg3525应用电路
2010-03-31 12:13:02
9086 sg3525引脚图
2010-03-31 12:24:49
2312 
摘要:本文介绍一种采用SG3525作为控制芯片的半桥变换器;给出其主电路框图和各个功能的实现电路;并且对其所采用的反馈补偿器进行了详细的分析;最后给出了实验结果。 关键词:SG3525;半桥;变换器;开关电源
2011-02-24 12:17:08
513 SG3525 是一种应用广泛的PWM 集成控制芯片, 在介绍SG3525 的功能特点以及IGBT 驱动模块的基础上, 详细阐述了基于SG3525 为控制核心的大功率开关电源的设计。该电源主电路采用半桥式逆变电
2011-05-17 17:34:36
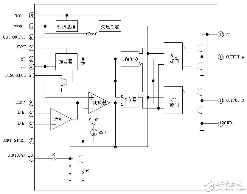
1289 电子发烧友为大家提供了SG3525引脚功能和结构框图,还有采用SG3525来实现SPWM控制信号的输出的工作原理。
2011-08-05 11:21:57
25808 
应用单片机AT89S52和PWM调制器件SG3525,设计制作了一种直流脉冲电源,利用SG3525调节脉冲电压,利用A1、89S52控制脉冲的频率和占空比,从而实现了输出脉冲的频率、电压和占空比的连续
2011-09-15 14:44:33
188 SG3525 是一种应用广泛的PWM 集成控制芯片, 在介绍SG3525 的功能特点以及IGBT 驱动模块的基础上, 详细阐述了基于SG3525 为控制核心的大功率开关电源的设计。该电源主电路采用半桥式逆变
2011-09-20 10:00:03
55789 
主要介绍了由SG3525构成的双管正激型开关稳压电源的基本电路结构和工作原理。具体阐述了SG3525在双管正激电路中的应用以及补偿网络的设计。经实验验证该系统工作稳定。运行效果良
2011-10-21 18:39:45
520 设计了一款以SG3525和IR2113芯片为控制和驱动芯片的全桥变换器驱动电路,给出了控制芯片外围电路主要参数的设计过程。并在saber环境下搭建了仿真模型,仿真结果验证了设计参数合理
2012-01-13 15:27:17
1110 本文针对目前实验室等场所所用电源输出不可调的缺点,结合SG3525电压型PW M控制芯片和单片机,设计了基于SG3525的单片机辅助PWM控制电源。该电源利用单片机控制来 实现稳压,主要突出单片机的灵活控制,稳压元件采用集成稳压器。该设计具有较强的实用价值 。
2016-04-15 09:46:33
52 SG3525应用资料,内容仅供参考,若发现有不对的地方请留言,谢谢
2016-07-12 16:05:52
0 sg3525 控制pwm芯片
2017-09-15 10:59:02
128 SG3525 是一种性能优良、功能齐全和通用性强的单片集成PWM控制芯片,它简单可靠及使用方便灵活,输出驱动为推拉输出形式,增加了驱动能力;内部含有欠压锁定电路、软启动控制电路、PWM锁存器,有过流保护功能,频率可调,同时能限制最大占空比。
2017-11-21 17:58:14
9898 
随着电能变换威廉希尔官方网站
的发展,功率MOSFET在开关变换器中开始广泛使用,为此美国硅通用半导体公司推出SG3525。SG3525是用于驱动N沟道功率MOSFET。其产品一推出就受到广泛好评。SG3525是电流控制型PWM控制器,所谓电流控制型脉宽调制器是按照接反馈电流来调节脉宽的。
2017-11-21 18:40:24
34952 
SG3525 是一种应用广泛的PWM 集成控制芯片, 在介绍SG3525 的功能特点以及 IGBT 驱动模块的基础上, 详细阐述了基于SG3525 为控制核心的大功率开关电源的设计。该电源主电路采用
2017-12-07 09:23:30
64 脉宽调制器SG3525 具有欠压锁定、系统故障关闭、软起动、延时PWM 驱动等功能, 因而得到广泛应用。介绍了SG3525 的内部结构和控制特性, 给出了变频电源的总体结构
2017-12-16 09:36:31
5859 
本文主要介绍了SG3525的管脚功能、SG3525内部结构、分析了由脉宽调制器SG3525产生脉宽调制波的形成过程,以及由SG3525控制的单相交流调压的实现原理。
2017-12-16 10:14:07
24955 
可对串联谐振式逆变电源进行多功能控制,实现H桥式MO SFET脉宽调制PWM信号的生成和逆变电源的保护功能,以及变频电源工作过程中谐振频率的跟踪控制。 脉宽调制器SG3525具有欠压锁定、系统故障关闭、软起动、延时PWM驱动等功能,因而得到广泛应用。
2017-12-17 10:31:06
10 本文主要介绍了基于SG3525控制的车载逆变电源设计,电路包括基于SG3525控制的高频PWM主电路、全桥逆变电路、必要的保护电路和相关驱动电路。采用集成脉宽调制芯片SG3525为主控芯片,产生高频
2017-12-21 16:28:56
12818 
本文主要介绍了PWM控制器SG3525的变频控制,SG3525主要由基准稳压源、振荡器、误差放大器、PWM比较器和锁存器、分相器、或非门电路和图腾输出电路等几大部分组成。PWM是目前应用在开关电源中最为广泛的一种控制方式,具有噪音低、满负载时效率高等优点。
2017-12-21 16:44:20
10892 
本文主要介绍了一种基于SG3525和SKYPER32PRO的大功率开关电源的设计与实现,SG3525是一款功能齐全、通用性强的单片集成PWM芯片。包括基准电压产生电路、振荡器、误差放大器、PWM比较器、欠压锁定电路、软启动控制电路、推拉输出形式。
2017-12-22 09:26:55
27319 
本文主要介绍了一种基于SG3525的直流升压电源的设计与仿真,采用Boost斩波电路为直流升压电路的主电路,并以SG3525为控制核心设计了控制电路,对主电路、PWM波产生电路、驱动电路和保护电路进行了详细的研究和设计。通过仿真实验证明设计的可行性和准确性。
2017-12-22 09:49:00
21774 
本文主要介绍了基于SG3525芯片的大功率恒压/恒流LED电源研制,以SG3525为控制芯片、采用半桥变换的拓扑结构,其中电源包括输入保护、EMI滤波电路、全桥整流电路、半桥式DC-DC变换电路、反馈电路和控制驱动电路部分等,通过Matlab对系统进行仿真验证。
2017-12-22 10:11:36
23754 
本文主要介绍了一种基于单片机和SG3525的程控开关电源设计与实现,SG3525是电压控制型PWM控制器,智能稳压电源以开关电源为基础电路,高性能C8051F020单片机为控制核心。电源硬件电路主要
2017-12-22 11:05:48
8879 
本文主要介绍了基于SG3525的220V逆变器用直流升压电路的设计与特性分析,主电路采用DC-DC推挽升压拓扑,变压器采取初并次串结构,通过SG3525芯片的高效PWM控制,所设计的直流升压电路输出电压稳定,转换效率高,具有实际应用价值。
2017-12-22 11:29:30
25457 
本文主要介绍了一种基于SG3525控制的双管正激变换器,SG3525的功能、应用以及补偿网络的设计。G3525主要有基准稳压源、振荡器、误差放大器、PWM比较器和锁存器、分相器、或非门电路和图腾输出电路等组成。实验证明SG3525实现双管正激稳压电路是可行的,且性能可靠。
2017-12-22 13:42:36
21259 
本文主要设计了一种利用SG3525实现调频控制的感应加热电源,SG3525是一种性能优良、功能齐全和通用性强的单片集成PWM控制芯片。根据SG3525的特点设计的启动电路和PI调节电路设计新颖,能够实现加热电源的可靠启动和负载功率的连续调节。
2017-12-22 14:01:25
17608 
本文主要介绍了基于SG3525的单相桥式逆变器的设计与仿真,单相逆变器硬件回路由主电路、控制电路和驱动电路3部分组成。控制回路以集成PWM控制器SG3525为核心;驱动电路由驱动芯片IR2110及外围构成。通过控制系统的仿真分析,验证了该系统的具有可行性。
2017-12-22 15:40:25
36641 
本文主要介绍了一种新型开关电源的PWM控制的设计,SG3525是电流控制型PWM控制器,脉宽控制电路是开关电源的核心部分,由电子控制电路和驱动电路构成。采用SG352控制芯片所设计的开关电源,具有传统开关电源不可比拟的稳定性好、响应速度快等优点。
2017-12-22 15:56:19
19417 
本文主要介绍了sg3525逆变器电路图大全(几款模拟电路工作原理详解)。在中小容量变频电源的设计中,采用自关断器件的脉宽调制系统比非自关断器件的相控系统具有更多的优越性。第一代
2018-01-22 17:20:56
245040 
本文主要介绍了sg3525相关各点波形,SG3525是一种性能优良、功能齐全和通用性强的单片集成PWM控制芯片,它简单可靠及使用方便灵活,输出驱动为推拉输出形式,增加了驱动能力;内部含有欠压锁定电路、软启动控制电路、PWM锁存器,有过流保护功能,频率可调,同时能限制最大占空比。
2018-01-31 13:48:13
13118 
本文主要介绍了sg3525怎样调脉宽_sg3525怎么调节占空比。SG3525脉宽调制控制器,不仅具有可调整的死区时间控制功能,而且还具有可编式软起动,脉冲控制封锁保护等功能。通过调节SG3525
2018-01-31 14:07:33
105498 
本文主要介绍了sg3525怎么确定频率。并分析了SG3525内部结构、SG3525引脚图及其功能,SG3525是电流控制型PWM控制器,所谓电流控制型脉宽调制器是按照接反馈电流来调节
2018-01-31 14:27:19
54928 
本文主要介绍了sg3525软启动如何实现的。软起动功能的实现主要由SG3525内部的晶体管和外接电容及锁存器来实现的。这种软起动方式,可使系统主回路电机及功率场效应管承受过大的冲击浪涌电流。实验表明
2018-01-31 14:49:22
18008 
本文主要介绍了sg3525鱼机驱动电路图。电鱼机的逆变驱动IC主要有两种:一种是TL494,另一种是SG3525。这里我们就对SG3525的详细功能进行说明。SG3525是一种性能优良、功能齐全
2018-01-31 16:11:18
103989 
本文开始介绍了SG3525芯片特点和sg3525引脚图及功能,其次介绍了SG3525的工作原理和sg3525的参数,最后介绍了sg3525的应用电路。
2018-04-02 10:46:30
202526 
电压调节芯片 SG3525 具体的内部结构如图 1 所示。其中,脚 16 为 SG3525 的基准电压源输出,精度可以达到(5.1±1%)V,采用了温度补偿,而且设有过流保护电路
2019-02-12 08:00:00
89 这里介绍两种常用的PWM调节器,型号分别为UC3825A和SG3525,它们的内部工作原理基本相同,包括内部供电、OSC、PWM调节、软启动、保护等单元。
2023-07-13 10:21:12
2099 
电子发烧友网站提供《基于SG3525控制的车载电源设计方案.pdf》资料免费下载
2023-10-31 10:30:03
10
评论