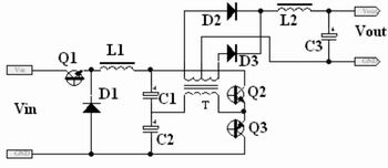
双管正激开关电源是一种常用的高效、稳定的直流电源设计。它利用开关管的开关动作,实现对输入电压的变换和输出电压的稳定调节。本文将详细介绍双管正激开关电源的设计原理、基本结构和工作原理。 一、双管
2023-12-08 10:17:28
1283 双管正激式开关电源是一种常见的电源拓扑结构,采用了两个功率开关管进行功率调节。在这篇文章中,我将详细解释双管正激式开关电源的原理、工作方式以及其应用领域。 首先,让我们来了解一下什么是开关电源
2023-12-08 16:25:23
2018 掌握每种电路结构的工作原理与基本特性。一、20种开关电源拓扑对比常见的基本拓扑结构:■ Buck 降压■ Boost 升压■ Buck-Boost 降压-升压■ flyback 反激■ Forward 正激
2022-04-07 10:56:48
一种2kw高频开关电源的设计
2012-04-08 17:21:25
描述0-30V、0-7A可调开关电源DC到DC降压转换器是电子领域著名的拓扑结构,也是电子设备中广泛使用的电路。降压转换器降低输入电压,同时增加输出电流。在本文/视频中,我讨论了一种可有
2022-07-14 07:33:56
为了实现电力电子电源系统的小型化,轻量化,要求开关电源高频化,这就要使用全控型电力电子器件。而他们的开通和关断,是采用PWM控制威廉希尔官方网站
来控制其导通和关断,从而使主电路输出电压稳定的一种电源。1
2018-10-19 16:40:07
可靠、兼容性强的开关电源成为众多电源设计工程师不断努力的目标。本文针对大功率开关电源提出一种无APFC的低成本全电压设计方案,该方案使用自动倍压方式有效减小火牛直流输入电压的范围,从而大大降低电源成本
2018-11-29 17:11:47
主权项:1.一种计算机不间断供电开关电源,它包括计算机主机开关电源,其特征是:它还包括电池供电开关、状态检测和切换单元,电压检测单元,声光显示报警单元以及电能供给和存储单元;电池供电开关、状态检测
2021-10-28 08:24:55
本文我们沃尔山东开关电源厂家带您一起来了解一种降压开关电源的应用。设计开关电源除了功耗、价格及体积等因素必须考虑外,电源的输出噪声,特别是输出纹波的大小也必须考虑。如果DSP或MCU内核消耗的电流
2016-04-13 11:31:03
一种高频高压单片开关电源的设计
2012-04-07 16:39:52
一种高频高压单片开关电源的设计
2012-04-08 17:19:29
哪位赐教一下,开关电源电路中,MA1050器件起什么作用?电路中是如何工作的?谢谢!
2013-11-01 21:51:48
开关电源电路结构与LED驱动电源的设计应用
2013-10-22 16:18:55
在进行电器电路模块设计或给新产品定型时,有时极少认真考虑配套开关电源的选择,直到发现问题出在开关电源部分,才重新评估这个问题。一、选择开关电源的基本依据电压和电流范围,这是两个最容易确定的指标,只要
2016-08-21 20:27:49
开关电源中缓冲电路性能的好坏直接影响到系统的品质。 文中给出了一种结构简单、 安装方便的RC缓冲电路的设计方法, 该方法不仅能降低开关管的关断损耗, 而且还能降低变压器的漏感和尖峰电压。
2013-07-21 10:22:17
、电源输入级、非隔离电路、变压器隔离型变换器、无源器件的选择、半导体的选择、电感的选择、变压器的选择、正弦波逆变器的设计举例、PC离线电源等。本书结构合理,层次分明,内容深入浅出,通俗易懂。本书适用于开关电源初学者和开关电源从业者,也适合电气工程及其自动化专业。
2016-06-12 12:48:20
开关电源典型电路结构框图
2019-05-08 10:43:49
以上是开关电源的反馈部分,以往的理解开关电源的反馈是线性的调节,但是这两个运放组成的误差放大器,感觉输出的是开关信号,不知道是怎么做到线性调节的。还有光耦的收光部分,FB探测两端压降来调节占空比,但是图中光耦集电极上也没见有加上拉电,是如何做到集电极和发射极电位的调整的?
2019-10-08 03:45:17
。在选择开关电源的时候要注意:1. 输出电流的选择 因为开关电源工作效率比较高,一般可达到80%以上,所以在其输出电流的选择上,应该准确测量或者计算用电设备的最大吸收电流,以使被选用的开关电源具有高
2012-11-06 15:04:13
)和Buck/Boost(升/降压),单端反激(隔离反激),正激、推挽、半桥和全桥变化器。 下面简单介绍一下常用的开关电源拓扑结构。 Buck电路 首先我们要讲的就是Buck电路。 Buck电路也
2018-10-17 11:42:04
开关电源中有几种基础的拓扑,buck拓扑电路、boost拓扑电路以及反激式开关电源等等。这些拓扑既有他们相同之处,也有其独特性。下面我们研究一下开关电源拓扑结构如何选择。 一些拓扑适用于离线式
2023-04-06 17:12:00
想要学习一下开关电源拓扑结构;想要了解电源的拓扑结构和计算方法,请教一下论坛威廉希尔官方网站
大牛, 开关电源中有三大拓扑结构,他们分别为 BUCK 降压式;BOOST 升压式;BUCK-BOOST 升降压式。还有其他的吗?
2021-03-11 06:12:40
端而言,电感器L与负载成并联。(也是串联式开关电源的一种,一般又称为反转式串联开关电源) 开关管T交替工作于通/断两种状态,工作过程与并联式结构相似,当开关管T导通时,输入端电源通过开关管T
2013-09-14 21:12:41
开关电源拓朴结构分析Power Supply是一种提供电力能源的设备,它可以将一种电力能源形式转换成另外一种电力能源形式,并能对其进行控制和调节。[hide][/hide]
2009-12-10 17:32:59
,如何降低其待机功耗,提高供电效率成为一个急待解决的问题。传统的线性稳压电源虽然电路结构简单、工作可靠,但它存在着效率低(只有40%-50%)、体积大、铜铁消耗量大,工作温度高及调整范围小等缺点。为了提高效率
2021-10-28 10:02:42
线性电源提高一倍。图 2 开关电源结构框图开关稳压器开关稳压器是一种开关式集成稳压器,他将PWM控制器、功率输出级、等集成在一个芯片中,稳压器效率可达90%以上,有的还能连续调节输出电压,适合制造从
2018-10-16 16:40:50
开关电源简介直观上说,开关电源通过开关管将输入能量截成一个一个的能量包,然后将这些能量包传送到输出端,在输出端又将这些离散的能量包汇集,为负载连续供电。 电路结构:降压(buck),升压
2021-10-28 09:00:06
把直流转变成交流,然后又把交流转换成具有不同输出的直流的装置。这种装置被广泛应用在开关电源电路中。采用直流变换器可以把一种直流供电电压变换成输出极性、路数和电压数值各不相同的多种直流供电电压,并且输入
2017-10-24 09:47:38
参考。 一、开关电源的结构 开关电源主要由控制电路、检测电路、辅助电源四大部份构成。 (1)主电路 冲击电流限幅:限制接通电源瞬间输入侧的冲击电流。 输入滤波器:其作用是过滤电网存在的杂波及阻碍本机
2018-09-28 15:58:42
开关电源的结构、原理及故障提出检修的技巧以供大家参考。开关电源的结构开关电源主要由控制电路、检测电路、辅助电源四大部份构成。(1)主电路冲击电流限幅:限制接通电源瞬间输入侧的冲击电流。输入滤波器:其作用
2018-10-22 15:18:07
一、开关电源:是一种高频化电能转换装置,其主要利用电力电子开关器件(如晶体管、MOS管、可控晶闸管等),通过控制电路,使电子开关器件周期性地"接通"和"关断"
2021-10-28 10:10:42
输入交流电转化为符合要求直流输入电源。1.线性滤波电路:抑制谐波和噪声。2.浪涌滤波电路:抑制来自电网的浪涌电流。3.整流电路:把交流变为直流。 一种是电容输入型、一种是电感输入型,开关电源多半是电容
2018-05-14 10:18:04
看了很多关于开关电源的原理图,发现都没有关于变压器的参数,想知道要做一个开关电源的话,变压器怎么选择,在哪可以买到?
2016-11-23 22:02:08
在进行电器电路模块设计或给新产品定型时,有时极少认真考虑配套开关电源的选择,直到发现问题出在开关电源部分,才重新评估这个问题。 一、选择开关电源的基本依据 电压和电流范围,这是两个最容易确定
2023-03-16 16:07:10
一.开关电源的控制结构:一般地,开关电源大致由输入电路、变换器、控制电路、输出电路四个主体组成。如果细致划分,它包括:输入滤波、输入整流、开关电路、采样、基准电源、比较放大、震荡器、V/F转换、基极
2018-05-09 10:08:50
开关电源是利用现代电力电子威廉希尔官方网站
,控制开关管开通和关断的时间比率,维持稳定输出电压的一种电源,开关电源一般由脉冲宽度调制(PWM)控制IC和MOSFET构成。随着电力电子威廉希尔官方网站
的发展和创新,使得
2018-10-15 18:38:57
` 1、输出电压的纹波: 由于开关电源的稳压过程是一个不断取样反馈调节的过程,因此在输出的直流电压上会出现一个叠加的波动的纹波电压,即输出的纹波电压。这个值越小,表示输出特性越好。纹波有两种表示
2020-08-25 10:55:54
开关电源的拓扑结构分析
2021-03-11 07:11:29
一些开关电源拓扑结构分享
2021-03-16 10:03:53
一.开关电源的控制结构: 一般地,开关电源大致由输入电路、变换器、控制电路、输出电路四个主体组成。 假如细致划分,它包括:输入滤波、输入整流、开关电路、采样、基准电源、比较放大、震荡器、V
2016-01-11 10:05:27
开关电源的电压和电流控制模式有什么区别?控制电路就是保证在负载波动的条件下输出的稳定。在选择开关电源控制方案时,控制模式主要分两种:一种是监测输出电压的大小,调节PWM占空比,保证输出电压的稳定,即
2021-03-05 07:43:41
基于UC3842的反激式开关电源,文中从原理和实验两方面分析了恒功率控制和恒电流控制的过载保护电路,阐述了各自的特点,并提出了一种适用于短暂过载场合的延时锁定关断过载保护电路,实验证明此电路工作于保护模式时开关元件无开关应力,为高峰值负载电源过载保护电路的设计提供了一种有效的方法。
2013-07-14 11:05:29
开关电源驱动保护电路----摘要:本文介绍开关电源中常规驱动与保护电路的工作原理,在此基础上分析驱动保护二合一电路的工作原理、特点、应用。----关键词:开关电源 驱动电路
2009-08-23 13:17:36
AC-DC电源电路的设计我希望可以做到5V2A的输出,然后我选型的时候直接选择功率在10W左右的开关电源芯片,所以我选择了LNK626DG这款芯片,但是AC-DC里我不太明白开关电源芯片输出的电压
2019-08-13 16:38:56
的事件,因为添加事件时直接关联的事件源是XControl中的XY图,如图1。但是在调用XControl的vi中,我也要添加游标移动的事件,但是这个XControl并没有相应的可添加事件(没有游标相关的事件),如图2。请教要如何才能自定义增加XControl可在调用vi中事件结构中可选择的事件呢?图1图2
2020-04-10 21:30:01
buck boost buck boost开关电源结构1.开关电源开关模式电源(Switch Mode Power Supply,简称SMPS),又称交换式电源、开关变换器,是一种高频化电能转换
2021-10-29 08:36:49
`随着电力电子威廉希尔官方网站
的不断创新,开关电源威廉希尔官方网站
也在不断地提升。时至今日,开关电源已经以小型、轻量和高效率的特点被广泛应用在几乎所有的电子设备中,是当今电子信息产业飞速发展过程中不可或缺的一种电源方式
2018-03-22 16:56:58
是利用波脉冲宽度控制输出,PFM是利用脉冲的有无控制输出,其中PWM是目前应用在开关电源中最为广泛的一种控制方式,它的特点是噪音低、满负载时效率高且能工作在连续导电模式,现在市场上有多款性能好、价格低
2018-08-23 20:07:43
ping失败,提示 host not alive 并且host ip地址有三个可选择
2019-10-18 04:20:18
掌握每种电路结构的工作原理与基本特性。一、20种开关电源拓扑对比常见的基本拓扑结构:■ Buck 降压■ Boost 升压■ Buck-Boost 降压-升压■ Flyback 反激■ Forward 正
2021-07-13 17:24:23
开关电源是利用现代电力电子威廉希尔官方网站
,控制开关管开通和关断的时间比率,维持稳定输出电压的一种电源,开关电源一般由脉冲宽度调制控制IC和MOSFET构成。随着电力电子威廉希尔官方网站
的发展和创新,使得开关电源威廉希尔官方网站
也在
2022-06-04 16:08:48
关于开关电源拓扑结构如何修正
2021-03-11 07:38:11
方式,存在一定的误差,而且电路比较复杂[2]。本文设计了一种以ST 公司的高性能单片机μpsd3354 为控制核心的输出电压大范围连续可调的功率开关电源,由单片机直接产生PWM 波,对开关电源的主电路
2018-10-16 13:31:39
。 过渡电压驱动 过渡电压驱动是另外一种LED开关电源的可选驱动方式,它是指电源电压值在LED管压降附近变动,可能时高时低。过渡电压驱动既要解决升压问题又要解决降压问题,也需要尽量小的体积和较低的成本
2018-11-30 17:04:50
一种小型直流开关电源的反馈控制电路设计
2019-03-18 13:49:28
,从而产生所需要的一组或多组电压。另外一个直流电源有两种工作状态,一种是恒流状态,按照恒流电源的特征在工作,一种是恒压状态,按照恒压电源的特征在工作。大功率65W电机开关电源芯片的恒压恒流模式既有
2020-03-25 11:38:17
干货 | 如何快速掌握11种开关电源拓扑结构?看这篇就够了!
本文主要讲述常见的开关电源拓扑结构特点和优缺点对比。
常见的拓扑结构,包括Buck降压、Boost升压、Buck-Boost降压-升压
2023-05-22 12:57:18
开关电源的工作过程是怎么样的?直流开关电源内部结构如何?开关电源主要有什么工作方式?
2021-03-11 06:06:05
能力。U6118开关电源控制芯片的可选择封装方式有SOT23-5,SOT23-6两种方式可选,输出功率为15W,采用集成电压、电感恒流补偿威廉希尔官方网站
,集成可调节线损补偿威廉希尔官方网站
。`
2020-03-20 14:38:53
6种开关电源输入保护电路
2021-02-25 06:19:29
本文主要讲述常见的开关电源拓扑结构特点和优缺点对比。 常见的拓扑结构,包括Buck降压、Boost升压、Buck-Boost降压-升压、Flyback反激、Forward正激
2021-12-27 23:19:03
电压驱动是另外一种LED开关电源的可选驱动方式,它是指电源电压值在LED管压降附近变动,可能时高时低。过渡电压驱动既要解决升压问题又要解决降压问题,也需要尽量小的体积和较低的成本,反极性电荷泵式变换器
2016-01-18 11:34:25
本文分析了一种应用于电流模式开关电源的斜坡补偿电路。该电路利用内部振荡器输出的锯齿波顺序开启四条电流通路,不仅实现了内部同步补偿,而且能随占空比变化自动调节补偿量。电路分析和仿真结果表明,该电路能弥补传统电流模式的不足,有效地稳定开关电源的输出电压。
2021-03-23 15:52:10
计算机开关电源基本结构及原理来源:华强电子网作者:华仔浏览:589时间:2016-08-10 14:18标签:摘要:一、计算机开关电源的基本结构1.atx电源与at电源的区别目前计算机开关电源有
2021-11-12 08:43:35
计算机开关电源基本结构及原理来源:华强电子网作者:华仔浏览:592时间:2016-08-10 14:18标签:摘要:一、计算机开关电源的基本结构1.atx电源与at电源的区别目前计算机开关电源有
2021-10-28 07:06:38
一种基于CPLD的移相全桥软开关电源数字控制器的设计方案
2021-04-30 06:56:18
可选择的翻转逆变器电路图
2019-09-20 03:47:16
稳压电源调节芯片7915功能)的负电压开关电源控制芯片。为了弥补现有非隔离负电压开关电源威廉希尔官方网站
的不足,以获得一种带负载能力强、输出纹波小的非隔离负电压开关电源,本文提出一种采用Boost开关电源控制芯片
2018-11-30 17:16:32
一种用于离线式开关电源的内部电源电路:结合高压启动恒流源设计了一种用于离线式开关电源的内部电源电路。采用0.6μm BCD工艺模型对该电路进行了仿真,结果表明所设计的电路在
2009-12-14 09:32:16
20 摘要:介绍并比较了电压控制型和电流控制型开关电源的基本原理,提出了一种电压控制型开关电源加电流截止负反馈的方法。由SG3525实现的开关电源电路实例,证明了这种电路的
2010-11-10 22:17:52
90 开关电源典型电路结构框图
2007-12-03 21:53:28
5115 
输入可选择的程控增益同相放大器电路图
2009-03-20 09:11:56
923 
开关电源的基本控制原理
一.开关电源的控制结构:一般地,开关电源大致由输入电路、变换器、控制电路、输出电路四个
2009-05-12 20:46:27
2390 
可选择充电时间的小型电池充电器电路
2009-05-29 19:02:44
629 
一种多功能输出开关电源
摘要:介绍了一种可以多功能宽范围输出的开关电源。详述了电源的基本电路结构和控制策略
2009-07-15 08:23:15
837 
电池修复的可选择性 电池
2009-11-09 17:35:14
497 直流开关电源的拓扑结构
开关电源可分为直流开关电源和交流开关电源,是按输出来区分的,交流开关电源输出的
2010-03-09 10:59:24
3307 
2014-05-05 13:09:27
4 本文介绍了一种基于集成开关稳压器SG3525A做脉宽调制器的开关电源保护电路,解决过压、过流保护问题。
2016-05-11 15:26:21
19 开关电源如何选择电容?
2016-12-15 18:39:07
40 简介开关电源基本结构电路原理
2017-01-22 21:11:02
29 本文主要介绍了一种新型开关电源的PWM控制的设计,SG3525是电流控制型PWM控制器,脉宽控制电路是开关电源的核心部分,由电子控制电路和驱动电路构成。采用SG352控制芯片所设计的开关电源,具有传统开关电源不可比拟的稳定性好、响应速度快等优点。
2017-12-22 15:56:19
19417 
今天为大家介绍一项国家发明授权专利——模式可选择的现场变送器。该专利由罗斯蒙特公司申请,并于2018年9月11日获得授权公告。
2018-10-08 08:05:00
624 
自激式开关电源是一种利用间歇振荡电路组成的开关电源,此类开关电源占有量不多,结构也不是太复杂,下面以图5-1所示电路简要进行说明。
2020-03-15 16:58:00
31686 
在进行电器电路模块设计或给新产品定型时,有时极少认真考虑配套开关电源的选择,直到发现问题出在开关电源部分,才重新评估这个问题。
2020-08-09 16:34:00
2341 开关电源组件选择介绍。
2021-06-03 15:01:24
40 基于推挽式结构的开关电源设计(ups电源威廉希尔官方网站
)-基于推挽式结构的开关电源设计
2021-08-31 10:01:31
55 基于推挽式结构的开关电源设计(现代高频开关电源威廉希尔官方网站
及应用 百度网盘)-该文档为基于推挽式结构的开关电源设计总结文档,是一份不错的参考资料,感兴趣的可以下载看看,,,,,,,,,,,,,,,,,
2021-09-22 16:57:17
57 开关电源的好资料,开关电源各部电路祥解(村田电源威廉希尔官方网站
(上海有限公司深圳分公司)-是一本设计开关电源的好资料,开关电源各部分电路详解,详细介绍开关电源的组成原理。
2021-09-22 17:52:34
653 在便携电子设备里都包含有多个电源管理芯片,一般常用的开关电源芯片分两种:BOOST转换器(升压),BUCK转换器(降压电路)。下面是两种电源电路的两种拓扑结构,在这里简单说明在两种电源结构中电感
2021-10-21 18:21:11
7 开关电源中有几种基础的拓扑,buck拓扑电路、boost拓扑电路以及反激式开关电源等等。这些拓扑既有他们相同之处,也有其独特性。
2023-04-26 17:24:31
1150 
开关电源如何调节电流 开关电源是一种广泛应用于各种电子设备中的电源,其工作原理是将交流电转换为高频脉冲信号,经过变换、滤波、稳压等处理后输出稳定的直流电压或电流。开关电源的优点在于高效、可靠、稳定
2023-08-17 18:23:42
6419 开关电源如何调节电压? 开关电源是电子设备中最常用的电源之一。它与传统电源不同之处在于,开关电源采用了开关电路来控制电流的流动方式。开关电源不仅能够实现高效能的输出,而且还具有节能、体积小、重量轻
2023-08-17 18:25:28
4882 开关电源电路原理详解 开关电源是一种高效率、小体积的电源形式,应用范围非常广泛,特别是在电子、通信等领域中,开关电源的应用越来越多。开关电源电路的核心是开关器件和控制电路,能够快速地开关电源的开关
2023-08-18 11:14:06
1455 开关电源谐振电路原理是什么? 开关电源谐振电路原理是非常重要的电路之一,在电力系统中广泛应用。它是一种高效能、高可靠性、高精度的电源,被用于工业自动化、信息、通讯、计算机等领域。 在交流电源
2023-08-18 11:39:20
1142 原边反馈开关电源原理 开关电源是一种经常应用于电子设备中的高效率电源,它能够将输入电压转换为符合设备需求的输出电压。在开关电源中,原边反馈是一种常用的控制电路,它通过对变压器原边电压进行调节
2023-08-29 10:20:05
2027 电子发烧友网为你提供ADI(ADI)MAX16491:采用可选择应用程序配置数据表的集成、自下而下转换调节器相关产品参数、数据手册,更有MAX16491:采用可选择应用程序配置数据表的集成
2023-10-10 18:58:20

评论