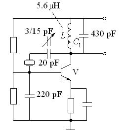
泛音晶体皮尔斯振荡器电路

电子发烧友App
硬声App
完善资料让更多小伙伴认识你,还能领取20积分哦,立即完善>
电子发烧友网>电子威廉希尔官方网站 应用>电子威廉希尔官方网站 >电路图>信号处理电子电路图>泛音晶体皮尔斯振荡器电路
相关推荐
5432
2656
1567
1559
2414
3609
1867
8915
3831
24270
8317
5321
35365
10516
95064
6088
82
2723
7151
15291
60
799
859
2295
评论