单片晶控变换器
相关推荐
LLC谐振变换器与传统谐振变换器相比有哪些优势?
LLC谐振变换器与传统谐振变换器相比有哪些优势? LLC谐振变换器(LLC resonant converter)是一种高效的电力电子转换器,占据了现在市场上大部分绿色电源的位置。相比传统的谐振
2023-10-22 12:52:14
91
91反激变换器原理
反激变换器原理1.概述到目前为止,除了Boost 变换器和输出电压反向型变换器外,所有讨论过的变换器都是在开关管导通时将能量输送到负载的。本章讨论扳激变换器与它们的工作原理不同。在反激拓朴中,开关管
2009-11-14 11:36:44
单端正激变换器的工作原理
前面介绍了四种基本的非隔离DC-DC变换器结构,它们有一个共同点就是输入输出存在直接的电气连接,然而在实际应用中,由于电压等级变换、安全、系统串并联等原因,需要进行输入和输出的电气隔离。 在基本的非
2023-04-11 11:49:39
1725
1725
Buck变换器和Boost变换器原理分析
在开关稳压电源中,直流变换器中的功率晶体管工作在开关状态。目前开关电源的工作频率在几百kHz,有些甚至已经到了MHz量级。如下图所示是DC-DC开关变换器的原理框图。
2022-11-28 16:40:28
3623
3623
基于反激式电路拓扑的DCDC变换器并联输出的均流变换器设计
基于反激式电路拓扑的DCDC变换器并联输出的均流变换器设计(通信电源威廉希尔官方网站
手册在线阅读)-该文档为基于反激式电路拓扑的DCDC变换器并联输出的均流变换器设计总结文档,是一份不错的参考资料,感兴趣的可以下载看看,,,,,,,,,,,,,,,,,
2021-09-22 12:16:42
24
24升压式变换器的工作原理是什么?
升压式DC/DC变换器,简称升压式变换器,英文为BoostConverter,也称Boost变换器,也是常用的DC/DC变换器之一。
2021-06-13 09:08:23
5915
5915
谐振变换器到底是什么及理想和非理想buck变换器的模型介绍
变换器是常用器件,电子相关专业的朋友对变换器通常较为了解。为进一步增进大家对变换器的认识,本文将基于两点介绍变换器:1.何为谐振变换器,2.理想/非理想buck变换器模型介绍。如果你对变换器抑或本文内容具有兴趣,不妨继续往下阅读哦。
2020-11-07 11:30:37
7832
7832
LLC谐振变换器的设计过程和LLC谐振变换器的移相控制特性分析
谐振变换威廉希尔官方网站
是提升开关电源功率密度的有效途径,近年来LLC谐振变换器威廉希尔官方网站
获得了广泛的应用。为了扩展容量或减小输出电流纹波,可以将LLC谐振变换器交错并联使用。为实现变换器之间的输出均流,通常引入移相控制,本文重点分析LLC谐振变换器的移相控制特性,探讨两路LLC交错并联的移相均流控制威廉希尔官方网站
。
2018-12-13 11:40:00
129
129开关变换器的建模与控制及威廉希尔官方网站 应用
虽然开关变换器有很多拓扑结构和控制方式,但总的来讲,开关变换器可以分为两类,即PWM型变换器和谐振变换器,这两种变换器存在着较大的差别,本文中主要介绍PWM型变换器的建模与控制,对谐振变换器的建模与控制仅作简单的介绍。
2017-08-28 15:39:10
32
32无损吸收推挽变换器电路
推挽变换器是双端变换器,其实是两个正激变换器通过变压器耦合而来,基本推挽变换器好处是驱动不需隔离,变压器双端磁化,只要两个开关管。
2011-07-23 10:21:45
2683
2683
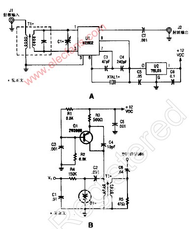
晶体变换器的概要及设计
晶体变换器的概要及设计
对于频率变换器的基本频率(局部振荡频率)使用晶体振荡电路,则称之为晶体变换器。此一晶体变换器加在接收机的前级,便可以接收与原来
2010-05-15 10:32:38
1388
1388
直流直流变换器
3.1概述3.2直流-直流降压变换器(BUCK变换器)3.3直流-直流升压变换器(BOOST变换器)3.4直流降压-升压变换器(BUCK-BOOST变换器)3.5直流升压-降压变换器(CUK变换器)3.6
2010-03-03 22:31:21
7
7谐振变换器,什么是谐振变换器
谐振变换器,什么是谐振变换器
谐振变换器由开关网络Ns、谐振槽路NT、整流电路NR、低通滤波器NF等部分组成,其结构框图由图1所示。
2009-10-18 10:30:06
10208
10208
什么是RCC变换器及RCC变换器的原理
什么是RCC变换器
RCC(RINGING CHOKE CONVERTER)是一种非定频电源,在国内有很多场合应用。
RCC变换器的原理
2009-10-12 18:47:51
3381
3381
单片DC/DC变换器的分析与设计
在0.35 μm硅衬底CMOS工艺条件下,分析了集成平面电感器的单片DC/DC变换器的功率损耗,折中考虑了设计中的难点以及各种影响因素。优化了变换器的转换效率,确定其开关频率为100
2009-02-28 16:46:06
19
19
电子发烧友App






















评论