MAXM22510/MAXM22511隔离的全双工收发器模块
Maxim公司的MAXM22510/MAXM22511是隔离的RS-485/RS-422全双工收发器模块,在电缆边(RS-485/RS-422驱动器/接收器边)和UART边提供2500VRMS(60秒)电隔离,集成的DC/DC电源给模块的电缆边供电,不需要外接元件.MAXM22510通信速率高达500kpbs,MAXM22511通信速率高达25Mbps,可用于工业4.0如工业自动化,可编逻辑控制器(PLC),HVAC,功率表和建筑物自动化。本文介绍了MAXM22510/1主要优势和特性,功能框图,应用电路,以及评估板MAXM22511 EVK主要特性,电路图,材料清单和PCB设计图。
The MAXM22510 and MAXM22511 isolated RS-485/ RS-422, full-duplex, transceiver modules provide 2500VRMS (60s) of galvanic isolation between the cable-side (RS-485/RS-422 driver/receiver side) and the UART-side of the device. An integrated DC-DC powers the cable-side of the module. No external components are required.
Isolation improves communication by breaking ground loops and reduces noise when there are large differences in ground potential between ports. These devices allow for robust communication up to 500kpbs (MAXM22510) and 25Mbps (MAXM22511)。
The MAXM22510/MAXM22511 operate from a single 3.3V supply on the UART-side. An integrated DC-DC converter generates the 3.3V operating voltage for the cable-side of the module.
The devices include one drive channel and one receive channel. The receiver is 1/4-unit load, allowing up to 128 transceivers on a common bus. Integrated true fail-safe circuitry ensures a logic-high on the receiver output when inputs are shorted or open. Undervoltage lockout disables the driver when cable-side or UART-side power supplies are below functional levels.
The driver outputs and receiver inputs are protected from ±35kV electrostatic discharge (ESD) to GNDB on the cable-side, as specified by the Human Body Model (HBM)。
The MAXM22510/MAXM22511 are available in an LGA 44-pin package and operate over the -40℃ to +105℃ temperature range.
MAXM22510/1主要优势和特性:
Space Saving Solution Fully Integrated Module for Compact Design
High-Performance Transceiver Enables Flexible Designs Integrated DC-DC for Cable-Side Power
Compliant with RS-485 EIA/TIA-485 Standard
500kpbs Maximum Data Rate for the MAXM22510
25Mbps Maximum Data Rate for the MAXM22511
Allows Up to 128 Devices on the Bus
Integrated Protection Ensures for Robust Communication ±35kV ESD (HBM) on Driver Outputs/Receiver Inputs
2.5kVRMS Withstand Isolation Voltage for 60 Seconds (VISO)
630VPEAK Maximum Repetitive Peak-Isolation Voltage (VIORM)
445VRMS Maximum Working-Isolation Voltage (VIOWM)
Withstands ±10kV Surge per IEC 61000-4-5
Thermal Shutdown
Safety Regulatory Approvals Pending
UL According to UL1577
cUL According to CSA Bulletin 5A
MAXM22510/1应用:
Industrial Automation
Programmable Logic Controllers
HVAC
Power Meters
Building Automation
![[原创] Maxim MAXM22510-1RS-485(422)全双工收发器模块解决方案](/uploads/allimg/181218/153101Sc_0.png)
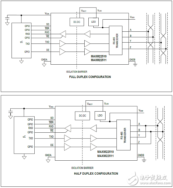
图1.MAXM22510/1功能框图
![[原创] Maxim MAXM22510-1RS-485(422)全双工收发器模块解决方案](/uploads/allimg/181218/15320145P_0.png)
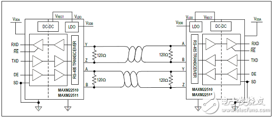
图2.MAXM22510/1隔离全双工RS-485/RS-422应用电路
![[原创] Maxim MAXM22510-1RS-485(422)全双工收发器模块解决方案](/uploads/allimg/181218/1533014095_0.png)
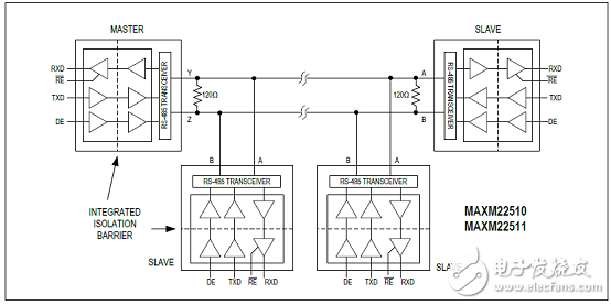
图3.MAXM22510/1典型隔离点对点应用框图
![[原创] Maxim MAXM22510-1RS-485(422)全双工收发器模块解决方案](/uploads/allimg/181218/1534022443_0.png)
图4.MAXM22510/1典型应用电路图
评估板MAXM22511 EVK
The MAXM22511 evaluation kit (EV kit) is a fully assembled and tested PCB that demonstrates the functionality of the MAXM22511 isolated RS-485/RS-422 transceiver module. The EV kit operates from a single 3.3V supply.
The EV kit is a fully assembled and tested circuit board for evaluating the MAXM22511 isolated RS-485/RS-422 transceiver module (U1)。 The EV kit is designed to evaluate the MAXM22511 alone or in a standard RS-485 configuration.
评估板MAXM22511 EVK主要特性:
Operates From a Single 3.3V Supply
Terminal Block Connectors for Easy RS-485/RS-422 Evaluation
Up to 2500VRMS Isolation for 60s
Fully Assembled and Tested
![[原创] Maxim MAXM22510-1RS-485(422)全双工收发器模块解决方案](/uploads/allimg/181218/153502S48_0.png)
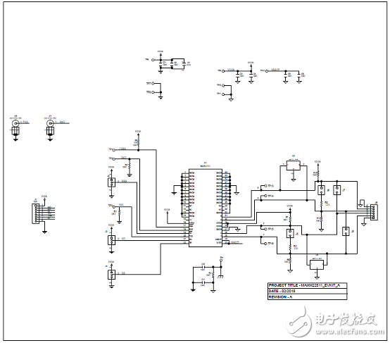
图5.评估板MAXM22511 EVK电路图
评估板MAXM22511 EVK材料清单:
![[原创] Maxim MAXM22510-1RS-485(422)全双工收发器模块解决方案](/uploads/allimg/181218/1536025Q9_0.png)
![[原创] Maxim MAXM22510-1RS-485(422)全双工收发器模块解决方案](/uploads/allimg/181218/153F15D1_0.png)
图6.评估板MAXM22511 EVK PCB设计图(1):左:顶层丝印;右:顶层
![[原创] Maxim MAXM22510-1RS-485(422)全双工收发器模块解决方案](/uploads/allimg/181218/153P21418_0.png)
图7.评估板MAXM22511 EVK PCB设计图(2):左:底层;右:底层丝印
详情请见:
https://datasheets.maximintegrated.com/en/ds/MAXM22510-MAXM22511.pdf
和https://datasheets.maximintegrated.com/en/ds/MAXM22511EVKIT.pdf
MAXM22510-MAXM22511.pdf
非常好我支持^.^
(0) 0%
不好我反对
(0) 0%
相关阅读:
- [移动通信] 5G 3GPP全球频谱介绍 2023-10-24
- [电子说] 华为辟谣将发射万枚低轨卫星 难道要华为去学马斯克搞星链? 2023-10-24
- [电子说] 6g需要卫星吗?6g需要多少卫星? 2023-10-24
- [电子说] STM32速成笔记(14)—CAN通信 2023-10-24
- [电子说] 以威廉希尔官方网站 创新推动产业进步丨纳特通信参加2023杭州电磁威廉希尔官方网站 及产业创新大会 2023-10-24
- [电子说] 远程IO模块物联网应用提高工业自动化生产效率 2023-10-24
- [通信网络] 移远通信5G RedCap模组拿下首个中国移动5G物联网开放实验室5G及轻量化产品能力 2023-10-24
- [电子说] 移远通信5G RedCap模组拿下首个中国移动5G物联网开放实验室5G及轻量化产品能力 2023-10-24
( 发表人:姚远香 )
