DN554 - 具数字电源系统管理功能的 6A 单片式同步 DC/DC 降压型转换器
2019-06-19 17:07:59
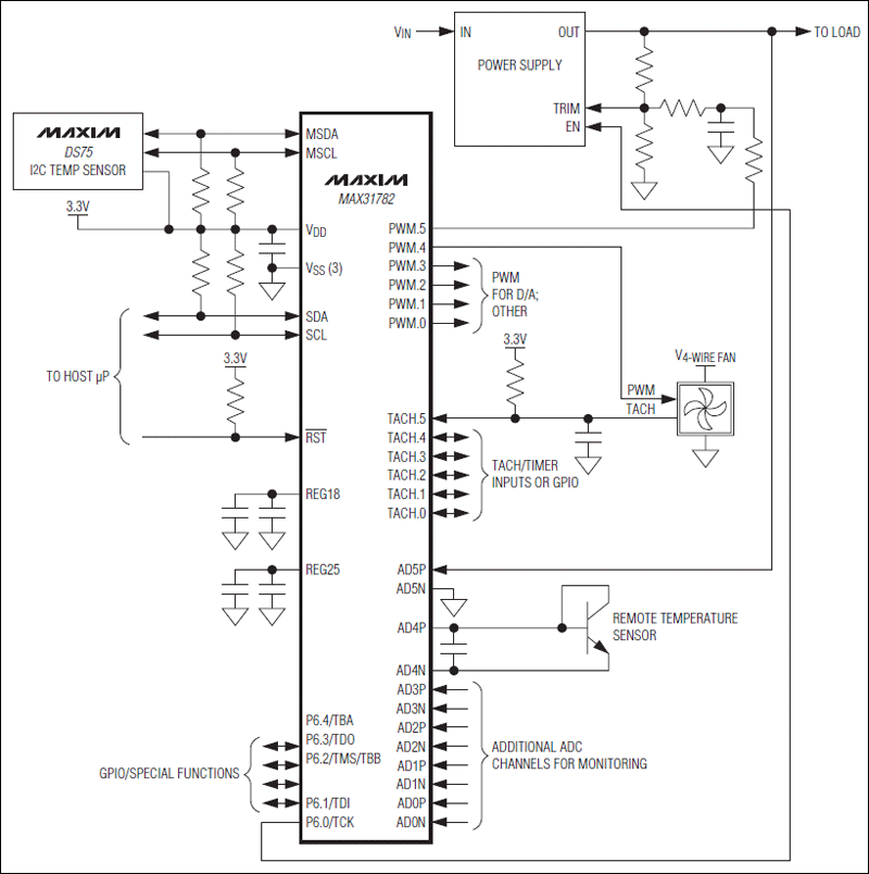
MAX31782基于高性能MAXQ20 16位微控制器核,具有超大容量的程序/数据闪存存储器和RAM数据存储器,为复杂系统的测量和控制提供完整的解决方案。
I/O资源包括温度和
2010-12-16 09:49:36
673 
SUNNYVALE,CA。2010年8月18日。Maxim Integrated Products (NASDAQ:MXIM)推出具有六路温度测量通道和六路闭环风扇控制通道的系统管理微控制器
2010-08-22 10:08:44
586 Abstract: The MAX31782 Users Guide provides detailed information on core features, operation
2011-08-29 10:23:49
41 AN168-利用电力系统管理控制器实现快速遥测
2021-04-18 20:54:56
0 AN170-磨练电力系统管理控制器的可调补偿功能
2021-04-18 19:40:17
0 The MAX31782 provides a complete solution for the monitoring and controlling of complex system
2010-08-22 10:07:29
14 虽然许多工程师使用加密狗和工具通过PMBus配置电源系统管理设备,但越来越多的设计正在添加电路板管理控制器,或将其PMBus连接到现有的微控制器或应用处理器。在LTC中,加密狗/工具选项由
2023-04-21 11:19:20
466 
系统管理的详细设计:系统管理的总体设计,账套管理,系统授权管理,基础数据管理,系统数据管理。
系统管理的主要功能是对会计信息系统(或ERP系统)中的各子系统进
2009-07-06 07:28:44
2 具有数字电源系统管理和输入电流Se_zh的单相降压DC / DC控制器
2019-08-23 06:07:00
2583 MAX16046为EEPROM可配置的系统管理器,可监测、排序、跟踪和裕量处理多个系统电压。该设计思路表明,只需在MAX16046上增加一个小的外部器件,就可以按照微控制器或外部按键开关的命令执行系统自动重启。
2023-02-07 15:28:22
255 
MAX16046为EEPROM可配置的系统管理器,可监测、排序、跟踪和裕量处理多个系统电压。该设计思路表明,只需在MAX16046上增加一个小的外部器件,就可以按照微控制器或外部按键开关的命令执行系统自动重启。
2023-01-23 10:31:00
409 
RedHat系统管理
2016-12-29 11:33:09
0 基于MAX16031系统管理器的在线编程设计
1 引言 目前,很多应用系统均采用总线控制方式实时配置各种寄存器,灵活实现其控制功能,从而全程监控各个
2009-12-12 11:13:13
342 
电力系统管理
2021-04-16 11:02:27
3 MAX16031系统管理器可在焊接到应用电路板后进行编程设置,即只需储存未编程器件,而最新版本的配置信息可以在生产测试过程中写入器件。通过几项简单的测试可确保应用电路通过
2010-12-29 18:07:33
15 MAX16068闪存可配置系统管理器能够同时监测和管理6路系统电压。MAX16068集成了模/数转换器(ADC)。
2011-02-16 09:48:46
692 
PMBus 数字电源系统管理器监视电路板能耗
2021-03-19 11:08:36
1 Linux系统管理命令
Linux系统管理命令 wall命令 功能:这个命令的功能是对全部已登录的用户发送信息,用户可以先把要发送的信息写好存入一个文件中,然后输
2009-01-18 12:47:02
712 DC/DC 控制器兼有数字电源系统管理功能和模拟控制环路以实现 ±0.5% 的 Vout 准确度
2021-03-19 06:10:53
2 MAX16046–MAX16049 EEPROM可编程系统管理器的在线编程
摘要:MAX16046–MAX16049系统管理器可以在焊接到应用电路板后进行编程。这意味着只需储存未编程器件
2009-01-13 08:11:20
871 
LTC3882-1:带数字电力系统管理的双输出多相降压DC/DC电压模式控制器
2021-05-21 18:20:43
4 LTC3870-1:用于数字电力系统管理的多相降压从控制器数据表
2021-05-18 13:41:49
0 LTC3889:60V双输出降压控制器,带数字电力系统管理数据表
2021-05-24 14:50:03
6 LTC3884:亚百万欧姆DCR传感双输出多相降压控制器和数字电力系统管理数据表
2021-05-19 15:50:08
0 LTC3883/LTC3883-1:带数字电力系统管理的单相降压DC/DC控制器数据表
2021-05-10 17:11:21
1 LTC3870:多阶段的Stephn Slave数字电力系统管理数据Sheet控制器
2021-05-09 13:55:58
7 LTC3880/LTC3880-1:带数字电力系统管理的双输出多相降压DC/DC控制器数据表
2021-04-30 18:12:19
0 LTC3888-1:带数字电力系统管理的双环8相降压DC/DC控制器数据表
2021-03-22 09:50:06
5 本书为奈米斯所著的 Linux 系统管理威廉希尔官方网站
手册第二版。共从二十四个章节讲述了Linux系统管理威廉希尔官方网站
。适合Linux系统的入门者学习。
2011-08-10 14:16:51
121 系统管理IC满足多电压系统的监视和排序要求,系统管理IC满足多电压系统的监视和排序要求
2008-09-11 21:55:05
16 MAX16065/MAX16066闪存可配置系统管理器能够对多个系统电压进行监测、排序。MAX16065/MAX16066还可利用一个专用高边电流检测放大器精确监测(±2.5%)一路电流通道。
2011-02-24 11:03:41
1061 
通过数字电源系统管理来控制您的电源
2021-03-21 10:07:34
1 数字电力系统管理
2021-05-09 12:00:35
1 AN-152电力系统管理培训
2021-05-31 12:24:46
23 MAX16046–MAX16049 EEPROM可编程系统管理器是电源排序器、监视器和裕量器,可控制多达12个电源。电源由三个数字比较器监控,由可编程DAC输出裕量调节,并通过可编程状态机进行排序。
2023-02-20 10:02:01
298 
MAX16067 6通道、闪存可配置系统管理器,提供非易失故障寄存器
概述
The MAX16067 flash-configurable system manager monitors and sequences multiple system volt
2009-11-26 09:36:04
649 
直流电源系统管理规范(深圳市核达中远通电源威廉希尔官方网站
股份有限公司车间环境)-直流电源系统管理规范,有需要的可以参考!
2021-09-15 19:18:10
6 电子发烧友网站提供《博科结构操作系统管理指南.pdf》资料免费下载
2023-08-29 09:54:29
0 MAX16068 6通道、闪存可配置系统管理器,提供非易失故障寄存器
概述
The MAX16068 flash-configurable system manager monitors and manage
2009-11-26 09:39:15
654 
包括凌力尔特电源系统管理 (PSM) 在内的所有 PMBus 应用的基础都是,PMBus 主器件 (系统主器件) 能够与总线上的所有 PMBus 从属器件 (PSM 控制器、PSM 管理器、PMS
2017-11-08 11:16:43
0 具有电力系统管理功能的PMBus DC/DC变换器
2021-04-28 12:49:24
5 LTC1760:双智能电池系统管理器产品手册
2021-04-15 09:56:15
21 微控制器是一种集成电路芯片,内部集成了微处理器、存储器、输入输出接口和各种系统控制逻辑电路。它可以通过编程实现各种控制任务,并通过输入输出接口进行与外部设备的通信。下面我们详细介绍微控制器的工作原理和基本结构、引脚功能和应用电路。
2023-08-16 17:09:16
606 DC1962C-KIT演示板适用于:具有精确输出电压测量功能的8通道PMBus电源系统管理器LTC2977具有精确输出电流测量功能的4通道PMBus电源系统管理器LTC2974带数字电源系统管理功能的双通道输出多相降压DC/DC控制器LTC3880
2021-05-28 18:54:59
2 本文针对电力电缆监测完成了一套系统管理软件设计。系统管理软件主要包括两个部分:(1)数据传输部分,,,,(2)上层管理部分....
2012-05-25 11:57:45
26 为所有联网设备提供全面的IT系统管理。Quest的KACE系统管理应用方案可助您满足各种终端管理需求。这款全面的解决方案可为您提供自动执行终端相关的管理任务,清点各种硬件和软件,修补任务关键型应用程序和操作系统的管理软件,降低泄露风险,并确保软件许可证合规性。
2022-11-03 16:21:16
479 通过 I2C/PMBus 接口和内置 EEPROM 进行数字电源系统管理的双输出同步降压型 DC/DC 控制器
2021-03-21 02:39:24
6 本文主要讲述的是系统管理IC满足多电压系统的监视和排序要求。
2009-04-24 14:59:59
9 本文主要讲述的是系统管理IC满足多电压系统的监视和排序要求。
2009-04-23 08:54:24
26 DC1962C演示板适用于:具有精确输出电流测量功能的4通道PMBus电源系统管理器LTC2974带数字电源系统管理功能的双通道输出多相降压DC/DC控制器LTC3880具有精确输出电压测量功能的8通道PMBus电源系统管理器LTC2977
2021-05-28 18:53:43
4 数字电源系统管理能通过计算机接口设定和监视各种不同的电源参数,正在消除这个“盲点”。
2011-05-09 11:22:36
598 
利用MAX16046系统管理IC进行排序
CPU、ASIC、FPGA、存储器等复杂器件通常需要电源排序。MAX16046提供高度集成的排序、监测和电源裕量调节解决方案。本应用笔记介绍了一
2010-02-05 12:17:22
812 
本文主要讲述的是系统管理IC满足多电压系统的监视和排序要求
2009-05-07 11:13:34
14 对于具众多电源轨的电路板而言,采用测量仪表和示波器来实施电源管理是非常困难。现在有一种日趋扩大的趋势,即通过一根数字通信总线来配置和监视电源。“数字电源” 或 “数字电源系统管理 (PSM)” 使系统设计师能够在原型设计、资源配置及现场运作过程中简化和加快系统特性分析并实现优化。
2018-06-05 13:45:00
3104 
什么是数字电源系统管理?_zh
2019-08-15 06:04:00
2573 linux命令是对Linux系统进行管理的命令。对于Linux系统来说,无论是中央处理器、内存、磁盘驱动器、键盘、鼠标,还是用户等都是文件,Linux系统管理的命令是它正常运行的核心,与之前的DOS命令类似。linux命令在系统中有两种类型:内置Shell命令和Linux命令。
2018-09-23 14:55:00
6454 Linux系统管理员指南简介 Linux系统概述 一个操作系统的不同部分 核心的重要部件 UNIX系统的主要服务 init 从终端登录 Syslog 定时执行命令: cron and at 图形
2008-10-07 14:56:54
20 LTM4676演示电路-多相模块降压稳压器,带电源系统管理功能(5.75-16V至1V@75A)
2021-06-07 13:56:38
1 Linux系统管理员培训视频教程(21-30)
2010-10-18 15:58:45
110 Linux系统管理员培训视频教程(11-20)
2010-10-18 15:58:03
127 适用于所有场合的数字电源系统管理
2021-03-20 09:39:13
2 Linux系统管理员培训视频教程(31-41)
2010-10-18 15:59:42
115 Linux系统管理员培训视频教程(1-10)
2010-10-18 15:56:32
154 电力系统管理协议规范之命令语言
2021-08-03 16:31:55
2 电力系统管理协议规范之通用要求传输和电气接口
2021-08-03 16:29:29
1 具数字电源系统管理功能的双通道 9A、降压型 μModule 稳压器
2015-12-07 18:31:45
23 电子发烧友网为你提供电源系统管理的基本设计原则:寻址资料下载的电子资料下载,更有其他相关的电路图、源代码、课件教程、中文资料、英文资料、参考设计、用户指南、解决方案等资料,希望可以帮助到广大的电子工程师们。
2021-04-09 08:51:50
2 LTC3880项目-双降压DCDC控制器,带数字电源系统管理和电感DCR电流传感(6.5-24V至1.5V@20A和1.8V@20A)
2021-05-30 10:57:15
0 具有输入能量监控功能的四通道的PMBus电源系统管理器,用于综合电源Syst_zh
2019-08-14 06:02:00
1747 视频简介:对于具众多电源轨的电路板而言,采用测量仪表和示波器来实施电源管理是非常困难。现在有一种日趋扩大的趋势,即通过一根数字通信总线来配置和监视电源。“数字电源” 或 “数字电源系统管理 (PSM)” 使系统设计师能够在原型设计、资源配置及现场运作过程中简化和加快系统特性分析并实现优化。
2019-03-07 06:02:00
3574 
微控制器/模拟应用中电源、接地和噪声的管理
除了微控制器,微控制器应用经常包括低电平传感器信号和适当的电源驱动电路,需要小心设计电
2010-01-12 16:34:40
742 
本文档的主要内容详细介绍的是Linux应用基础教程之Linux如何进行系统管理主要内容包括了:1 用户和组管理 2 软件包管理 3 网络通信管理 4 进程管理 5 系统的服务管理 6 磁盘操作管理
2018-11-28 15:56:15
2 LTC3880项目-多相降压DCDC控制器,带数字电源系统管理和感应电流传感(6.5-24V至1.8V@40A)
2021-05-30 12:51:14
0 LTC3880项目-双降压式DCDC控制器,带数字电源系统管理和传感电流(6.5-24V至1.5V@20A和1.8V@20A)
2021-05-30 08:50:49
8 LTC3887/LTC3887-1/LTC3887-2:带数字电力系统管理的双输出多相降压DC/DC控制器数据表
2021-04-17 18:00:20
10 微控制器/模拟应用中电源、接地和噪声的管理
微控制器/模拟应用中电源、接地和噪声的管理
除了微控制器,微控制器应用经常包括低电平传感器信号和适
2010-01-16 09:01:41
683 
本文介绍了一个在基于非易失(NV)故障寄存器的可编程系统管理器中产生简单自动重启操作的有效方案。
2012-04-07 15:18:13
1111 
摘要:MAX16046–MAX16049系统管理器可以在焊接到应用电路板后进行编程。这意味着只需储存未编程器件,而最新版本的配置信息可以在生产测试过程中写入器件。通过几项简单的测试
2009-04-23 08:41:01
797 
电子发烧友网为你提供数字电源系统管理 (DPSM)资料下载的电子资料下载,更有其他相关的电路图、源代码、课件教程、中文资料、英文资料、参考设计、用户指南、解决方案等资料,希望可以帮助到广大的电子工程师们。
2021-04-19 08:43:57
5
评论