LM386为音频功率放大器,其第2脚为反相输人端,第3脚为同相输入端,6脚接电源,4脚接地,5脚为音频输出,7脚接退藕电容,在LM386的1脚和8脚间串接一只10K可变电阻和一只10μF电容后,放大器增益可在20~200之间任意调节。用LM386可以很方便地制作各种振荡器。

1、最简振荡器

见上图,用压电陶瓷片HTD连接LM386的输出端和同相输人端,放大器即形成正反馈而产生振荡。这里HTD既是反馈电容,又是发声器件。
图中元件参数:D1~D4为1N4001,C1=220pF,HTD为带助声腔的压电陶瓷片
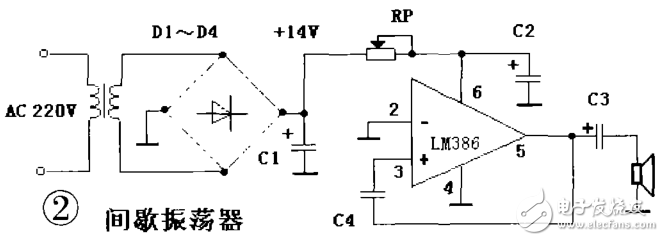
2、间歇振荡器

见上图,LM386和C3、C4及扬声器构成简易振荡器。RP和C2使这一振荡器产生间歇振荡,接通电源后,因C2初始端电压为零,LM386不工作,电源经RP向C2充电。当C2充电电压高于某个值时,LM386振荡器起振,随着振幅的不断增大,振荡器消耗电流也在增大,此电流流过RP,其在RP上的压降也在增大,使LM386的电源供应端6脚电压不断下降。最终LM386无法工作,振荡器停振。电源再次经RP向C2充电,使C2端电压上升,当C2端电压上升至某个值时,LM386振荡器再次起振,如此循环工作,使振荡器产生间歇振荡,扬声器发出“嘟、嘟、嘟。。。。。的叫声。。
图中元件参数:D1~D4为1N4001,C1=C3=220μF,C2=47μF.C4=0.01μF,RP=4.7K.
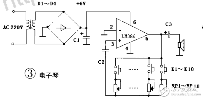
3、电子琴

上图是一种简易电子琴电路。在LM386的第3脚,集成电路内置有一个10KΩ的电阻接地、此内置电阻和RP1~RP10等十只音阶电阻构成振荡器的定时电阻。C2为定时电容,调节RP1~RP10的值,可使扬声器依次发出从低八度“1.2.3”到高八度“1.2.3“的乐音,KI~K10为琴键开关。
图中元件参数:Cl=C3=220μF.C2=2200μF,RP1~RP10为85K可调电阳
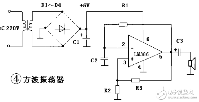
4、方波振荡器

上图为用LM386构成的方波振荡器,R1为定时电阻.C2为定时电容.R2和R3为LM386同相输入端提供电压偏置。接通电源后,由于C2端电压不能突变,LM386的反相输人端2脚为置低电平,5脚为放大器内部OTL输出级的中点,静态时为1/2Voc,经R2.R3分压后供给同相输人端第3脚,显然该脚电位高于第2脚。因此5脚输出高电平。此高电平经R1向C2充电,当C2端电压高于3脚电位时,5脚输出低电平.C2又经R1向5脚放电。当C2放完电,2脚电位下降并低于3脚电位.5脚再次输出高电平,如此循环工作,电路形成振荡,振荡信号经C3推动扬声器发声
图中元件参数:C1=C3=220μF,C2=0.33μF.R1=22K,R2=1K.R3=9.4K.
电子发烧友App





































评论