本文主要介绍了cd4069中文资料详解(cd4069引脚图及功能_工作原理_内部结构及应用电路),cd4069是6反相器电路,由六个COS/MOS反相器电路组成。介绍了经典的应用电路有:精确长延时
2017-12-11 09:03:03
294753
CD4069管脚图引脚图
2008-12-17 01:29:14
26558 
CD4069芯片是在数字电路和单片机系统中常用的六反相器,本文给大家带来三个cd4069的典型应用电路图。
2017-12-29 17:22:00
33211 
CD4069彩灯电路,CD4069 coloured lantern
关键字:CD4069,彩灯电路图
如图所示为一种有趣的小玩具
2018-09-20 18:47:14
2126 反相器CD4069可构成方波发生电路,本文介绍CD4069组成的方波发生电路原理。
2017-12-28 16:13:34
17595 
cd4511引脚图管脚图图及功能真值表
CD4511引脚图及功能
2007-12-21 21:23:06
342529 
at89c52引脚图及管脚功能
2012-08-15 21:25:41
cd4051引脚图
The
2008-06-06 18:08:02
9171 
CD4040、CD4069构成的独特声效发生电路图
2009-09-28 11:39:38
2902 
本文主要介绍了cd4069发光逻辑显示电路图及原理,另外还介绍了CD4069制作的收音机电路、CD4069组成的电容感应式控制电路及组成的逆变器电路。
2018-08-06 10:27:05
12774 cd4011引脚功能
2008-02-27 17:16:43
14396 
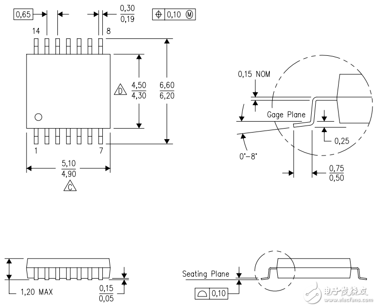
。 CD4069封装尺寸 CD4069主要有DIP14和SOP14两种封装形式,它们的尺寸图如下: DIP14封装尺寸图(表) SOP14封装尺寸图 CD4069参数 极限使用参数 注: 1、DIP封装
2017-11-23 14:38:09
7924 CD4069资料CD4069UBC Inverter Circuits
2015-11-02 17:39:47
12 燃气熄火报警器,CD4069 Gas flame alarm
关键字:CD4069,熄火报警器电路图
燃气熄火报警器电路如图所示,它主要由火焰检测电路、放大整形电路以及报警电路三部分组成。电路中的反相器为CD4069。
2018-09-20 18:30:28
987 本文首先介绍了cd4029原理与cd4029引脚图及功能,其次介绍了cd4029功能表及推荐工作条件,最后介绍看cd4029动静态特性及两款应用电路图。
2018-05-10 09:09:50
69816 CD4069规格书下载
2022-08-16 11:18:19
0 8031引脚功能图
2008-03-06 21:01:53
4056 
74ls04引脚图
74LS04引脚功能及真值表:
2007-11-29 22:06:20
71148 
本文开始介绍了cd4046引脚图及功能和CD4046内部电原理,其次介绍了CD4046工作原理与电气特性,最后介绍了六款cd4046的应用电路。
2018-03-29 14:34:38
78958 
CD4069和74LS04六反相器的应用实验
2022-05-11 16:57:20
51 tda4661引脚功能图与引脚电压
2008-01-16 21:58:29
1351 
CC4001是2输入正向或非门。CC4001或非门为系统设计者提供了直接的或非功能。本文开始介绍了cd4001引脚及功能和cd4001的逻辑图,其次介绍了cd4001动静态特性,最后介绍了CD4001组成的单通道调制器电路和CD4001组成的卫生间门控照明排气开关电路。
2018-03-15 10:07:13
103121 
电子发烧友网为你提供cd4047引脚图及其各脚功能说明资料下载的电子资料下载,更有其他相关的电路图、源代码、课件教程、中文资料、英文资料、参考设计、用户指南、解决方案等资料,希望可以帮助到广大的电子工程师们。
2021-04-20 08:49:58
33 CD4040和CD4069构成的60Hz数字钟时基电路
图1电路是由12为二进制串行计数器/分频器CD4040
2010-10-06 09:43:47
7179 62256引脚图
图2.7 62256引脚图
6225
2008-04-01 17:27:05
21495 
本文主要介绍了基于cd4069制作超声波鱼缸加氧机,该装置由CD4069及外围元件组成振荡器F1-F3三门振荡器组成,将探头放入水中,调RP使之产生的气泡最多。
2017-12-11 10:59:46
2975 
本文开始介绍了CD4052引脚图及功能,其次介绍了cd4052内部框图与逻辑图,最后介绍了cd4052真值表以及应用电路。
2018-03-15 11:26:51
204992 
62128引脚图
图2.6 62128引脚图
62128是16 K×8的高集成度
2008-04-01 17:28:42
8512 
可以做为一般ON-OFF开关的替代品,为一双稳开关控制电路,CD4069为一CMOS反向器IC,未使用的反向器输入端接地,未使用的反向器输出端全部空接。
2020-03-09 14:15:40
10039 
8259引脚图引脚功能
8259是一种中断控制芯片,在单片机系统中一般用来扩展单片机的中断,pc机中也有这个芯片,
2008-01-11 00:04:46
7032 
ne555引脚排列图及功能
2007-11-18 23:03:11
258859 
at89c52引脚图及管脚功能
2008-06-17 09:52:30
78811 
TA8690引脚功能图
2008-01-16 12:49:38
5036 
uc3842引脚图,及内部方框图
引脚功能介绍::①脚是误差放大器的输出端,外接阻容元件用于改善误差放大器的增益和频率特性;②脚是反馈电压输入端
2007-12-22 13:18:57
33045 la76810引脚功能,76810引脚功能脚 功 能 工作电压/V  
2009-04-29 22:13:36
3213 本文开始介绍了CD4518引脚图与功能描述和CD4518逻辑图,其次介绍了CD4518时序图、cd4518工作原理及CD4518功能图,最后介绍了CD4518典型应用电路与CD4518组成的数字钟电路图。
2018-03-28 17:13:27
101571 
CD4069双声道线路放大器,CD4069 linear amplifier
关键字:CD4069双声道线路放大器
本人利用数字集成电路
2018-09-20 19:07:01
1262 80c51引脚图管脚图及各引脚功能介绍
Vss(20脚):接地
2008-01-07 11:14:47
28003 
TDA8361引脚功能图及引脚电压QDj!DQ-q9ZN u Q[脚号 电压/V 引脚
2008-01-16 13:08:48
25587 本文主要介绍了cd40110的工作原理详细(cd40110引脚图功能_如何计数及应用电路分享)。CD40110为十进制可逆计数器/锁存器/译码器/驱动器,具有加减计数,计数器状态锁存,七段显示译码
2018-03-04 11:34:35
96386 
下图是由CD4069构成的声控、光控节能灯电路。该电路白天不会工作,晚上受声控可以自动开、闭,适用于走廊过道、公共水房、楼梯口等处照明用。
2020-09-18 10:11:04
5222 
cd4069是6反相器电路,由六个COS/MOS反相器电路组成。此器件主要用作通用反相器、即用于不需要中功率TTL驱动和逻辑电平转换的电路中,(非门,1输入、1输出)主要用于数字电路中反相的作用
2017-10-25 15:44:18
12082 CD4069 CMOS门电路制作助听器,CD4069 Hearing aids
关键字:助听器电路图,CD4069
利用CMOS
2018-09-20 18:28:26
1300 89c51引脚图管脚图
引脚功能说明
2008-01-08 19:38:53
49887 CD4069为六反相器集成电路。QM-10N为气敏检测传感器件,用于检测气体有无泄漏。
2012-01-16 10:25:34
5177 
8051引脚图
2007-11-29 23:00:48
2407 
本文主要介绍了CD4528引脚图及功能_各引脚电压及应用电路。重点分析了单稳态触发器CD4528组成的延时电路、利用CD4528型双单稳态集成电路构成的时间限制器典型电路,该时间限制电路由电源电路
2018-05-11 14:30:06
42974 
tda2616引脚功能
TDA2616引脚功能及参考电压:
1脚:10V——信号输入1
2007-11-19 21:45:23
3991 
CD4066引脚
The CD4066BC is a quad bilateral switch intended for thetransmission or multiplexing of
2008-05-30 10:15:06
9165 
TL082引脚功能
脚号
有信号电压/V
引脚功能
2008-03-10 22:18:50
18550 40110 为十进制可逆计数器/锁存器/译码器/驱动器,具有加减计数,计数器状态锁存,七段显示译码输出等功能。
cd40110引脚图
2008-04-01 17:21:03
40146 
电子设备中常需要用一组功率不很大的负电源,如果另设计一组电源比较浪费,此时可用CD4069 反相器构成负电源发
2006-04-16 22:52:59
3267 
CD4069是常规的6路反相器,每一路反相器都是相对独立的。其正常工作时VDD接电源,VSS通常接地,VDD范围为3V~15V。没有使用的输入端必须接电源,地或者其他输入端。CD4069具有较宽
2022-03-09 15:05:20
23 tl431引脚功能管脚定义图
tl431封装管脚对应图
2009-04-10 08:32:06
31591 
74ls160引脚图管脚图及功能真值表,74ls160引脚图管脚图74LS160的功能真值表-综合电路图 74ls160引脚图管脚图 74LS160的功能真值表
2022-05-25 16:39:14
102427 
CD4069是6反相器电路,由六个COS/MOS反相器电路组成。此器件主要用作通用反相器、即用于不需要中功率TTL驱动和逻辑电平转换的电路中,(非门,1输入、1输出)主要用于数字电路中反相的作用。
2020-08-02 11:24:25
14124 
本文主要介绍了cd4047中文资料汇总(cd4047引脚图及功能_工作原理及应用电路)。CD4047 由可选通的非稳态多谐振荡器组成,可用作正/反向边沿触发单稳态多谐振荡器,具有重触发和外部计数选项
2018-05-11 09:34:51
54769 
max485引脚功能
2008-04-26 01:26:23
19018 
la4265引脚功能
2008-01-29 17:25:45
8279 
tda4565引脚功能
2008-01-11 00:00:45
31 lc89950引脚功能
2008-01-10 23:50:47
33 本文主要介绍了cd4066引脚图及功能。CD4066是四双向模拟开关,主要用作模拟或数字信号的多路传输。CD4066的每个封装内部有4个独立的模拟开关,每个模拟开关有输入、输出、控制三个端子,其中
2018-03-14 17:43:28
63589 
电子发烧友为大家提供了OZ9939引脚图,及其各个引脚的具体功能。本站还有其他相关资源,欢迎浏览!
2011-08-15 16:12:03
15244 
tda7088引脚管脚功能图
2008-01-21 19:22:09
2571 
74ls190引脚图管脚图及功能表
功能表
2008-08-06 12:29:18
109789 
CD4069沼气泄漏检测报警器,Gas leak alarm
关键字:CD4069,QM-10N沼气泄漏报警
沼气泄漏检测报警器电路
2018-09-20 18:30:57
737 图(a)是用一片CMOS六反相器CD4069制作的漏电报警器。平时,由门A、门B、R2、YD组成的音频振荡器无电流通过不发声。当外壳漏电的电器插入三孔插座时,泄漏电流从电源火线经电器外
2011-08-02 11:34:30
5028 
74ls240引脚功能
2008-01-16 17:59:00
12955 
六反相器CD4069数字集成电路组成的彩灯电路
如图所示为一种有趣的小玩具电路。合上电源开关后,3只小彩灯会随机发出红、绿、橙色
2010-02-25 17:10:19
5552 
lx27901引脚功能描述。
2015-10-30 10:43:51
535 由CD4069构成的简易振荡电路,其中标有1的为两个反相器,左边为输入端,右边为输出端,输出端的圆圈代表“非”。
2020-04-21 14:46:02
18874 
mc1413引脚图
2007-12-25 11:40:47
6158 
sg3525引脚图
2010-03-31 12:24:49
2142 
傻瓜175引脚图
2009-11-17 08:37:20
2159 本次给大家带来的是用数字电路CD4069制作的万能遥控轻触开关,其功耗微小,约5mW,可广泛应用于家庭、宾馆等。
2019-01-20 09:43:52
6329 
74ls160引脚图管脚图
74LS160的功能真值
2008-01-06 17:41:46
125415 
包括SAA7111引脚图,芯片的每个引脚标识,引脚数量
2016-05-18 14:53:57
22 74ls373引脚图排列图
2007-11-18 23:04:47
9006 
7905引脚
2008-05-13 08:26:16
28602 
74ls273引脚图
引脚功能:
74LS273是8位数据/地址锁存器 74LS273是
2007-11-29 22:51:39
38363 
2764引脚功能
A0~A12 地址线CE 选片OE 读PGM 编程脉冲控制输入
2008-03-05 22:33:01
12 基于CD4069的电容鉴别仪电路是用来鉴别电容的好坏,是否能用,即该电容器有无短路或断路现象,为电路的制作提供可靠的质量保证,以减少在电路制作中不必要的麻烦。该仪器电容鉴别范围为
2011-08-10 12:09:39
2360 
CD4069芯片是在数字电路和单片机系统中常用的 六反相器,他的结构比较简单,一共有六路反相器,一共有16个引脚。最简单的振荡器 这种振荡器特点是:T≈(1.4~2.3)R*C电源波动将使频率不稳定,适合小于100KHz的低频振荡情况。
2017-11-17 11:30:03
37002 
74ls93引脚图管脚图及功能真值表
74LS93 TRUTH TABLE
2008-12-01 15:42:17
1951 
74ls93引脚图管脚图及功能真值表
74LS93 TRUTH TABLE
2008-12-01 15:41:17
1924 
ML4831引脚功能图及参数
芯片的主要特点如下: ●功率因数校正和功率调节功能由一块集成电路完成。 ●低失真,高效率,连续升压,平均
2008-01-31 22:57:49
2482 
本文主要介绍了cd4027中文资料汇总(cd4027引脚图及功能_工作原理及应用电路)。cd4027是2路边沿触发器电路,内置独立的直接置位,直接清零,时钟输入和输出等功能,时钟为低电平时,接收数据
2018-03-29 11:37:23
60177 
评论