大电流输出稳压电路
- 大电流(17024)
相关推荐
稳压二极管稳压电路原理
稳压二极管稳压电路原理 在电子电路中,稳压电路是一个重要的电路,它可以将不稳定的电压转化为稳定的电压,使电路运作更加可靠。而其中的核心元件就是稳压二极管。 稳压二极管的作用是利用其正反向导通特性,当
2023-08-27 15:09:12
743
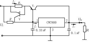
743可调稳压电源怎么使用 大电流可调稳压电源电路图
使用可调稳压电源时应注意以下事项:
- 确保负载的电压和电流需求在可调稳压电源的工作范围内,不要超过其额定能力。
- 在调整输出电压时,应逐步增加或减小电压,避免突然调节引起过大的电压
2023-08-25 15:13:03
552
552
双路输出稳压电源工作原理
双路输出稳压电源工作原理 双路输出稳压电源是一种常见的电源类型,它可以为不同的负载提供不同的电压输出,同时保持电压稳定。它通常由两个电路组成,每个电路都可以提供一定的电流和电压范围,可以独立操作
2023-08-18 14:06:52
556
556开关稳压电路和串联稳压电路的区别
开关稳压电路和串联稳压电路的区别 稳压电路是一种用于电源电压稳定化的电路,在电路设计中占据着非常重要的位置。在稳压电路中,开关稳压电路和串联稳压电路是两种主要的电路类型,而它们之间的区别在于电路
2023-08-18 14:06:39
251
251稳压电源的工作原理 稳压电源电路图详解
稳压电源是一种电子设备,其主要作用是将不稳定的电压和电流源,通过电子电路调节和控制,输出一个稳定的电源。稳压电源的优点是可以提供精确、稳定、可靠的电能,广泛应用于各种电子设备中,如计算机、通信、医疗
2023-08-02 16:32:11
787
787
基于LM317的直流稳压电路设计
基于“外部旁路晶体管扩流”原理,以线性集成稳压芯片为核心,设计一能够输出大电流的直流稳压电路。假设该稳压电路输入电压为30V,输出电压为24V,负载电阻为10Ω。
2023-07-26 16:18:08
262
262
模拟电子入门之稳压电路
稳压电路是一种用于稳定电源输出电压的电路,广泛应用于电子产品中。稳压电路可分为线性稳压电路和开关稳压电路两类。
线性稳压电路采用稳压管、晶体管等线性元件工作,能够提供较为稳定的输出电压。其中,电阻稳压电路、稳压二极管电路和三端稳压器电路是常见的线性稳压电路。
2023-02-24 18:11:26
447
447稳压电路设计原理图解析
稳压器是一种 用于调节电压的电路 。 稳压电压是 平滑的电压供应 ,没有任何噪音或干扰。 稳压器的输出与负载电流、温度和交流线路变化无关 。 几乎所有电子产品或家用电器(如电视、冰箱、电脑等)中都有稳压器,以稳定电源电压。
2023-02-17 09:03:59
4148
4148
稳压电流工作原理解析
交流电源电压变化时或负载变化时,稳压电路稳定输出电压的工作原理。 由稳压管特性可知,当稳压管反向击穿后,如果工作电流在I V ∼I VM IV∼IVM 范围内,其端电压仅发生微小变化,也可以这样理解,稳压管端电压的微小变化会引起其电流的显著变化,利用这个特性将稳压管与
2023-01-03 10:46:01
1989
1989
一种双输出稳压电源电路
这是一种双稳压稳压电源,通常用于给放大电路供电,也称为分体电源。有 3 个输出,即 (+) 电压、(0) 接地(正常)和 (-) 电压。电流输出最大约0.3-0.5 A。对于更高的电流输出,需要功率晶体管。
2022-06-13 15:17:22
1983
1983
稳压管稳压电路
一、稳压管稳压电路:整流滤波电路的输出电压会随着电网电压的波动而波动,随着负载电阻的变化而变化。为了获得稳定性好的直流电压,必须采取稳压措施。二、稳压原理:对于任何稳压电路而言,都应该从两方面来考虑:电网电压波动、负载变化,研究其输出电压是否稳定。(1)、电网电压波动:(2)、负载变化:...
2021-11-07 15:51:00
22
22直流稳压电源的相关概念
目录稳压电源的指标质量指标特性指标稳压电源的分类线性稳压电源开关稳压电源稳压电源的指标质量指标稳压系数电压调整率电流调整率输出电阻温度系数波纹电压特性指标允许的输入电压输出电压输出电流输出电压调节
2021-11-07 14:36:04
17
17稳压电源的输出特点概述
电阻小;输出电压纹波小;稳定性好;电压温度系数小的特点。下面来看看稳压电源的输出特点有哪些。一、输出负载电流范围:输出负载电流范围又称为输出电流范围,在这一电流范围内,直流稳压电源应能保证符合指标规范所给出的指...
2021-11-07 14:36:03
16
16稳压电源
稳压电路稳压电路是指在输入电压、负载、环境温度、电路参数等发生变化时仍能保持输出电压恒定的电路。稳压电源的主要指标:特性指标:(1)电源的容量。(2)电源的输出电流和电压。(3)输出电流和电压的调解
2021-11-07 14:36:03
59
59直流稳压电源的设计
输出的电压值和电流值要求精确的显示和识别。中港扬盛工程师对直流稳压电源的设计要有完善的保护电路。直流稳压电源在输出端发生短路及异常工作状态时不应损坏,在异常情况消除后能立即正常工作。对于输出电压值和电流...
2021-11-06 13:21:01
30
30直流稳压电源
通常有电容滤波、电感滤波、复式滤波。稳压管稳压电路结构简单,输出电压不可调,仅适用于负载电流较小且变化范围小。串联型线性稳压电源中,调整管、基准电压电路、输出电压采样电路和比较放大电路是基本组成。基准电压的稳定和反馈深度是影响输出电压稳定的重要因素。开关型稳压电路中调整管工作在开关状态功耗小效率高。
2021-10-22 17:36:05
5
5稳压管稳压电路及其原理解析
,只要能是稳压管始终工作在稳压区,即保证稳压管的电流:Iz《Idz《Izm,输出电压 Uo 就基本稳定。 二、稳压原理 对于任何稳压电路都应该从两方面考察其稳压特性: 1、电网电压波动 2、负载变化 1、电网电压波动 当电网电压升高时,稳压电路的输入电压 Ui 随之增大,输出电
2020-10-30 22:05:04
3563
3563简单的稳压管稳压电路原理
一个简单的稳压管稳压电路,R为稳压管的限流电阻,RL为负载电阻。IR为稳压管稳压电路的总工作电流,IDZ为流过稳压管的电流,IL为负载电流。这个电路之所以可以使负载两端电压保持稳定,靠的就是稳压管的调整作用。
2019-10-27 09:53:09
34473
34473
稳压管稳压电路原理说明
一个简单的稳压管稳压电路,R为稳压管的限流电阻,RL为负载电阻。IR为稳压管稳压电路的总工作电流,IDZ为流过稳压管的电流,IL为负载电流。这个电路之所以可以使负载两端电压保持稳定,靠的就是稳压管的调整作用。
2019-10-27 04:46:00
19014
19014
具有放大环节的稳压电路图讲解
稳压电路分类繁多,按输出电流的类型分为:直流稳压电路和交流稳压电路。按稳压电路与负载的连接方式分为:串联稳压电路和并联稳压电路。按调整管的工作状态分为:线性稳压电源和开关稳压电源。按电路类型分为:简单稳压电源,反馈型稳压电源和带有放大环节的稳压电路。
2019-10-01 17:34:00
10465
10465
稳压电路5V转3.3V的经典方案总合
稳压电路是指:在输入电网电压波动或负载发生改变时仍能保持输出电压基本不变的电源电路。稳压电路分类繁多,按输出电流的类型分为:直流稳压电路和交流稳压电路。
2018-09-29 08:45:55
34095
34095
开关稳压电路与串联稳压电路分别是什么
本文首先介绍了稳压电路的概念和分类,其次介绍了开关稳压电路概念及它的电路图,最后介绍了串联稳压电路概念、基本结构和两款电路图。
2018-05-15 09:25:16
16585
16585
苹果无线充电稳压电路蕴含的学问
稳压电路是指在输入电压、负载、环境温度、电路参数等发生变化时仍能保持输出电压恒定的电路。这种电路能提供稳定的直流电源,对各种电子设备能够稳定工作起到了重要的作用。 无线充电稳压电路 稳压电源的分类
2017-11-08 11:42:18
3
3数控直流稳压电源电路设计
本例介绍的数控直流稳压电源电路 ,采用控制按钮和数字集成电路,采 用LED发光二极管来指示输出电压值,输出电压为 3-+15V共8档可调。最大输出电流为5A。该数控百流稳压电源电路由+l2V稳压电路、电压控制/显示电路和稳压输出电路组成。
2014-11-26 15:22:52
16900
16900
高精度大电流稳压电源电路图
该电路采用额定输出电流为5A的三端稳压器LM338做成大电流可调稳压电源。其特点是:(1)输出电流大。额定电流为5A,最大允许峰值电流为7A。(2)电路简单。(3)电压调整率可达到0.012%N,
2012-05-31 10:24:45
12953
12953
8档输出的数控可调稳压电源电路
本例介绍的数控直流稳压电源电路,其输出电压分为3V、4.5V、5V、6V、7·5V、gV、l2V和l5V共8档,最大输出电流为2A。
2011-07-22 09:53:09
3185
3185
为什么交流晶闸管调压电路的输出电流必须是断续的?
为什么交流晶闸管调压电路的输出电流必须是断续的?
晶闸管调压电路的晶闸管,在触发脉冲的作用下导通,在过“零点”时关断
2009-12-11 09:50:13
979
979LM2576中文资料 (3A电流输出降压开关型集成稳压电路)
LM2576系列是美国国家半导体公司生产的3A电流输出降压开关型集成稳压电路,它内含固定频率振荡器(52kHz)和基准稳压器(1.23V),并具有完善的保护电路,包括电流限制及热关断
2009-10-14 12:36:37
277
277串联反馈式稳压电路
主要内容:串联反馈式稳压电路基本要求:了解带放大器的串联反馈式稳压电路的稳压原理及输出电压的计算,三端集成稳压电源的使用方法及应用。教学要点:介绍
2009-04-24 12:56:46
93
93稳压电路原理介绍
稳压电路滤波以后虽然纹波因数大大减小,但输出电压还不够稳定,主要是当负载电流或电网波动时,输出电压会随之发生变化。为此还需要加稳压措施。
图11-4R
2009-03-09 11:32:06
6593
6593
lm317可调稳压电路图
lm317可调稳压电路图:LM317是普通的可调集成稳压器,最大输出电流为2.2A,输出电压范围为1.25~37V。电路图如下:
2008-01-18 10:00:37
101289
101289
电子发烧友App




















评论