高输入、高输出稳压电路
- 稳压电路(55335)
相关推荐
低压差线性稳压器的输出电压可以比输入电压高吗?
低压差线性稳压器的输出电压可以比输入电压高吗? 低压差线性稳压器是非常常见的电子元件,在许多电路设计中都有应用。低压差线性稳压器的作用是将输入电压稳定地转换为一个相对稳定的输出电压。如其名,低压差
2023-09-12 15:15:59
171
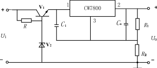
171稳压二极管分压电路
二极管分压电路的原理、特点、应用以及设计方法等方面的内容。 一、原理 稳压二极管分压电路是基于稳压二极管的电路,其原理是通过在电路中引入稳压二极管,利用稳压二极管的高稳定性和稳压特性将输入电压稳定为稳定的输出电压。
2023-08-27 15:29:23
549
549boost升压电路输入输出关系
boost升压电路输入输出关系 升压电路是一种常用的电路,它可以将电压从一个较低的水平升高到一个较高的水平,以满足不同的应用需求。升压电路的输入和输出之间有很重要的关系,这些关系在设计和使用升压电路
2023-08-27 15:01:11
679
679双路输出稳压电源工作原理
双路输出稳压电源工作原理 双路输出稳压电源是一种常见的电源类型,它可以为不同的负载提供不同的电压输出,同时保持电压稳定。它通常由两个电路组成,每个电路都可以提供一定的电流和电压范围,可以独立操作
2023-08-18 14:06:52
556
556开关稳压电路和串联稳压电路的区别
结构、工作原理以及应用范围等方面。 一、开关稳压电路的结构 开关稳压电路的电路结构相对简单,由稳压管、开关管、电感和电容器等组成。其中,稳压管起到稳定电压的作用,可以将输入电压稳定在一个特定的值附近;开关管则负
2023-08-18 14:06:39
251
251可调稳压电源工作原理是什么 lm317可调稳压电源电路图
简单来说,可调稳压电源主要包括三个部分:输入端、控制电路和输出端。
1. 输入端:可调稳压电源通常接受一个输入电源,例如交流电源或直流电源。输入端一般包括输入滤波电路,用于滤除输入电源中
2023-08-04 16:12:21
913
913
基于LM317的直流稳压电路设计
基于“外部旁路晶体管扩流”原理,以线性集成稳压芯片为核心,设计一能够输出大电流的直流稳压电路。假设该稳压电路输入电压为30V,输出电压为24V,负载电阻为10Ω。
2023-07-26 16:18:08
262
262
串联开关稳压电路工作原理,串联稳压开关电路图解说明
图8-18所示是串联开关稳压电路原理方框图,通过这一方框图可以掌握串联开关稳压电路的基本工作原理。电路中,VT1是开关三极管,Ll是储能电感,VD1是续流二极管,Cl是滤波电容,Rl是稳压电源的负载电阻。Ui是未经稳压的直流输入电压,它来自于整流电路的输出端。Uo是经过稳压电路稳压后的直流输出电压。
2023-07-13 11:39:23
1388
1388
模拟电子入门之稳压电路
稳压电路是一种用于稳定电源输出电压的电路,广泛应用于电子产品中。稳压电路可分为线性稳压电路和开关稳压电路两类。
线性稳压电路采用稳压管、晶体管等线性元件工作,能够提供较为稳定的输出电压。其中,电阻稳压电路、稳压二极管电路和三端稳压器电路是常见的线性稳压电路。
2023-02-24 18:11:26
447
447HRA(B)22系列隔离宽电压输入高电压稳压输出
HRA(B)W1~25W系列隔离宽电压输入、高电压稳压输出产品特点●效率高达80%●2*2英寸标准封装●单双电压输出●价格低●大于600V高压,稳压输出●工作温度:-40℃~+85℃●阻燃封装,满足
2022-10-25 10:36:37
0
0HRB 系列隔离宽电压输入高电压稳压输出
HRB系列隔离宽电压输入高电压稳压输出产品特点效率高达80%以上1*1英寸标准封装单电压输出稳压输出工作温度:-40℃~+85℃阻燃封装,满足UL94-V0要求温度特性好可直接焊在PCB上产品应用
2022-10-14 11:02:25
0
0GRB 系列非隔离宽电压输入高电压稳压输出
GRB 系列非隔离宽电压输入高电压稳压输出产品特点效率高达 80%以上1*1英寸标准封装单电压输出稳压输出工作温度: -40℃~+85℃阻燃封装,满足UL94-V0 要求温度特性好可直接焊在PCB
2022-10-14 08:38:30
0
0简单,特殊的稳压电路图及原理
简单、特殊的稳压电路:在某些场合,如果带载运行中需要一个稳压电源,作为控制、检测等用途。则这个电路显得比较简洁、方便。调整R1、R2的比值,可以改变稳压块的输入电压,C1的值与稳压输出的负载有关。A将单向晶闸管改为双向晶闸管的话,电路更加简单。。。 B
2008-11-13 13:56:07
HRF 系列高隔离宽电压输入,单端高电压输出
HRF系列隔离宽电压输入高电压稳压输出产品特点●效率高达80%以上●1*2英寸标准封装●单电压输出●价格低●稳压输出●工作温度:-40℃~+85℃●阻燃封装,满足UL94-V0要求●温度特性好
2022-05-16 15:45:02
0
0稳压管稳压电路
一、稳压管稳压电路:整流滤波电路的输出电压会随着电网电压的波动而波动,随着负载电阻的变化而变化。为了获得稳定性好的直流电压,必须采取稳压措施。二、稳压原理:对于任何稳压电路而言,都应该从两方面来考虑:电网电压波动、负载变化,研究其输出电压是否稳定。(1)、电网电压波动:(2)、负载变化:...
2021-11-07 15:51:00
22
22直流稳压电源的输出特性有哪些
,纹波小,无高频辐射干扰,适用场合广等优点。那么它有哪些特性呢?中港扬盛稳压电源厂家跟大家分享稳压电源的输出特性有哪些。一、最大输入-输出电压差:该指标表征在保证直流稳压电源正常工作条件下,所允许的最大输入...
2021-11-07 14:50:59
10
10直流稳压电源的相关概念
目录稳压电源的指标质量指标特性指标稳压电源的分类线性稳压电源开关稳压电源稳压电源的指标质量指标稳压系数电压调整率电流调整率输出电阻温度系数波纹电压特性指标允许的输入电压输出电压输出电流输出电压调节
2021-11-07 14:36:04
17
17稳压电源
稳压电路稳压电路是指在输入电压、负载、环境温度、电路参数等发生变化时仍能保持输出电压恒定的电路。稳压电源的主要指标:特性指标:(1)电源的容量。(2)电源的输出电流和电压。(3)输出电流和电压的调解
2021-11-07 14:36:03
59
59集成稳压电源
后成为运放器的负反馈支路。运放器的输出电压与稳压器输出电压相等。运放器是同相比例器接法。运放器处于线性工作状态。基准电压稳定则输出电压稳定。调节采样电阻值可改变运放器反相端的输入电压,从而改变运放器的放大倍数,达到改变输出电压值的目的。集成稳压电路前面介绍的稳压电路缺少很多保护环节。比如,输入端
2021-11-07 14:06:00
11
11直流稳压电源
通常有电容滤波、电感滤波、复式滤波。稳压管稳压电路结构简单,输出电压不可调,仅适用于负载电流较小且变化范围小。串联型线性稳压电源中,调整管、基准电压电路、输出电压采样电路和比较放大电路是基本组成。基准电压的稳定和反馈深度是影响输出电压稳定的重要因素。开关型稳压电路中调整管工作在开关状态功耗小效率高。
2021-10-22 17:36:05
5
5稳压管稳压电路及其原理解析
,只要能是稳压管始终工作在稳压区,即保证稳压管的电流:Iz《Idz《Izm,输出电压 Uo 就基本稳定。 二、稳压原理 对于任何稳压电路都应该从两方面考察其稳压特性: 1、电网电压波动 2、负载变化 1、电网电压波动 当电网电压升高时,稳压电路的输入电压 Ui 随之增大,输出电
2020-10-30 22:05:04
3563
3563输出端12V改为18V的稳压电源电路
想将稳压电源输出的12V电压改为18V输出,这要看12V稳压电源的输入电压有多高?因为降压型的稳压电源工作时,只有当输入电压高于输出电压时才能正常工作。
2020-02-12 16:30:04
14058
14058
具有放大环节的稳压电路图讲解
稳压电路分类繁多,按输出电流的类型分为:直流稳压电路和交流稳压电路。按稳压电路与负载的连接方式分为:串联稳压电路和并联稳压电路。按调整管的工作状态分为:线性稳压电源和开关稳压电源。按电路类型分为:简单稳压电源,反馈型稳压电源和带有放大环节的稳压电路。
2019-10-01 17:34:00
10465
10465
LM317高压稳压电源电路
LM317最常见的是接成低压稳压电路,输入电压一般最大的都只有30V左右,下面这个电路,输入是100V,输出是75V,LM317居然可以承受这么高电压,最关键是图中39V的稳压管,一定不能少哦,否则LM317会爆的。
2019-02-11 13:58:11
19923
19923
稳压电路5V转3.3V的经典方案总合
稳压电路是指:在输入电网电压波动或负载发生改变时仍能保持输出电压基本不变的电源电路。稳压电路分类繁多,按输出电流的类型分为:直流稳压电路和交流稳压电路。
2018-09-29 08:45:55
34095
34095
开关稳压电路与串联稳压电路分别是什么
本文首先介绍了稳压电路的概念和分类,其次介绍了开关稳压电路概念及它的电路图,最后介绍了串联稳压电路概念、基本结构和两款电路图。
2018-05-15 09:25:16
16585
16585
7905稳压电源电路图大全(LM7905/线性稳压电源/直流稳压/三端稳压器)
本文主要介绍了7905稳压电源电路图大全(LM7905/线性稳压电源/直流稳压/三端稳压器)。78和79系列分别是正电压和负电压串联稳压集成电路,体积小、集成度高、线性调整率和负载调整率高,在线
2018-05-09 17:14:33
73887
73887
整流滤波稳压电路图大全(整流滤波器/直流稳压电路)
本文主要介绍了整流滤波稳压电路图大全(整流滤波器/直流稳压电路)。制作的一款带电压比较器的高稳定度大电流直流稳压电路。主要由电源变压、整流滤波、基准源电路、电压比较、复合功率调整、过流保护电路等几部
2018-04-03 16:17:32
82814
82814
最简单的稳压电路图大全(六款最简单的稳压电路设计原理图详解)
本文主要介绍了最简单的稳压电路图大全(六款最简单的稳压电路设计原理图详解)。制作的一款带电压比较器的高稳定度大电流直流稳压电路。主要由电源变压、整流滤波、基准源电路、电压比较、复合功率调整、过流保护电路等几部分组成。电源变压后经整流滤波平滑的直流电压供给稳压电路。
2018-03-26 11:30:00
409442
409442
常见稳压电源电路设计汇总(五款模拟电路设计原理图)
本文主要介绍了常见稳压电源电路设计汇总(几款模拟电路设计原理图)。稳压电路是指在输入电压、负载、环境温度、电路参数等发生变化时仍能保持输出电压恒定的电路。这种电路能提供稳定的直流电源,广为各种
2018-01-24 17:33:42
55481
55481
稳压电路输出端波形图分析
电路用来滤除整流后单向脉动电压中的交流成分,使之成为平滑的直流电压;稳压电路的作用是当输入交流电源电压波动、负载和温度变化时,维持输出直流电压的稳定。在本设计中,可以实现将220v的交流电压经过整流
2017-11-10 11:16:34
63406
63406
苹果无线充电稳压电路蕴含的学问
稳压电路是指在输入电压、负载、环境温度、电路参数等发生变化时仍能保持输出电压恒定的电路。这种电路能提供稳定的直流电源,对各种电子设备能够稳定工作起到了重要的作用。 无线充电稳压电路 稳压电源的分类
2017-11-08 11:42:18
3
3有过载和短路保护的可调稳压电源电路
有过载和短路保护的可调稳压电源电路
1 电路简单,稳压精度高,加上额定负载后输出电压不变。 2 具有超载和输出短路保护及告
2009-12-13 15:09:49
5062
5062
串联反馈式稳压电路
主要内容:串联反馈式稳压电路基本要求:了解带放大器的串联反馈式稳压电路的稳压原理及输出电压的计算,三端集成稳压电源的使用方法及应用。教学要点:介绍
2009-04-24 12:56:46
93
93
电子发烧友App




























评论