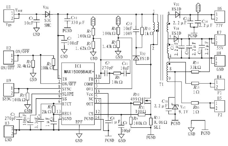
MAX15005B反激转换器原理图 (Fsw=22khz)
MAX15005B反激转换器原理图 (Fsw=22khz)
- 反激(16015)
相关推荐
隔离型反激式DC/DC转换器IC BD7F系列
ROHM开发出无需利用二次侧的输出电压反馈即可稳定输出的隔离型反激式DC/DC转换器IC。隔离型反激式转换器多用于FA设备和工业设备的电源,为绝缘反馈路径而使用光耦或变压器的辅助绕组。
2023-02-17 15:40:20
769
769
AC/DC PWM方式反激式转换器设计方法 总结
本篇以“AC/DC PWM方式反激式转换器设计方法”为题,重温绝缘型反激式转换器的基础、说明设计步骤、规格决定、电源IC的选择以及实际的电路设计和基板布局等事宜,这里“总结”如下。
2023-02-17 13:36:59
523
523
隔离型反激式转换器的性能评估和检查要点
本篇以AC/DC转换器的“评估篇:隔离型反激式转换器的性能评估和检查要点”为主题,介绍了隔离型反激式AC/DC转换器电路性能评估的测量方法和实测数据,以及评估时不仅要关注性能方面,还要关注检查要点以确认是否正常工作。
2023-02-17 11:00:48
476
476
如何设计具有次级侧同步整流的无光耦反激式转换器
在中低功率应用中使用反激式转换器是首选的设计选择,因为反激式转换器简单且成本低。然而,在隔离应用中,使用光耦合器或辅助绕组进行跨越隔离边界的电压反馈会增加元件数量和设计复杂性。MAX17690为无光反激式控制器,无需光耦合器或辅助绕组,在线路、负载和温度变化范围内实现±5%的输出电压调节。
2023-01-03 15:29:52
465
465
有源复位反激转换器参考设计
`描述PMP7895 是一种有源复位反激式转换器参考设计。此设计接受 12V+/-10% 输入电压,可实现 12V 输出,并且能够为负载提供 1A 电流。特性有源复位反激式转换器12W 功率输出12V 输入至 12V 输出配置`
2015-03-23 17:02:23
当反激式转换器达到极限......
的设计非常简单。 图1所示为这类调节器的典型设计,其中采用了一个 ADP1071 反激式控制器。 之所以能看出这是一个反激式转换器,是因为它的点和变压器并不匹配。 其中采用了原边电源开关(Q1)。 此外,也需要采用副边整流器电路。 这
2022-11-16 21:15:07
388
388反激式转换器的工作原理及拓扑结构
反激式转换器(Flyback Converter)的设计类似于70年前的开关模式电源,可以执行任何类型的转换,例如AC-DC和DC-DC。反激式的设计为最早在1930年代至1940年代开发用于通信的电视提供了优势。
2022-09-05 15:44:08
9130
9130
反激式转换器电路的基本器件
反激式转换器由反激式变压器、开关管、整流器和滤波器以及驱动开关和进行调节的控制机制组成。它是一种外围器件相对不复杂的开关转换器,并且相对容易进行电路设计。反激式转换器是一种隔离式开关转换器,可以实现
2022-05-21 10:14:24
2022
2022
基于INN2124K的15W CVCC、隔离反激式转换器设计
基于INN2124K的15W CVCC、隔离反激式转换器设计(电源威廉希尔官方网站
发展趋势)-基于InnoSwitch-CE INN2124K的15W CV/CC、隔离反激式转换器设计。
2021-09-28 17:27:11
9
9设计反激式转换器时需要考虑的几大关键因素
反激式转换器有很多优点,例如它是成本最低的隔离式电源转换器,可以轻松提供多个输出电压,它是简单的原边控制器,可以提供高达300W的功率输出。反激式转换器可用于许多离线应用,从电视到手机充电器,以及
2021-06-28 18:15:25
2511
2511
LT8300演示电路-100V电源隔离反激转换器(22-75V至5V@0.25A)
LT8300演示电路-100V电源隔离反激转换器(22-75V至5V@0.25A)
2021-06-07 10:42:36
18
18基于FPS的离线反激式转换器的分步设计
验证了设计过程的有效性。 介绍 图1显示了使用FPS的基本离线反激转换器的原理图,该转换器还用作本文描述的设计过程的参考电路。由于MOSFET和PWM控制器以及各种附加电路都集成在一个封装中,因此SMPS的设计比分立MOSFET和PWM控制器解决方案容易得多
2021-05-21 10:17:10
2747
2747
电源转换器MAX17498A / B / C的性能特点及应用范围
17498A / MAX17498C反激转换器的工作频率为250kHz,MAX17498B反激/升压转换器的工作频率为500kHz,具有极好的瞬态响应特性,主要用于工业应用的前端AC / DC电源,通信电源等。了
2021-03-11 13:40:38
1824
1824
电气隔离电源设计:反激式转换器的应用实例
的设计非常简单。图1所示为这类调节器的典型设计,其中采用了一个 ADP1071 反激式控制器。之所以能看出这是一个反激式转换器,是因为它的点和变压器并不匹配。其中采用了原边电源开关(Q1)。此外,也需要采用副边整流器电路。这可以
2020-12-24 14:28:37
3272
3272
反激式电源转换器的两种不同结构解析
在标准反激式电源转换器中,变压器的漏电感会在初级侧FET的漏极上产生电压尖峰。为防止这种尖峰,FET通常需要一个钳位保护,如图1所示。但钳位保护中的功率损耗限制了反激转换器的效率。在本电源技巧中,我们将研究反激式电源转换器的两种不同结构,它们使用非耗散钳位威廉希尔官方网站
来回收泄漏能量并提高效率。
2020-01-21 16:39:00
2800
2800
TDK集团B82453C*A*系列再添工作频率为22kHz的B82453C0335A022新锐
TDK集团B82453C*A*系列再添工作频率为22kHz的B82453C0335A022新锐。新的应答器线圈是对现有125kHz频率设计的补充,适用于无钥匙进入和启动系统 (PEPS) 及其它基于更低频率的门禁系统。
2018-05-07 09:09:00
1459
1459反激式转换器波形受到漏电感的影响
反激式转换器工作于电压模式控制(VM)的频率响应和在连续导电模式(CCM)下的驱动是次级命令系统。如果大多分析预示传递函数的品质因数只受各种损耗(欧姆路径、磁损耗、恢复时间相关损耗等)影响,那么由
2018-04-04 08:58:55
9912
9912
高压反激式转换器设计方案
对于用于闪光灯泵浦式脉冲固体激光器且配备了外部驱动型反激式转换器的电容器充电装置而言,本例可大幅提高其转换效率。在闪光灯泵浦式脉冲固体激光器中,当向蓄能电容器充入高电压时,所充入的电能由提供给闪光灯
2017-11-16 10:06:30
4
4微功率隔离反激式转换器设计要点
引言 与其他的隔离式拓扑相比,反激式转换器因其相对简单和成本低而在隔离式 DC/DC 应用中得到了广泛的运用。即使如此,设计传统的反激式转换器并非易事,变压器需要谨慎的设计,而且众所周知的右半平面
2017-05-11 10:36:25
14
14MAX17498A,MAX17498B,MAX17498C电流模式反激/升压转换器
MAX17498A MAX17498A/MAX17498B/MAX17498C设备固定频率电流模式反激/升压转换器,用最少的外部元件数量
2011-10-26 11:01:12
1192
1192
宽输入范围、5V 2.6A输出反激转换器3级PD方案
该参考设计用于高效、宽输入范围(9V至57V)的反激式5V 3级用电设备(PD)。设计采用MAX5969B作为控制器,并采用MAX5974D控制电流模式 PWM转换器,为输入和以太网供电(PoE)系统提供频率折返控制
2011-08-19 14:53:26
35
35MAX5969B高效、低成本反激转换器,无需光耦反馈参考设计
该参考设计用于高效、反激式12V 3级用电设备(PD)。设计采用 MAX5969B作为控制器,并采用MAX5974A控制电流模式 PWM转换器,并为PoE系统提供频率折返控制。该参考设计利用这些器件提供IEE
2011-08-19 14:29:41
47
47DCM反激式PFC转换器
和Boost PFC转换器一样,反激式PFC转换器工作在DCM模式时的固有特点是:输出电压调节采用电压型PWM控制时9稳态占空比Du为常数(即导通时间Ton为常数),输人电流接近于正弦波。
2009-12-03 11:29:13
72
72隔离型PFM反激DCDC转换器电路原理图
隔离型PFM反激DCDC转换器电路原理图
另一方法是采用具有脉冲频率调制(PFM)控制器的DC-DC转换器¹。PFM控制器采用两个单稳态电
2009-09-18 08:40:51
3508
3508
电子发烧友App












评论