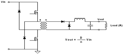
双开关正向拓补电路
- 拓补(7856)
相关推荐
NCP1562的有源钳位正激拓补结构及电路
NCP1562的有源钳位正激拓补结构及电路
图4中的有源钳位正激拓扑是一个存在已久的软开关结构,虽然这种结构和传统的正向式拓扑结构类似,但过去
2010-01-04 08:16:40
3212
3212
双开双控开关控制一个灯电路图
先来说明一下什么是双开,双控。双开是指在一个开关的面板上有两个开关按钮。它其实可以独立的控制两盏灯。双控是指在两个不同的地方进行控制,并且控制的是一盏灯。
2019-09-13 16:18:00
105662
105662
双开关正激转换器及其应用设计
双开关正激转换器及其应用设计
与三次绕组和RCD钳位等常见变压器磁芯复位威廉希尔官方网站
相比,双开关正激威廉希尔官方网站
不需要特殊的复位电路,更易于实现,且保证可靠的磁芯
2010-03-17 15:30:43
29
29谐振复位双开关正激变换器的研究
谐振复位双开关正激变换器的研究
摘要:推荐了一种谐振复位双开关正激型DC/DC变换器。它不仅克服了谐振复位单开关正激变换器开
2009-07-11 09:29:47
1194
1194
谐振复位双开关正激变换器的研究
摘要:推荐了一种谐振复位双开关正激型DC/DC变换器。它不仅克服了谐振复位单开关正激变换器开关电压应力大和变换效率低的缺点,而且具有占空比可以大于50%
2006-03-11 13:01:35
893
893
40 V,600 mA,NPN/PNP 双开关晶体管-PMBT2227AYS-Q
40 V,600 mA,NPN/PNP 双开关晶体管-PMBT2227AYS-Q
2023-02-09 21:57:37
0
0双开关正激转换器及其应用设计
双开关正激转换器及其应用设计
单开关(或称单晶体管)正激转换器是一种最基本类型的基于变压器的隔离降压转换器,广泛用于需要大降压比的应用。这种转换器的
2010-03-02 09:04:32
1220
1220
改进型双开关正激转换器应用
议程Agenda1. 正激转换器概论Generalities on forward converters2. 磁芯复位:三次绕组、RCD钳位、双开关正激Core reset
2010-07-30 09:16:55
28
28自适应实现升压或降压的拓补结构及电路
自适应实现升压或降压的拓补结构及电路
电感式结构的主要贮能元件是电感,输出电压可以通过控制一个周期内的充放电的占空比,来达到线性调节,图7所示为一个能
2010-01-04 18:21:18
1068
1068
适用于汽车冷起动应用的双开关降压/升压威廉希尔官方网站
适用于汽车冷起动应用的双开关降压/升压威廉希尔官方网站
一般来说,我们采用降压升压拓扑型拓扑来解决汽车应用中的宽阔输入电压范围及冷起动需求。本文将详
2009-12-12 11:41:24
544
544如何修复双开泵腐蚀问题
某企业双开泵出现腐蚀问题,来电咨询我司索雷威廉希尔官方网站
能否修复。经过双方深入沟通交流,结合我司之前修复类似问题的成功经验,我司给予了肯定的答复,接下来就看一下我司工程师是如何修复双开泵腐蚀问题的吧!
2022-10-12 16:44:29
0
0正向运转电机控制电路
有关电机正向转动的控制电路图,一例通过按钮点动操作实现电动机的点动运转的控制电路,分析了该控制电路的回路送电操作顺序,以及电机正向运转的操作方法,供大家参考。
2023-06-03 17:48:19
621
621
具有可变电感的ZCS双开关正激变换器的设计与实现
提出了一种零电流开关(ZCS)双开关可变电感DCDC正激变换器。采用准谐振威廉希尔官方网站
实现ZCS工作。这种可变电感器威廉希尔官方网站
被用来减少开关损耗和输出二极管电流的峰值。因此,可以提高转换效率。此外,有源开关两端
2018-09-03 08:00:00
14
14动画方式说明几种WLAN网络拓补结构
WLAN无线网络的拓补结构有很多种,包括Ad-hoc,无线覆盖,无线点对点传输,无线点对多点等等。本文以动画的方式说明这几种拓补结构,令人耳目一新。
2019-06-30 09:34:22
1317
1317双控开关接线图,双控开关电路图
双控开关接线分单联双控、双联双控开关、三联双控开关三种,在本文中小编主要通过介绍是什么是双控开关、单联双控接线、双联双控开关、三联双控开关及原理三个方面为大家介绍双开关怎么接线图,为大家做电路接线参考。
2017-10-31 08:58:03
229573
229573
两-开关正向电流模式转换器
正向电流的意思是从正极流向负极的电流,简称正向电流。 介绍 这两开关正激变换器的主要优点 是电源开关只阻断电源电压代替两倍于回扫电压的电源电压单开关正激变换器。 在这里,完整的规范,这两个正激变
2017-03-29 11:23:37
5
5开关的接线原则
灯控开关几乎随处可见,对于电工而言,会接开关可以说是一种基本功。开关的种类型号繁多,根据按钮个数可以分为单开、双开、三开等,根据控制方式可以分为单控、双控、三控等。另外,有的开关还会带有插孔,如单开五孔开关、双开五孔等。
2022-10-25 10:30:50
2205
2205一个用于驱动栅极驱动变压器的简单电路
讨论了如何使用一个双开关反激式电路来提升低功耗隔离式转换器的效率。与单开关反激式电路相比,双开关反激式电路的主要代价就是需要一个浮动的高侧驱动。一个栅极驱动变压器通常用于双开关反激式电路的高侧FET,而栅极驱动变压器的使用是需要一些技巧的。如果磁芯没有在每个周期内正确复位,那么它就有可能饱和。
2023-04-15 10:42:47
652
652
双开电灯开关怎么接线
双联单控开关,一般用于一个房间里面有两组灯源的情况下。“双联单控”指:一个面板上有两个单控的按钮,而且这两个按钮都是单向控制灯具的开关的,即:只能在固定的一个地方控制灯具的开灭,不同于用于楼梯间处用的双向控制开关,可以在下面开,到上面关。
2019-05-27 17:32:41
146479
146479
电源技巧:一个用于驱动栅极驱动变压器的简单电路
在我的上一篇关于EE时代的电源技巧博文中,我讨论了如何使用一个双开关反激式电路来提升低功耗隔离式转换器的效率。与单开关反激式电路相比,双开关反激式电路的主要代价就是需要一个浮动的高侧驱动。一个栅极
2015-12-23 16:25:02
2805
2805
非理想变压器双开关正激变换器峰值电流控制的小信号分析
针对峰值电流控制的双开关正激变换器,本文提出了一种有效的分析方法,建立了交流小信号模型,并应用这个模型分析了其主要电气特性,得到了如下结论:(1)、峰值电流控制
2009-10-14 10:45:38
29
29二极管正向压降设计的两款电路
小功率硅二极管1N4148、1N4001等的正向压降一般为0.6~0.7V左右,在电路设计中巧妙利用二极管的正向压降,可以使电路更加简单,并且能降低成本,下面介绍二种利用二极管正向压降设计的简单实用电路。
2022-08-29 14:36:10
5866
5866
双开双控开关的接线方法
火零线都进入开关,火线和零线分别进入开关的两个接线端,两个开关公共端出线接入照明灯具,这种接线方式的弊端,我们在前面讲单开双控的时候也提过,有安全隐患。
2020-01-16 10:45:00
56348
56348电源技巧:一个用于驱动变压器的简单电路
与单开关反激式电路相比,双开关反激式电路的主要代价就是需要一个浮动的高侧驱动。一个栅极驱动变压器通常用于双开关反激式电路的高侧FET,而栅极驱动变压器的使用是需要一些技巧的。如果磁芯没有在每个周期内正确复位,那么它就有可能饱和。
2015-12-25 11:43:20
7667
7667
正向偏置反向偏置图解
当外界有正向电压偏置时,外界电场和自建电场的互相抑消作用使载流子的扩散电流增加引起了正向电流。 在电子电路中,将二极管的正极接在高电位端,负极接在低电位端,二极管就会导通,这种连接方式,称为正向偏置。
2018-10-06 15:53:00
18581
18581
50%以上占空比降压转换器下坡(Downslope)补偿
三开关正向转换器在能量回收方面拥有许多独到之处,它可以将磁能和一次侧漏能量返回至源,无需使用缓冲器,降低了普通正向转换器中常见的电磁干扰。相比占空比大于50%的双开关
2012-08-07 11:03:42
1666
1666
开关电源基本原理与设计介绍
开关电源基本原理与设计介绍 DC-DC变换器主要架构及其拓补 EMI 部分 PFC 部分 同步整流部分 均流威廉希尔官方网站
保护与控制线路&n
2010-03-20 16:32:14
162
162继电器常开和常闭开关能接照明电路吗
常开常闭开关是开关的两种状态,一般家庭使用的单开或双开开关是完全可以直接控制照明灯,不再需要使用其他继电器进行转接,因为家用开关的触点容量完全足够。
2020-03-08 11:14:25
7465
7465买冰箱时 选单开门还是双开门有窍门
怎么担心食物腐坏变质的,是有很大的用处。现在市场上冰箱是有多种的,按照冰箱门来看的话,就有单开门、双开门等等,单开门冰箱和双开门冰箱比起来是会有些不同的,那么家里买冰箱时,到底是选单开门还是双开门?听听内行人怎么说。
2019-04-11 14:40:29
969
969为什么同样型号的二极管测量的正向电压越小性能越好?
为什么同样型号的二极管测量的正向电压越小性能越好? 二极管是一种具有电流控制特性的半导体器件,常用于电路中的整流、稳压等应用。二极管的正向电压是指器件正向导通时所需施加的电压。同样型号的二极管测量
2023-10-18 16:54:01
98
98同相比例运算电路正向输入端的电阻的作用是什么?
同相比例运算电路正向输入端的电阻的作用是什么? 同相比例运算电路正向输入端的电阻是一个非常重要的元件,它的作用是在同相比例运算中扮演着关键的角色。 同相比例运算电路,是一种基本的模拟电路,在工业
2023-09-17 17:14:31
224
224TI直流/直流开关稳压器LM5015
4.25-75V、单片双开关正向直流/直流稳压器 Vin (Min) (V) 4.25 Vin (Max) (V) 75 Vout (Min) (V) 1.26
2022-12-19 15:07:30
SiC-SBD的正向特性,与正向电流及温度的依赖关系
Si-FRD从正向切换到反向的瞬间会产生极大的瞬态电流,在此期间转移为反向偏压状态,从而产生很大的损耗。这是因为正向通电时积聚在漂移层内的少数载流子不断地进行电传导直到消亡(该时间也称为积聚时间)。
2018-04-10 11:02:21
7441
7441三控开关怎么接_三控开关接线图
三控开关是指三个开关控制一个灯,就是在双控的基础上,把两个开关的连接线中间再加上一个双刀双掷开关。如果没有的话,可以用双开代替。
2019-08-02 15:32:24
158521
158521
电子发烧友App




















评论