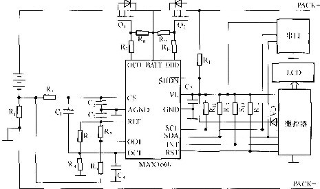
基于MAXl660的镍氢电池充放电电路
- 镍氢电池(27704)
- 充放电(21450)
- MAXl660(6383)
相关推荐
镍氢电池的组成及充放电过程简析
镍氢电池是从20世纪90年代开始发展的一种绿色电池。镍氢电池是一种碱性蓄电池,其正极活性物质主要由镍构成,负极活性物质主要由贮氢合金构成。
2022-12-29 10:45:22
4996
4996新能源汽车:镍氢电池(下)
温度可提高镍氢电池内正负极材料活性物质反应速率,也可提高电解液的离子传输速率,从而使自放电反应速率提高。如果温度过高,可能将破坏镍氢电池内部的化学平衡,并发生不可逆反应,从而降低电池的整体性能。
2022-12-12 16:08:14
1295
1295镍氢电池工作原理 镍氢电池的主要应用特性
镍氢电池是一种碱性电池,其负极采用由储氢材料作为活性物质的氢化物电极,正极采用氢氧化镍电极(简称镍电极),电解质为氢氧化钾水溶液。镍氢电池充电时,氢氧化钾电解液中的氢离子会被释放出来,由这些化合物将它吸收,避免形成氢气,以保持电池内部的压力和体积。
2022-09-07 14:51:02
8789
8789请教镍氢电池恒流充电电路
我想做一手电筒,使用3节镍氢电池供电,不用市电变压整流后再充电,而是直接用电脑USB接口以及手机充电器充电,充电电压4.8-5.5v之间,想把充电电流限定在200mA左右,该怎么做限流电路?可以用场效应管加稳压二极管充电吗?电路要尽可能简单,成本低。请教高手不吝赐教,急盼,谢谢
2008-06-28 14:25:01
镍氢电池威廉希尔官方网站 基础知识
镍金属氢化物镍氢电池包括:镍氢充电,镍氢自放电 鉴于对镍镉电池和电池的环境担忧,镍金属氢化物威廉希尔官方网站
已经被替代。 镍金属氢化物、镍氢电池和电池具有非常相似的性能水平 - 相似的电压和充电特性。因此
2022-03-23 10:01:04
2924
2924镍氢电池工作原理_镍氢电池优缺点
使用。比起锂电池,镍氢电池也无需错综复杂的电池智能管理系统(BMS)。初期电池易受记忆效应的影响,并也容易高自放电,比铅酸电池或锂电池差10倍,但这两个薄弱点已经被解决,据悉近期发明的电池也可以做到一年的电量。那今天带大家了解一下镍氢电池的优缺点,镍氢充电电池优缺点。
2020-08-09 16:54:00
12401
12401镍氢电池恒流充电电路图
镍氢电池恒流充电电路可以对1~6节镍氢电池(或镍镉电池)恒流充电(充电电流可以设置),并且可以自动识别镍氢电池的极性是否接错。当电池正负极接错时,本电路无充电电流输出,同时LED指示灯也不会点亮,从而保护了镍氢电池不会因极性接反而损坏。
2019-10-30 11:17:30
20077
20077
镍氢电池的维护与保养
镍氢电池必须在刚刚买回来的时候把电池里的电量放净(空腹充电),衡量镍氢电池的容量是否正常一般需要3~5次左右,电池里的带粒子才会被完全激活。
2019-10-24 14:53:57
6288
6288镍氢电池的工作原理_镍氢电池的优缺点
镍氢电池是一种性能良好的蓄电池。镍氢电池分为高压镍氢电池和低压镍氢电池。镍氢电池正极活性物质为Ni(OH)2(称NiO电极),负极活性物质为金属氢化物,也称储氢合金(电极称储氢电极),电解液为6mol/L氢氧化钾溶液。镍氢电池作为氢能源应用的一个重要方向越来越被人们注意。
2019-10-24 14:39:38
33720
33720
镍氢电池的参数_镍氢电池充放电
指在一定放电条件下,电池放电至终止电压时放出的电量;IEC标准规定MH-Ni电池在20±5℃环境下,以0.1C充电16小时后以0.2C放电至1.0V时所放出的电量为电池的额定容量。
2019-10-24 14:12:17
10478
10478镍氢电池充电器设计方案汇总(五款模拟电路设计原理图详解)
本文主要介绍了镍氢电池充电器设计方案汇总(五款模拟电路设计原理图详解)。镍氢电池耐过充电、过放电能力强 镍氢电池充电、放电比较随便,即使过充电也不会造成电池永久性损伤,电池放电到0V以后再充电,仍然能够恢复镍氢电池的容量。镍氢电池被称为“绿色电池”,下面重点介绍几款镍氢电池充电器方案设计。
2018-02-03 16:26:28
24850
24850制作6v镍氢电池充电器(两款镍氢电池充电器制作方法详解)
本文主要介绍了两款制作6v镍氢电池充电器的方法详解。单体镍氢电池的标称电压为1.2v,充电终止电压为1.5v;放电终止电压一般为1.1v。镍氢电池的充电特性受充电电流、温度和充电时间的影响“电池端电压随充电电流的升高而增加,且越接近于最大值,电池的温度上升越快,电池越容易受损害。
2018-02-03 16:10:02
32252
32252
1.2v镍氢电池充电电路图(六款镍氢电池充电电路途详解)
本文主要介绍了1.2v镍氢电池充电电路图(六款镍氢电池充电电路途详解)。镍氢电池充电时,当恒定电流刚充入放完电的电池时,由于电池内阻产生压降,所以电池电压很快上升(A点)。此后,电池开始接受电荷,电池电压以较低的速率持续上升。电池内部的温度和气体压力都很低。
2018-02-03 15:53:10
95819
95819
镍氢电池首次充电方法介绍
镍氢电池和锂电池都不能耐过充电。因此,镍氢电池以定电流充电的PICK CUT控制方式在充电电压达到最高时,停止继续充电为最好的充电方式。而锂电池则使用定电流、定电压方式充电最好,若以镍镉电池的充电器
2017-12-12 10:58:19
89880
89880
基于C8051F单片机的镍氢电池组管理系统解析
文章描述了镍氢电池充放电原理和特性的分析,并根据镍氢电池充放电管理需求,提出了一种基于C8051F单片机对多节镍氢电池串联电池组进行综合监测和管理的方案,通过设计:实现了新型电池管理电路,包括完整
2017-11-15 11:46:15
9
9bq2004搭建的镍氢电池快速充电电路设计
用bq2004搭建了一个镍氢电池的快速充电电路,给10节镍氢电池充电,快充电流最大为2.25A,电路如图所示。是电路开始对电池进行快速充电后,很快就跳到充满的状态了(不管电池是否充满)。
2014-10-16 09:46:20
4045
4045
低自放电镍氢电池应用方案
长期以来,由于镍氢电池自身自放电大的原因,镍氢电池在客户端的使用体验并不好,经常发生电池放置一段时间后电池充不进电导致无法使用的问题,导致市场不断的发生投诉。
2012-05-21 15:02:04
3600
3600
废旧镍氢电池修复过程
现在的镍氢电池容量都做得很大,内部结构紧凑,所以储水量就已经很小,再加上现在都是用快速充电器充电,使得末期内部压力更高,镍氢电池便严重折寿!有的甚至循环不了100次就挂了!
2011-03-05 09:52:15
34254
34254混合动力汽车镍氢电池组的充放电效率分析
摘 要:以6.5Ah/144V60QNY6.5镍氢电池组为对象进行效率分析,搭建了混合动力汽车镍氢电池组综合性能实验台,进行了电池组充放电性能实验测试与数据分析;基于镍氢电池组性能实验结果,并考虑电池组环境温度,利用拟合威廉希尔官方网站
得到了镍氢电池内阻与电动势的理论计算模型
2011-02-23 23:59:43
59
59镉/镍氢电池的原理及充电方法
镉/镍氢电池的原理及充电方法
镍镉/镍氢电池的发展
1899年,Waldmar Jungner在开口型镍镉电池中,首先使用了镍极板,几乎与此同时,Thomas Edison 发明了用于电动
2010-09-06 11:30:28
32253
32253相机镍氢电池的保养小诀窍
1,镍氢电池必须在刚刚买回来的时候把电池里的电量放净(空腹充电),衡量镍氢电池的电池容量是否正常一般需要3---5次左右,电池里的电粒子才会被完全激活。
2010-08-10 17:11:33
524
524镍氢电池智能充电电路原理
镍氢电池智能充电电路原理
单只镍氢电池电压为1.25V,充电时最高为有1.55V,它不宜使用高于3V的直流电源为其充电。将电源变压器输出为交流3.5V的双绕组作全
2010-05-23 12:19:09
7055
7055
3节镍氢电池充电电路图
3节镍氢电池充电电路图
Figure 1 contains the recommended schematic for charging a 3-cell N
2010-05-22 08:20:19
5353
5353
3节镍氢电池驱动白光LED电路
3节镍氢电池驱动白光LED电路
由3节镍氢电池驱动白光LED,使ILED=500mA电流的电路如图8所示。在图8中,在ISET1端设了 619kΩ电阻,由EN1来控制其亮、灭。ISET2悬空,EN2接
2010-02-27 15:03:24
2915
2915
宽温区镍氢电池
宽温区镍氢电池 威廉希尔官方网站
简介
目前我国已开发出性能优良的低温贮氢合金,配合具有特色的镍氢电池制造威廉希尔官方网站
,制备出额定容量
2009-11-20 14:22:00
1036
1036单芯片、免编程的镍氢电池快速充电控制芯片GM6802
单芯片、免编程的镍氢电池快速充电控制芯片GM6802
GM6802是用于镍氢电池或镍氢电池组的快速充电专用集成电路,具备镍氢电池充电需
2009-11-10 09:43:59
2620
2620
镍氢电池
镍氢电池 镍氢电池(Ni-MH Rechargeable Battery):镍氢电池是早期的镍镉电池的替代产品,不再使用有毒的镉,可以消除重金属元素
2009-11-09 08:51:42
718
718影响镍氢电池性能的几个因素
影响镍氢电池性能的几个因素
影响镍氢电池性能的因素有很多,包括正/负极板的基材,贮氢合金的种类,活性物质的颗粒度,添加剂的类别和数量,以及制作工艺、电解液
2009-11-05 17:21:43
4798
4798镍氢电池常见问题之电池自放电大
镍氢电池常见问题之电池自放电大
1,國標Ni-MH電池技術標准要求,電池充滿電后28天常溫擱置, 自放電應小于30%,實際上有的Ni-MH電池要超過30%.這主
2009-11-05 16:16:01
2805
2805镍氢电池的原理及与镍镉电池的比较
镍氢电池的原理及与镍镉电池的比较西安通信学院张鹏孟进许英摘要: 镍氢电池是一种性能非常优异的新型电池, 在不久的将来, 它一定会取代目前大量应用的镍镉电池。本
2009-11-03 10:35:30
37
37镍氢电池的化学成分有哪些?
镍氢电池的化学成分有哪些?
镍氢电池中的“金属”部分实际上是金属互化物。许多种类的金属互化物都已被运用在镍氢电池的制造上,它们主要分
2009-10-24 11:42:27
2603
2603镍氢电池的工作原理
镍氢电池的工作原理 镍氢电池和同体积的镍镉电池相比,容量增加一倍,充放电循环寿命也较长,并且无记忆效应。镍氢电池正极的活性物质为NiOOH(放电时)和Ni(OH)2(
2009-10-24 11:06:41
11121
11121镍氢电池的电化学原理是什么?
镍氢电池的电化学原理是什么?
镍氢电池采用与镍镉电池相同的Ni氧化物作为正极,储氢金属作为负极,碱液(主要为KOH)作为电解液,镍氢电池充电时,正极发生反应如下
2009-10-24 10:13:29
2078
2078什么是电池的标准充放电?
什么是电池的标准充放电?
IEC 国际标准规定的镍氢电池的标准充放电为: 首先将电池以 0.2C 放电至 1.0V/ 支,然后以 0.1C 充电 16 小时,搁置 1 小时后
2009-10-21 11:01:54
1625
1625镍氢电池威廉希尔官方网站 培训:镍氢电池性能与威廉希尔官方网站 要求
镍氢电池威廉希尔官方网站
培训:镍氢电池性能与威廉希尔官方网站
要求
镍金属氢化物电池是由贮氢合金负极,镍正极,氢氧化钾电解液以及隔板等组成的可充电电池,它与镍镉电
2009-10-21 10:36:21
545
545镍氢电池威廉希尔官方网站 培训:镍氢电池组成与结构
镍氢电池威廉希尔官方网站
培训:镍氢电池组成与结构
如上所述,镍氢电池正极活性物质为氢氧化镍 (称氧化镍电极),负极活性物质为金属氢化物
2009-10-21 10:33:23
2880
2880镍氢电池威廉希尔官方网站 培训:镍氢电池原理
镍氢电池威廉希尔官方网站
培训:镍氢电池原理
镍氢电池正极活性物质为氢氧化镍(称氧化镍电极),负极活性物质为金属氧化物,也称贮氢合金(电极称贮氢电极)
2009-10-21 10:30:40
605
605镍氢电池威廉希尔官方网站 培训资料之:镍氢电池原理
镍氢电池威廉希尔官方网站
培训资料之:镍氢电池原理
镍氢电池正极活性物质为氢氧化镍(称氧化镍电极),负极活性物质为金属氧化物,也称贮氢合金(电极称贮
2009-10-19 17:41:31
469
469什么是镍氢电池-镍氢电池定义?
镍氢电池(Ni-MH Batteries):
镍氢电池是早期的镍镉电池的替代产品,它是目前最环保的电池,不再使用有毒的镉,可以消除重金属元素对环境带来的污染问题。镍氢电
2009-10-19 17:18:43
1493
1493
电子发烧友App







评论