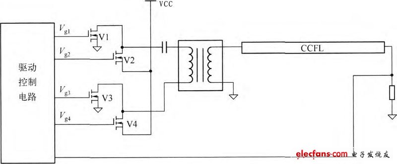
采用两只N沟道和两只P沟道场效应管的全桥驱动电路
- 场效应管(61828)
- N沟道(18269)
- p沟道(13141)
- 全桥驱动电路(14519)
相关推荐
场效应管怎么测量好坏
,因此需要进行严格的测试和检测,以确保其可靠性和稳定性。 一、场效应管的类型 场效应管有两种类型:N沟道场效应管(N-channel FET)和P沟道场效应管(P-channel FET)。这两种类型的场效应管具有相似的结构和工作原理,但具有不同的尺寸和性能特征,
2023-09-02 11:31:24
1117
1117n沟道增强型绝缘栅场效应管
n沟道增强型绝缘栅场效应管 n沟道增强型绝缘栅场效应管,又称nMOSFET(Metal Oxide Semiconductor Field Effect Transistor),是一种非常
2023-09-02 10:05:25
540
540场效应管怎么区分n沟道p沟道
场效应管怎么区分n沟道p沟道 场效应管是一种常见的半导体器件,可以用于电子器件中的信号放大、开关等应用。场效应管有两种类型:n沟道型(n-channel)和p沟道型(p-channel),它们
2023-09-02 10:05:17
2277
2277NDS9410A N沟道场效应管
NDS9410A N沟道场效应管 using Fairchild Semiconductor’s advancedPowerTrench process that has been
2008-05-14 23:50:14
如何使用P/N沟道MOSFET构建通用全桥或H桥MOSFET驱动电路
在本文中,我们将学习如何使用 P沟道和 N 沟道 MOSFET 构建通用全桥或 H 桥 MOSFET 驱动电路,该电路可用于制造电机、逆变器和许多不同的功率转换器的高效驱动电路。
2023-04-29 09:35:00
3287
3287
场效应管电机驱动 MOS管H桥原理
场效应管电机驱动-MOS管H桥原理所谓的H 桥电路就是控制电机正反转的。下图就是一种简单的H 桥电路,它由2 个P型场效应管Q1、Q2 与2 个N 型场效应管Q3、Q3 组成,所以它叫P
2023-03-17 15:26:05
1
1N沟道MOS管和P沟道MOS管的区别
金属氧化物半导体场效应(MOS)晶体管可分为N沟道与P沟道两大类, P沟道硅MOS场效应晶体管在N型硅衬底上有两个P+区,分别叫做源极和漏极,两极之间不通导,栅极上加有足够的正电压(源极接地)时,栅极下的N型硅表面呈现P型反型层,成为连接源极和漏极的沟道。
2023-02-23 17:00:04
19477
19477
n沟道场效应管和p沟道场效应管能互换吗
纯半导体的导电性能很差,但是可以通过加入一些特殊的杂质增强其导电能力。N型MOSFET会引入额外可移动的负电荷(电子),此时为N型(N沟道)参杂,在N型MOSFET中电子为多数载流子,空穴为少数
2023-02-11 14:36:37
2078
2078
两只场效应管KW25N120E怎么做逆变器
KW25N120E是电磁炉里较常用的一款大功率IGBT管,该管内部采用N沟道场效应管作为输入级,具有很高的输入电阻。
2020-03-14 11:00:20
12060
12060场效应管对管驱动电路
驱动电路由缓冲器U、电阻R2 及1 对小功率场效应对管Q1 、Q2 组成。当控制信号为低电平时,同向缓冲器U 输出低电平,使得与+ 9 V 电源相联的P 沟道场效应管Q2 导通,与地相联的N 沟道场效应
2012-04-17 15:43:04
19066
19066
仅采用四只N沟道场效应管的全桥驱动电路
仅采用四只N沟道场效应管的 全桥驱动电路 工作时,在驱动控制Ic的控制下,使V1、V4同时导通,V2、V3同时导通,且V1、V4导通时,V2、V3截止,也就是说,V1、V4与V2、V3是交替导通的,使
2012-04-05 11:32:28
16162
16162
场效应管的分类:
场效应管的分类: 场效应管分结型、绝缘栅型(MOS)两大类 按沟道材料:结型和绝缘栅型各分N沟道和P沟道两种. 按导电方式:耗尽型与增强型,结型
2009-11-09 14:27:45
1300
1300N沟道结型场效应管的工作原理
N沟道结型场效应管的工作原理
(1)Ugs对导电沟道和D i 的控制作用当Ugs= 0时,导电沟道未受任何电场的作用,导电沟道最宽,当外加U
2009-09-16 09:33:48
12377
12377
电子发烧友App










评论