低纹波高压直流电源主电路
- 高压(29521)
- 电源电路(64055)
- 直流电源(51309)
- 纹波(20304)
相关推荐
什么是稳压电源?稳压直流电源可以给电池充电吗?
什么是稳压电源?稳压直流电源可以给电池充电吗? 稳压电源是指能够将输入电源中所存在的波动和噪音等因素滤除掉,使输出直流电压稳定在设定值的电源。一般由电源变压器、整流电路、滤波电路、稳压电路、输出电路
2023-10-18 16:48:41
308
308直流电源纹波噪声指标该如何测量
直流电源的纹波和噪声是评估电源质量的重要参数,它们反映了电源输出的不稳定性和干扰情况。大的纹波或噪声可能会导致系统工作不稳定、传感器误差增加、模拟信号失真等问题。因此,在设计和选择电源时,正确测量
2023-10-10 10:12:11
142
142
纳米软件电源模块测试如何助力直流电源纹波测试?直流电源纹波有哪些危害?
直流电源纹波是直流电源输出的电流或电压中存在的交流成分。在实际应用中纹波是不可避免的,它直接影响着电源的稳定性,可能会导致设备无法正常工作,影响其寿命,更严重的可能会引发一些安全事故。
2023-10-07 15:29:14
117
117
1.2V–57V稳压直流电源电路图
这是具有短路保护功能的多用途稳压直流电源电路图。电子车间必须有一个能够在可接受的可能性范围内提供任何电压和足够电流的电源。该电路超越了传统电源(很少超过 24V 输出),最大电压为 57V,电流为 1.5A。
2023-08-01 18:19:46
317
317
高压双向直流电源 高电压直流电源厂家 PLC供电用
DS1000系列直流电源是采用PWM威廉希尔官方网站
的高频开关式直流电源,模块化设计,采用先进的DSP数字控制威廉希尔官方网站
,确保直流电源输出的高精度、低纹波、电压电流动态响应速度快,且效率高
2023-03-31 17:58:21
高压直流电源和特种直流电源俩者区别
高压直流电源和特种直流电源都有一个相同点,就是他们的电压都很高,不同的地方也有很多,高压直流电源作为普通电源,特种电源的很多作用是高压直流电源不可替代的,今天我们主要了解一下普通高压直流电源和特种电源之间区别。
2023-03-09 11:15:10
684
684
可编程直流电源的工作原理是什么?
种。在生产测试中,可编程直流电源的宽范围电压输出适用于测试和分析元件、电路、模块和整机的特性。今天安泰测试为大家介绍一下可编程直流电源工作原理。
2023-02-13 14:35:15
1013
1013
什么是直流电源?及其特点
众所周知,直流电源是一种必须为电子系统提供电源的设备。由于电池相对昂贵,它们被用于一些便携式设备,其中大多数需要直流电源,将交流电转换为直流电,现在让我们看一下直流电源的组成。
2023-01-09 13:19:35
2398
2398什么是高压直流电源,有什么用?
在生活中,我们总能接触到这种熟悉的事物,和我们的生活息息相关,却又了解甚少,现在,吉事励电子为您详细讲解一款可以在数千伏的直流电下工作的电源,甚至可以通过交流输入和三相电源在数万伏的电压下工作,它就是高压直流电源,那么大家对高压直流电源的特点和应用是否有了解呢?
2022-12-16 17:07:30
1993
1993矿用直流电源 高压直流电源系统 多功能直流电源-吉事励
DS1000系列直流电源是采用PWM威廉希尔官方网站
的高频开关式直流电源,模块化设计,采用先进的DSP数字控制威廉希尔官方网站
,确保直流电源输出的高精度、低纹波、电压电流动态响应速度快,且效率高
2022-11-30 16:35:39
直流负载在直流电源中的应用
在直流电源作为输出端使用的电路中,通常会串联切换滤波电容,以过滤交流成分,使直流电源更平稳、更清洁。在电源切换时,巨大的电击会造成靠近它的短路,这就是直流电源元件的负载测试。要使用电容测试直流性能,必须进行负载测试。
2022-11-15 14:37:53
502
502
稳压直流电源做并联扩容的话,有什么要求?
稳压直流电源采用高频调制威廉希尔官方网站
,此威廉希尔官方网站
较先进,提高数据传输速度与效率,它主要作用是扩大开关电压和电流,以实现更广泛的电压和电流调节范围,扩大直流电源的应用范围。目前的直流电源控制芯片采用比较成熟的进口
2022-10-25 17:11:32
1005
1005可变直流电源电路分享
这是可变直流电源电路,或者我们可以称之为可调直流电源,它给我们一个1.2V-25V的输出电压。上面的电源原理图取自 National Semiconductor 制造的稳压器 LM338K 的数据表。
2022-06-29 16:32:47
3129
3129
直流电源的纹波系数监测必要性
直流电源的纹波系数监测必要性介绍了纹波的产生;分析了对纹波进行监测的原因,直流纹波系数监测对电网安全运行的重要性,及目前直流电源成套装置存在的问题,并结合实际阐述了常规监测的方式,说明了对直流电源的纹波系数进行监测的必要性。 [hide][/hide]
2009-12-22 11:16:30
高压直流电源系统(直流ups)有哪些特点?
高压直流电源系统(直流UPS)满足通信系统高可靠性,高性能,节能减排要求的新一代电力产品。高压直流系统具有以下优点:变换环节比较少,高频滤波器容量减少,可靠性更高,能耗更低,可维护性更高,占地
2022-01-11 15:18:42
7
7谈谈大功率直流电源的优点-PinTech品致
在我们的日常生活中,交流用的比较多,而在一些科研机构、实验室和电子生产线中,经常使用直流,因为这些领域要求电路中的电流比较稳定,所以直流电源,特别是大功率直流电源,应用广泛。PinTech品致高压直流电源
2022-01-07 15:27:30
6
6为什么高压直流电源系统不同于其他供电系统?
高压直流电源系统不同于其他供电系统,体现在哪? 1、高压直流电源系统,可靠性大幅提升——应用高压直流供电威廉希尔官方网站
的主要目的就在于提升系统的安全性。 2、高压直流电源系统,效率大大提高——目前大量
2022-01-06 16:46:29
10
10什么是高压直流电源?负高压电源?
什么是高压直流电源? 高压直流电源,通常是指输出电压大于5000伏的电源,一般高压直流电源的输出电压可以达到几万伏甚至几十万伏甚至更高。直流高压直流电源有线性调节高压直流电源和开关型调整高压直流电源
2021-12-20 10:14:40
5603
5603高压直流电源的工作原理是怎样的
正负双向倍压电路的三级方案,以实现宽范围、低纹波、高可靠性的要求。系统整体结构框图如下图2-1所示。 吉事励电源厂家:高压直流电源是如何工作的? 该电路主要由整流滤波电路、同步降压宽范围可调电压电路、LC串联谐振逆变电路和正负
2021-12-13 17:56:19
2920
2920
谈谈大功率直流电源的优点
在我们的日常生活中,交流用的比较多,而在一些科研机构、实验室和电子生产线中,经常使用直流,因为这些领域要求电路中的电流比较稳定,所以直流电源,特别是大功率直流电源,应用广泛。 PinTech品致高压直流电源
2021-11-16 11:20:49
998
998直流电源系统模块组成,直流电源系统作用
直流电源系统是一种供电设备,它是用于水电厂、火电厂、各变电站等用户的直流设备,为信号供电设备、保护设备、自动装置、应急照明、应急用电以及断路器的开合操作提供直流电源。直流电源系统是一种独立的电源
2021-11-08 17:21:01
36
36可调式直流电源需要注意哪些以防止损坏?
调节。在将电源设备连接到负载电路之前,确定输出电压并进行精确设置。否则,电压调大将迅速烧毁负载电路。 (2)稳压直流电源的输出端有两根引线,一根为正(红色引线所示),另一根为负(黑色引线所示)。两行不能互换。连接稳压直流电源的输出端子时,必须首先了解电路的正电源端子和负电源端子。如果接反的话,.
2021-11-08 11:35:59
11
11高频直流电源在整改、降压和作用方面解决方案
方面解决方案 一、高频高压直流电源的工作原理是什么? 高频高压直流电源(称为高频电源)电源模式为纯直流和间歇电源供电。控制方式主要进行调频控制,有的进行调幅控制。基本原理是将三相工频输入电源整流为直流电,通过逆变器电路将其逆变为10kHz或更高的高频交流电,通过高频变压器将电压升高,并由高频整流器
2021-11-08 09:50:58
9
9高压直流电源面对干扰问题的解决方案分析
随着电源威廉希尔官方网站
的发展,高压直流电源控制已从早期的模拟电路逐渐演变为高度集成的控制设备,例如微处理器和DSP。这些设备体积小且非常精确,但是开关电源会产生电磁干扰和辐射,工作环境比其他通信设备更坚固
2021-11-07 19:20:59
3
3高压直流电源为什么要“接地”?如何“接地”?
为什么高压直流电源要“接地”?高压电源如何“接地”? 一、高压直流电源为什么要“接地”? “对地输出高压电源”通常只有一个高压输出连接器。通常,与高压电源中的高压输出相反的高压回路的另一端
2021-11-06 15:36:00
16
16RIGOL大电流低纹波线性直流电源的特点
为了满足市场对于低电压大电流线性电源的需求,普源精电(RIGOL)DP800系列线性直流电源精心推出了高性能新机型:DP813A和DP822A。DP813A是单通道双量程电源:8V*20A或20V
2021-10-19 15:55:47
1105
1105
飞机高压直流电源系统的设计与仿真
飞机高压直流电源系统的设计与仿真(通信电源威廉希尔官方网站
期刊怎么样)-电子设计工程 2015年1月
飞机高压直流电源系统的设计与仿真
2021-09-29 13:02:05
25
25专用于湿式电除尘器的恒流高压直流电源
专用于湿式电除尘器的恒流高压直流电源(电源威廉希尔官方网站
投稿)-专用于湿式电除尘器的恒流高压直流电源,有需要的可以参考!
2021-09-15 16:43:18
11
11中恒HVDC高压直流电源系统使用说明书
中恒HVDC高压直流电源系统使用说明书(电源威廉希尔官方网站
审稿费)-中恒HVDC高压直流电源系统使用说明书,有需要的可以参考!
2021-09-15 15:18:31
34
34高压直流电源如何检测设备绝缘性?
电气测试的主要目的是发现电气设备绝缘中的隐患,并在设备维护期间消除这些隐患,了解并掌握设备的绝缘,以确保高压电气设备安全可靠地运行。如何检测设备的绝缘性能,通常是采用的高压直流电源,高压设备的绝缘
2021-06-18 17:34:33
746
746
高压直流电源的变压器及整流部分的详细讲解
高压直流电源的主要威廉希尔官方网站
特征是输出电压非常高。高输出电压在许多方面提出了特殊要求,包括组件耐压要求,结构设计要求和绝缘材料要求。同时,电路结构也与常规结构不同。通常,对于10KV以下的电源,可以直接
2021-05-11 17:34:41
2522
2522
直流电源低频纹波产生原因
直流电源低频纹波主要表现在五个方面:输入低频纹波、高频纹波、寄生参数引起的共模纹波噪声、功率器件开关时产生的超高频谐振噪声、闭环调节控制引起的纹波噪声。
2021-05-06 17:18:24
2001
2001高压直流电源工作原理及设备参数详细介绍
,经过整流后,最终变成了高压直流电。但是,这种高压直流电源由于其低频,体积和重量较大而可能导致不稳定。一、工作原理高压直流电源产生很强的负电压,然后将其一部分连接到阴极,另一部分连接到阳极,然后在阴极和阳
2021-03-31 15:24:17
1748
1748
240v高压直流电源相对于传统电源有哪些优势?
240V高压直流电源威廉希尔官方网站
基于常规的220V电源,并利用了48V通信电源的各种优势。可行性已得到充分检查。在理论和实践研究中,240V直流电源威廉希尔官方网站
已变得非常流行,并继续替代了以UPS为主导的传统
2021-03-29 17:09:51
2693
2693
高压直流电源工作原理及设备参数详细介绍
高压直流电源,是由交流电或三相电流输入,然后输出数千伏特或数万伏特甚至更高的电压。输出功率可以达到几百瓦(以千瓦为单位)。一般来说比较稳定,我记得很久以前,高压直流电流从高压变压器的交流电变为
2021-03-22 10:13:27
942
942
TKDCW-II直流电源纹波测试仪的特征是什么
TKDCW-II直流电源纹波测试仪 型号:TKDCW-II 名称:直流电源纹波测试仪 直流纹波测试仪 直流电压纹波测试仪 纹波测试仪 纹波表 TKDCW-II直流纹波测试仪是为了测量每组充电机的纹波
2021-02-26 16:12:18
366
366高压直流电源系统不同于其他供电系统,体现在哪
高压直流电源系统不同于其他供电系统,体现在哪? 1、高压直流电源系统,可靠性大幅提升——应用高压直流供电威廉希尔官方网站
的主要目的就在于提升系统的安全性。 2、高压直流电源系统,效率大大提高——目前大量
2021-02-22 15:48:04
751
751高压直流电源的工作原理
高压直流电源又称直流高压电源,它是由交流市电或三相电输入,数千伏以上或数万伏以上直流电压输出的电源,输出功率数百瓦至数千瓦,一般可稳压或稳流。早先的直流高压电源是将交流市电或三相电由工频高压变压器
2021-01-04 16:06:37
18724
18724
高压直流电源其基本原理 高压直流电源主要功能
大功率高压直流稳压稳流电源由变压器降压、整流滤波、基准电源电路、基准电压电路、稳压、稳流比较放大电路、调整电路及稳流取样电路等组成。
2020-10-06 17:30:00
3985
3985
直流电源符号_直流电源品牌排行
直流电源是一种常用的电源类型,它是一种能量转换装置,它把其他形式的能量转换为电能供给电路,以维持电流的稳恒流动。现代很多电子产品也是采用了直流电源,直流电源的特性倍受人们关注,那么目前市场上直流电源品牌有哪些呢?
2020-08-19 15:24:56
21886
21886ups和高压直流的区别
高压直流电源是由交流市电或三相电输入,数千伏以上或数万伏以上直流电压输出的电源,输出功率数百瓦至数千瓦,一般可稳压或稳流。其特点是体积小、重量轻、效率高、功率大、纹波小、储能低和高稳定度、高可靠性。为了满足不同使用的要求,有些直流高压电源制成稳压稳流自动转换的形式。
2019-06-20 15:10:41
6650
6650直流电源是什么意思
直流电源,是维持电路中形成稳恒电压电流的装置。如干电池、蓄电池、直流发电机等。直流电源有正、负两个电极,正极的电位高,负极的电位低,当两个电极与电路连通后,能够使电路两端之间维持恒定的电位差,从而在外电路
2018-12-20 15:24:29
31439
31439ECRH高压直流电源设计
高压直流电源是ECRH (Electron Cyclotron Resonance Heating)系统最重要的组成部分之一,其工作的稳定性与可靠性直接影响整个系统的运行。本文介绍了一种ECRH高压直流电源
2018-03-19 16:33:08
1
1直流电源的测试与规范
本文主要介绍了直流电源的测试与规范。直流电源有正、负两个电极,正极的电位高,负极的电位低,当两个电极与电路连通后,能够使电路两端之间维持恒定的电位差,从而在外电路中形成由正极到负极的电流。直流电源
2018-03-06 10:09:57
24205
24205
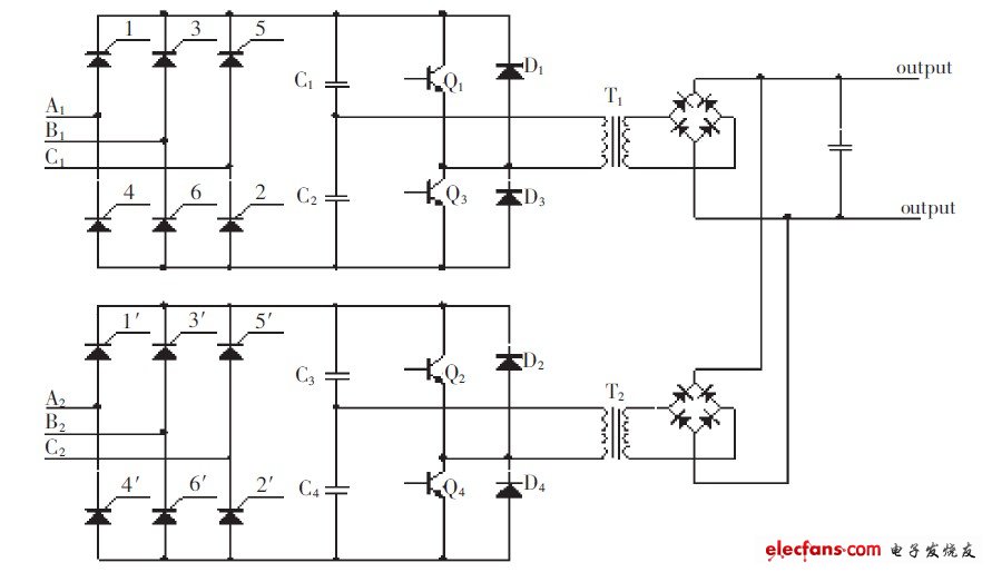
提出一种新型的低纹波高压直流电源电路结构的设计方案
研究提出了一种新型的低纹波高压直流电源电路结构,该电源采用电压互补的工作原理,将两路独立输出电压相同、相位相差90的半桥逆变电路并联后输出,使其输出电压并联互补,以达到减小直流输出电压脉动的目的。在
2017-12-03 20:23:01
3371
3371
飞机高压直流电源系统的设计与仿真
自从供电飞行开始,飞机供电要求稳定地增长,包括安装重量、体积、环境、可靠性、维修性、配电结构、效率和拥有成本等因素多年来在飞机的电气系统选择中占据各种不同的位置。低压直流电源是飞机最早采用的电源,它
2017-11-16 16:22:48
6
6艾德克斯新一代直流电源开创高压测试新境界
为了满足工程师对于高压测试仪器的迫切需求,给各电子领域的高压测试带来性能优良、功能齐备的电源产品,艾德克斯ITECH推出了电压高达600V的直流电源系列产品——IT6700H宽范围可编程高压直流电源系列。
2013-08-07 17:38:37
1516
1516高压直流电源将占据80%UPS市场份额
近日,中国电信启动了“2013年240V直流电源设备采购”招标,本次采购设备将用于中国电信集团、股份公司及其下属子公司2013年的各项工程。如今,高压直流电源成逐步取代传统UPS成为主流,其在数据业务领域更是大势所趋。
2013-08-02 16:38:15
2611
2611高稳定度低纹波直流电源设计
设计制作了一款基于LT1083/LT1033 系列大功率低压差三端稳压芯片的高稳定度低纹波直流电源,介绍了降压、整流滤波、线性稳压、LC 低通滤波等主要构成模块。测试结果表明,本电源具有
2012-02-19 12:47:28
6276
6276
可输出高电压的直流电源电路
该电路通常用12V直流电源产生约600V的高电压直流电源。此电路易于制作,原理简单,因而常用于电子电路的实验中或者是用于绝缘检测。
2011-07-27 12:05:56
1938
1938
便携式绝缘电阻测试仪用高压直流电源设计
便携式绝缘电阻测试仪用高压直流电源设计
当直流电压作用于绝缘物上时,所产生的电流是由充电电流、吸收电流和泄漏电流三部分组成的,其中充电电流及吸收电流随时
2010-04-12 18:11:20
104
104一种120kV电子束焊机用的高压直流电源装置
一种120kV电子束焊机用的高压直流电源装置
摘要:介绍了双金属锯带电子束焊机用的高压直流电源装置的威廉希尔官方网站
要求,结合电子束焊机用高
2009-07-17 09:47:05
1433
1433
电子束焊机高压直流电源设计
介绍了电子束焊机用高压直流电源装置的威廉希尔官方网站
要求,结合电子束焊机用高压电源的特点,提出了一种真空管直接调整式高压直流电源装置的设计方案,介绍了该电源的主电路结构
2009-03-07 10:12:48
138
138直流电源使用的新概念: 低纹波且操作方便的数字直流电源
直流电源使用的新概念: 低纹波且操作方便的数字直流电源
直流稳压源(DC Power Supply)一般分成线性电源及开关电源,线性电源因受变压器
2008-11-26 18:44:18
1331
1331
直流电源和稳压电源的区别
直流电源和稳压电源的区别
直流电源是输出直流电的,直流电是指电流方向不随时间而变化的电流,注意是方向不变化,比如:干电池就是一个直流电源 稳压电源是指随输
2008-01-08 19:31:20
1010
1010
电子发烧友App











评论