
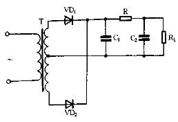
HG滤波电路图
电子发烧友App
硬声App
完善资料让更多小伙伴认识你,还能领取20积分哦,立即完善>
电子发烧友网>电子威廉希尔官方网站 应用>电路原理图>电源>保护电路图>HG滤波电路图
相关推荐
310
255
310362
298480
403448
37379
4610
评论