保护负载时,任何输入电压、输出电流超过阈值。超温保护(OTP)功能监控芯片温度以保护设备。PW2601还可以保护系统的电池充电过度持续监控电池电压。设备像线性稳压器一样工作,保持5.1V输出,输入电压
2021-01-27 15:51:08
过热保护电路 过温保护电路 轴温
长期连续运转的机电设备都离不开轴承、轴瓦。因轴温过热引起的故障时有发生。采用轴温过热保护电路
2008-04-24 12:45:58
1600 
过温保护电路没有想象中那么复杂,可以通过使用热敏电路和其他分立器件来设计。
2023-06-05 09:51:41
665 
电路保护主要有三种形式:过压保护、过流保护和过温保护。选择适当的电路保护器件是实现高效、可靠的电路保护设计之关键的第一步
2012-02-15 15:59:00
7120 
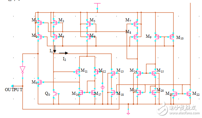
一种BICMOS过温保护电路
摘 要: 提出了一种用于集成电路内部的过温保护电路,采用0.8umBICMOS工艺的HSPICE仿真结果表明,此电路对因工艺参数或电压变化而引起
2010-04-29 14:24:15
32 提出了一种新型的双稳态过温保护电路及其雪崩式工作模式。从理论上对雪崩式状态转变及滞回的产生机理作了深入的分析。与传统过温保护电路相比,该工作模式使转换速度提
2008-12-14 10:59:58
32 电磁炉在放置锅具状态下长时间干烧而损坏,甚至发生火灾事故,电磁炉中也必须设置过温保护电路。过温保护电路信号同时还是电磁炉实现保温等智能功能的反馈信号。
2017-11-09 10:30:26
21613 
摘要:在分析现有过温保护电路的基础上,针对它们电路结构复杂、功耗较高、工作电压高等缺点提出了一种用于集成电路内部的采用BiCMOS工艺的过温保护电路,电路结构简单、功
2010-05-13 08:47:18
34 在功率应用中很多时候我们也需要进行温度检测,尤其是在电源IC中一般都有内部OTP过温保护电路,OTP电路的设计就是利用温感器件,如热敏电阻等,PN结的温度特性也是经常用来进行温度检测的方式,IC内部设计也用PN结进行温漂的补偿。
2022-10-05 13:12:00
1509 调整基于 NCP1250 的适配器中的过温保护跳变点
2022-11-15 20:27:30
0 文中将介绍一种可用标准CMOS工艺实现的过温保护电路。在电路设计上,使用了与温度成正比的电流源(PTAT电流)和具有负温度系数的PNP管(CMOS 工艺中寄生)结电压作为两路差动的感温
2012-11-12 15:10:07
3821 电子发烧友网站提供《使用LM35和ATtiny13的PWM冷却风扇控制和过温保护.zip》资料免费下载
2022-08-02 09:48:44
7 电子发烧友网为你提供常用过流、过压、过温保护电路之选型技巧资料下载的电子资料下载,更有其他相关的电路图、源代码、课件教程、中文资料、英文资料、参考设计、用户指南、解决方案等资料,希望可以帮助到广大的电子工程师们。
2021-04-18 08:48:57
68 电路保护主要是保护电子电路中的元器件在受到过压、过流、浪涌、电磁干扰等情况下不受损坏,随着科学威廉希尔官方网站
的发展,电力/电子产品日益多样化、复杂化,所应用的电路保护元件己非昔日的简单的玻璃管保险丝,通常保护器件有压敏电阻、TVS、气体放电管等。
2017-10-24 15:04:27
12818 
介绍了一种低温漂的BiCMOS带隙基准电压源及过温保护电路。采用Brokaw带隙基准核结构,通过二阶曲率补偿威廉希尔官方网站
,设计的热滞回差很好地防止了热振荡现象。
2017-09-07 20:15:25
23 可用于音频功放的过温保护电路设计
在集成电路芯片工作的过程中,不可避免地会有功率损耗,而这些功率损耗中的绝大部分将转换成热能散出。在环境过高、短
2009-11-27 17:45:08
1410 
电子保险丝作为过流保护芯片,可以为电路保护提供可靠稳定的保护,具有故障保护以及自恢复的不限次数保护功能,集成过压、过流、过温等多功能可以简化电子工程师电路设计,对于高可靠小尺寸封装要求的应用尤其适用。
2022-09-13 11:06:38
1920 鉴于电源电路存在一些不稳定因素,而设计用来防止此类不稳定因素影响电路效果的回路称作保护电路。在各类电子产品中,保护电路比比皆是,例如:过流保护、过压保护、过热保护、空载保护、短路保护等等,本文就整理了一些常见的保护电路。
2022-11-15 09:32:13
3848 过流、超温检测电路
过流、超温检测电路的核心是由电压比较器LM393(U403A)构成的施密特触发器(图3).在该电路中,锗开关二极管D437-D440构成了1个或门,A、B、C三
2010-01-09 21:19:50
5819 
过压欠压保护电路是为了保护电子系统不被高压损坏和在欠压时及时关断避免异常工作。基本方式还是利用晶体管的开关来实现控制,或者使用相应的钳位器件,也有类似KF2030的集成保护器件。
2022-09-02 14:11:07
1089 通常情况下,智能电量管理锂电池保护板设计由电量管理芯片和保护芯片或两者集成的芯片、场效应管和外围阻容器件、保险丝或PTC等组成;其中保护芯片一般作为一级保护使用,如过充保护、过放保护、过温保护、过流
2021-02-15 10:21:00
2869 本文将分享过流保护电路、过流保护电路原理、过流保护电路制作、过流保护电路比较器以及过流保护电路继电器。
2023-02-11 09:58:39
3194 过压保护是指被保护线路电压超过预定的最大值时,使电源断开或使受控设备电压降低的一种保护方式。下面我们就来看看过压保护与过流保护之间的区别。
2017-12-04 17:06:44
90212 
Bourns重塑过压保护
2023-01-13 11:17:00
407 具有高开关速度和过温保护功能的MOSFET驱动器
日前,Analog Devices, Inc.最新推出新型高速 18V MOSFET 驱动器系列,该系列产品可提供2A 和4A 的峰值电流。该系列产品具有14
2009-12-03 10:03:51
980 本内容介绍了过压保护_什么叫过压保护,希望对学习过压保护和过压保护器的工程师朋友能起到一定的作用
2012-02-02 17:01:59
6621 CL2800A 是一种过压保护(OVP)和过流保护(OCP)装置。该设备将关闭内部 MOSFET 以断开 VIN 至流过的任何超过阀值的电压及电流。 CL2800A 还具备内部过温保护(OTP)功能,具备检测芯片温度来保护设备。
2022-10-17 15:27:40
1739 模块过流保护怎么处理 模块过流保护,是指在电路中,当电流超出模块所能承受的最大电流时,系统会自动切断电源,以防止过大电流对系统造成破坏,保护系统的正常运行。在工业自动化、电力电子、通信等领域,模块
2023-09-13 11:17:41
361 本文首先介绍了过流保护的动作原理,其次介绍了定时限过流保护的概念及动作原理,最后介绍了反时限过流保护动作原理。
2018-08-21 16:54:18
22450 过流保护(过流保护)是电流超过预定最大值时的电流保护装置动作。当流过受保护原件的电流超过预设值时,保护装置被激活,定时用于确保动作的选择性,使断路器跳闸或发出报警信号。
2023-06-30 11:14:05
3671 
10个过流保护电路:数控开关电源过流保护电路图,IGBT过流保护电路,长虹NC-3机芯场过流保护电路,sg3525过流保护电路等
2012-03-19 16:21:54
37034 过载保护和过负荷保护之间没有区别的,主要是针对输出(负载)而言。
2022-08-26 17:34:10
8934 本文主要阐述了过压保护器原理及过压保护器用途。
2020-02-25 08:47:13
9014 电气过压保护的类型
2022-11-14 21:08:05
0 本文首先介绍了过流保护的概念,其次阐述了过流保护原则,最后介绍了过流保护整定值的计算案例。
2018-08-21 17:12:42
53443 LTC4361演示电路-过压和过流保护
2021-04-10 10:19:27
21 过流保护电路原理
本电路适用于直流供电过流保护,如各种电池供电的场合。 如果负载电流超过预设值,该电子保险将断开直流负载。重置
2009-12-24 10:21:09
5263 
电子镇流器过压、过流保护电路图
2009-06-11 10:58:02
1394 
市电过压、过流保护电路图
2009-05-06 14:02:07
1254 
逆变器电源中过压保护是指被保护线路电压超过预定的最大值时,使电源断开或使受控设备电压降低的一种保护方式。当被保护线路的电源电压高于一定数值时,保护器切断该线路;当电源电压恢复到正常范围时,保护器自动
2022-11-26 09:46:53
718 
过压保护电路的作用是:若开关电源内部稳压环路出现故障或者由于用户操作不当引起输出电压超过设计阈值时,为保护后级用电设备防止损坏,将输出电压限定在安全值范围内。本篇博文将从省钱省心的TVS管和可靠高效电路设计两个方法介绍如何快速设计过压保护电路。
2021-11-06 16:21:01
50 过流保护电路
过流保护用PTC热敏电阻是一种对异常温度及异常电流自动保护、自动恢复的保护元件,俗称"自复保险丝""万次保险丝"。它取代传
2008-04-24 15:09:14
5222 
过欠压保护器的选择 自复式过欠压保护器怎么选 过欠压保护器是集线路过电压、欠电压保护功能和线路正常电压自动延时复位功能的保护器产品。过欠压保护器是一种电气保护装置,用于保护设备在电力系统中运行时不会
2023-07-17 18:30:48
1017 电子发烧友网站提供《保护板7.4V锂电池过充过放保护.zip》资料免费下载
2022-07-27 10:27:37
14 LTC4361演示电路-过压和过流保护
2021-06-08 14:54:34
11 撬杆过压保护电路
图 撬杆过压保护电路
2009-07-20 15:54:33
1030 
IGBT保护的问题 现在只总结IGBT驱动电路和驱动芯片能保护到的IGBT的项。1.Vce过压2.Vge过压3.短路保护4.过高的di/dt 主要是看一下短路保护和过流保护短路的定义1.桥臂内短路
2023-02-23 09:57:00
12 先说结论:过流保护作用很大,主要是为了短路保护。过流保护分为充电保护和放电保护,短路保护。当我们使用的保护板芯片本身就有采集的功能,一旦发现采集电路上的电流过大就会进行一个保护。雄狮保护板解剖图
2022-06-09 09:10:20
2089 
撬杆式过压保护电路
图 撬杆式过压保护电路过压保护电路的典型应用形
2009-07-20 15:53:10
1232 
本文主要介绍了电池过流保护片工作原理及电池过流保护片的优点。
2020-07-31 09:54:43
4921 在开关电源芯片中,温度是一个非常关键的性能指标。这是因为芯片中往往集成了高电压和大电流的功率开关电路,会产生很大的功耗。而随着功耗的增加,芯片的温度变化也会较大。过高的温升将会导致对温度敏感的半导体器件(M0S管、三极管)
2017-10-24 15:40:02
7849 
评论