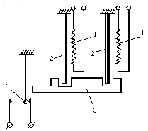
热继电器底子构造由热元件、触头体系、动作安排、复位按钮、整定电流设备和温度抵偿元件等有些构成。如右图所示是JR15系列热继电器构造原理图。
2020-09-24 14:19:10
14757 
本文主要介绍了热继电器的选择方法,热继电器的安装以及热继电器的日常维护。
2019-08-13 11:50:25
1652 本文以热继电器为中心,主要介绍了热继电器的工作原理、热继电器参数结构与选型方法,更详细的说明了热继电器什么时候使用,且热继电器的安装方法等。
2017-12-19 10:44:27
37648 固态继电器的结构原理图
固态继电器(SOLIDSTATE RELAYS),简写成“SSR”,是一种全
2009-03-25 09:43:36
6481 
八路继电器驱动原理图 (protel PCB)[hide][/hide]
2009-05-27 09:50:07
本文主要了介绍了热继电器的组成结构与选择方法,其次详细的说明了施耐德热继电器选型表、施耐德热继电器型号及价格。
2017-12-19 11:19:30
23263 本文主要介绍了热继电器的威廉希尔官方网站
参数,热继电器的作用以及热继电器的威廉希尔官方网站
数据。
2019-08-13 11:37:44
9445 本文首先介绍了热继电器是什么,然后解释了热继电器的工作原理,最后分析了热继电器的组成结构。
2019-08-13 11:32:13
3138 本文首先阐述了热继电器的保护特性,其次介绍了热继电器的留个基本性能,最后介绍了热继电器选用的基本要求。
2020-03-13 09:34:24
14249 SK32继电器原理图
2009-11-27 11:13:26
16 热继电器便是运用电流的热效应作业的维护电器,在电气操控线路中首要用于电动机的过载维护。热继电器依据过载电流的巨细主动调整动作时间,过载电流大,热继电器动作时间较短;过载电流小,热继电器动作时间较长;而在正常额外电流时,热继电器长时间坚持无动作。
2020-09-25 10:31:31
4239 
本文首先阐述了热继电器跳闸的复位方式,其次介绍了热继电器跳闸的原因,最后介绍了热继电器使用注意事项。
2020-03-12 13:50:49
41430 01基本特性 这三个热继电器的标称温度值分别是:60°,75°,85°。▲ 三个热继电器 在常温下,这三种温度继电器(开关)都是常闭。 02加热测试 热用热风枪加热热开关。热开关断开。当
2023-04-28 11:08:08
0
继电器驱动器原理图
2009-03-30 08:37:14
860 
一、热继电器的型号及含义 1、JR0 、JR1、JR2 和 JR15 系列的热继电器均为两相结构,是双热元件的热继电器。 2、JR16 和 JR20 系列的热继电器均带断相保护,具有差动式断相保护
2023-10-10 09:54:30
180 
热继电器电流如何调 热继电器作为一种用于控制电流负载的保护性设备,常用于机器、电器和工业生产中。热继电器的作用是通过感应电流中的物理参数,如温度、电压和电流等参数来控制电路的开关,以保护电器设备不受
2023-08-27 16:49:37
783 本文首先介绍了热继电器的作用,其次介绍了热继电器结构,最后阐述了热继电器选择方法。
2019-06-24 15:15:56
7375 热继电器是利用电流通过发热元件产生的热量,使检测元件受热弯曲,推动执行机构动作的电器,主要用于三相电动机的过载保护、断相保护或三相电流不平衡及其他电气设备发热状态的控制。由于热继电器中的发热元件有热
2023-09-14 10:36:12
783 
热继电器主要用在电气设备上,避免其发生烧毁现象。热继电器由电热丝、导板、弹簧等组成。一旦电流过大,热继电器内的触点就会发生相应的闭合动作,起到长期保护作用。但热继电器无法保护瞬间电路负荷或短路情况。
2023-10-18 09:38:07
82 I/O继电器内部结构原理图
I/O继电器
适用负载
2010-03-02 10:07:31
1737 一、热继电器误动作 1、 热继电器电流整定值与被保护设备额定电流值不符 按被保护设备额定电流值,合理整定热继电器。如热继电器额定电流值不符合要求,应进行更换。 2、 所控制的电动机启动时间过长 按所
2023-09-22 11:43:22
317 本文首先介绍了热继电器铭牌参数及含义,其次介绍了热继电器的常用型号,最后介绍了热继电器常用规格型号表。
2020-03-13 09:17:28
32459 
此文件为PDF文件,是1路继电器模块的原理图。
2017-04-05 11:32:45
127 电子发烧友网站提供《大功率继电器原理图.zip》资料免费下载
2022-08-01 09:38:27
4 热继电器动作后,双金属片经过一段时间冷却,按下复位按钮即可复位。有些型号的热继电器还具有断相保护功能。热继电器的断相保护功能是由内、外推杆组成的差动放大机构提供的。
2019-08-19 09:19:03
2531 
1、如上面两幅图所示,热继电器分为一般分为两种,独立式和非独立式;
2、大部分情况下,热继电器都是配合交流接触器使用,放在交流接触器的后面,如下图所示左边为独立式热继电器,热继电器的输入
端接
2023-04-21 10:45:01
0 固体继电器/SSR 原理图
固体继电器(Solid State Relay SSR)是利用现代微电子威廉希尔官方网站
与电力电子威廉希尔官方网站
相结合而发展起来的一种新型无触点电子开关
2010-03-03 11:34:11
910 本文首先介绍了热继电器的蓝色按钮,其次阐述了热继电器的电流整定值的概念,最后介绍了热继电器整定电流的调整方法。
2020-03-12 14:16:23
8562 从热继电器的最小额定电流及调整范围来看,凡是三相交流异步电动机,都可以配置热继电器。热继电器主要保护对象是三相电机,它的作用是过载保护,也有部分热继电器还带有缺相保护。
2022-02-23 10:26:15
35043 
固态继电器内部结构原理图
适用负载
2010-03-02 10:11:15
5308 热继电器的作用是过载保护。熔断器的作用是过载、短路保护。因为热继电器内金属片加热需要几秒钟,而短路是瞬时的,所以热继电器不能做短路保护。
2018-01-25 17:50:31
46902 本文首先阐述了热继电器的功能,其次介绍了热继电器电流整定口诀,最后介绍了热继电器整定电流和复位方式调整方法。
2020-03-13 08:45:17
4872 本文首先介绍了热继电器的电气符号,其次介绍了热继电器的威廉希尔官方网站
参数,最后阐述了热继电器上h和a所代表的含义。
2020-03-12 14:05:09
70033 
延时接通继电器驱动电路原理图都是值得参考的设计。
2016-05-11 17:33:19
26 带继电器的双稳态电路原理图
2010-03-29 15:48:20
5732 
热继电器是利用流过继电器的电流所产生的热效应而反时限动作(即延时动作时间随通过电路的电流的增加而缩短)的继电器。主要用于电动机的过载保护,断相保护,电路不平衡运行的保护及其他电器设备发热状态的控制。热继电器的型号及含义如下.
2019-06-26 11:30:07
35992 
热继电器是一种应用于电动机及其它电气设备、线路过载保护的电气元件。热继电器利用电流的热效应原理,在出现电动机不能承受的过载时切断控制回路,为电动机提供过载保护的保护电器。
2020-01-21 16:20:00
18824 
热继电器的工作原理
热继电器是用于电动机或其它电气设备、电气线路的过载保护的保护电器。 电动机在实际运行中,如拖动生产机械进行
2008-07-16 10:07:16
2998 本文首先介绍了热继电器安装使用方法,其次介绍了热继电器使用中的两大注意事项,最后介绍了热继电器的日常维护。
2019-05-09 16:58:08
22891 热继电器在主电路中的连接方式一般串联在交流接触器的主触点出线端,热继电器的出线端直接串联三相电机的接线端子,热继电器的容量是要根据三相电机的功率进行选择的。
2020-02-16 07:30:00
24673 
热继电器是一种电力控制装置,它通过利用金属加热后发生热膨胀的特性使得机械接点开合,控制电路的通断,实现对电气设备的保护和控制。热继电器通常用于对负载电流进行过载、欠载保护,以及对电机起动和停止
2023-03-21 17:10:18
1994 本文首先阐述了热继电器的组成结构,其次分析了热继电器不动作或误动作原因分析。
2020-03-13 08:51:40
7710 
热继电器在电动机起动电流为6In时的返回时间tf与动作时间td之间有如下关系:tp=(0.5~0.7)×td,这个公式中,tf为热继电器动作后的返回时间,单位为s;td为热继电器的动作时间,单位为s。
2020-01-15 09:18:11
12392 
热继电器是一种传统的保护电动机的电器,它具有与电动机容许过载特性相同的反时限动作特性,主要用于三相交流电动机的过载保护与断相保护。从目前的情况来看,由于没有选择与使用好热继电器而引起电动机烧毁的事故
2019-06-26 11:26:10
10368 本文档的主要内容详细介绍的是声控继电器驱动电路原理图免费下载。
2021-03-19 17:27:06
28 热继电器主要保护对象是三相电机,它的作用是过载保护,也有部分热继电器还带有缺相保护。从原理上来分析,只要被保护对象(三相电机)的额定电流不超过热继电器电流调节范围,那么都可以配置热继电器。对于功率特别大的三相电机,还可以采用电流互感器和热继电器配合使用。
2020-01-01 15:56:00
13853 
怎样安装和使用热继电器? 1)热继电器必须按产品使用说明书的规定进行安装;当它与其他电器装在一起时,应将其装在其他电器的下方,以免其动作特性受到其他电器发热的影响; 2)热继电器的连接导线应符合规定
2023-08-18 09:41:58
144 过电流继电器是用于回路中电流跨过设定值时动作,热继电器通常用于电机的过载维护,避免电机过载;热继电器是用于电动机或其它电气设备、电气线路的过载维护的维护电器。
2020-03-22 15:11:00
9363 本文档的主要内容详细介绍的是继电器应用实例的实验原理图免费下载。
2021-03-31 16:03:42
54 本文主要介绍了2路继电器原理图。
2018-06-05 09:00:00
27 电子发烧友网站提供《热继电器简介与原理.doc》资料免费下载
2017-04-19 17:48:00
11 热继电器的合理选用技巧
热继电器有双金属片式、易熔合金式、热敏电阻式、热敏磁动式等多种,都是利用电流热效应原理制成
2009-12-08 09:42:40
1315 热继电器是保护电动机或其它电气设备、电气线路的过载保护电器, 主要用于过载、缺相及三相电流不平衡的保护。 热继电器的工作原理 当电动机正常运行时,热继电器的热元件不会产生使保护功能运动的热量,常闭触
2021-08-13 11:23:25
6635 热继电器是利用电流通过发热元件产生的热量,使检测原件受热弯曲,推动执行机构动作的电器,主要用于三相电动机的过载保护、断相保护或三相电流不平衡及其他电气设备发热状态的控制。由于热继电器中的发热元件有热
2023-10-10 09:53:07
409 
尽管市场上固态继电器型号规格繁多,但固态继电器工作原理基本上是相似的。主要由输入(控制)电路,驱动电路和输出(负载)电路三部分组成。下面通过两个固态继电器工作原理图来说明固态继电器工作原理。
2017-12-07 15:16:42
144429 
热继电器是在通过电流时依靠发热元件所产生的热量而动作的一种低压电器,主要用于电动机的过载保护及其它电气设备发热状态的控制,有些型号的热继电器还具有断相及电流不平衡运行的保护。
2023-04-04 11:12:02
1241 
热继电器是一种热保护元器件,通常用它来保护电动机回路的过电流。
2020-01-11 11:04:41
6642 热继电器基本结构由热元件、触头系统、动作机构、复位按钮、整定电流装置和温度补偿元件等部分组成。
2019-06-26 11:23:37
5482 原则上应使热继电器的安秒特性尽可能接近甚至重合电动机的过载特性,或者在电动机的过载特性之下,同时在电动机短时过载和启动的瞬间,热继电器应不受影响(不动作)。
2019-08-19 09:06:26
2397 本文档的主要内容详细介绍的是电流检测继电器驱动电路原理图免费下载。
2021-03-24 11:28:31
22 8路高触发继电器模块原理图,属于电磁兼容产品,具有良好的特性和使用能力。
2016-03-03 15:15:46
54 本内容讲述了DIY变频器的液位继电器原理,并给出了原理图,控制原理
2012-05-14 14:50:15
20792 
热继电器的选型要害如下:通常状况下,可选用两相构造的热继电器,但当三相电压的均衡性较差,作业环境恶劣或无人看守的电动机,宜选用三相构造的热继电器。关于三角形接线的电动机,应选用带断相维护设备的热继电器。
2020-09-24 10:23:42
3378 继电器控制电路模块设计及原理图
能直接带动继电器工作的CMOS集成块电路 在电子爱好者认识电路知识的的习惯中,总认为CMOS集成块本身不
2009-12-28 12:16:12
28663 
热继电器怎么选择呢?以下将为你一一解答 (1)类型选择 一般情况下,可选用两相结构的热继电器,但当三相电压的均衡性较差,工作环境恶劣或无人看管的电动机,宜选用三相结构
2012-11-28 14:26:34
7751 熔断器可以实现速断,而热继电器断开需要一定的时间(快的话都需要几秒时间),所以熔断器注意用于短路保护,热继电器用于过载保护。而且热继电器必须和接触器配合才能实现过载保护。
2019-11-02 04:43:00
8138 
HDJR热继电器校验仪是我公司根据DL/T623-1999规程及现场调试工作的需要与方便而设计。主要用于对各种热继电器及电动机保护装置进行检定、校验。HDJR热继电器校验仪具有大电流
2021-11-29 16:28:09
这里是延迟开启继电器驱动器的电路原理图。它能够以合理的精度产生长达几分钟的可调时间延迟。
2022-06-20 17:10:47
3458 
热继电器主要用来对异步电动机进行过载保护,他的工作原理是过载电流通过热元件后,使双金属片加热弯曲去推动动作机构来带动触点动作,从而将电动机控制电路断开实现电动机断电停车,起到过载保护的作用。鉴于
2019-06-26 11:11:22
19175 今天讲的是用的比较广泛的电器元件热继电器,我们该如何判断它的好坏呢,在控制电机中,我们经常用来保护电动机实现过载保护功能。
2020-01-11 11:01:36
4058 热继电器是一种保护电气设备的电器元件,主要用于监测电气设备的温度,当温度超过设定值时,热继电器将切断电路,防止设备因过热而损坏。热继电器的工作原理是过载电流通过热元件后,使双金属片加热弯曲去推动
2023-03-22 14:30:31
3918 对没有温度补偿的热继电器,应在热继电器和电动机两者环境温度差异不大的地方使用。对有温度补偿的热继电器,可用于热继电器与电动机两者环境温度有一定差异的地方,但应尽可能减少因环境温度变化带来的影响。
2019-08-19 09:22:42
2658 热继电器是利用电流的热效应来切断电路的保护电器。它在电路中作电动机的过载保护作用,在家用电器中。 热继电器工作原理: 热继电器在运行过程中,是通过热电阻片,电动机的电流一旦超过了设定的电流值,热
2021-08-11 17:16:39
35879 本文介绍时间继电器原理图及其作用,时间继电器是一种使用在较低的电压或较小电流的电路上,用来接通或切断较高电压、较大电流的电路的电气元件,时间继电器的作用是作为简单程序控制
2011-11-04 11:33:42
34553 热继电器的工作原理是基于电流的变化,当电流超过热继电器额定值时,热继电器的热元件将受热膨胀,使电磁铁吸引机械机构,使机构动作,从而断开电路,停止电动机的运行。因此,当电动机过载时,热继电器将起到保护电动机的作用,防止电动机过热损坏。
2023-03-22 14:10:14
1847 在电路中,过载是一种常见的问题,它可能会导致电路元件的损坏或电路的故障。为了避免这种情况的发生,可以使用热继电器进行过载保护。本文将介绍为何使用热继电器进行过载保护。
2023-09-27 17:14:02
619 热继电器是利用电流效应而动作的一种保护继电器,主要用于电机的过载保护。热继电器由双金属片、加热元件、动作机构和触点系统等部分组成。双金属片是用两层膨胀系数相差较大的金属片,焊在一起做成的。
2019-06-24 15:29:30
5029 AMNJ热释电传感器带继电器电路图
2010-04-02 17:07:41
3573 
光耦隔离开关继电器模块设计包含原理图及PCB文件
2023-05-25 15:41:55
2 热继电器的安装方向很容易被人忽视。热继电器是电流通过发热元件发热,推动双金属片动作。热量的传递有对流、辐射和传导三种方式。其中对流具有方向性,热量自下向上传输。
2021-09-21 15:56:00
2786 热继电器是一种电力控制装置,它通过利用金属加热后发生热膨胀的特性使得机械接点开合,控制电路的通断,实现对电气设备的保护和控制。热继电器通常用于对负载电流进行过载、欠载保护,以及对电机起动和停止
2023-03-22 15:25:30
1761 电流检测继电器驱动电路原理图下载。
2021-04-09 11:22:05
87 热继电器首要用于电动机的过载维护,运用中应思考电动机的作业环境、主张状况、负载性质等要素,详细应按以下几个方面来挑选。
2020-09-28 14:28:29
1009 
本文主要阐述了固态继电器原理图及作用。固态继电器是用半导体器件代替传统电接点作为切换装置的具有继电器特性的无触点开关器件,单相SSR为四端有源器件,其中两个输入控制端,两个输出端,输入输出间为光隔离,输入端加上直流或脉冲信号到一定电流值后,输出端就能从断态转变成通态。
2019-10-31 10:20:02
23679 
基地继电器:基地继电器是用于继电维护与主动操控体系中,以添加触点的数量及容量。在操控电路中传递基地信号,正本基地继电器的构造和原理与沟通触摸器根柢一样,仅仅基地继电器触头只能经过小电流。
2020-09-10 09:57:02
2234 
本文主要介绍了汽车大灯继电器的详细接法以及原理图分析。大灯插座上的三根线分别是搭铁,近光,远光的火线,用一个继电器是无法控制远近光的,最少用两个,分别控制远光和近光。
2018-01-27 14:51:32
189398 
本文主要详细介绍了热继电器的品牌,分别是施耐德schneider、正泰chint、abb、三友、西门子siemens以及松下panasonic。
2018-10-17 17:41:02
15365 直流电磁继电器的工作原理与接触器的工作原理基本相同,下面我通过一个继电器的电路图和朋友们聊聊它的工作原理吧!直流24V继电器的外观如下图所示的那样。
2020-01-26 15:24:00
19625 
热继电器是利用流过继电器电流的热效应对电动机实行长期保护的电器,下图是一个三极热继电器小伙伴们先认识一下吧,它的外部有三个输入端子,三个输出端子,一对常开,一对常闭,一个复位按钮,一个电流整定旋钮。(如果是两极的有两个输入端子,两个输出端子)。
2020-06-28 16:59:51
7915 热继电器的整定电流是指热继电器长期不动作的电流。整定电流的大小可以通过电流调节装置来调整。通常,在更换完热继电器以后,一定要进行整定值电流的调节和复位方式的设置。
2020-10-03 18:06:00
14817
评论