|
射极跟随器 |
| 射极跟随器(又称射极输出器,简称射随器或跟随器)是一种共集接法的电路见下图,它从基极输入信号,从射极输出信号。它具有高输入阻抗、低输出阻抗、输入信号与输出信号相位相同的特点 |
![]() |
|
一、射随器的主要指标及其计算 |
|
一、输入阻抗 |
| 二、射随器的实用电路 |
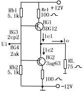
| 下图是高频放大器使用的一种电路,由同轴电缆把信号输出,电缆的特性阻抗一般为50欧或70欧,所以要通过跟随器BG2实现阻抗变换。 |
![]() |
|
图2是一种自举式的跟随器,它的特点是: |
![]() |
| 图3是串接式的跟随器,其特点是:(1)类似图2一样,R4两端交流电压具有自举作用;(2)BG2采用共基接法,使Ic2具有恒流作用,A、B两点交流阻抗RAB大大也提高,从而提高了跟随器的输入阻抗。 |
![]() |
| 图4是互补式的跟随器,电路的特点是:(1)由于两只三极管轮流供给负载电流,所以每只管的功耗只为输出功率的(12-20)%左右,效率较高;(2)两只三极管都从射极输出,其输出阻抗基本上一样,所以输出波形正、负半波对称;(3)由于输入信号通过BG3或BG4耦合至三极管的基极,所以,对交、直流信号都可跟随。其跟随范围约为±5伏 |
![]() |
电子发烧友App































































评论