单片机内部的各种寄存器和模块的状态,确保单片机从一个规定的状态开始工作,避免出现错误操作。 单片机的复位电路通常被分为内部复位电路和外部复位电路。 内部复位电路是单片机芯片内部的电路,主要是通过控制芯片内部电源来
2023-10-17 18:17:14
358 MCU复位电路知多少?
2023-10-17 18:02:08
91 
本文探讨一个奇怪的 MCU NRST 管脚异常复位现象。
2023-09-05 10:38:15
276 
串联电路中用电器越多电流会怎么样 串联电路中,用电器越多会导致电路金属导线中的电流密度增大,导致电阻升高,电路的工作电压下降,从而导致用电器的工作效率降低。这是因为串联电路所有电器接在一起,按照
2023-09-01 16:48:54
503 一般来说,单片机复位电路主要有四种类型:微分型复位电路 、 积分型复位电路 、 比较器型复位电路 和 看门狗型复位电路 。接下来小宇老师就拿出相对简单的微分和积分型电路进行讲解,让读者朋友们能有一个直观的感受。
2023-09-01 09:14:36
311 
复位信号在数字电路里面的重要性仅次于时钟信号。对一个芯片来说,复位的主要目的是使芯片电路进入一个已知的,确定的状态。
2023-08-27 10:18:51
775 
只要是MCU就肯定会用到复位,因此每次设计电路,都少不了单片机复位电路,刚开始看到这个电路,因为电子知识很薄弱,有点看不懂,一直在想不是电容不能通直流电么,这玩意原理到底是什么?带着这个疑问下面给大家介绍下常用的MCU复位电路。
2023-07-05 11:29:57
435 
单片机最小系统中复位电路属于必不可少的部分。数字电路中只有高低电平两个状态,电路刚上电或者电路不能正常工作时,需要复位电路使电路进入回到初始化的状态。由下图可以看出复位可以分为系统复位,外部复位和看门狗复位。
2023-06-22 09:02:00
417 
复位电路是一种用来使电路恢复到起始状态的电路设计。为确保嵌入式系统中电路稳定可靠工作,复位电路是必不可少的一部分,复位电路的第一功能是上电复位。复位电路最简单的只有电阻和电容组合,复杂就有专门的芯片等配合程序来进行了。
2023-05-25 16:57:21
1024 
有人说FPGA不需要上电复位电路,因为内部自带上电复位信号。也有人说FPGA最好加一个上电复位电路,保证程序能够正常地执行。不管是什么样的结果,这里先把一些常用的FPGA复位电路例举出来,以作公示。
2023-05-25 15:50:45
1248 
我们在数字电路设计时,为了使系统在上电后处于 **已知的确定状态** ,常使用复位电路来实现这一目的。复位是数字逻辑电路所必须的,无论是最简单的数字时序逻辑门电路,还是复杂的 MCU、ARM、DSP
2023-05-25 14:48:07
1296 
我们现在讲的“复位”,其作用就是通过相关电路产生“复位信号”让单片机能在上电后或者运行中恢复到默认的起始状态。** “复位”动作之后单片机会产生一系列的重置操作,例如I/O口默认的模式和状态、相关
2023-05-25 14:44:22
453 
单片机编程,C语言简单,明白,汇编运行快点,不过这个优势应该越来越弱了,以后学汇编还有用吗?能适用什么样的场合啊?
2012-08-25 22:42:00
6. 复位要求和复位电路 Arm Cortex -M23产品共有12或13种类型的复位。 表11. Arm Cortex -M23 MCU复位 注:RA2E1及RA2E2产品不支持。 6.1 引脚
2023-04-03 15:30:04
318 近年来,中国在集成电路领域取得了优异的成绩,也因此涌现出许多优秀的国产芯片。目前,虽然国产芯片与国外ic芯片相比还有很大差距,但在低端ic芯片领域已经实现了自给自足。接下来,我们将从消费级MCU
2023-03-20 18:06:07
861 有人说FPGA不需要上电复位电路,因为内部自带上电复位信号。也有人说FPGA最好加一个上电复位电路,保证程序能够正常地执行。不管是什么样的结果,这里先把一些常用的FPGA复位电路例举出来,以作公示。
2023-03-13 10:29:49
1063 定义:一般单片机里面都会有复位电路,比较熟悉的有上电复位和手动复位,具体这两个复位用下面这个电路就解决了。一般复位电平为低电平有效,高电平无效。一般对于整个系统来讲,刚开始时候也就是系统上电的情况下
2023-03-01 14:31:09
704 
旺哥平时在工作中和MCU打交道的时间非常多,但是大家知道只要是MCU就肯定会用到复位,因此每次设计电路,都少不了单片机复位电路,刚开始看到这个电路,因为电子知识很薄弱,有点看不懂,一直在想不是电容不能通直流电么,这玩意原理到底是什么?带着这个疑问下面给大家介绍下常用的MCU复位电路。
2023-02-27 16:52:52
877 
这篇文章,主要讲的是跟MCU工作电压有关的复位,
2022-09-28 10:54:04
2262 详解MCU外围复位电路原理以及器件选型计算
2022-04-13 21:16:14
12225 
我们在从事MCU应用开发过程中,难免会碰到MCU芯片异常的问题。比如异常复位,表现为复位脚有电平跳变或者干脆处于复位电平;在做代码调试跟踪时,发现代码往往进不到用户main()程序;或者时不时感觉芯片死掉了,功能完全不可控等。
2022-02-10 09:59:10
1 引脚内部是有上拉电阻的。只有在认为上拉电流不足情况下才有必要外接上拉电阻。因此,rst电路仅保留一个104电容是可行的。我设计的电路中删掉10k上拉电阻后,芯片也可以正常启动、烧写、复位并...
2021-12-24 19:24:13
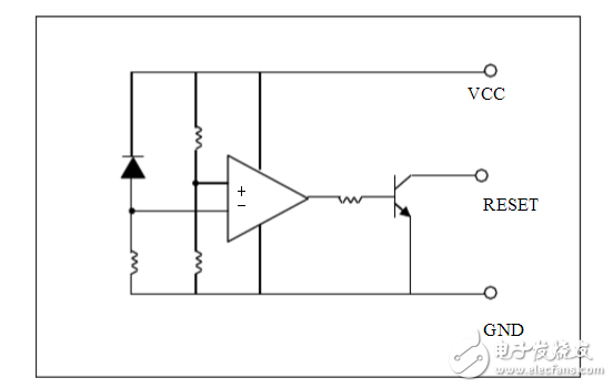
11 复位芯片内含阈值电压精确抗干扰能力强的施密特触发器,当系统一上电或电源电压跌落到规定值时,复位芯片输出一个低电平复位信号,当电压升高到规定值以上时,复位芯片输出高阻态。
2021-12-20 11:15:30
16243 芯片是集成电路,它是一种微型电子期间或部件,很多人都好奇它是什么样的?接下来一起了解下:
2021-12-13 17:29:52
33943 初学51单片机,可能不太理解复位电路,复位电路有高电平和低电平两种,C51是高电平复位,现在一般的MCU都是低电平复位。
2021-12-08 11:51:04
15 输入复位是重启MCU最有效的方式了。2.上电复位 (LVD)我们发现MCU不接外部复位电路,也能正常启动起来,这就是上电复位在发挥作用。如下图,当电源电压达到POR释放电压后,MCU开始内部初始化,一定时...
2021-12-05 10:36:06
6 ,MCU电源电压跌落到2.5V以下,正常GD的大部分产品供电范围是2.6V~3.6V之间,低于2.6V会造成硬件复位。客户使用的5V转3.3V的LDO电压转换芯片电流过小,且电路中无大电容蓄流,导致...
2021-11-18 16:36:01
3 常用单片机的reset引脚是由轻触按键及上拉电阻、消抖电容组成的复位电路,这种电路适合用在产品验证阶段,但如果是便携式成品电路,不可能单独流出个按键做reset使用,那就需要使用自动复位了。而
2021-11-16 10:51:05
9 目录1 RC复位电路1.1低电平复位1.2高电平复位2 MAX809复位电路,就是利用它把电路恢复到起始状态。就像计算器的清零按钮的作用一样,以便回到原始状态,重新进行计算。和计算器清零按钮有所不同
2021-11-06 20:21:01
30 。在数字电路设计中,设计人员一般把全局复位作为一个外部引脚来实现,在加电的时候初始化设计。全局复位引脚与任何其它输入引脚类似,对 FPGA 来说往往是异步的。设计人员可以使用这个信号在 FPGA 内部对自己的设计进行异步或者同步复位。常见的复位方式有三种1、硬件开关:复位信号接一个拨码开关或按键,.
2021-11-06 09:20:57
18 复位芯片在MCU电路中的作用是什么前不久有朋友大概问了这么一个问题:博主,在复杂的环境下,干扰有点大,有必要外接一个复位IC吗?1写在前面我们都知道在复杂环境,比如一些工厂,特别是在有大型机
2021-11-05 21:05:58
18 MCU中复位的作用及机制复位电路的作用在上电或复位过程中,控制CPU的复位状态:这段时间内让CPU保持复位状态,而不是一上电或刚复位完毕就工作,防止CPU发出错误的指令、执行错误操作,也可以提高
2021-11-01 16:25:56
9 MCU上电就能复位?
2021-10-26 10:06:03
13 产品在设计中某些状态下需要MCU进行复位,华大MCU包含了7个复位信号来源,每个复位信号都可以让 CPU 重新运行,绝大多数寄存器会被复位到复位值,程序计数器 PC 会被复位指向 00000000。
2021-10-12 11:24:40
1508 复位电路是一个能让电路回到原本状态的设备,复位电路的操作原理可以说和计算机差不多,不过启动的方式和手段不一样。复位电路让电路回到最开始的状态,就想计算器里的清零键,回到最开始的状态,重新计算
2021-08-07 10:53:39
24933 有客户在产品的设计中,使用外部IC的GPIO通过连接NRST引脚来对STM32MCU进行复位控制时,会遇到以下问题:IC可以对MCU进行复位控制,但是芯片内部的复位信号(如看门狗等)不能对MCU进行复位,甚至影响引脚功能
2021-04-28 15:16:41
19 在调试MCU时,经常会遇到复位的情况。要找到复位的原因,我们就需要了解到有哪些因素会导致MCU复位。
2020-11-10 16:32:11
7760 
在嵌入式系统硬件电路设计的时候,为了保证系统的可靠性很多人会为MCU 最小系统添加一个外部复位芯片或者硬件看门狗, 他们都有一个共同点, 就是与MCU的接口是Reset复位管脚, 他们的作用是保证
2020-05-08 17:29:01
3 小家电芯片都有一个最低工作电压(比如1.8V),当电源电压跌落到低于MCU所要求的最低值时,MCU工作可能发生混乱,造成程序跑飞,引起整机死机、误动作等现象。 所以这时候就需要一个复位芯片做辅助
2019-01-10 13:43:41
5575 我们在从事MCU应用开发过程中,难免会碰到MCU芯片异常的问题。比如异常复位,表现为复位脚有电平跳变或者干脆处于复位电平;在做代码调试跟踪时,发现代码往往进不到用户main()程序;或者时不时感觉芯片死掉了,功能完全不可控等。
2018-08-28 16:49:46
12228 时间进入2018年,备受关注的大小公司都将正式推出自研AI芯片。这些芯片也都被业界寄予厚望,是否能解决或者部分解决终端计算难题?什么样的芯片才能够真正适应终端智能的需求?
2018-01-25 09:32:24
3146 在有关单片机电路中,最小系统包括有 RC 上电自动复位电路。 RC 上电自动复位电路(以下简称 RC 电路),顾名思义就是在系统上电的时候自动给 RST 脚一下有效的高电平或低电平使 MCU 复位
2017-11-28 11:35:53
78188 
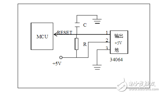
微处理器多功能复位管理芯片 以UM706 为例,这是一款微处理器多功能复位管理芯片,集看门狗定时器、按键复位、上电/掉电复位、电压跌落预警等多种功能于一身,内置抗干扰电路,性能稳定可靠,适合对可靠性要求高的应用场合。
2017-10-27 15:19:50
10 我们在从事MCU应用开发过程中,难免会碰到MCU芯片异常的问题。比如异常复位,表现为复位脚有电平跳变或者干脆处于复位电平;在做代码调试跟踪时,发现代码往往进不到用户main()程序;或者时不时感觉芯片死掉了,功能完全不可控等。
2017-07-04 14:18:08
1417 首先介绍了 TMS320VC5410 芯片的工作电源的设计方法,其次对芯片的复位电路提出了几种设计方法,最后结合选用DSP电源芯片对复位电路进行了综合设计。
2011-08-05 10:09:42
76 未来环保汽车会是什么样?
一汽-大众
2010-04-07 09:08:53
1718 
HT66Fx0系列MCU的Reset复位电路应用介绍HT66Fx0 系列MCU 的Reset 复位电路均采用了与I/O 共用的架构,本文即着重对此系列MCU 复位电路的应用作一探讨。外部Reset复位的功能HT66Fx
2010-03-27 08:38:41
35 MCU复位电路和振荡应用电路大全
1.晶体/陶瓷振荡器等效电路
以下由电阻、电容、电感组成的电路就是晶体/陶瓷振荡器的等效电路。
2010-03-25 09:40:08
29 什么样的冰箱没有霜
什么样的冰箱比较容易结霜,什么样的冰箱在这方面就会好些?使用中要注意哪些问题呢?
风冷冰箱不易结霜
2010-02-21 17:56:35
1858
MT1369 CS4955芯片的复位电路
2009-02-25 14:02:21
683 
典型的MCU/DSP/UP复位电源监控,外部看门狗专用电路。
2008-10-24 12:31:36
69
评论