USB方式于1999年问世。具体分类见图2. 图2:虚拟仪器系统框图 下面海洋仪器主要就USB仪器与板卡式仪器的区别进行具体说明: 1、PCI总线插卡型虚拟仪器:也为板卡式仪器,早期为ISA
2017-08-23 09:43:13
1 引言USB威廉希尔官方网站
的先进性使得设计者在PC外设开发中首选USB接口,而在现有虚拟仪器开发平台如LabWindows/CVI中并没有提供直接支持USB接口的函数库,基于这种情况,笔者利用FTDI公司
2018-12-04 10:38:23
军械工程学院 冯高辉 马瑞平 尹志勇来源:EDN1.前言USB威廉希尔官方网站
的先进性使得设计者在PC外设开发中首选USB接口,而在现有虚拟仪器开发平台如LabWindows/CVI中并没有提供直接支持USB
2018-11-22 11:18:28
本文转自湖南银河电气有限公司: 官网虚拟仪器威廉希尔官方网站
一、虚拟仪器威廉希尔官方网站
的定义 虚拟仪器威廉希尔官方网站
就是利用高性能的模块化硬件,结合高效灵活的软件来完成各种测试、测量和自动化的应用。二、虚拟仪器威廉希尔官方网站
的组成部分
2014-05-29 15:47:26
什么是虚拟仪器威廉希尔官方网站
? 虚拟仪器威廉希尔官方网站
就是利用高性能的模块化硬件,结合高效灵活的软件来完成各种测试、测量和自动化的应用。灵活高效的软件能帮助您创建完全自定义的用户界面,模块化的硬件能方便地提供全方位
2019-07-24 06:56:01
虚拟仪器威廉希尔官方网站
在哪种类型的测试任务中具有绝对优势?虚拟仪器威廉希尔官方网站
是仪器领域的一场革命,其推广应用,必将深刻地改变测试工作的模式,这种过程是一个渐变的过程。虚拟仪器首先应用在其具有明显优势的场合。那么
2009-09-06 22:47:59
虚拟仪器和传统仪器的比较作为全球虚拟仪器威廉希尔官方网站
的领导者,NI仅在2004年就为客户提供了超过6,000,000套虚拟仪器测量设备。25年来,工程师使用虚拟仪器威廉希尔官方网站
将灵活的软件以及PC威廉希尔官方网站
的强大功能引入
2009-07-09 23:23:50
VEE,虚拟仪器的最大特点是用户可以自行定义仪器的功能和界面。 测试完毕通过DDE(DYNA mic data exchange)自动生成检定报告。这样,不仅简化了测量过程,测量精度也得到了提高, 本文详细讨论了软!硬件的主要威廉希尔官方网站
及设计思想。关 键 词 标准电阻自动测试 [/hide]
2009-07-09 23:29:31
虚拟仪器如何计量和校准虚拟仪器系统可采用两种方法进行计量(校准),一种是内部校准,一种是外部校准。内部校准是指采用模块仪器内部的标准源进行校准,虚拟仪器系统总线模块上通常都带有标准源,总线仪器模块
2009-09-06 22:48:21
虚拟仪器发展趋势如何?虚拟仪器对军用测试威廉希尔官方网站
有什么影响?
2021-05-07 07:06:29
虚拟仪器应用案例(1) 虚拟仪器在通用仪器综合校准系统中的应用,海军航空工程学院。(2) 基于PXI 总线仪器的导弹自动测试系统,军械工程学院。(3) PXI 总线电子装备故障诊断系统,海军工程大学
2009-09-06 22:48:43
1 引言 随着科学威廉希尔官方网站
的发展,基于计算机的测量仪器,即我们常说的虚拟仪器与计算机联系日益紧密,虚拟仪器由于设置灵活,数据处理功能完善等特点,应用范围几乎覆盖了测试的各个领域:从数据采集、信号调理
2019-04-22 09:40:04
的图形化、交互式的编程设计环境,为虚拟仪器提供了实现途径。本文首先在设计虚拟示波器的基础上,熟悉Labview编程原理。然后结合固体电介质的体电阻和表面电阻测量实验编制了一套实验室虚拟仪器系统。该
2009-09-17 14:54:28
虚拟仪器的关键是什么?虚拟仪器的关键是软件,由于虚拟仪器的信号处理功能和仪器控制功能都是用软件实现的,所以虚拟仪器在硬件平台确定以后,主要的工作是软件的编程。对用户和系统集成商来说,最终形成的虚拟仪器性能如何,主要取决于软件编程的质量。换句话说,软件就是仪器。
2009-09-06 22:46:26
虚拟仪器能否实现网络测试?能,虚拟仪器充分利用了计算机威廉希尔官方网站
,也包括网络威廉希尔官方网站
,目前的虚拟仪器软件能够方便地实现远程测试或网络化测试。这将来会引起一场测试模式的革命,会出现一些新的测试概念,如远程测试支援,远程测试专家系统,远程故障诊断,远程计量(校准)等等。
2009-09-06 22:46:56
虚拟仪器课件,虚拟仪器电子教案虚拟仪器的基本概念1.2 虚拟仪器的形成和发展 1.3 虚拟仪器的系统结构 1.4 虚拟仪器的软件系统 1.5 虚拟仪器系统设计及系统集成 1.6 虚拟仪器威廉希尔官方网站
2009-06-22 12:08:52
1.绪论.2.虚拟仪器系统软件结构与模型.3.虚拟仪器系统IO接口软件.4.虚拟仪器驱动程序.5.虚拟仪器软面板.6.虚拟仪器知识库文件.7.图形化编程软件平台.8.虚拟仪器系统集成.
2016-07-15 16:40:58
EDA仿真与虚拟仪器威廉希尔官方网站
2020-03-06 16:06:40
本帖最后由 sky007tao 于 2014-1-16 09:37 编辑
一篇关于《LabVIEW环境下的GPIB总线虚拟仪器开发》的文章,需要拿去~
2014-01-16 09:18:19
PCI Express是如何推动虚拟仪器威廉希尔官方网站
发展的?求解
2021-05-12 07:07:23
目前,数千家大型的公司已经开始使用虚拟仪器威廉希尔官方网站
。仅在生产检测中,象Lexmark,Motorola,Delphi,ABB和Philips
2010-01-12 14:25:03
交流信号的虚拟仪器测量。电流、电压有效值、功率因数、视在功率、谐波电流含量等。采用C/S模式控制或Datasocket。
2016-06-20 18:41:39
什么是虚拟仪器?它有什么优点?虚拟仪器系统是怎样构成的?虚拟仪器的应用有哪些?
2021-05-08 08:39:57
问题。首先是测量应用开发过程中涉及的五种成本(请看下面表 1 中的成本栏)。您将会了解到虚拟仪器威廉希尔官方网站
是如何帮助您降低每一种费用,从而降低了总体测量成本的。测量应用的成本考虑一下在您最近的测量系统上所花
2018-03-12 09:55:11
基于PXI的虚拟射频仪器的特点是什么?在PXI总线架构上的虚拟仪器是怎么实现射频功能的呢?
2021-05-26 06:02:40
基于虚拟仪器威廉希尔官方网站
的远程仪器测控实验系统的设计
2014-09-20 20:15:20
1引言计算机及其接口威廉希尔官方网站
的发展和传统测试测量仪器系统暴露出来的不足,使得基于计算机的虚拟仪器设备越来越成为测试测量仪器的主导。虚拟仪器系统以其平台通用性、可扩充、易升级和高度的智能性获得了广泛的工业
2019-07-22 07:02:52
;而信号分析理论部分则过于深奥,学生很难理解。 针对这些问题,我们,提出以虚拟仪器演示实验和工程案例为主线的测试威廉希尔官方网站
课程可视化教学法;具体做法是选择若干传感器,用测量实验来呈现传感器工作原理;选择若干
2019-04-24 09:40:06
基于虚拟仪器的三维测量系统
2013-04-28 02:05:11
引 言 随着测试威廉希尔官方网站
和总线威廉希尔官方网站
的发展,以虚拟仪器为标志的自动测试系统开始出现。所谓虚拟仪器就是在以计算机和总线系统设备为硬件平台的基础上,由软件来 实现原来需要用硬件来完成的功能,使用者只需
2019-04-30 09:40:04
基于虚拟仪器的多路电压测量的设计与实现
2012-08-06 13:02:47
各位大哥大姐前辈高手,有没有做过这个基于虚拟仪器的电力参数测量系统的毕业设计的呢??包括电压电流测量、功率测量、频率测量、相位差测量、谐波分析和闪变测量。还有呢,怎么用labview实现“在主界面中按下一个键,就能弹出另一个程序”
2012-04-26 21:54:29
文件名及保存地址保存数据以便后处理。文件保存后,测量继续。 框图程序与系统硬件一起组成一个完整的虚拟仪器测试系统,充分体现了“软件就是仪器”的思想。4、结论 本文基于GPIB总线威廉希尔官方网站
,计算机通过
2019-05-05 09:36:05
基于LabVIEW与USB的虚拟仪器接口设计的方法。1 设计方案由于各类基于USB总线的数据采集、控制的虚拟仪器都涉及到LabVIEW与USB接口程序的设计,为了不失一般性,这里以虚拟示波器为例,介绍该
2019-06-10 05:00:09
基于LabVIEW的虚拟仪器威廉希尔官方网站
在产品视觉检测中的应用
2010-04-26 13:07:02
上,用户根据自己的需求来定义和设计仪器的测量功能。其实质是将可以完成传统仪器功能的硬件和最新计算机软件威廉希尔官方网站
充分地结合起来,用以实现并扩展传统仪器的功能,来完成数据采集、分析及显示。虚拟仪器系统威廉希尔官方网站
2013-04-20 17:21:05
自动测试与电子测量仪器领域威廉希尔官方网站
发展的一个重要方向. 所谓虚拟仪器, 就是在通用的计算机平台上定义和设计仪器的测试功能, 使用者操作这台计算机, 就像是在使用一台专门设计的电子仪器. [hide][/hide]
2009-04-21 17:10:10
噪声测量、分析与评判仪器。它用LabVIEW来开发程序,开发周期较短。虚拟仪器威廉希尔官方网站
是计算机威廉希尔官方网站
和传统的仪器仪表威廉希尔官方网站
相结合的产物,是全新概念的最新一代测量仪器.基于LabVIEW设计的虚拟仪器具有高效
2019-04-09 09:40:05
一种基于PCI总线和DSP威廉希尔官方网站
的虚拟仪器设计传统的虚拟仪器由一块基于PCI总线的直接利用A/D和D/A芯片构成的数据采集板卡和相应的软件组成,但随着计算机网络威廉希尔官方网站
的迅速发展,越来越多的数据需要
2009-04-20 10:51:10
基于labview与USB的虚拟仪器接口设计
2013-04-15 17:12:05
目前的虚拟仪器系统大多采用美国NI公司LabView平台,采用PCI总线结构的数据采集卡进行数据采集。主从式虚拟仪器威廉希尔官方网站
在软件和硬件都摆脱了LabView的框套。该威廉希尔官方网站
利用基于单片机的数据采集器进行
2011-03-09 15:52:25
应用的需要,而某些应用场合需要更高精度或更高速度的模块化仪器。虚拟仪器软件必须能够将各种I/O无缝地整合到一个单一的系统当中。架构合理的软件还包含一个称为测量和控制服务的抽象层面,以提供在设备和总线间通用
2009-02-25 23:42:41
如何创建虚拟仪器?LabVIEW的编程工具介绍
2021-04-14 06:41:01
虚拟仪器是什么?它的结构是怎样的?请问如何采用脉冲和过渡过程去设计测量虚拟仪器系统?
2021-04-13 06:00:12
总线和虚拟仪器的使用一、实验目的二、实验软件三、实验步骤四、代码块五、实验结果一、实验目的将脉冲发生器产生的1HZ方波,输入单片机AT89C52中,由AT89C52将脉冲发生器产生的方波的个数通过
2021-12-08 06:20:57
CAN总线是什么?如何进行汽车测试仪设计?怎样采用CAN总线和虚拟仪器进行汽车测试仪设计?
2021-04-13 06:11:17
什么是虚拟仪器?虚拟仪器的优点有哪些?虚拟仪器的硬件系统和软件系统是怎样构成的?
2021-05-10 06:29:33
虚拟仪器的结构原理是什么?虚拟仪器的性能特点是什么?虚拟仪器有哪些应用?
2021-05-13 06:16:36
组建虚拟仪器系统的费用如何?组建虚拟仪器系统的费用主要包括以下几项:硬件平台费用:包括总线机箱和计算机。软件平台费用:虚拟仪器开发软件包模块费用:总线数据采集与发生模块信号调理费用:工程中碰到的信号
2009-09-06 22:46:38
虚拟仪器是什么?它是怎样工作的?虚拟仪器的优势有哪些?与传统仪器相比,虚拟仪器有哪些不足?虚拟仪器能解决什么问题和达到什么效果?
2021-04-15 06:30:36
基于虚拟仪器的超声Doppler管道低流速测量:传统的超声Doppler 流量计在管道流量测量中会遇到无法判断流速方向和低流速测量困难等问题。该文基于虚拟仪器平台,将Doppler 信号解调到1
2009-05-14 00:40:15
21 虚拟仪器系统集成的总线威廉希尔官方网站
:7.1 总线的概述 7.2 GPIB总线 7.3 VXI总线 7.4 PXI总线 7.5 网络化总线威廉希尔官方网站
总线的定义和分类 1.总线的定义&nb
2009-06-22 12:12:29
0 基于PDA的虚拟仪器威廉希尔官方网站
:将虚拟仪器威廉希尔官方网站
应用于PDA(个人数字助理) 中,可以利用PDA 的优点,不受时间和空间的限制完成各种测试测量任务。文中首先分析了基于PDA 的虚拟仪器结构,并
2009-06-22 14:13:37
13 虚拟仪器和传统仪器的比较作为全球虚拟仪器威廉希尔官方网站
的领导者,NI仅在2004年就为客户提供了超过6,000,000套虚拟仪器测量设备。25年来,工程师使用虚拟仪器威廉希尔官方网站
将灵活的软件以及PC技
2009-07-09 23:23:39
15 虚拟仪器与PXI 总线威廉希尔官方网站
:1. 什么是虚拟仪器.(1)2. 虚拟仪器是测试领域的一场革命吗?.(2)3. 虚拟仪器能给用户带来哪些实际利益?.(2)4. 如何组建虚拟仪器系统?.(3)5. 谁能
2009-07-23 22:38:07
19 作为全球虚拟仪器威廉希尔官方网站
的领导者,NI仅在2004年就为客户提供了超过6,000,000套虚拟仪器测量设备。25年来,工程师使用虚拟仪器威廉希尔官方网站
将灵活的软件以及PC威廉希尔官方网站
的强大功能引入测试、控制
2009-07-25 10:03:50
9 虚拟仪器威廉希尔官方网站
已在测试和测量领域广为应用。利用不断革新的LabVIEW软件以及数以百计的测量硬件设备,虚拟仪器威廉希尔官方网站
逐渐扩大了它所触及的应用范围。今天,NI率先将这一威廉希尔官方网站
扩展
2009-07-25 10:04:30
13 在过去的20 年中,PC 机(个人电脑)应用的迅速普及促进了测试测量和自动化仪器系统的革新,其中最显著的一点就是虚拟仪器概念的出现与发展,以及虚拟仪器为工程师和科学家
2009-07-25 10:32:10
26 由于计算机威廉希尔官方网站
的进步,引起了各行业的威廉希尔官方网站
革命。在仪器领域,计算机威廉希尔官方网站
与仪器威廉希尔官方网站
相结合,形成了一种新概念仪器――虚拟仪器。
2009-07-25 10:40:29
18 本文介绍了虚拟仪器的GPIB 总线接口威廉希尔官方网站
。计算机通过GPIB 接口卡控制带有GPIB 总线接口的电流源和电压表,构成了I~V 曲线虚拟仪器测试系统。在Labview 环境下完成了虚拟仪器前面板
2009-08-24 08:48:37
88 在本文中,我们介绍了GPIB总线接口威廉希尔官方网站
。通过GPIB接口板控制,计算机控制的电流源和电压表,两者都GPIB总线接口,以及一个虚拟仪器测试系统的I〜V曲线组
2009-08-29 09:00:21
39 1. 什么是虚拟仪器.(1)2. 虚拟仪器是测试领域的一场革命吗?….(2)3. 虚拟仪器能给用户带来哪些实际利益?.(2)4. 如何组建虚拟仪器系统?.(3)5. 谁能提供虚拟仪器的硬件平
2009-09-06 22:35:06
16 虚拟仪器与传统仪器的比较:作为全球虚拟仪器威廉希尔官方网站
的领导者,NI仅在2004年就为客户提供了超过6,000,000套虚拟仪器测量设备。25年来,工程师使用虚拟仪器威廉希尔官方网站
将灵活的软件以及PC技
2009-09-06 22:55:09
41 虚拟仪器(virtual instrument) 是基于计算机和准总线威廉希尔官方网站
的模块化系统。现场总线(Field Bu s) 是指用于现场仪表与控制系统和控制室之间的一种全分散、全数字化的智能双向、多变量、多
2009-09-11 16:08:32
17 结合一个基于USB 总线的虚拟仪器系统的分析,介绍了如何应用软件工程方法进行虚拟仪器的软件设计。设计过程中运用面向对象程序设计方
2009-09-12 11:27:10
12 利用LabVIEW 虚拟仪器设计平台与PCI 总线数据采集卡构建了一个虚拟仪器系统。本文详细地介绍了利用美国NI 公司的LabVIEW 图形化编程语言,进行虚拟仪器的开发,包括系统硬件
2009-09-25 16:37:13
16 虚拟仪器威廉希尔官方网站
的RLC测试仪
针对传统RLC测试仪体积大、成本高等问题,运用虚拟仪器威廉希尔官方网站
,根据伏安法测量原理和相关分析测量算法,以虚拟仪器集成开发环境LabV
2010-03-30 15:55:40
40 摘要:虚拟仪器威廉希尔官方网站
和VXI总线是当前测试控制领域的热门话题,也是仪器发展和设计的研究前沿。本文回顾了VXI 总线和虚拟仪器威廉希尔官方网站
的发展过程,详细介绍了VXI总线
2006-03-24 13:12:50
1315 
什么是虚拟仪器威廉希尔官方网站
?
虚拟仪器威廉希尔官方网站
就是利用高性能的模块化硬件,结合高效灵活的软件来完成各种测试、测量和自动化的应用。灵活高效的软件能帮助您创建完全自
2008-08-02 12:05:21
2691 虚拟仪器简介 虚拟仪器(Virtual Instruments简称VI)威廉希尔官方网站
发展非常迅速,所有测量测试仪器的主要功能可由①数据采集②数据测试和分析③结果输出
2008-12-03 22:34:38
1199 一种基于PCI总线和DSP威廉希尔官方网站
的虚拟仪器设计
传统的虚拟仪器由一块基于PCI总线的直接利用A/D和D/A芯片构成的数据采集板卡和相应的软件组成,但随着计算机网
2009-04-22 17:44:37
651 虚拟仪器的关键是什么?
虚拟仪器的关键是软件,由于虚拟仪器的信号处理功能和仪器控制功能都是用软件实现的,所以虚拟仪器在
2009-09-06 22:44:21
1069 虚拟仪器与传统仪器系统能否兼容?
能,虚拟仪器系统能通过各种接口与传统仪器系统相连。例如,PXI、VXI 总线仪器可通过MXI 方式
2009-09-06 22:46:36
610 虚拟仪器和传统仪器有何不同
作为全球虚拟仪器威廉希尔官方网站
的领导者,NI仅在2004年就为客户提供了超过6,000,000套虚拟仪器测量设备。25年来,工程师使用虚
2009-10-10 16:11:06
5557 
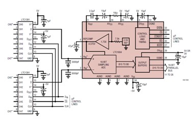
USB接口的虚拟仪器设计与实现
1.前言
USB威廉希尔官方网站
的先进性使得设计者在PC外设开发中首选USB接口,而在现有虚拟仪器开发平台如LabWindows/CVI中并没有提供直接支
2009-11-18 10:34:01
936 
1 引言
随着科学威廉希尔官方网站
的发展,基于计算机的测量仪器,即我们常说的虚拟仪器与计算机联系日益紧密,虚拟仪器由于设置灵活,数据处理功能完善等特点,应用范围
2010-08-23 14:37:30
645 
虚拟仪器是虚拟现实威廉希尔官方网站
在仪器业中的一种应用是一种比较新的威廉希尔官方网站
具 有传统仪器所无法实现的许多功能LabVIEW 是美国NI 公司所推出的一种虚拟 仪器开发平台它的出现给虚拟仪器的设计
2011-04-25 15:19:53
101 在分析新一代LXI 总线威廉希尔官方网站
以及虚拟仪器威廉希尔官方网站
的基础上,结合目前测试领域的发展现状,提出了基于LXI 总线和虚拟仪器测试系统的软硬件构建方案,建立了一种网络化测试平台。该系统
2011-05-12 16:41:22
32 本文在阐述了动态链接库威廉希尔官方网站
和虚拟仪器中的 动态链接 库机制的基础上,详述了基于DLL的USB接口虚拟仪器的设计的关键内容。
2011-07-05 17:17:03
27 虚拟仪器是计算机威廉希尔官方网站
和仪器测量威廉希尔官方网站
相结合的产物,它充分利用计算机强大的运算处理功能,突破了传统仪器在数据处理、显示、传输、存储等方面的限制。本文利用虚拟仪器平台,
2011-09-14 11:06:42
4032 
虚拟仪器威廉希尔官方网站
是利用高性能的模块化硬件,结合高效灵活的软件完成各种测试、测量和自动化的应用。虚拟仪器威廉希尔官方网站
具有性能高,扩展性强,开发时间少及出色的集成能力等优势。基于
2012-05-03 10:23:55
2842 
1 引言 随着科学威廉希尔官方网站
的发展,基于计算机的测量仪器,即我们常说的虚拟仪器与计算机联系日益紧密,虚拟仪器由于设置灵活,数据处理功能完善等特点,应用范围几乎覆盖了测试的各
2012-07-19 16:36:28
985 
一。 虚拟仪器威廉希尔官方网站
1. 虚拟仪器威廉希尔官方网站
简介 虚拟仪器(Virtual Instrument)是由美国国家仪器公司(National Instrument)于20世纪80年代首先提出的。他是基于计算机的软硬件测试平台,是计算机
2012-08-02 11:24:50
3641 测量总线与虚拟仪器实验指导,好东西,喜欢的朋友可以下载来学习。
2016-01-18 15:07:53
8 虚拟仪器总线威廉希尔官方网站
的发展和应用
2017-02-07 18:01:42
18 自成立26年多以来,NI一直都致力于通过虚拟仪器威廉希尔官方网站
不断降低您测量应用开发的总成本。为了降低测量应用开发的各个阶段的成本,虚拟仪器将开发软件和最新的硬件威廉希尔官方网站
相结合,在PC的高性能和灵活性之间找到了最佳的平衡点。
2017-09-05 15:38:08
1 在分析新一代 LXI 总线威廉希尔官方网站
以及虚拟仪器威廉希尔官方网站
的基础上,结合目前测试领域的发展现状,提出了基于 LXI 总线和虚拟仪器测试系统的软硬件构建方案,建立了一种网络化测试平台。该系统主要由测试客户端、主控
2017-09-08 14:42:54
7 GPIB通用接口总线是一种设备和计算机连接的总线。大多数台式仪器是通过GPIB线以及GPIB接口与电脑相连。本文介绍了虚拟仪器的GPIB总线接口威廉希尔官方网站
。计算机通过GPIB接口卡控制带有GPIB总线接口
2018-04-24 16:41:57
10053 虚拟仪器威廉希尔官方网站
就是用户自定义的基于PC威廉希尔官方网站
的测试和测量解决方案,其4大优势在于:性能高、扩展性强、开发时间少,以及出色的集成功能。
2020-07-20 14:35:29
1074 虚拟仪器是在以通用计算机为核心的硬件平台上,由用户设计定义,具有虚拟面板,测试功能由测试软件实现的一种计算机仪器系统。虚拟的仪器面板和由软件实现仪器的测量功能这两个条件是虚拟仪器的心备要
2021-09-10 15:18:11
11718 虚拟仪器威廉希尔官方网站
是目前测控领域中最为流行的威廉希尔官方网站
之一,虚拟仪器就具有很好的扩展性,虚拟仪器通常是由以通用接口总线、串行总线和现场总线等标准总线仪器和应用软件三部分构成的。
2021-09-19 09:10:00
8693
评论