电子发烧友网报道(文/梁浩斌)去年开始,激光雷达开始大规模登上智能汽车,但也可以发现,市面上的激光雷达基本是都是混合固态方案,而普遍被认为是激光雷达主流发展方向的全固态直到现在依然没有能够
2022-05-16 07:34:00
6493 大陆的短距离激光雷达 SRL1 是用来检测碰撞的,主要是给 Volvo 之前的系统中使用,这款短距激光雷达 SRL1 提供基于红外激光威廉希尔官方网站
的紧急制动辅助功能,无需任何机械运动部件固态 LiDAR
2021-05-20 15:43:27
5200 作为激光雷达创新型企业,苏州岭纬智能科技有限公司(以下简称岭纬科技)在创业之初就明确了发展目标,致力于高端固态高分辨率激光雷达的研发。
2021-02-04 15:30:13
3207 
电子发烧友网报道(文/周凯扬)即便是在车载激光雷达宣传得如此火热的当下,全球激光雷达市场的出货量中,贡献一半以上的还是工业与测绘用激光雷达。从去年Yole发布的激光雷达产业报告来看,虽然禾赛在车
2023-04-14 04:06:00
2499 
多台激光雷达。 与此同时,激光雷达也在同步发展,从最初的机械旋转式激光雷达,到转镜,再到MEMS等方案激光雷达逐步迈向固态化。去年年底,禾赛、速腾聚创等国内激光雷达公司推出了Flash纯固态补盲激光雷达,摆脱了所有的活动部
2023-09-22 09:06:09
1857 ABI Research认为,2019 年就会有固态激光雷达解决方案问世,到 2027 年市场规模就会扩张至 130 亿美元。总结了目前市面上 5 款激光雷达:iDAR、高清3D
2018-07-26 20:45:02
`我们已经对单线激光雷达司空见惯,其旋转线扫的测量方式导致造成寿命问题和价格居高不下。 因此,北醒研发了CE30,它是一款具有大视场角的固态激光雷达。它可同时输出132°水平视场、9度垂直视场范围内
2018-01-04 10:18:39
``一年一度的国际消费类电子产品展览会(CES)已经完满收官,短短的几天时间里,我们见识了Intel无人飞机灯光秀、百度无人车、移动行李箱等众多“黑科技”。而北醒不仅展示了性能卓越的固态激光雷达,在
2018-01-25 09:41:33
`一年一度的国际消费类电子产品展览会(CES)已经完满收官,短短的几天时间里,我们见识了Intel无人飞机灯光秀、百度无人车、移动行李箱等众多“黑科技”。而北醒不仅展示了性能卓越的固态激光雷达,在
2018-01-26 09:20:40
经过拆解可以看出PIN型固态激光雷达除镜头外都有标准的量产元件可以选择,门槛很低,成本也不高,未来可以取代传统的低像素摄像头。但与摄像头比,激光雷达可以全天候全天时工作,雨雪雾霾,白天黑夜都能胜任。
2020-05-20 06:56:28
`我们已经对单线激光雷达司空见惯,其旋转线扫的测量方式导致造成寿命问题和价格居高不下。 因此,北醒研发了CE30,它是一款具有大视场角的固态激光雷达。它可同时输出132°水平视场、9度垂直视场范围内
2018-01-11 09:21:13
想了解行业国内做固态激光雷达的厂家,激光雷达里面是怎么样的啊
2021-01-17 15:29:39
了概念阶段,发展到了对各项威廉希尔官方网站
的积极研究当中。而其中的某些威廉希尔官方网站
,已经成为科技公司和汽车企业都表示“必须拿下”的关键所在,比如激光雷达。激光雷达有多重要?顾名思义,激光雷达就是以发射激光束探测目标的位置
2017-10-20 15:49:06
激光雷达实际上是一种工作在光学波段(特殊波段)的雷达,它的优点非常明显:1、具有极高的分辨率:激光雷达工作于光学波段,频率比微波高2~3个数量级以上,因此,与微波雷达相比,激光雷达具有极高的距离
2017-09-19 15:51:15
lidar_camera_calibration项目——激光雷达和相机联合标定
2019-04-12 09:27:38
`科技的进步日新月异,要数在汽车圈子里最火热的词汇,自动驾驶辅助系统一定是位居榜单前列的,而自动驾驶中核心的硬件之一—激光雷达,也是屡屡被各家车企送上热搜榜单,成为了业界内关注的重心。激光雷达被
2021-03-18 11:14:17
,如何将静态的物体分离出来,并如何识别、分类与跟踪动态物体。高精度地图的获取很大程度依赖激光雷达以及摄像头。我们获取高精度地图后,结合 GPS 和 IMU、编码器、实时感知环境的特征,进行地图匹配进行
2017-09-08 17:24:48
`激光雷达行业非常广阔,每个细分方向都可以大有所为。就单线激光雷达而言,致力于解决好机器人的自主定位导航能力,能突破的道路只有一条:以实用性和可靠性作为第一考虑,而非一味的去追求参数。 那么作为一款
2018-02-07 13:40:27
`最近突然对机器人距离探测设备感兴趣就打算着手做个激光雷达玩玩。。。。可以在设计方案的时候发现角度信息很难解决。多以想看看大家有没有做过这方面的。帮忙想下。。。。如果哪位土豪家里有扫地机器人可以拆下,,,,,给大家介绍下,,,哈哈哈。。。。哪位大神如果做过,,,能不能帮帮偶。。。`
2016-04-16 17:45:28
组件、光电探测器、接收IC以及位置和导航器件等。由于硬件成本高,导致量产困难,且稳定性也有待提升,目前固态激光雷达成为很多公司的发展方向。 按探测方式分类: 直接探测激光雷达 直接探测型激光雷达
2020-07-14 07:56:45
`1、激光雷达为什么这么贵?激光雷达是一个精密的光学仪器,需要专家级的工程师耗费大量时间调试校正,并且调试校正的时间随着雷达线束的增加,呈几何级数增长。所以产量非常低。价格自然就这么高了。“工业用品
2017-10-16 16:31:32
在很多人印象中激光雷达还是那个通过旋转完成激光测距帮助机器人完成定位、建图辅助后续导航的激光传感器RPLIDAR定位建图 但其实,除了可以应用在机器人定位建图、自主导航、障碍物检测与规避等领域外他
2018-05-11 15:33:44
的传感器中已经看到过这样的现象)。 二维激光雷达也可以被搭载到另一个旋转的元件上以产生环境中完整的三维点云。其他公司正在寻求降低系统成本的其他策略,例如Quanergy的固态激光雷达。该系统大体与上文已
2017-09-26 14:30:16
是激光雷达+SLAM的定位导航威廉希尔官方网站
。 SLAM表示在不具备周围环境信息的前提下,让移动机器人在运动过程中根据自身携带的传感器和对周围环境的感知进行自身定位,同时增量式构建周围环境地图。SLAM可以提高
2018-11-09 15:59:01
有道友能介绍介绍EAI激光雷达吗?
2020-12-31 17:48:20
FMCW激光雷达与dTOF激光雷达的区别在哪?
2021-07-23 13:22:37
和探测灵敏度,在大气探测和研究方面有着广阔的应用前景。2.激光雷达中的AD采集卡光电倍增管输出的模拟电流信号必须转换为电压,经放大、数字化后才能提供给计算机做数据处理,最终得到污染物的浓度分布。因此
2016-05-23 14:44:42
TOF 方案激光雷达是激光雷达新一代威廉希尔官方网站
方案,本产品解决了如市场三角测试法等产品组装问题难,价格成本高等问题,目前提供面阵及单光子威廉希尔官方网站
,基于COM产品。集成了SPAD,TDC,DSP,RAM
2019-06-07 00:03:35
STM32 Cube MX学习笔记——TOF 高速单线激光雷达 L10_串口中断通信1. TOF 高速单线激光雷达 L102. STM32 Cube MX配置代码配置1. TOF 高速单线激光雷达
2022-03-02 07:19:03
的自动驾驶。咖啡智驾搭载的全球首款能够真正量产的车规级高性能固态激光雷达,角分辨率达0.05°*0.07°,性能高出普通无人驾驶车型所采用的机械激光雷达5倍,配合毫米波雷达、摄像头、超声波雷达等配置带来
2023-09-19 13:35:01
``一年一度的国际消费类电子产品展览会(CES)已经完满收官,短短的几天时间里,我们见识了Intel无人飞机灯光秀、百度无人车、移动行李箱等众多“黑科技”。而北醒不仅展示了性能卓越的固态激光雷达,在
2018-01-25 09:38:47
`一年一度的国际消费类电子产品展览会(CES)已经完满收官,短短的几天时间里,我们见识了Intel无人飞机灯光秀、百度无人车、移动行李箱等众多“黑科技”。而北醒不仅展示了性能卓越的固态激光雷达,在
2018-01-26 09:19:09
``一年一度的国际消费类电子产品展览会(CES)已经完满收官,短短的几天时间里,我们见识了Intel无人飞机灯光秀、百度无人车、移动行李箱等众多“黑科技”。而北醒不仅展示了性能卓越的固态激光雷达,在
2018-01-25 09:36:04
一年一度的国际消费类电子产品展览会(CES)已经完满收官,短短的几天时间里,我们见识了Intel无人飞机灯光秀、百度无人车、移动行李箱等众多“黑科技”。而北醒不仅展示了性能卓越的固态激光雷达,在赢得
2018-01-26 09:22:47
跪求基于载波激光雷达的水下目标探测威廉希尔官方网站
的资料,要搞毕业论文。
2011-02-24 21:27:42
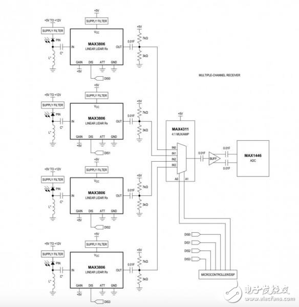
我们都知道驾驶汽车时看清路面至关重要。而在实施自动驾驶等威廉希尔官方网站
时,对这点要求得更为严格。自动驾驶汽车的“眼睛”被称为光检测和测距(激光雷达)威廉希尔官方网站
,可提供汽车周围环境的精确图像。激光雷达使用光源和传感器
2022-11-03 07:12:38
1、概述由于课题要求,需要设计一款适合于果园应用的激光雷达。因此采用单线扫描激光雷达和角度传感器来设计能采集二维数据的激光雷达。关于数据的转化的理论,我们可以查阅相关文献。在此,只讲基本的构造和程序
2021-11-12 08:15:02
本文档的主要内容详细介绍的是小米的2D激光雷达拆解图和讲解。
2023-09-22 08:07:45
单线激光雷达特点:结构简单、扫描速度快、分辨率高、可靠性高、成本低。单线激光雷达实际上就是一个高同频激光脉冲扫描仪,加上一个一维旋转扫描。单线激光雷达虽然原理简单但是可以有效、高频的测试物体的距离
2017-09-25 11:30:10
,实现自主避障和导航。在这款盲人拐杖里,斯坦福的学生团队加入了以下传感器,用来协助盲人拐杖的运行:激光雷达:帮助盲人探测周围物体的形状和环境GPS:在室外的时候可以知道具体的位置IMU:知道盲人走路
2021-11-12 14:12:43
到商业化,到如今广泛被市场认可,花了不到10年时间,而真正国内新能源汽车销量的爆发又集中在最近3年。成熟的无人驾驶方案离不开激光雷达激光雷达(LiDAR)是无人驾驶汽车中最强大的传感器之一。它可以区分真实
2017-10-23 17:51:41
爆发前夕,谁能够率先突破威廉希尔官方网站
桎梏,谁就能掌握主动权。市场看似光鲜,实则竞争依旧。 图4:激光雷达在周界安防的应用领域图片ouster激光雷达关注安防监控领域 根据麦姆斯咨询介绍,激光雷达创新
2020-02-29 17:03:44
激光雷达作为机器人身上一个不可或缺的零部件,他们是不是一对相互少不了彼此的好CP呢?公众普遍知晓激光雷达相信大部分都是从下面这货身上知道的吧~ 一个成本占据无人驾驶汽车40%的激光雷达,可以
2019-02-15 15:12:28
光束的雷达。激光雷达的工作原理是向目标发射探测信号(激光束),然后将接收到的从目标反射回来的信号(目标回波)与发射信号进行比较,作适当处理后,就可获得目标的有关信息,如目标距离、方位、高度、速度、姿态
2019-09-19 09:05:02
的2D画面)的数据收集器。二、视觉主导还是激光雷达主导?据清华大学邓志东教授介绍,自动驾驶环境感知的威廉希尔官方网站
路线主要有两种:一种是以特斯拉为代表的视觉主导的多传感器融合方案,另一种以低成本激光雷达为主
2017-09-06 11:36:58
自动导航车(Automatic Guided Vehicle,即AGV)领域的固态激光雷达CE30。对比传统的机械式激光雷达,激光雷达是通过机械转轴的高速旋转来完成四周环境的扫描。固态激光雷达顾名思义
2017-12-07 14:47:45
iphone12这个亮点不在5G上面,毕竟国内的一些厂商早就已配备,也不在颜色,重点在于配备了一颗激光雷达!先说一下这个激光雷达带来的用途,最直接的就是能够快速精准对焦,即使在晚上也能够很好实现
2021-07-22 09:12:51
空间激光雷达最小接收光功率的计算【摘要】采用信号检测的统计思想,在详细分析雷达接收机各种噪声大小与概率分布、计算空间背景光大小和光谱特性的前提下,基于信号检测理论中的虚警概率和发现概率提出了一种能
2009-05-15 01:20:13
,此外MPPC的封装形式也更易于拼接成阵列,相比APD更大的感光面积也使之更适合固态激光雷达的应用。从这些性能上来看,MPPC非常适合脉冲测距法的应用,是自动驾驶上激光雷达的理想小伙伴。 未来在1550nm波长的APD(G8931-20)可能会带来更远距离(300m)的测量,让我们拭目以待。
2018-09-10 14:21:58
请问激光雷达和激光扫描仪的具体区别在哪儿?
2022-05-13 11:05:19
激光雷达是如何产生的?激光雷达在自动驾驶领域有什么作用?
2021-06-17 07:31:54
勺科技只用不到一年时间就完成了FMCW激光雷达的路测和样机推广。简单介绍一下无人驾驶的威廉希尔官方网站
的发展历程。第一代无人驾驶威廉希尔官方网站
实际上是Mobileye开始的,主要是利用摄像头和毫米波雷达,它主要是被特斯拉
2020-03-16 19:27:55
的速度扩张。预计在一个季度后达到一百条以上的产线规模,速腾聚创的供货周期也能由目前的四周再次压缩。速腾CEO邱纯鑫表示,如果客户需要,这些生产线也非常容易转换为更高线数激光雷达的产线。 速腾聚创是目前国内
2017-08-21 14:54:32
`历经40余年的发展,激光雷达威廉希尔官方网站
已从最初的激光测距威廉希尔官方网站
,逐步发展了激光跟踪、激光测速、激光扫描成像、激光多普勒成像等威廉希尔官方网站
,因此出现了各种不同种类的激光雷达,被广泛应用于各个领域,激光雷达在很多
2018-12-10 14:55:39
请问各位大咖,激光雷达的测量距离能到多少?
2022-10-05 03:18:49
CH128系列结合了主机厂对汽车前装自动驾驶系统的多种要求,对产品进行了反复打 磨,将原来的CH系列混合固态激光雷达稳定可靠的感知性能,与主机厂要求的尺寸、功 耗、功能安全、成本等进行了全面整合,并
2022-07-01 10:25:54
CH128系列结合了主机厂对汽车前装自动驾驶系统的多种要求,对产品进行了反复打 磨,将原来的CH系列混合固态激光雷达稳定可靠的感知性能,与主机厂要求的尺寸、功 耗、功能安全、成本等进行了全面整合,并
2022-07-01 10:32:31
激光雷达是以发射激光束探测目标的位置、速度等特征量的雷达系统。以下对中国激光雷达企业及其产品进行了介绍。国内以镭神智能、思岚科技等创业公司以及巨星科技、大族激光等上市公司为代表的企业也开始尝试逐步进入车用激光雷达行业。
2017-12-14 15:41:49
84497 本文首先介绍了激光雷达的概念、构成原理及特点,其次介绍了毫米波雷达的概念与特点,最后分析了激光雷达和毫米波雷达两者之间的区别。
2018-04-24 15:02:11
43403 
此前文章“自动驾驶威廉希尔官方网站
之——LiDAR初解”中我们介绍了激光雷达的由来和历史发展,对于激光雷达的基本工作原理,也做了简单介绍。本文就汽车用激光雷达的分类,先做简单介绍。
2018-08-31 10:13:31
13397 固态激光雷达系统使用激光扫描仪生成环境3D图像,并自动处理此3D图像,以执行监视、警告、制动和转向等任务。
2018-09-11 17:18:08
4575 固态激光雷达一直被视为自动驾驶和ADAS行业的皇冠明珠,凭借其低成本、高可靠性和高分辨率的特点,一直被业界寄予了厚望。
2019-01-07 17:07:03
3936 2019年1月4日,CES 2019创新奖得主自动驾驶激光雷达感知系统提供商 RoboSense 宣布将在 CES 2019上公开演示全面升级后的 MEMS 固态激光雷达 RS-LiDAR-M1。
2019-01-09 16:15:17
5547 北醒一直坚持走固态激光雷达路线,证明了北醒固态激光雷达的性能,以及在大规模生产中的优势。
2019-01-11 15:22:38
3951 众所周知,没有传感器就没有自动驾驶。越来越多的汽车制造商开始依赖于激光雷达,将其作为高级驾驶辅助系统的关键威廉希尔官方网站
。Ibeo日前宣布将开始接受订单并交付ibeoNEXT固态激光雷达。这款由德国Ibeo激光雷达开发人员研发的新款激光雷达
2020-08-31 10:49:34
9972 这款全固态激光雷达ES2沿用了Ouster数字激光雷达(LiDAR)方案。凭借在OS系列旋转式激光雷达上已经验证成功的数字激光雷达架构,Ouster以同样的核心威廉希尔官方网站
设计开发了一款全固态数字激光雷达,这是一款真正的、无任何移动部件的固态激光雷达。
2020-10-09 10:27:53
4517 Ouster表示,ES2激光雷达传感器将是首款真正的固态、高分辨率、长距数字激光雷达。首次亮相时,该款激光雷达的价格预计为600美元,适用于2024年的量产汽车项目。此外,该款激光雷达在反射率为10%的表面上可探测200米开外的情况,是适用于高级驾驶辅助系统(ADAS)和工业自动化应用的低成本产品。
2020-10-12 11:53:21
3488 本文档的主要内容详细介绍的是小米的2D激光雷达拆解图和讲解。
2020-10-15 17:59:00
116 激光雷达被认为是各行各业的关键传感威廉希尔官方网站
,在机器人、无人驾驶、智慧城市等领域充当着推动者的角色。而近年来一直被寄予厚望的固态激光雷达成为业内关注的热点。何为固态激光雷达?理论上来说,固态激光雷达是完全没
2020-12-24 23:32:27
3188 激光雷达被认为是各行各业的关键传感威廉希尔官方网站
,在机器人、无人驾驶、智慧城市等领域充当着推动者的角色。而近年来一直被寄予厚望的固态激光雷达成为业内关注的热点。
2020-12-25 10:57:46
1918 进入2021年,激光雷达似乎开始成为智能电动汽车的标配。1月20日,长城汽车WEY品牌发布了“咖啡智能”平台的首款落地车型“摩卡”,并称在这款车型上搭载了激光雷达,是全球首次量产的全固态激光雷达
2021-01-29 14:50:01
3641 继上篇介绍了什么是激光雷达之后,希望让大家了解下车载激光雷达行业主要厂商,通过众多厂商和其主打产品,大家即可对激光雷达行业的状态和威廉希尔官方网站
路线有一个大概的认识。 国外激光雷达公司: Velodyne
2021-02-19 14:05:48
12560 
对其激光雷达设计的详细介绍。 Luminar独家采用光纤激光设计,光纤激光已经成熟应用二十年以上,其功率高,
2021-03-03 15:47:19
15682 
小米2D激光雷达拆解资源下载
2021-04-06 09:50:08
0 近日,深圳奥锐达科技有限公司(下称“奥锐达”)正式发布单光子面阵固态激光雷达威廉希尔官方网站
方案(下称“方案”)。该方案创新性地融合VCSEL与SPAD威廉希尔官方网站
架构,实现了分辨率和探测距离的显著突破,并在功耗、体积
2021-06-17 18:52:29
5445 众所周知,禾赛科技专注于开发激光传感器,目前产品线包括用于无人驾驶和机器人的激光雷达,以及用于能源行业safe巡检的激光遥测系统的。而就在近日,禾赛科技正式公布面向ADAS前装量产的长距混合固态激光雷达——AT128。
2021-08-18 14:59:08
2677 激光雷达是什么? 激光雷达(英文:Lidar),激光雷达是集激光、全球定位系统(GPS)、和IMU(惯性测量装置)三种威廉希尔官方网站
于一身的系统,相比普通雷达,激光雷达具有分辨率高,隐蔽性好、抗干扰能力更强
2022-06-20 16:53:41
22721 SOSLAB与纵慧芯光(Vertilite)并肩作战,开发出ML(Mobility LiDAR)系列激光雷达,突破了被认为固态激光雷达的局限:距离和视场角的问题,SOSLAB正在通过ML系列纯固态激光雷达加速进入全球汽车市场。
2022-08-23 14:46:43
1370 我们提到过在美股上市的激光雷达公司跳水很严重,这块其实在全球范围内,除了中国的三家图达通、禾赛禾速腾三家以外,就属法雷奥比较多。不光是在奥迪上用,本田与奔驰都用了法雷奥的产品,而接下来将向Stellantis供应其第三代Scala激光雷达。
2022-11-01 10:02:25
5152 随着智能驾驶愈发火热,激光雷达上车似乎更加成为大趋势。 11月2日,国内激光雷达企业 禾赛科技 发布面向 ADAS 前装量产车的纯固态近距补盲激光雷达——FT120。据禾赛介绍,FT120的激光发射
2022-11-03 14:30:12
1943 日前,禾赛科技正式发布面向ADAS前装量产车的纯固态近距补盲激光雷达——FT120,目前已经获得多家主机厂总计超过100万台的定点,公司预计2023年下半年量产交付。 据公司介绍,作为一款真正
2022-11-22 18:21:44
1344 新一代定制化多线激光雷达RS-Helios、高精度近场补盲激光雷达RS-Bpearl、高标准真值数据和评测系统RS-Reference参展。
2023-01-08 16:30:54
2217 通常激光雷达可以分为两大类:机械式激光雷达和固态激光雷达。机械式激光雷达采用机械旋转部件作为光束扫描的实现方式,可以实现大角度扫描,但是装配困难、扫描频率低。
2023-02-21 11:18:55
3970 根据扫描方式的不同,激光雷达可分为机械式、半固态(又叫混合固态)和固态三种(1)。
2023-03-08 14:41:00
2491 激光雷达即激光探测及测距系统,是通过发射激光束来探测目标位置、速度等特征量的雷达系统。按扫描维度,激光雷达可分为一维激光雷达、二维激光雷达和三维激光雷达。
2023-05-10 09:58:33
5402 
两三年前,在提起激光雷达时,很多人都会有一种“威廉希尔官方网站
路线太多,我傻傻分不清哪个是哪个”的印象。暂不提离量产还有一段距离的FMCW激光雷达,仅以TOF激光雷达中的“半固态/固态”为例,按波长、集成度
2023-06-14 09:43:00
990 
激光雷达在自动驾驶应用中主要用来探测道路上的障碍物信息,把数据和信号传递给自动驾驶的大脑,再做出相应的驾驶动作,但室外常见的干扰因素如雨、雾、雪、粉尘、高低温等对激光雷达的识别造成了极大的影响。因此
2023-07-14 11:11:30
3322 什么是固态雷达?固态激光雷达原理 固态雷达是一种采用固态材料发射和接收雷达信号的雷达系统。不同于传统雷达采用开关型微波管的方式,固态雷达利用半导体元器件实现信号发射和接收。随着半导体威廉希尔官方网站
的发展,固态
2023-08-22 16:45:27
2683 固态激光雷达通常分为哪三种类型?mems固态激光雷达 固态激光雷达是一种基于激光威廉希尔官方网站
的高精度测量仪器,它利用激光器发射激光束,并通过接收器接收反射回来的激光信号,根据信号的时间差来计算出目标的距离
2023-08-22 16:45:36
1606 目前已经量产的固态激光雷达有哪些? 概述 激光雷达(Lidar)是一项广泛应用的无线电探测威廉希尔官方网站
,通常用于测量相对距离和速度。激光雷达可以生成准确的三维点云模型,可以用于建立图像、识别物体或创建
2023-08-22 16:45:44
739 单线激光雷达和多线激光雷达区别 单线激光雷达和多线激光雷达是两种常用的激光雷达威廉希尔官方网站
。它们在激光的发射方式、数据采集、成像分辨率和应用场景等方面存在着很大的区别。 首先,单线激光雷达是指激光雷达
2023-12-07 15:48:33
1851 亮道智能官方透露该公司已为众多行业客户提供全面的激光雷达感知解决方案,包括车规级激光雷达硬件及其感知功能开发、测试验证及数据服务。
2024-03-06 15:22:49
105
评论