资料介绍
5.振荡器
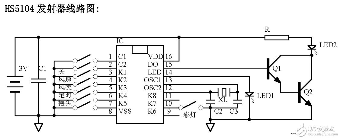
该芯片内的振荡器采用了先进的按键起振省电模式。当处于静态模式时,振荡器不工作;只有当按键按下时,振荡器才会工作。节省了静态功耗。使用时,只需在OSC1与OSC2之间接一个陶瓷振荡器即可(请注意输入、输出脚)。

特点与应用:
1.特点:
1 ).HS5104采用38KHz载波红外信号编码发射输出,具有定向性好、抗干扰能力强、遥控距离远的特点;
2)。 HS5104采用按键起振的省电模式,具有功耗小的特点;
3)。 HS5104具有8个输入通道和2个用户码设置键,因此,它有3 2种不同的组合,可产生3 2种不同的编码输出供用户选择,具有功能强大的特点;
4)。采用先进的CMOS工艺,具有工作电压范围宽的特点;
5)。设计了防静电(ESD)电路,具有安全可靠的特点。
2.应用:
HS5104的用途广泛。
1).可用作一些家用电器和电动玩具的遥控器(例如,与HS8206解码器一起用作电风扇的遥控器、接收器);
2).可与单片机进行一定距离(7 m-1 0m)的红外遥控通信。下面提供HS5104用作电风扇遥控器的接线图。当用作其它用途时,可根据具体要求,参考接线图进行适当的调整。

- PT2262遥控发射器电路图 82次下载
- K-Z14遥控发射器1路电路图 2次下载
- AD1501遥控发射器电路图 25次下载
- 红外遥控器编码大全 84次下载
- 遥控发射器电路原理及遥控编码格式简介 5次下载
- 红外发射器的PCB原理图免费下载 68次下载
- BA5104红外遥控编码发射器 23次下载
- SC5104与SC8206配合使用的遥控编码电路 33次下载
- 红外遥控芯片BA5104的软件解码方法探讨 86次下载
- 基于单片机的红外发射器 437次下载
- HS5104中文资料,pdf datasheet(红外遥控编
- 一种红外遥控信号的发送与接收
- 红外线遥控发射器的原理及应用
- CMS5104 红外遥控编码发射器
- BL9148通用红外遥控发射器电路
- 编码器的种类及其特点 518次阅读
- 红外遥控开关电路图分享 2172次阅读
- 红外线遥控器使用方法 3944次阅读
- HS6253智能红外遥控器方案 1219次阅读
- 远距离红外发射电路图解析 5871次阅读
- 如何区分红外发射管和红外接收管 3.5w次阅读
- 零基础学习GD32 红外遥控器原理 4851次阅读
- hs0038红外接收电路 3.3w次阅读
- diy手机红外线发射器 遥控器什么的都可以扔了 7.5w次阅读
- YN5049/5050多路红外遥控接收器功能及电路图介绍 3688次阅读
- 最简单无线发射电路图大全(超声波发射/射频收发电路/调频发射器) 14.2w次阅读
- 自制红外遥控开关详细步骤(两款自制红外遥控开关方法) 9.7w次阅读
- 红外线发射器电路图 4672次阅读
- 红外线发射器电路图 4368次阅读
- 简单的连续波单音红外光束发射器电子图 2590次阅读
下载排行
本周
- 1TC358743XBG评估板参考手册
- 1.36 MB | 330次下载 | 免费
- 2开关电源基础知识
- 5.73 MB | 11次下载 | 免费
- 3100W短波放大电路图
- 0.05 MB | 4次下载 | 3 积分
- 4嵌入式linux-聊天程序设计
- 0.60 MB | 3次下载 | 免费
- 5DIY动手组装LED电子显示屏
- 0.98 MB | 3次下载 | 免费
- 6基于FPGA的C8051F单片机开发板设计
- 0.70 MB | 2次下载 | 免费
- 751单片机PM2.5检测系统程序
- 0.83 MB | 2次下载 | 免费
- 8基于51单片机的RGB调色灯程序仿真
- 0.86 MB | 2次下载 | 免费
本月
- 1OrCAD10.5下载OrCAD10.5中文版软件
- 0.00 MB | 234315次下载 | 免费
- 2555集成电路应用800例(新编版)
- 0.00 MB | 33566次下载 | 免费
- 3接口电路图大全
- 未知 | 30323次下载 | 免费
- 4开关电源设计实例指南
- 未知 | 21549次下载 | 免费
- 5电气工程师手册免费下载(新编第二版pdf电子书)
- 0.00 MB | 15349次下载 | 免费
- 6数字电路基础pdf(下载)
- 未知 | 13750次下载 | 免费
- 7电子制作实例集锦 下载
- 未知 | 8113次下载 | 免费
- 8《LED驱动电路设计》 温德尔著
- 0.00 MB | 6656次下载 | 免费
总榜
- 1matlab软件下载入口
- 未知 | 935054次下载 | 免费
- 2protel99se软件下载(可英文版转中文版)
- 78.1 MB | 537797次下载 | 免费
- 3MATLAB 7.1 下载 (含软件介绍)
- 未知 | 420027次下载 | 免费
- 4OrCAD10.5下载OrCAD10.5中文版软件
- 0.00 MB | 234315次下载 | 免费
- 5Altium DXP2002下载入口
- 未知 | 233046次下载 | 免费
- 6电路仿真软件multisim 10.0免费下载
- 340992 | 191186次下载 | 免费
- 7十天学会AVR单片机与C语言视频教程 下载
- 158M | 183279次下载 | 免费
- 8proe5.0野火版下载(中文版免费下载)
- 未知 | 138040次下载 | 免费
电子发烧友App





创作
发文章
发帖
提问
发资料
发视频
上传资料赚积分
评论