资料介绍
下载该资料的人也在下载
下载该资料的人还在阅读
更多 >
- 支持Wi-Fi®的电子智能锁
- 在Raspberry Pi Pico上连接Wi-Fi变得容易
- 通过BLE实现Wi-Fi配置 10次下载
- 华为开启企业无线Wi-Fi 6时代 1次下载
- ATWINC15x0 Wi-Fi网络控制器软件设计指南 36次下载
- 4种Wi-Fi连接不良时的典型特征资料下载
- Wi-Fi以及WiFi模块的基本认识 34次下载
- Security Issues with Wi-Fi, Bluetooth, and ZigBee 3次下载
- 智能与远程断开和wi-fi连接插头设计指南 10次下载
- WI-FI威廉希尔官方网站 原理 4次下载
- WI-FI威廉希尔官方网站 原理以及应用 4次下载
- Wi-Fi威廉希尔官方网站 及应用 2次下载
- SimpleLink Wi-Fi CC3000 251次下载
- 什么是Wi-Fi
- 开源硬件-TIDC-SMARTPLUG-WIFI-具有远程断开和 Wi-Fi 连接的智能插座 PCB layout 设计
- Wi-Fi 7与Wi-Fi 6的相关知识科普 523次阅读
- 如何设置房间的独立Wi-Fi? 1088次阅读
- 低功耗Wi-Fi无线连接解决方案 1047次阅读
- Wi-Fi发展历程,你了解多少? 1537次阅读
- Wi-Fi标准简介:Wi-Fi 6和Wi-Fi 7 3846次阅读
- Wi-Fi HaLow与传统Wi-Fi有何不同? 3837次阅读
- Wi-Fi 6+威廉希尔官方网站 提升在哪里? 实测Wi-Fi 6+威廉希尔官方网站 传输速度 4254次阅读
- Wi-Fi 6,未来网络的新起点 759次阅读
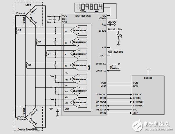
- 部署Wi-Fi连接以实现电网保护和控制 580次阅读
- 什么是Wi-Fi6你期待Wi-Fi6吗Wi-Fi 6的说明 9767次阅读
- 同频架构是如何解决Wi-Fi干扰难题的? 1981次阅读
- Wi-Fi HaLow威廉希尔官方网站 特点和应用分析 4142次阅读
- 看看智能Wi-Fi的五大能力 5011次阅读
- 探析智能Wi-Fi应对射频干扰及解决方案详述 1881次阅读
- 探讨Wi-Fi智能插座,如何实现远程开关控制 3.9w次阅读
下载排行
本周
- 1电子电路原理第七版PDF电子教材免费下载
- 0.00 MB | 1489次下载 | 免费
- 2单片机典型实例介绍
- 18.19 MB | 92次下载 | 1 积分
- 3S7-200PLC编程实例详细资料
- 1.17 MB | 27次下载 | 1 积分
- 4笔记本电脑主板的元件识别和讲解说明
- 4.28 MB | 18次下载 | 4 积分
- 5开关电源原理及各功能电路详解
- 0.38 MB | 10次下载 | 免费
- 6基于AT89C2051/4051单片机编程器的实验
- 0.11 MB | 4次下载 | 免费
- 7基于单片机和 SG3525的程控开关电源设计
- 0.23 MB | 3次下载 | 免费
- 8蓝牙设备在嵌入式领域的广泛应用
- 0.63 MB | 3次下载 | 免费
本月
- 1OrCAD10.5下载OrCAD10.5中文版软件
- 0.00 MB | 234313次下载 | 免费
- 2PADS 9.0 2009最新版 -下载
- 0.00 MB | 66304次下载 | 免费
- 3protel99下载protel99软件下载(中文版)
- 0.00 MB | 51209次下载 | 免费
- 4LabView 8.0 专业版下载 (3CD完整版)
- 0.00 MB | 51043次下载 | 免费
- 5555集成电路应用800例(新编版)
- 0.00 MB | 33562次下载 | 免费
- 6接口电路图大全
- 未知 | 30319次下载 | 免费
- 7Multisim 10下载Multisim 10 中文版
- 0.00 MB | 28588次下载 | 免费
- 8开关电源设计实例指南
- 未知 | 21539次下载 | 免费
总榜
- 1matlab软件下载入口
- 未知 | 935053次下载 | 免费
- 2protel99se软件下载(可英文版转中文版)
- 78.1 MB | 537791次下载 | 免费
- 3MATLAB 7.1 下载 (含软件介绍)
- 未知 | 420026次下载 | 免费
- 4OrCAD10.5下载OrCAD10.5中文版软件
- 0.00 MB | 234313次下载 | 免费
- 5Altium DXP2002下载入口
- 未知 | 233045次下载 | 免费
- 6电路仿真软件multisim 10.0免费下载
- 340992 | 191183次下载 | 免费
- 7十天学会AVR单片机与C语言视频教程 下载
- 158M | 183277次下载 | 免费
- 8proe5.0野火版下载(中文版免费下载)
- 未知 | 138039次下载 | 免费
电子发烧友App





创作
发文章
发帖
提问
发资料
发视频

上传资料赚积分
评论