资料介绍
下载该资料的人也在下载
下载该资料的人还在阅读
更多 >
- 基于89C51单片机的数码管显示动态数据源程序 2次下载
- 基于51单片机的简易计算器(数码管显示)源代码 35次下载
- 基于51单片机的数码管动态扫描显示12345678资料源程序 10次下载
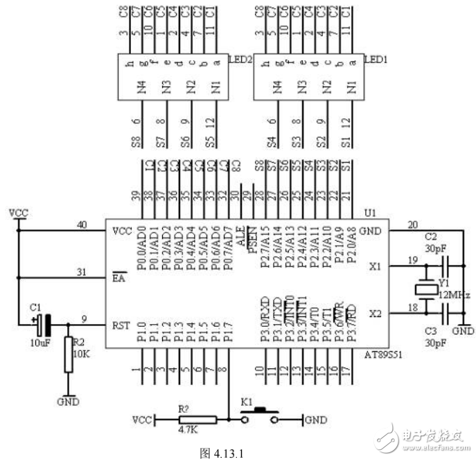
- 51单片机:数码管动态显示
- 使用单片机实现数码管动态显示的C语言实例免费下载 24次下载
- 使用51单片机实现8155芯片扩展8位LED数码管动态显示的仿真文件 51次下载
- 使用51单片机实现MAX7221控制8位LED数码管动态显示的仿真文件 8次下载
- 使用单片机实现数码管显示动态数据的C语言实例免费下载 13次下载
- PIC单片机实现数码管的动态显示和PROTEUS仿真资料免费下载 28次下载
- 使用51单片机实现LED灯点亮和独立按键扫描及数码管动态显示的概述
- 使用51单片机实现数码管动态扫描的C语言程序免费下载
- 使用51单片机进行数码管动态显示的程序免费下载
- 使用51单片机进行数码管动态显示0到7的程序免费下载
- 如何使用51单片机实现8位数码管动态显示12位数字程序免费下载
- 基于单片机实现动态静态LED(数码管下边)的显示 15次下载
- 基于51单片机的电子钟闹钟温度显示设计 1671次阅读
- 基于51单片机的交通灯设计 6145次阅读
- 基于51单片机的数码管动态显示 6425次阅读
- 使用51单片机并行口驱动LED数码管显示电路及程序 1.1w次阅读
- 如何使用51单片机和荧光数码管实现电子数字钟的程序 3970次阅读
- 使用单片机实现拉幕式数码显示威廉希尔官方网站 的详细说明 3345次阅读
- 使用实现单片机动态数码显示的详细说明 4965次阅读
- AT89S51单片机对6位LED数码管实现显示时计方式的设计 6480次阅读
- 51单片机数码管动态扫描驱动的设计 8563次阅读
- 如何用51单片机实现IIC通信 1.6w次阅读
- 基于51单片机使数码管静态显示数字5555 1.2w次阅读
- 一种基于51单片机利用74HC595驱动数码管的威廉希尔官方网站 6493次阅读
- 基于LM35和51单片机的温度采集数码管显示系统 1.4w次阅读
- AVR单片机8位数码管显示的程序实现(两种方法介绍) 1.7w次阅读
- 基于单片机的数码管动态显示器的设计方案 1w次阅读
下载排行
本周
- 1TC358743XBG评估板参考手册
- 1.36 MB | 330次下载 | 免费
- 2开关电源基础知识
- 5.73 MB | 6次下载 | 免费
- 3100W短波放大电路图
- 0.05 MB | 4次下载 | 3 积分
- 4嵌入式linux-聊天程序设计
- 0.60 MB | 3次下载 | 免费
- 5基于FPGA的光纤通信系统的设计与实现
- 0.61 MB | 2次下载 | 免费
- 651单片机窗帘控制器仿真程序
- 1.93 MB | 2次下载 | 免费
- 751单片机大棚环境控制器仿真程序
- 1.10 MB | 2次下载 | 免费
- 8基于51单片机的RGB调色灯程序仿真
- 0.86 MB | 2次下载 | 免费
本月
- 1OrCAD10.5下载OrCAD10.5中文版软件
- 0.00 MB | 234315次下载 | 免费
- 2555集成电路应用800例(新编版)
- 0.00 MB | 33564次下载 | 免费
- 3接口电路图大全
- 未知 | 30323次下载 | 免费
- 4开关电源设计实例指南
- 未知 | 21549次下载 | 免费
- 5电气工程师手册免费下载(新编第二版pdf电子书)
- 0.00 MB | 15349次下载 | 免费
- 6数字电路基础pdf(下载)
- 未知 | 13750次下载 | 免费
- 7电子制作实例集锦 下载
- 未知 | 8113次下载 | 免费
- 8《LED驱动电路设计》 温德尔著
- 0.00 MB | 6653次下载 | 免费
总榜
- 1matlab软件下载入口
- 未知 | 935054次下载 | 免费
- 2protel99se软件下载(可英文版转中文版)
- 78.1 MB | 537796次下载 | 免费
- 3MATLAB 7.1 下载 (含软件介绍)
- 未知 | 420026次下载 | 免费
- 4OrCAD10.5下载OrCAD10.5中文版软件
- 0.00 MB | 234315次下载 | 免费
- 5Altium DXP2002下载入口
- 未知 | 233046次下载 | 免费
- 6电路仿真软件multisim 10.0免费下载
- 340992 | 191185次下载 | 免费
- 7十天学会AVR单片机与C语言视频教程 下载
- 158M | 183279次下载 | 免费
- 8proe5.0野火版下载(中文版免费下载)
- 未知 | 138040次下载 | 免费
电子发烧友App





创作
发文章
发帖
提问
发资料
发视频
上传资料赚积分
评论