资料介绍
下载该资料的人也在下载
下载该资料的人还在阅读
更多 >
- 《电机驱动与控制专用集成电路及应用》pdf 0次下载
- IR2520D的中文资料 29次下载
- (IR)的高压栅极驱动集成电路(HVIC)的数据表解读资料pdf下载 9次下载
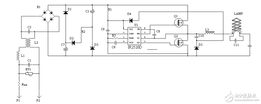
- 基于IR2520D镇流器的控制集成电路 27次下载
- 基于IR51H420厚膜集成电路的荧光灯电子镇流器 51次下载
- 7天完成T5 2x28W电子镇流器设计 229次下载
- IR215X在荧光灯电子镇流器中的应用 49次下载
- 照明电子镇流器控制IC-带600V半桥栅极驱动器的镇流器控制IC
- 基于IR21592的调光电子镇流器设计
- IR的免费镇流器设计软件威廉希尔官方网站 文章
- 提高IR2151和IR2152在镇流器应用中的抗锁定能力 D
- IR2520D设计参考(IRPLCFL5E)
- 采用IR2520D控制集成电路,具有功率因数校正的55W紧凑
- AN-1066应用手册
- IR镇流器设计辅助软件
- 专用集成电路 通用集成电路有哪些区别 专用集成电路和通用集成电路的区别与联系 971次阅读
- 专用集成电路威廉希尔官方网站 是什么意思 专用集成电路威廉希尔官方网站 有哪些 398次阅读
- 混合信号集成电路测试方法 1661次阅读
- 集成电路的封装形式和集成电路电路图的看图方法说明 6838次阅读
- 集成电路的图形符号_集成电路的种类 2.1w次阅读
- 集成电路的分类 9268次阅读
- 模拟集成电路的应用 7250次阅读
- 集成电路怎么测好坏 8789次阅读
- 浅谈集成电路的功能安全 5099次阅读
- 一文解读集成电路的工作原理(集成电路的组成及封装形式) 4.8w次阅读
- 集成电路是什么_集成电路封装_集成电路的主要原材料 2.8w次阅读
- 低成本紧凑型荧光灯镇流器设计电路图 1786次阅读
- 3D集成电路如何实现 5167次阅读
- D型电视机集成电路图 2627次阅读
- IR2167镇流器集成电路图 3742次阅读
下载排行
本周
- 1Keysight B1500A 半导体器件分析仪用户手册、说明书 (中文)
- 19.00 MB | 4次下载 | 免费
- 204-01-02-CBM317线性稳压器(LDO)
- 2.01 MB | 2次下载 | 免费
- 3BT134双向可控硅手册
- 1.74 MB | 2次下载 | 1 积分
- 4使用TL431设计电源
- 0.67 MB | 1次下载 | 免费
- 5LabVIEW环形控件
- 0.01 MB | 1次下载 | 1 积分
- 651单片机核心板原理图
- 0.12 MB | 1次下载 | 5 积分
- 7BP2879DB支持调光调灭的非隔离低 PF LED 驱动器
- 1.44 MB | 1次下载 | 免费
- 8CBM1001A-Q
- 1.52 MB | 次下载 | 免费
本月
- 1开关电源设计原理手册
- 1.83 MB | 50次下载 | 免费
- 2FS5080E 5V升压充电两串锂电池充电管理IC中文手册
- 8.45 MB | 23次下载 | 免费
- 3DMT0660数字万用表产品说明书
- 0.70 MB | 13次下载 | 免费
- 4UC3842/3/4/5电源管理芯片中文手册
- 1.75 MB | 12次下载 | 免费
- 5ST7789V2单芯片控制器/驱动器英文手册
- 3.07 MB | 11次下载 | 1 积分
- 6慧荣SM2263XT开卡软件-B16_B17_FW_S0614B0_RDT_S0617A
- 3.03 MB | 10次下载 | 5 积分
- 7TPS54202H降压转换器评估模块用户指南
- 1.02MB | 8次下载 | 免费
- 8STM32F101x8/STM32F101xB手册
- 1.69 MB | 8次下载 | 1 积分
总榜
- 1matlab软件下载入口
- 未知 | 935119次下载 | 10 积分
- 2开源硬件-PMP21529.1-4 开关降压/升压双向直流/直流转换器 PCB layout 设计
- 1.48MB | 420061次下载 | 10 积分
- 3Altium DXP2002下载入口
- 未知 | 233084次下载 | 10 积分
- 4电路仿真软件multisim 10.0免费下载
- 340992 | 191367次下载 | 10 积分
- 5十天学会AVR单片机与C语言视频教程 下载
- 158M | 183335次下载 | 10 积分
- 6labview8.5下载
- 未知 | 81581次下载 | 10 积分
- 7Keil工具MDK-Arm免费下载
- 0.02 MB | 73807次下载 | 10 积分
- 8LabVIEW 8.6下载
- 未知 | 65987次下载 | 10 积分
电子发烧友App





创作
发文章
发帖
提问
发资料
发视频
评论