资料介绍
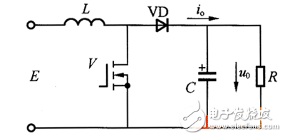
直流斩波电路实验的内容包括两种最基本的斩波电路:降压斩波电路和升压斩波电路。图1所示的是降压斩波电路的原理图。
降压斩波电路的基本原理是:在开关V导通期间,电源F向负载供电,负载电压uo=E,负载电流按指数曲线上升;在V关断期间,负载电流经二极管VD续流,负载电压1/0近似为0,负载电流呈指数曲线下降。为了使负载电流连续且脉动小,通常使串接的电感L值较大,负载电压的平均值为:

图1降压斩波电路原理图

图2所示为升压斩波电路的原理图。分析升压斩波电路的工作原理时,首先假设电路中电感L值很大,电容C值也很大,在V处于通态期间,电源E向电感L充电。充电电流基本恒定为I1,同时电容C上的电压向负载R供电,因C值很大,基本保持输出电压uo为恒值,记为Uo.

图2升压斩波器原理图
设V处于通态的时间为ton,此时电感L上积蓄的能量为EI1ton.当V处于断态时E和L共同向电容C充电并向负载R提供能量。设V处于断态的时间为toff,贝刂在此期间电感L释享308 PIC单片机应用开发典型模块放的能量为(UO-E)I1toff°当电路工作于稳态时,一个周期T中电感L积蓄的能量与释放的能量相等
降压斩波电路的基本原理是:在开关V导通期间,电源F向负载供电,负载电压uo=E,负载电流按指数曲线上升;在V关断期间,负载电流经二极管VD续流,负载电压1/0近似为0,负载电流呈指数曲线下降。为了使负载电流连续且脉动小,通常使串接的电感L值较大,负载电压的平均值为:

图1降压斩波电路原理图

图2所示为升压斩波电路的原理图。分析升压斩波电路的工作原理时,首先假设电路中电感L值很大,电容C值也很大,在V处于通态期间,电源E向电感L充电。充电电流基本恒定为I1,同时电容C上的电压向负载R供电,因C值很大,基本保持输出电压uo为恒值,记为Uo.

图2升压斩波器原理图
设V处于通态的时间为ton,此时电感L上积蓄的能量为EI1ton.当V处于断态时E和L共同向电容C充电并向负载R提供能量。设V处于断态的时间为toff,贝刂在此期间电感L释享308 PIC单片机应用开发典型模块放的能量为(UO-E)I1toff°当电路工作于稳态时,一个周期T中电感L积蓄的能量与释放的能量相等
下载该资料的人也在下载
下载该资料的人还在阅读
更多 >
- DC-DC_升压稳压变换器设计
- 半桥式DC-DC变换器设计
- 全桥双向DC_DC变换器
- 双向全桥DC_DC变换器新型控制策略研究
- 具有移相控制的ZVS全桥DC-DC斩波变换器
- 推挽型DC变换器
- 电动汽车双向DC/DC变换器的研究 46次下载
- 如何在Buck DCDC变换器输出电压纹波是进行仿真研究的资料说明 18次下载
- 使用PSpice进行Buck变换器的仿真研究的资料说明 25次下载
- PWM加相移控制的双向DC/DC变换器 9次下载
- 数字相移控制的隔离Buck-Boost型双向DC-DC变换器研究 242次下载
- DC/DC变换器的PWM控制威廉希尔官方网站
- 基于HEV双向DC DC变换器的研究与设计
- 傅里叶描述符法提取DC-DC变换器信号特征值
- Buck DC/DC变换器输出阻抗优化设计研究
- 储能双向DC/DC功率变换器介绍 1085次阅读
- 基于低EMI DC/DC变换器PCB设计 635次阅读
- 基于XMC4500控制芯片在高频DC/DC变换器中的应用 4221次阅读
- 什么是DC-DC变换器_DC-DC变换器的工作原理 3.7w次阅读
- 双向dc-dc变换器是什么 双向dcdc变换器原理 10w次阅读
- 可供电动汽车驱动选用的隔离电压型/隔离电流型DC-DC变换器介绍 7047次阅读
- 模糊控制在DC/DC变换器中的两种不同的应用介绍 4532次阅读
- 基于双向DC/DC变换器的建模与控制说明 1.7w次阅读
- 理想buck变换器模型与非理想buck变换器模型 1.7w次阅读
- buck变换器工作原理_Buck变换器的降压原理分析 6.5w次阅读
- buck变换器设计_自制buck变换器 4379次阅读
- buck变换器介绍_buck变换器设计 8874次阅读
- buck变换器电流分析_buck变换器峰值电流 6728次阅读
- TL431构成的自激式Buck变换器 1.2w次阅读
- 控制与缓冲型半桥DC-DC变换器的PWM控制 4650次阅读
下载排行
本周
- 1TC358743XBG评估板参考手册
- 1.36 MB | 330次下载 | 免费
- 2开关电源基础知识
- 5.73 MB | 6次下载 | 免费
- 3100W短波放大电路图
- 0.05 MB | 4次下载 | 3 积分
- 4嵌入式linux-聊天程序设计
- 0.60 MB | 3次下载 | 免费
- 5基于FPGA的光纤通信系统的设计与实现
- 0.61 MB | 2次下载 | 免费
- 651单片机窗帘控制器仿真程序
- 1.93 MB | 2次下载 | 免费
- 751单片机大棚环境控制器仿真程序
- 1.10 MB | 2次下载 | 免费
- 8基于51单片机的RGB调色灯程序仿真
- 0.86 MB | 2次下载 | 免费
本月
- 1OrCAD10.5下载OrCAD10.5中文版软件
- 0.00 MB | 234315次下载 | 免费
- 2555集成电路应用800例(新编版)
- 0.00 MB | 33564次下载 | 免费
- 3接口电路图大全
- 未知 | 30323次下载 | 免费
- 4开关电源设计实例指南
- 未知 | 21549次下载 | 免费
- 5电气工程师手册免费下载(新编第二版pdf电子书)
- 0.00 MB | 15349次下载 | 免费
- 6数字电路基础pdf(下载)
- 未知 | 13750次下载 | 免费
- 7电子制作实例集锦 下载
- 未知 | 8113次下载 | 免费
- 8《LED驱动电路设计》 温德尔著
- 0.00 MB | 6653次下载 | 免费
总榜
- 1matlab软件下载入口
- 未知 | 935054次下载 | 免费
- 2protel99se软件下载(可英文版转中文版)
- 78.1 MB | 537796次下载 | 免费
- 3MATLAB 7.1 下载 (含软件介绍)
- 未知 | 420026次下载 | 免费
- 4OrCAD10.5下载OrCAD10.5中文版软件
- 0.00 MB | 234315次下载 | 免费
- 5Altium DXP2002下载入口
- 未知 | 233046次下载 | 免费
- 6电路仿真软件multisim 10.0免费下载
- 340992 | 191185次下载 | 免费
- 7十天学会AVR单片机与C语言视频教程 下载
- 158M | 183279次下载 | 免费
- 8proe5.0野火版下载(中文版免费下载)
- 未知 | 138040次下载 | 免费
电子发烧友App





创作
发文章
发帖
提问
发资料
发视频
上传资料赚积分
评论