电桥电路栅驱动器和MOSFET栅驱动器产品介绍
2024-03-19 09:43:36
45 
电子发烧友网站提供《双高速MOSFET驱动器TPS2811-Q1数据表.pdf》资料免费下载
2024-03-14 09:40:47
0 电子发烧友网站提供《双高效同步MOSFET驱动器TPS51601A数据表.pdf》资料免费下载
2024-03-13 11:07:20
0 电子发烧友网站提供《适用于LCD电视的TPS61197单串式白光LED驱动器数据表.pdf》资料免费下载
2024-03-13 09:11:03
0 在智能BMS应用中,客户往往面临比较多的痛点,其一是低边MOSFET作开关时会将GND分开,做不到连续性;其二是在使用高边MOSFET作开关时其驱动变得较为复杂。
传统的设计方案有以下几种
2024-03-07 22:01:45
再次假设一盏灯使用 24 个 LED,这些 LED 可以像以前一样分解为 4 串,每串 6 个 LED。然而,这些字符串并没有连接在一起,而是保持独立。该驱动器设计用于维持四个独立的恒流输出,每个输出都连接到一个串。
2024-01-31 15:36:28
164 
随着汽车威廉希尔官方网站
的不断发展,LED照明威廉希尔官方网站
逐渐成为汽车照明系统中的主流。其中,汽车LED双路输出恒流驱动器作为一种重要的控制部件,在LED照明系统中发挥着至关重要的作用。本文将对汽车LED双路输出
2024-01-24 18:32:23
462 LED驱动器是一种电源调整电子器件,主要用于驱动LED发光或LED模块组件正常工作。由于LEDPN结的导通特性决定,它能适应的电源的电压和电流变动范围十分狭窄,稍许偏离就可能无法点亮LED或者发光
2024-01-12 16:11:16
3944 
600V下切换。TF2118(M)和逻辑输入与标准CMOS输出(至3.3V)兼容。驱动器输出的特点是高脉冲电流缓冲器设计为最小的驱动器交叉传导。单浮式通道可用于高侧或
2024-01-03 16:57:58
该SDB9HB是一个升压转换器,用于驱动多达7个系列的单节锂离子电池设计的白色LED。该SDB9HB采用电流模式,固定频率架构来调节LED电流,这是通过一个外部电流检测电阻测量。其低200mV
2023-12-14 10:44:15
0 看ADI的差分ADC驱动器,一般都会说适用于“几位”的采集系统,这个“几位”是怎么得到的?
假如要选择一个24位Δ-ΣADC的差分驱动器,应该考虑哪些参数呢?
2023-11-27 08:05:39
H5112C是一款外围电路简单的多功能平均电流型LED恒流驱动器,适用于5-90V电压范围的非隔离式大功率恒流LED驱动领域。
2023-11-22 11:59:37
340 
我现在想用LT3744这款驱动器给我的LED提供一个大的交流电信号。我看说明书上写的可以提供最大40A的交流信号。请问怎么样给驱动板信号呢?怎样确定我给的信号的频率和脉宽呢?
2023-11-16 07:42:36
电子发烧友网站提供《三通道LED驱动器的设计.pdf》资料免费下载
2023-11-13 10:40:19
0 电子发烧友网站提供《LED背光灯用驱动器威廉希尔官方网站
.pdf》资料免费下载
2023-11-10 10:33:53
0 高端 栅极驱动器 IC 非反相 SOT-6
2023-10-31 17:36:48
MP4026是一款原边控制离线LED控制器,可为FCTSOT封装中的隔离式单级功率照明应用提供高功率因数和精确的LED电流。它是广泛应用的MP4021A下一代产品。其专有的实时电流控制方法可通过原边
2023-10-20 15:46:09
电子发烧友网为你提供ADI(ADI)MAX16826: Programmable, Four-String HB LED Driver with Output-Voltage
2023-10-16 19:21:19

发现,像 Arduino 或树莓派这样的设备不能直接驱动重负载。在这种情况下,我们需要一个“驱动器”,也就是一个可以接受来自微控制器的控制信号,并且具有足够功率来驱动负载的电路。在许多情况下,MOSFET
2023-10-16 09:19:23
1185 
使用安森美半导体制造的CAT4106集成多通道LED驱动器和高功率DC-DC转换器,可以设计出非常简单且高效的LED驱动器,适用于为总功率高达6瓦的背光应用供电。
2023-10-15 10:03:41
922 
该LED驱动器电路设计基于LNK405EG驱动器IC,将提供12瓦的输出功率。该LED驱动器电路基于LNK405EG驱动器IC接受90至265 VAC的宽范围输入电压,并将在36mA恒定输出电流下提供330伏的固定输出电压。这种恒流LED驱动电子项目的效率非常高,超过85%,一般为87%。
2023-10-15 09:56:04
321 
一个非常简单的6通道低成本LED驱动器电子电路项目可以使用飞思卡尔半导体制造的MCP34845 LED驱动器进行设计。
2023-10-15 09:46:37
361 
LM3530 高效白光 LED驱动器 IC 具有可编程环境光检测功能和 I2C 兼容接口,可以设计一个简单的白光 LED 驱动器电路。
2023-10-15 09:19:15
331 
电子发烧友网站提供《600V三相MOSFET/IGBT驱动器.pdf》资料免费下载
2023-09-25 11:27:50
0 CL88020 LED驱动器集成电路(Integrated Circuit,IC)是一种离线顺序线性LED驱动器,旨在通过120 VAC标称输入电压提供8.5W LED功率。 CL88020
2023-09-22 17:07:13
0 LT3754 16 通道 LED 驱动器具有一个由凌力尔特设计的升压型 DC DC 控制器,能够驱动高达 45V 的 LED。LT3754 LED 驱动器的每个通道都包含一个具有 ±2.8% 电流匹配的准确吸电流器。
2023-09-16 17:48:55
1039 
这种白光LED驱动器电子项目电路采用MAX1573集成电路设计,由美信半导体制造。
2023-09-16 17:29:29
977 
该调光控制LED驱动器电路采用LM3409P沟道MosFET控制器设计,用于降压(降压)电流调节器。
2023-09-16 17:19:00
328 
在电机驱动系统中,栅极驱动器或“预驱动器” IC常与N沟道功率MOSFET一起使用,以提供驱动电机所需的大电流。在选择驱动器IC、MOSFET以及某些情况下用到的相关无源元件时,有很多需要考量的设计因素。如果对这个过程了解不透彻,将导致实现方式的差强人意。
2023-08-02 18:18:34
807 
这是使用IC MD7120作为MOSFET驱动器的D类功率音频放大器的电路设计。 MD7120 用于驱动在 H 桥开关两侧运行的四个 N 沟道 MOSFET 晶体管。它由控制器逻辑电路、电平转换器
2023-07-28 16:20:50
801 
电子发烧友网站提供《用于LED驱动器的单级初级侧调节PFC控制器.pdf》资料免费下载
2023-07-24 17:38:35
0 介绍
在设计电源开关系统(例如电机驱动器或电源)时,设计人员必须做出重要决定。什么电机或变压器符合系统要求?什么是最好的MOSFET或IGBT来匹配该电机或变压器?以及哪种栅极驱动器 IC 最适合
2023-07-24 15:51:43
0 AP5193 DC-DC宽电压LED降压恒流驱动器 LED电源驱动IC
2023-07-14 14:37:10
863 
对于包括白光LED在内的大功率LED,这些照明系统需要进行更复杂的调节,以确保系统中每个LED上的电流和电压都稳定。虽然可以通过一些外部电子元器件来构建稳压器,但使用LED驱动器IC来控制系统要容易得多。单片机开发工程师介绍,这些芯片专门设计用于为LED提供高效率的DC电源。
2023-07-10 10:51:28
1044 
LED驱动器是一种电气设备,用于调节LED或一串(或多串)LED的功率。LED驱动器通过向LED提供恒定量的功率来响应LED或LED电路不断变化的需求,因为其电气特性随温度变化。
2023-07-04 16:42:08
1305 端)。LED驱动器电源的输出大多是恒流源,可以随着LED正向压降的变化而改变电压。LED电源的核心元件包括开关控制器、电感器、开关元件(MOSFET)、反馈电阻、输入滤波器件、输出滤波器等。根据不同场合的要求,必须有输入过压保护电路、输入欠压保护电路、LED开路保护、过流保护电路等。
2023-07-04 16:38:26
3213 MAX6957是紧凑型、串行接口的LED显示驱动器和I/O扩(GPIO)展器,可为微控制器提供多达28个端口。每个端口都可独立地被用户配置为逻辑输入、逻辑输出或共阳(CA) LED恒流段驱动器。每个
2023-07-04 10:04:13
MAX6956是紧凑型、串行接口的LED显示驱动器和I/O扩展器,可为微控制器提供多达28个端口。每个端口都可独立地被用户配置为逻辑输入、逻辑输出或共阳(CA) LED恒流段驱动器。每个端口可配置为
2023-07-04 09:48:59
用于外部照明(前照灯和尾灯)的开关模式LED驱动器将创建高效的设计,但也增加了EMI挑战。为了最大限度地降低EMI,许多汽车制造商被迫花费时间和资源来试验不同的布局和滤波方法。有些人选择在其系统中实施多个组件以通过EMI规范。设计人员需要一种负担更少的方法来降低EMI。
2023-06-28 15:32:50
269 宽禁带生态系统的一部分,还将提供 NCP51705(用于 SiC MOSFET 的隔离栅极驱动器)的使用指南 。本文为
2023-06-25 14:35:02
377 
MAX6951/MAX6950 SPI LED驱动器简单易用的共阴极显示器驱动器,通过SPI串行接口连接微控制器。MAXQ系列微控制器集成了SPI模块,可通过SPI接口与LED驱动器通信。这里介绍的例程有助于用户理解MAX6951的LED驱动功能。也可将该例程应用到类似的MAXQ2000系统开发中。
2023-06-16 15:34:12
532 
本参考设计详细介绍了采用MAX16820滞回型LED驱动器构成的4 LED MR-16驱动电路,另外还提供一路脉冲冷却器的辅助电源(MAX5033).
2023-06-13 09:25:21
536 
该参考设计采用MAX16823 3通道线性LED驱动器和外部BJT,实现3S3P RCL驱动电路。图1和图2给出了PCB和安装了散热器的图片;图3为参考设计的电路板布局;图4为参考设计的原理图。
2023-06-12 16:53:38
486 
反激型LED驱动器比较通用,因为该结构可以用于输入电压高于或低于所要求的输出电压。 此外,当反激电路工作在非连续电感电流模式时,能够保持LED电流恒定,无需额外的控制回路。 本应用笔记所描述的电路基于高度集成的MAX16802 PWM LED驱动器IC。
2023-06-12 16:17:22
938 
MAX6970为8端口、36V恒流LED驱动器,采用4线串口。利用本应用笔记提供的信息,MAX6970配合MAXQ2000 16位RISC微控制器使用,可以在选择不同按键时得到各种简单的LED排序。
2023-06-12 16:10:39
292 
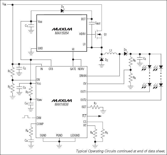
下列提供了汽车LED系统的参考设计。 用MAX15005将8V至16V汽车电池升压至21V,以驱动一串6至8个LED。 参考设计的关键参数在下面列出,并给出了所需的详细电路原理图(图1)和材料清单(表1)。
2023-06-12 14:21:27
467 
本参考设计为离线式(400VDC)、反激LED驱动器。该设计能够以400mA电流驱动27只WLED (白光LED)。安装跳线J1后,能够以400mA电流驱动6只琥珀色LED。设计采用MAX
2023-06-12 14:15:45
445 
本文提出了几种电路思路,用于在LED断开时保护升压转换器LED驱动器。(如果没有保护,驱动器输出会损坏外部MOSFET和肖特基二极管。包括LED驱动器IC(MAX1698)和比较器(MAX9060或MAX9028)。
2023-06-12 10:16:23
657 
本参考设计采用MAX16809作为主控制器,用于电源升压转换和16端口的LED驱动。 16个端口中的15个端口按照五个端口组成一组,用于驱动三串并联的LED。 Boost电源的输出电压始终高于输入
2023-06-10 16:41:32
667 
本应用笔记描述了一个实用程序,该程序允许从PC控制多达16个MAX7219或MAX7221驱动器。该实用程序可单独使用,帮助工程师熟悉驱动器的寄存器和功能,或在设计设备软件之前直接控制MAX7219或MAX7221寄存器来测试应用板原型。
2023-06-09 14:52:42
703 
MAX6952和MAX6953为4位共行5x7矩阵LED显示驱动器,通过高速SPI™(MAX6952)或I²C (MAX6953)串行接口控制。本应用笔记描述了一个实用程序,允许通过PC控制
2023-06-08 16:26:51
574 
MAX6950和MAX6951为5位和8位共阴极LED显示驱动器,采用不寻常的多路复用方案。这种多路复用方案最大限度地减少了驱动器和LED显示屏之间的连接,但要求5位(MAX6950)或8位(MAX6951)的段连接不同(表1)。
2023-06-08 16:20:19
768 
MAX6952和MAX6953为4位阴极排5×7矩阵LED显示驱动器,通过高速SPI(MAX6952)或I2C 控制(MAX6953) 串行接口。这些驱动程序主要用于字符显示应用,其中单个 5×7 矩阵数字在物理上间隔开以形成一个或多个字符行(图 1)。
2023-06-08 16:17:13
463 
本应用笔记是讨论MAX6952和MAX6953 LED驱动器应用中的软件和处理器接口问题的两篇应用笔记之一,用于构建用于留言板和动画图形显示的点数海LED矩阵图形面板。本说明介绍了面板设计的软件方面。
2023-06-08 16:15:20
480 
本应用笔记讨论了较旧的MAX7219和MAX7221 LED显示驱动器与较新的MAX6950和MAX6951驱动器在硬件和软件方面的异同。这些驱动器是通过高速串行接口控制的五位或八位共阴极LED显示驱动器。表 1 显示了驱动程序之间的硬件差异。
2023-06-08 16:14:12
700 LED灯驱动器是一种将电源的直流电转换成LED灯需要的恒流或恒压电源的电子装置。根据其工作原理和构造方式的不同,LED灯驱动器可以分为以下几种类型
2023-06-02 17:41:58
9242 使用万用表测量LED驱动器的正常工作情况,可以在确保LED灯的发光和寿命的同时,及时检测并更换损坏的驱动器,提高LED灯的使用寿命和性能。
2023-06-02 17:40:45
27719 是一款外围电路简单的多功能平均电流型 LED 恒流驱动器,适用于宽电压范围的非隔离式大功率恒流 LED 驱动领域。 芯片 PWM 端口支持超小占空比的 PWM 调光,可响应最小 60ns 脉宽。芯片采用我
2023-05-27 11:42:27
常规的双极晶体管是电流驱动器件,而MOSFET 是电压驱动器件。
2023-05-22 09:54:02
518 
常规的双极晶体管是电流驱动器件,而MOSFET 是电压驱动器件。
2023-05-22 09:52:08
747 
MAX25600为同步、4开关、升/降压LED驱动器控制器。控制器调节LED电流,支持0V至60V的LED灯串电压。MAX25600可用作无缝升/降压LED驱动器,适用于要求带有同步整流的高效升
2023-05-08 11:31:00
MAX25610A/MAX25610B为完全同步LED驱动器,提供恒流输出,以驱动高功率LED。MAX25610A/MAX25610B集成2个60mΩ功率MOSFET,适用于同步操作,最大程度减少
2023-05-08 11:27:55
MAX16801A/B/MAX16802A/B高亮度(HB) LED驱动控制器IC含有设计宽输入电压范围LED驱动器所需的全部电路,适用于通用照明和显示器应用。MAX16801非常适用于通用输入
2023-05-08 10:59:31
MAX16801A/B/MAX16802A/B高亮度(HB) LED驱动控制器IC含有设计宽输入电压范围LED驱动器所需的全部电路,适用于通用照明和显示器应用。MAX16801非常适用于通用输入
2023-05-08 10:51:38
MAX16826高亮度LED (HB LED)驱动器针对汽车LCD显示器和其他显示应用(如工业或台式计算机显示器及液晶电视)的背光应用设计。MAX16826集成了开关稳压控制器、4通道线性吸电流
2023-05-06 14:59:23
MAX16814高效率、高亮度LED (HB LED)驱动器可提供多达四路的集成LED吸电流通道。电流模式开关型DC-DC控制器驱动一路DC-DC转换器,提供多串HB LED所需的电压
2023-05-06 14:55:29
MAX16813B高效、高亮度LED (HB LED)驱动器提供四路集成式LED电流驱动通道。集成式电流模式开关控制器驱动DC-DC转换器,为多个HB LED灯串提供必要电压。器件支持4.75V至
2023-05-06 14:52:10
MAX16819/MAX16820是降压恒流高亮度LED (HB LED)驱动器,为汽车内部/外部照明、建筑和环境照明、LED灯泡如MR16和其他LED照明应用提供具有成本效益的解决方案
2023-05-06 11:00:23
MAX16819/MAX16820是降压恒流高亮度LED (HB LED)驱动器,为汽车内部/外部照明、建筑和环境照明、LED灯泡如MR16和其他LED照明应用提供具有成本效益的解决方案
2023-05-06 10:56:29
MAX16822A/MAX16822B是降压恒流高亮度LED (HB LED)驱动器,为汽车内部/外部照明、建筑和环境照明、LED灯泡和其它LED照明应用提供具有成本效益的解决方案
2023-05-06 10:27:53
MAX16834是电流模式高亮度LED (HB LED)驱动器,可实现升压、升/降压、SEPIC及高边降压拓扑结构。除了驱动由开关控制器控制的n沟道功率MOSFET开关,该器件还可驱动n沟道PWM
2023-05-06 10:15:50
MAX16832A/MAX16832C是降压恒流高亮度LED (HB LED)驱动器,为汽车内部/外部照明、建筑和环境照明、LED灯泡和其它LED照明应用提供具有成本效益的解决方案
2023-05-06 10:12:39
MAX16833、MAX16833B、MAX16833C、MAX16833D和MAX16833G为峰值电流控制模式LED驱动器,可配置成boost、buck-boost、SEPIC、反激和高边
2023-05-06 09:38:20
MAX16813是一款高效率、高亮度LED (HB LED)驱动器,提供四路集成的LED灌电流通道。集成电流模式开关控制器驱动DC-DC转换器,提供用于驱动各串HB LED的电压。器件输入电压范围为
2023-05-05 17:39:31
MAX16838B为双通道LED驱动器,集成DC-DC开关式升压调节器和两个150mA流入电流源。电流模式开关DC-DC控制器提供两个HB LED灯串所需的电压。MAX16838B支持
2023-05-05 17:26:12
MAX25611A/MAX25611B/MAX25611C/MAX25611D为单通道HBLED驱动器,适合汽车前灯应用,例如远光灯、近光灯、日间行车灯(DRL)、转向灯、雾灯及其他LED灯。器件
2023-05-05 11:49:46
MAX25611A/MAX25611B/MAX25611C/MAX25611D为单通道HBLED驱动器,适合汽车前灯应用,例如远光灯、近光灯、日间行车灯(DRL)、转向灯、雾灯及其他LED灯。器件
2023-05-05 11:47:08
MAX25611A/MAX25611B/MAX25611C/MAX25611D为单通道HBLED驱动器,适合汽车前灯应用,例如远光灯、近光灯、日间行车灯(DRL)、转向灯、雾灯及其他LED灯。器件
2023-05-05 11:21:49
MAX25611A/MAX25611B/MAX25611C/MAX25611D为单通道HBLED驱动器,适合汽车前灯应用,例如远光灯、近光灯、日间行车灯(DRL)、转向灯、雾灯及其他LED灯。器件
2023-05-05 11:18:55
MAX25613为单通道、大电流IR LED驱动器,适用于汽车驾驶员监控系统(DMS)。器件支持5V至48V输入电压驱动LED灯串,最大输出电压为55V。MAX25613采用Maxim专有的双控制
2023-05-05 11:15:33
MAX25612为单通道高亮度LED (HB LED)驱动器,适合汽车前灯应用,例如远光灯、近光灯、日间行车灯(DRL)、转向灯、雾灯及其它LED灯。该器件利用5V至48V输入电压驱动LED灯串
2023-05-05 10:59:29
LED灯驱动器的效率也会影响使用,具有更高效率的驱动器可使LED灯更加节能,并最大化LED灯的使用寿命。
2023-04-26 18:20:34
14271 LTC®1693 系列以高速驱动功率 N 沟道 MOSFET。1.5A 峰值输出电流降低了具有高栅极电容之 MOSFET 中的开关损耗。LTC1693-1 包含两个同相驱动器,而 LTC1693-2
2023-04-23 09:14:35
MAX15054是高边、n沟道MOSFET驱动器,高压应用中可工作在较高的开关频率。该器件由以地为参考的CMOS逻辑电平控制,输入到输出的传输延时极短(12ns,典型值)。高压工作和源出/吸入大电流
2023-04-21 10:41:00
MAX15492是一款同步半桥驱动器,具有超低功耗模式。该器件与控制器IC如MAX15411、MAX15566/MAX15567或MAX15576/MAX15577一起工作,用于多相CPU核稳压器
2023-04-20 11:57:31
您好,我正在尝试使用 MC34GD3000 栅极驱动器,但我们遇到了设备故障和损坏高侧 MOSFET 栅极驱动器的问题。首先,是否有任何关于正确设置栅极驱动器输出的应用说明。我们看到的是在没有任何
2023-04-19 06:36:06
本应用笔记是系列笔记中的第一篇,详细介绍了MAX16833高压高亮度LED驱动器的分步设计过程,以加快原型设计速度,增加一次通过成功的机会。MAX16833为峰值电流模式控制的LED驱动器,能够以几种不同的架构驱动LED串:升压、降压-升压、SEPIC、反激式和高边降压拓扑。
2023-04-17 16:13:40
39895 
稍等一下。在增加一个电流限制电阻器的情况下,任何线性稳压器都可以被用于LED照明。。。LM317-N到底有什么不同呢?嗯,实际上,不是它的新功能,而是LM317-N之前的功能才使得它成为一种简单LED驱动器。
2023-04-17 09:30:43
1120 
第一代HB LED驱动器有一些局限性。它们不允许设计人员优化效率、最大限度地减少外部元件数量、最小化EMI或实现非常宽的PWM调光范围。最新一代多串HB LED驱动器,如MAX16814,允许开关
2023-04-11 11:23:41
1399 
概述SD3390B是一款PWM高效LED驱动器控制IC。它允许高亮度(HB)LED在10VDC至600VDC的电压源下高效工作。SD3390B以高达300kHz的固定开关频率控制外部MOSFET
2023-04-06 17:42:58
0 MAX5062/MAX5063/MAX5064是高频、125V半桥、n沟道MOSFET驱动器,在高压应用中驱动高侧和低侧的MOSFET。这些驱动器可以独立控制,输入到输出的传输延时典型值为35ns
2023-03-31 11:21:19
MAX15018A/MAX15018B/MAX15019A/MAX15019B是高频、125V半桥、n沟道MOSFET驱动器,在高压应用中驱动高边和低边MOSFET。这些驱动器可以独立控制,输入到
2023-03-31 10:57:41
MAX15018A/MAX15018B/MAX15019A/MAX15019B是高频、125V半桥、n沟道MOSFET驱动器,在高压应用中驱动高边和低边MOSFET。这些驱动器可以独立控制,输入到
2023-03-31 10:55:49
MAX15018A/MAX15018B/MAX15019A/MAX15019B是高频、125V半桥、n沟道MOSFET驱动器,在高压应用中驱动高边和低边MOSFET。这些驱动器可以独立控制,输入到
2023-03-31 10:53:15
我想知道 NXP 是否有任何 LED驱动器可以让 LED 使用 PWM 信号工作,并具有故障检测功能以关闭所有 LED。将有大约 50-60 个正向电压为 3.0 v @ 30mA 的单色 LED
2023-03-28 06:12:42
IGBT模块作为汽车电驱系统最常昂贵的开关元件。IGBT同时具有功率MOSFET导通功率小及开关速度快的性能,以及双极型晶体管饱和压降低(导通电阻小)高电压和大电流处理能力的半导体元件
2023-03-23 16:01:54
RGB LED可产生多种颜色,包括白色,使其具有高度的通用性。每个RGB LED需要三个驱动器,每个颜色的LED需要一个驱动器。与单个LED驱动器相比,在RGB应用中使用多输出LED驱动器可以节省解决方案的尺寸和成本。LTC3207和LTC3207-1每个都提供12个单独可编程的电流源(通用驱动器)。
2023-03-23 11:08:12
2172 
LTC7001 是一款快速、高压侧 N 沟道 MOSFET 栅极驱动器,选用高达 135V 的输入电压作业。该器材包括一个担任全面增强外部 N 沟道 MOSFET 开关的内部充电泵,因此使其可以无限期地坚持导通。
2023-03-23 09:46:45
514
评论