电阻在MOS管电路中的注意事项及参考选择方法
MOS管驱动电阻怎么选择,给定频率,MOS管的Qg和上升沿怎么计算用多大电阻
首先得知道输入电容大小和驱动电压大小,等效为电阻和电容串联电路,求出电容充电电压表达式,得出电阻和电容电压关系图
MOS管的开关时间要考虑的是Qg的,而不是有Ciss,Coss决定,看下面的Data.一个MOS可能有很大的
输入电容,但是并不代表其导通需要的电荷量Qg就大,
Ciss(输入电容)和Qg是有一定的关系,但是还要考虑MOS的跨导y.
1 概述
MOS管的驱动对其工作效果起着决定性的作用。设计师既要考虑减少开关损耗,又要求驱动波形较好即振荡小、过冲小、EMI小。这两方面往往是互相矛盾的,需要寻求一个平衡点,即驱动电路的优化设计。驱动电路的优化设计包含两部分内容:一是最优的驱动电流、电压的波形;二是最优的驱动电压、电流的大小。在进行驱动电路优化设计之前,必须先清楚MOS管的模型、MOS管的开关过程、MOS管的栅极电荷以及MOS管的输入输出电容、跨接电容、等效电容等参数对驱动的影响。
2 MOS管的模型
MOS管的等效电路模型及寄生参数如图1所示。图1中各部分的物理意义为:
(1)LG和LG代表封装端到实际的栅极线路的电感和电阻。
(2)C1代表从栅极到源端N+间的电容,它的值是由结构所固定的。
(3)C2+C4代表从栅极到源极P区间的电容。C2是电介质电容,共值是固定的。而C4是由源极到漏极的耗尽区的大小决定,并随栅极电压的大小而改变。当栅极电压从0升到开启电压UGS(th)时,C4使整个栅源电容增加10%~15%。
(4)C3+C5是由一个固定大小的电介质电容和一个可变电容构成,当漏极电压改变极性时,其可变电容值变得相当大。
(5)C6是随漏极电压变换的漏源电容。

MOS管输入电容(Ciss)、跨接电容(Crss)、输出电容(Coss)和栅源电容、栅漏电容、漏源电容间的关系如下:

3 MOS管的开通过程
开关管的开关模式电路如图2所示,二极管可是外接的或MOS管固有的。开关管在开通时的二极管电压、电流波形如图3所示。在图3的阶段1开关管关断,开关电流为零,此时二极管电流和电感电流相等;在阶段2开关导通,开关电流上升,同时二极管电流下降。开关电流上升的斜率和二极管电流下降的斜率的绝对值相同,符号相反;在阶段3开关电流继续上升,二极管电流继续下降,并且二极管电流符号改变,由正转到负;在阶段4,二极管从负的反向最大电流IRRM开始减小,它们斜率的绝对值相等;在阶段5开关管完全开通,二极管的反向恢复完成,开关管电流等于电感电流。

图4是存储电荷高或低的两种二极管电流、电压波形。从图中可以看出存储电荷少时,反向电压的斜率大,并且会产生有害的振动。而前置电流低则存储电荷少,即在空载或轻载时是最坏条件。所以进行优化驱动电路设计时应着重考虑前置电流低的情况,即空载或轻载的情况,应使这时二极管产生的振动在可接受范围内。

4 栅极电荷QG和驱动效果的关系
栅极电荷QG是使栅极电压从0升到10V所需的栅极电荷,它可以表示为驱动电流值与开通时间之积或栅极电容值与栅极电压之积。现在大部分MOS管的栅极电荷QG值从几十纳库仑到一、两百纳库仑。
栅极电荷QG包含了两个部分:栅极到源极电荷QGS;栅极到漏极电荷QGD—即“Miller”电荷。QGS是使栅极电压从0升到门限值(约3V)所需电荷;QGD是漏极电压下降时克服“Miller”效应所需电荷,这存在于UGS曲线比较平坦的第二段(如图5所示),此时栅极电压不变、栅极电荷积聚而漏极电压急聚下降,也就是在这时候需要驱动尖峰电流限制,这由芯睡内部完成或外接电阻完成。实际的QG还可以略大,以减小等效RON,但是太大也无益,所以10V到12V的驱动电压是比较合理的。这还包含一个重要的事实:需要一个高的尖峰电流以减小MOS管损耗和转换时间。

重要是的对于IC来说,MOS管的平均电容负荷并不是MOS管的输入电容Ciss,而是等效输入电容Ceff(Ceff=QG/UGS),即整个0《UGS《UGS(th)的等效电容,而Ciss只是UGS=0时的等效电容。
漏极电流在QG波形的QGD阶段出现,该段漏极电压依然很高,MOS管的损耗该段最大,并随UDS的减小而减小。QGD的大部分用来减小UDS从关断电压到UGS(th)产生的“Miller”效应。QG波形第三段的等效负载电容是:

5 优化栅极驱动设计
在大多数的开关功率应用电路中,当栅极被驱动,开关导通时漏极电流上升的速度是漏极电压下降速度的几倍,这将造成功率损耗增加。为了解决问题可以增加栅极驱动电流,但增加栅极驱动上升斜率又将带来过冲、振荡、EMI等问题。优化栅极驱动设计,正是在互相矛盾的要求中寻求一个平衡点,而这个平衡点就是开关导通时漏极电流上升的速度和漏极电压下降速度相等这样一种波形,理想的驱动波形如图6所示。
图6的UGS波形包括了这样几部分:UGS第一段是快速上升到门限电压;UGS第二段是比较缓的上升速度以减慢漏极电流的上升速度,但此时的UGS也必须满足所需的漏极电流值;UGS第四段快速上升使漏极电压快速下降;UGS第五段是充电到最后的值。当然,要得到完全一样的驱动波形是很困难的,但是可以得到一个大概的驱动电流波形,其上升时间等于理想的漏极电压下降时间或漏极电流上升的时间,并且具有足够的尖峰值来充电开关期间的较大等效电容。该栅极尖峰电流IP的计算是:电荷必须完全满足开关时期的寄生电容所需。

UG(th))
6 应用实例
在笔者设计的48V50A电路中采用双晶体管正激式变换电路,其开关管采用IXFH24N50,其参数为:

根据如前所述,驱动电压、电流的理想波形不应该是一条直线,而应该是如图6所示的波形。实验波形见图7。

7 结论
本文详细介绍了MOS管的电路模型、开关过程、输入输出电容、等效电容、电荷存储等对MOS管驱动波形的影响,及根据这些参数对驱动波形的影响进行的驱动波形的优化设计实例,取得了较好的实际效果。
影响MOSFET开关速度除了其本身固有Tr,Tf外,还有一个重要的参数:Qg (栅极总静电荷容量)。该参数与栅极驱动电路的输出内阻共同构成了一个时间参数,影响着MOSFET的性能(你主板的MOSFET的栅极驱动电路就集成在IRU3055这块PWM控制芯片内); r6 @0 k‘ S/ l3 }4 u, r/ W
厂家给出的Tr,Tf值,是在栅极驱动内阻小到可以忽略的情况下测出的,实际应用中就不一样了,特别是栅极驱动集成在PWM芯片中的电路,从PWM到MOSFET栅极的布线的宽度,长度,都会深刻影响MOSFET的性能。如果PWM的输出内阻本来就不低,加上MOS管的Qg又大,那么不论其Tr,Tf如何优秀,都可能会大大增加上升和下降的时间
偶认为,BUCK同步变换器中,高侧MOS管的Qg比RDS等其他参数更重要,另外,栅极驱动内阻与Qg的配合也很重要,一定 程度上就是由它的充电时间决定高侧MOSFET的开关速度和损耗。。
看从哪个角度出发。电荷泻放慢,说明时间常数大。时间常数是Ciss与Rgs的乘积。栅源极绝缘电阻大,说明制造工艺控制较好,材料、芯片和管壳封装的表面杂质少,漏电少。时间常数大,栅源极等效输入电容也大。栅源极等效输入电容,与管芯尺寸成正比并与管芯设计有关。通常,管芯尺寸大,Ron(导通电阻)小、跨导(增益)大。栅源极等效电容大,会增加开关时间、降低开关性能、降低工作速度、增加功率损耗。Ciss与电荷注入率成正比,可能还与外加电压有关并具有非线性等。以上,均是在相同条件下的对比。从应用角度出发,同等价格,多数设计希望选用3个等效电容(包括Ciss)小的器件。Ciss=Cgd+Cgs,充放电时间上也有先后,先是Cgs充满,然后是Cgd.。
泄放电阻和栅极电阻有什么区别?
场效应管栅极与源极之间加一个电阻,这个电阻起到什么作用?
一是为场效应管提供偏置电压;二是起到泻放电阻的作用:保护栅极G-源极S;
第一个作用好理解,这里解释一下第二个作用的原理——保护栅极G-源极S:场效应管的G-S极间的电阻值是很大的,这样只要有少量的静电就能使他的G-S极间的等效电容两端产生很高的电压,如果不及时把这些少量的静电泻放掉,他两端的高压就有可能使场效应管产生误动作,甚至有可能击穿其G-S极;这时栅极与源极之间加的电阻就能把上述的静电泻放掉,从而起到了保护场效应管的作用。

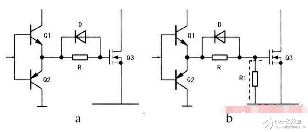
看一个具体的例子:MOS管在开关状态工作时,Q1、Q2是轮流导通,MOS管栅极在反复充、放电状态,如果在此时关闭电源,MOS管的栅极就有两种状态:一种是放电状态,栅极等效电容没有电荷存储;另一个是充电状态,栅极等效电容正好处于电荷充满状态,如下图a所示。虽然电源切断,此时Q1、Q2也都处于断开状态,电荷没有释放的回路,但MOS管栅极的电场仍然存在(能保持很长时间),建立导电沟道的条件并没有消失。这样在再次开机瞬间,由于激励信号还没有建立,而开机瞬间MOS管的漏极电源(V1)随机提供,在导电沟道的作用下,MOS管立刻产生不受控的巨大漏极电流Id,引起MOS管烧坏。为了避免此现象产生,在MOS管的栅极对源极并接一只泄放电阻R1,如下图b所示,关机后栅极存储的电荷通过R1迅速释放,此电阻的阻值不可太大,以保证电荷的迅速释放,一般在五千欧至数十千欧左右。
灌流电路主要是针对MOS管在作为开关营运用时其容性的输入特性,引起“开”、“关”动作滞后而设置的电路,当MOS管作为其他用途,例如线性放大等应用时,就没有必要设置灌流电路。
