转子串电阻和频敏变阻器是什么?该如何启动?
如下图所示,在绕线式电动机的转子电路中每相串入可以均匀调节的变阻器,称启动变阻器。启动开始时,手柄位于图“启动电阻”所指的位置,此时全部电阻串在转子电路中,随着电动机转速的升高,逐渐将手柄按顺时针方向转动,则串入转子电路中的电阻逐渐减小,当电阻被全部切除(电阻为零)时,电动机启动即告结束。

此法一般用于小容量的绕线式电动机上,当电动机容量稍大时则采用下图(左)中所示的电路,此时电阻不是均匀的减小而是通过接触器触头或凸轮控制器触头的开闭有级的切除电阻。这种启动方法的优点是不仅能减小电动机启动电流,而且能使启动转矩保持在较大的范围内,所以在需要重载启动的设备,如桥式起重机、卷场机、龙门吊车等上面被广泛采用。
以上串电阻启动方法的缺点是所需启动设备较多,启动时有一部分能量消耗在启动电阻上,而且启动级数较少,因而出现了下面的频敏变阻器启动法。
频敏变阻器启动频敏变阻器是一种有独特结构的新型无触点原件,其外部结构与三相电抗器相似,即由三个铁心柱和三个绕组组成,三个绕组接成星形,并通过滑环和电刷与绕线式电动机三相转子绕组相连,如下图(右边部分)。、

它的阻抗随着转子电流频率的变化而变化,所以叫频敏变阻器。刚开始启动时,电动机转速很低,转子的频率很大,随着电动机转速上升,变压器的阻抗随着转子电流频率的降低而自动减小,所以启动平稳性能好。启动结束后,把频敏变阻器从电路中切除。
这种启动方法的优点是结构简单、成本较低、使用寿命长、维护方便,电动机平滑启动。主要不足之处是,功率因素很低,启动转矩并不很大,通常适用于轻载电动机的启动。
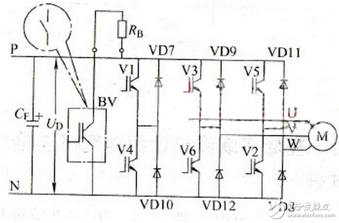
什么情况下需要使用制动电阻?
总的原则是:如果因再生制动导致直流电路容易过电压的话,必须配制动电阻,将滤波电容器上多余的电荷释放掉,如图2-41所示。

图2-41 制动电阻和制动单元
图中,制动单元BV的作用是:当直流电压UD超过一定限值时,BV导通,使电容器通过制动电阻RB放电;当直流电压UD降到限值以内时,BV截止,停止放电。
在具体工作中,有必要考虑配制动电阻的场合有:
(1)起动和制动比较频繁的场合;
(2)要求快速制动的场合;
(3)有位能负载的场合,如起重机械等。
