您好,欢迎来电子发烧友网! ,新用户?[免费注册]

您的位置:电子发烧友网>电子元器件>接口定义>

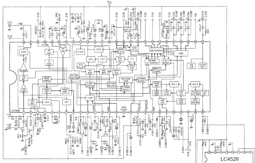
la7688b引脚功能

2008年01月25日 12:36 本站原创 作者:本站 用户评论(0

la7688b引脚功能

la7688芯片资料

非常好我支持^.^

(18) 58.1%

不好我反对

(13) 41.9%

相关阅读:

( 发表人:admin )

      发表评论

      用户评论
      评价:好评中评差评

      发表评论,获取积分! 请遵守相关规定!