irf3205是逆变器及高频鱼机使用挺多的一种效应管,它的封装如下文。
D2Pak封装
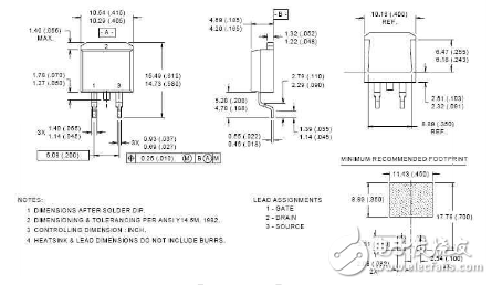
D2Pak表面封装的适合于小功率大面积小HEX-4。它能够提供最大的功率输出和最可能小的导通阻抗在现有的贴片封装下。D2Pak适合与大电流应用场合,是因为它有低的内部连接阻抗和具有2W的散热能力,是典型的贴片封装应用。
D2Pak包装轮廓

D2Pak器件记号信息

D2Pak包装带信息

TO-262封装
TO-262包装轮廓

TO-262器件记号信息

非常好我支持^.^
(1) 25%
不好我反对
(3) 75%
( 发表人:李建兵 )