74ls173引脚图及功能
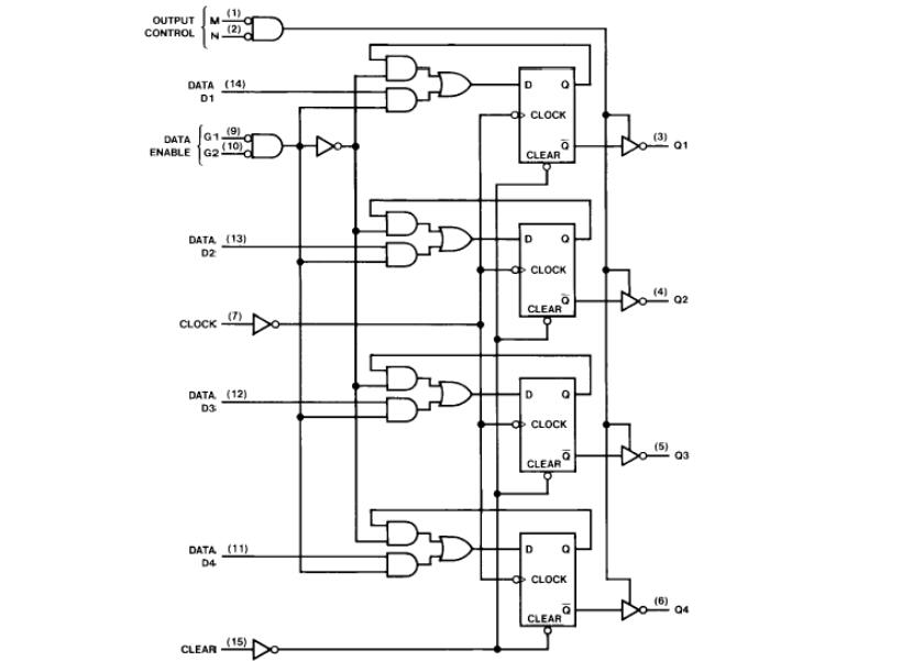
74ls173为具有三态输出的4位寄存器。
	
引出端符号
CP 时钟输入端(上升沿有效)
CR 清除端
1D~4D 数据输入端
1Q~4Q 输出端
	  
三态允许允许端(低电平有效)
	  
数据选通端(低电平有效)
74ls173逻辑图

74ls173功能表

H――高电平
L――低电平
X――任意
Z――高阻
Q0――规定的稳态输入条件建立前Q的电平
↑——低到高跳变
74ls173极限值
电源电压——7V
输入电压
54/74LS173—— 7V
输入高阻态电压—— 5.5V
工作环境温度
74××× ——0~70℃
储存温度 ——-65℃~150℃
74ls173推荐工作条件

74ls173静态特性

[1]:测试条件中的“最小”和“最大”用推荐工作条件中的相应值。
74ls173动态特性

[2]: fmax 最大时钟频率。tPLH输出由低电平到高电平传输延迟时间 tPHL输出由高电平到低电平传输延迟时间 tPZH输出由高阻态到高电平允许时间 tPZL输出由高阻态到低电平允许时间 tPHZ 输出由高电平到高阻态禁止时间 tPLZ 输出由低电平到高阻态禁止时间。
74ls173相关下载:74LS173中文资料pdf
