中高压逆变器应用领域IGBT和MOSFET驱动器威廉希尔官方网站
的领导者Power Integrations(纳斯达克股票代号:POWI)今日宣布可为其SCALE™ IGBT和MOSFET驱动器出厂提供
2018-05-02 14:18:27
5271 目前在电力机车拖动上的发展趋势是要求有更快的速度、更高的能效、更舒适的乘坐和更低的维修频度。要达到这些目的,使用绝缘栅双极晶体管(igbt)是一种比较好的方法,因为它能提供快速的开关、低损耗和低能
2019-04-16 08:45:08
1646 
变流器应用仿真变流器工作原理简介变流器控制目标变流器应用举例——单变流器`并网逆变器INV``整流器REC``静止无功发生器SVG``动态电压恢复器DVR``有源电力滤波器APF`变流器应用举例
2021-07-09 07:49:19
由晶闸管组成的电力变流器按所用换流方式的不同,可分为:
2020-03-12 09:00:53
编织带是用无氧铜丝编织,线经0.10mm,0.12mm ,0.15mm单丝,根据客户要求,柔软度,通电强度等特制而成。雅杰产品广泛使用于高低压电器,真空电器,高低压开关柜,电焊机,汽车,电力机车,电炉,矿用防爆电器,发电机组,碳刷导线的软连接。`
2018-06-15 18:54:06
`电力机车镀银铜编织线软连接-东莞市雅杰电子材料有限公司铜编织带软连接又叫铜编织线软连接,用冷压方法压制而成,是在编织带两边焊接铜管,经过处理做成软连接,可根据客户不同的需求打孔,镀锡等。产品
2019-03-22 10:28:19
  随着大功率自关断器件和智能高速微控制芯片的不断发展,大功率电力电子变流装置得到了越来越深入的研究,在大容量电机驱动、交直流电力传输等场合的应用范围也越来越广泛了。在大功率电力电子变流装置的实现上
2018-10-18 16:28:25
:POWI)今日推出适用于流行的“新型双通道”100mm x 140mm IGBT模块的SCALE-iFlex™ Single门极驱动器。这款紧凑型新驱动器支持耐压在3.3kV以内的模块,现可随时供货
2021-09-09 11:00:41
3-PHASE 208V 100KVA UPS + 100KVA
2024-03-14 20:33:57
大家好,在我的NUC中有两个驱动器,一个是标准SATA SSD驱动器,另一个是金士顿NMVe驱动器。 SATA SSD驱动器作为驱动器1出现。我可以将其交换到驱动器0并使NVMe驱动器驱动器1
2018-11-29 15:02:56
申请理由:学习电路板通讯方面相关知识,在以后设计,开发中参考,学习。项目描述:DC110V电源柜输入DC750V,输出两路DC110V,输出功率最大1500W。输出电压一路给蓄电池充电,一路给机车
2015-07-06 19:08:51
隔离门驱动器在许多系统中的电力传输扮演着重要角色。对此,世强代理的高性能模拟与混合信号IC厂商Silicon Labs推出可支持高达5KV隔离额定电压值的ISO driver隔离驱动IC Si823x。有谁知道这款业界最佳单芯片隔离驱动器解决方案到底有多厉害吗?
2019-08-02 06:37:15
包括辅助电源、通风和冷却系统、空调机组、压缩机等设备。为了适应电力机车严酷的运行环境,辅助系统还应该满足以下条件:1)在国家有关标准规定的输入电压范围内具备正常工作的能力,对我国电力机车而言,即在
2011-03-11 12:36:22
IPM在电力机车大功率开关电源中的应用
2019-05-30 07:48:34
1引言电力机车110伏直流稳压电源主要由110伏稳压电源柜和蓄电池共同组成。110伏稳压电源柜主要为电力机车的控制电路供电,而蓄电池在降弓情况下是为机车照明及低压试验提供能量,在升弓时则当电源柜发生
2021-11-12 07:48:08
显示了IGBT的理想导通特性以及针对不同类型驱动器的相应栅极电流。在整篇文章中,仅考虑开启特性。    (A) 图片由Bodo的电力系统公司提供    (B) 图片由Bodo的电力系统提供    (C
2023-02-21 16:36:47
新型电力机车控制电源设计研究,主要是直流车。
2012-08-01 10:01:49
IGBT/功率MOSFET是一种电压控制型器件,可用作电源电路、电机驱动器和其它系统中的开关元件。栅极是每个器件的电气隔离控制端。MOSFET的另外两端是源极和漏极,而对于IGBT,它们被称为集电极
2021-01-27 07:59:24
电阻的要求,5.0.1条:移动通信基站地网的接地电阻值应小于5Ω,对于年雷暴日小于20天的地区,其接地电阻可小于10Ω;5.0.2条:架空电力线与电力电缆接口处的保护接地以及电力变压器(100KVA
2010-01-14 16:13:41
电力机车智能辅助保护系统的主要功能有哪些?怎样去设计电力机车智能辅助保护系统?
2021-05-19 06:29:01
~3k(Hz)之间,开关频率的降低导致变流器网侧输出电流中的谐波分量增加。采用常规的LC滤波需要较大的电感量,电感量的增加提高了成本,增加了装置的体积,不利于变流器控制。[1-3]在变流器设计中引入
2018-09-25 14:32:39
采用交一直一交型结构的辅助变流器特点是什么?几种典型机车的辅助电源系统分享
2021-05-17 07:01:28
变流器在不同负载条件下的稳定性和效率。控制系统测试:对变流器的控制系统进行验证,包括对响应时间、稳定性、电网同步等方面的测试,有助于确保变流器能够正常运行并与电网协调。数据采集和分析:通过采集和分析测试过程中
2023-12-13 17:54:37
本标准规定了机车司机室前窗、侧窗和其他窗的配置规则。本标准适用于电力机车、内燃机车以及动车组和用于国际联运的新造车.2 定义本标准采用下列定义。2.1 前窗
2009-02-21 11:20:36
18 本标准规定了电力机车防火和消防的措施。本标准适用于电力机车(以下简称机车)、电动车组和用于国际联运的新造车。2 引用标准下列 标 准 所包含的条文,通过在本标
2009-02-21 11:22:53
44 多台 HXD1 交流传动电力机车在太原铁路局湖东机务段同时运行时,发生了牵引网和机车变流器谐振现象,致使机车跳闸保护不能正常工作,严重影响了列车调度运行。铁道部专门组
2009-04-08 14:39:05
25 针对电力机车内特定的空调使用环境,设计一种新的机车空调逆变电源。实验结果表明,使用本设计方案的电力机车空调电源系统后,空调器工作可靠,并且不影响电力机车其他设
2009-08-26 10:30:47
31 单相电压型PWM 整流器用于电力机车辅助变流器的前端时,由于机车运行环境的恶劣和整流器本身的强非线性等特点给控制造成了很大的困难,而滑模变结构控制具有鲁棒性强、可靠
2009-08-28 14:26:58
26          本文论述了电力机车主极裂纹检测的必要性及其检测的特殊性,选用透射式涡流检测法对其进行有效的检测,重点阐述研制出的涡流检测系统的
2009-09-04 08:55:47
14 针对电力机车主变流器的故障,本文提出基于小波分析和支持向量机的故障诊断方法。首先,运用小波包对特征信号进行分解和重构,然后提取各频带的能量,将得到的能量值构
2009-12-26 11:32:07
7 微机显示屏隔离界面下相应的软按键,隔离相应的故障单元,继续维持机车运行。对PWM整流器进行控制的措施电力机车辅助变流器通常采用单相供电模式,整流器是主电路拓扑结构
2023-06-03 11:24:25
机车设有两套辅助电源装置APU1和APU2,其输出方式既可以选择变压变频(VVVF)方式,也可以选择恒压恒频(CVCF)方式,以满足不同负载的需要。辅助变流系统正常工作时,将所有泵类负载如压缩机
2023-06-03 11:25:41
机车设有两套辅助电源装置APU1和APU2,其输出方式既可以选择变压变频(VVVF)方式,也可以选择恒压恒频(CVCF)方式,以满足不同负载的需要。辅助变流系统正常工作时,将所有泵类负载如压缩机
2023-06-03 11:27:15
多台HXD1 交流传动电力机车在太原铁路局湖东机务段同时运行时,发生了牵引网和机车变流器谐振现象,致使机车跳闸保护不能正常工作,严重影响了列车调度运行。铁道部专门组织
2010-02-21 17:23:37
33   第一节 直直型电力机车工作原理   第二节 交直型整流器电力机车工作原理   第三节 交直交型电力机车工作原理 重点:直流电力机车的特点和基本特性
2010-02-25 17:23:25
0 电力电容器在8K型电力机车上的功补和滤波作用
铁道部命名的8K型电力机车是铁道部选定由法国阿尔斯通公司牵头的欧洲 五十赫兹集团推荐的8轴交——直流传动
2010-05-17 10:50:37
25 摘要:以新颖的双管正激组合变换器作为三态滞环控制电流型逆变器直流输入前级,研制了一种6kVA单相航空静止变流器,将飞机115V/400Hz恒压恒频二次电源,变换成230V/50Hz单相交
2010-05-25 11:00:55
38 基于能流循环的电力机车辅助逆变器试验系统
摘要:提出了一种新型的电力机车辅助逆变器试验系统,采用PWM 整流器代替原有的风机负载,调节其交流侧电流来完成各种工况下
2010-06-02 17:07:12
25 针对我国铁路电力机车发展对电能计量的准确性要求越来越高,设计了基于ADE7753电量测量芯片的电力机车能耗监测终端,利用采样法对电压和电流交流参数进行测量,计算消耗电量
2010-08-02 14:26:48
68 辅助电源系统是电力机车必不可少的重要组成部分。综合分析电力机车三相交流辅助电源系统和直流辅助电源系统的不同电路实现方案及特点,介绍SS7E和“和谐”系列机车的辅助电
2010-12-28 10:57:55
33 
变流威廉希尔官方网站
与半导体电力变流器 
电力电子学(或电力电子威廉希尔官方网站
)的理论是建立在电子学、电力学和控制学三个学科基础之上的
2009-07-10 09:30:18
1160 
380/220V,100kVA UPS备用发电机组的功率调节器 
 
摘要:叙述了UPS备用发电机功率调节器的工作原理与控制方式
2009-07-14 09:11:28
1067 
中兴UPS产品特点
中兴通讯借助电力电子领域多年产品开发经验,已推出1kVA~100kVA全系列UPS产品,
2009-07-16 08:40:04
521 什么是电力变流器
电力变流器图片
电力变
2009-10-13 09:22:57
3084 关于电力机车主变压器故障处理的探讨
    铁路运输是我国经济运行的大动脉,在我国交通体系中占有重要的地位。随着国民
2009-12-12 09:35:28
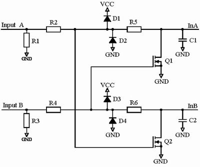
1911 SCALE驱动器的半桥接线电路
2010-02-18 21:55:54
1409 
SCALE驱动器接线电路
2010-02-18 22:03:14
1459 
SCALE系列集成驱动器的内部结构框电路
2010-02-18 22:30:56
1131 
  1 引 言
  国外航空静止变流器目前已经系列化,单相静止变流器从50VA~6KVA有20个功率等级,三
2010-11-16 11:07:35
967 
  0 引言
  电力机车逻辑控制单元(Logic Control Unit——LCU)是电力机车上重要的控制部分,它使用现
2010-11-22 09:48:11
2915 
摘要:阐述了交流传动电力机车辅助电源威廉希尔官方网站
发展过程,分析了常用辅助电源威廉希尔官方网站
的优缺点,并探讨了一种新型集成式辅助电源方案。针对新型集成式辅助电源,采用理论分析和仿真威廉希尔官方网站
相结合的方法,提出了系统分析的计算公式和参数匹配的基本原则,完成了交流传动电力机
2011-02-22 16:35:25
40 八五期间,我们承担了八五国家重点科 技项目交一直一交电力机车电机侧逆变器后级微 机实时控制系统的研制的任务,取得了重大进 展 本文主要介绍该项目中的PWM 实时控制系 统,该实时控制系统采用转差控制,根据实时测得 的电机转子频率和给定的转差频率信号
2011-03-04 16:01:35
117 电气机车 辅助系统中有劈相机、空气压缩机、通风机及制动风机等各种类型的电机。运行中为了防止出现短路、过流等异常情况而烧毁电机,通常配置辅助保护系统,起到及时监测电机
2011-07-18 15:24:42
46 本文着重探讨关于发展地铁中有关电力机车用的直流 熔断器 的试制和开发工作。尽管直流熔断器只是电力机车上的一个部件,但它的年消耗量是十分可观的,亦应值得重视。目前,全
2011-08-09 15:10:35
40 通过对 电力机车 变压器油中溶解的各种气体成分的色谱分析, 可以尽早发现设备内部存在的潜伏性故障, 并随时掌握故障的发展情况
2011-08-15 19:11:21
20 电力机车作为牵引网的负载,其产生的谐波会对牵引网造成污染,如果车网关系不匹配,电力机车和牵引网会产生谐振现象,交流电力机车中间直流电压的低频震荡也会引起牵引网电压的震荡
2011-09-26 14:38:51
42 电力机车辅助电机主要是为了保证主电路的正常工作而设计的辅助设备,其是否投入工作取决于主电路的工作状态,即使在环境温度很低的情况下,尽管主电路工作在牵引或制动工况,
2012-03-20 11:07:14
62  中国高铁在速度上不断刷新世界纪录,其威廉希尔官方网站
也被公认为国际领先,全国铁路各局各车务段也对测试设备进行全面提升。PA2000mini功率分析仪作为便携式逆变器检测设备已成熟应用于我国电力机车逆变器现场调试维护。
2015-05-29 10:59:50
3156 韶山型电力机车逻辑控制单元,原理分析,超详细,铁路专业人士必备!
2015-11-10 17:04:02
10 基于TMS320LF2407+DSP电力机车四象限整流的研究
2016-05-06 16:54:54
14 中等电压和高压逆变器应用领域IGBT和MOSFET驱动器威廉希尔官方网站
的领导者Power Integrations今日推出一系列输出电流介于2.5A和8 A之间的电气绝缘的单通道门极驱动器IC,SCALE-iDriver IC不仅采用加强绝缘威廉希尔官方网站
,而且还提供最大8 A的驱动电流。
2016-05-10 17:39:34
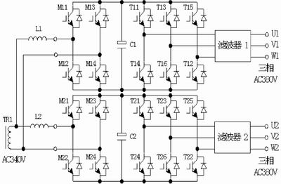
1346 本文详细介绍了100kVA三相四线制系统用增强型SVG装置的研制和实验运行情况。文中
首先简要分析了该装置的工作原理,然后介绍了装置所采用的四臂对形式的主电路拓扑结构和基
于双DSP的数模混合
2016-06-14 15:29:56
3 近日,中车株洲电力机车研究所研发的8英寸IGBT(绝缘栅双极型晶体管)高铁控制系统成功中标印度机车市场。这是我国高铁装备核心器件首次获得海外批量订单。
2016-12-12 10:22:35
2513 基于PLC的电力机车整备作业控制系统设计与实现_李德仓
2017-03-17 08:00:00
0   电气机车辅助系统中有劈相机、空气压缩机、通风机及制动风机等各种类型的电机。运行中为了防止出现短路、过流等异常情况而烧毁电机,通常配置辅助保护系统,起到及时监测电机故障并加以处理的作用。目前电力机车上安装的辅保系统都是模拟电路装置,系统硬件辅助,又不方便司机使用和维修。
2017-09-09 10:20:21
3   介绍了一种用十六位单片机实现的用于控制交-直-交电力机车逆变器的PWM实时控制器。
2017-09-20 11:38:46
9 电力机车用蓄电池承担着机车升弓前为辅助系统供电的任务,蓄电池的质量显得至关重要。目前电力机车用蓄电池充放电装置大多使用传统的相控整流充电威廉希尔官方网站
,虽然威廉希尔官方网站
成熟、价格低廉,但调节周期长、动态响应
2017-11-08 14:29:58
7 给出了以AVR微控制器为核心的电力机车智能辅保系统的设计方案,并介绍了系统硬件及软件的具体实现方法。 电气机车辅助系统中有劈相机、空气压缩机、通风机及制动风机等各种类型的电机。运行中为了防止出现短路
2017-11-14 14:19:13
7 针对电力机车控制电源故障造成机车机破途停的现状,设计了控制电源监测及故障提示系统。采用数字信号处理方式设计的系统,实现了对机车控制电源、蓄电池和自动开关工作状态在线监测,经过数据分析处理找出控制电源
2017-11-16 11:25:40
14 电力机车辅助电机主要是为了保证主电路的正常工作而设计的辅助设备,其是否投入工作取决于主电路的工作状态,即使在环境温度很低的情况下,尽管主电路工作在牵引或制动工况,但这些辅助设备服务的主电路电器设备
2017-12-02 10:55:01
6490 铁道牵引供电系统一般采用轮换相序、分相分区供电,不同供电区间之间存在电分相环节。电力机车在通过电分相时车载变压器会依次进行一次分闸和合闸操作,其恢复供电时可能产生励磁涌流现象,且断路器操作间隔时间短,变压器的
2018-04-17 16:52:50
0 与启动失败存在相关性。目前,对于电力机车和动车组交直交型辅助变流器预充电启动过程的研究较少且不深入,缺乏牵引网谐波对辅助变流器预充电过程的影响分析。 动车组辅助变流器运行在谐波含量较高的线路时频繁出现启动失
2018-04-19 15:01:13
2 Power Integrations这家为中高压变频器应用提供闸极驱动器威廉希尔官方网站
的领导厂商,宣布出厂保形涂层用于其SCALE IGBT和MOSFET驱动器。保形涂层透过保护电子元件免于接触污染物(例如
2018-05-07 08:28:01
1132 Power Integrations(纳斯达克股票代号:POWI)宣布其两款SCALE-iDriver™门极驱动器IC系列器件现已通过汽车级AEC-Q100 Grade 1标准的认证。
2018-06-07 09:52:16
2584 9月4日,首台搭载5G设备的402号“和谐HXD3D”型大功率电力机车缓缓驶入西安机务段机车整备场。不到90秒的时间,15.6GB的机车视频数据自动转储完成,这标志着由中国铁路西安局集团有限公司联合华为威廉希尔官方网站
有限公司合作开发的“5G+AI智慧机务系统”正式投用。
2019-09-05 12:55:01
3389 单台容量超过100kVA或使用同一接地装置并联运行且总容量超过100kVA的电力变压器或发电机的工作接地电阻值不得大于400单台容量不超过100kVA。
2019-10-27 10:14:12
11788 1600kvA以下的电力变压器主要包括1250kvA、1000kvA、800kvA、630kvA及以下的电力变压器,结构类型有干式和油浸式电力变压器两种,采用23ZH100高导磁性硅钢碟片是结构
2020-02-07 12:01:39
3402 中高压逆变器应用领域门极驱动器威廉希尔官方网站
的创新者Power Integrations推出1SP0351 SCALE-2™单通道+15/-10V即插即用型门极驱动器,新产品专为东芝、Westcode和ABB
2020-03-05 14:27:58
3783  SCALE-2单通道+15/-10V即插即用型门极驱动器,新产品专为东芝、Westcode和ABB等厂商的新款4500V压接式IGBT (PPI)模块而开发。新的门极驱动器基于Power
2020-03-08 10:27:07
2135 PI的SIC1182K和汽车级SIC118xKQ SCALE-iDriver IC是单通道SiC MOSFET门极驱动器,可提供最大峰值输出门极电流且无需外部推动级。 SCALE-2门极驱动核和其他SCALE-iDriver门极驱动器IC还支持不同SiC架构中的不同电压,允许使用SiC MOSFET进行安全有效的设计。
2020-08-13 15:31:28
2476 今天我们就来聊聊机车辅助电源。 机车牵引作为 C 位,负责机车跑动的主要任务,但是跑得好不好,跑得舒不舒服,跑得得不得劲儿,则需要一些列的辅助装置。比如,各冷却用装置,为制动、受电弓等各种气动
2022-11-15 16:06:47
1704 电子发烧友为你提供机车辅助电源系统原理免费下载
2020-11-24 18:24:45
7 机车牵引变压器是交流电力机车上的一个重要部件,用来把接触网上取得的25KV高压电压变换为供给牵引电机及其他电机、电器工作所适合的电压,其工作原理和普通电力变压器相同。牵引变压器主变压器安装在交流馈电的电力机车上,把馈电电源变换为适当的主电路电源和辅助电路电源。
2021-01-26 15:22:58
11345 
1月27日,中国自主研发的首台氢燃料电池混合动力机车,在中车大同电力机车有限公司成功下线。这标志我国氢能利用威廉希尔官方网站
取得关键突破,中国铁路机车装备驶入全球氢能威廉希尔官方网站
高地。
2021-01-28 10:22:38
1898 据官方消息,近日,重载铁路“动力之王”——神24电力机车万吨负载坡起成功!
2021-01-29 10:11:26
1743 电力机车辅助电源系统是机车的重要组成部分,担负着除机车牵引系统主电路以外各种装置的供电任务,是提供风源的空气压缩机、空调、通风机等辅助电动机的三相交流电源,电热器、冰箱、信息显示装置的电源等。机车辅助电源系统由三相交流辅助电源和直流电源系统组成。
2021-04-06 10:19:26
3061 
LLC谐振全桥变换器在交流传动电力机车充电机中的应用(开关电源威廉希尔官方网站
的节能意义)-LLC谐振全桥变换器在交流传动电力机车充电机中的应用                    
2021-08-31 18:47:50
12 深耕于中高压逆变器应用门极驱动器威廉希尔官方网站
领域的知名公司Power Integrations(纳斯达克股票代号:POWI)推出适用于流行的“新型双通道”100mm x 140mm IGBT模块
2021-09-22 16:09:46
3650 1引言电力机车110伏直流稳压电源主要由110伏稳压电源柜和蓄电池共同组成。110伏稳压电源柜主要为电力机车的控制电路供电,而蓄电池在降弓情况下是为机车照明及低压试验提供能量,在升弓时则当电源柜发生
2021-11-07 15:21:00
7 独立式伺服驱动器 C3S063V2F12I21T30M11 C3S063V2独立式伺服驱动器的额定功率为2.5kVA,具有可扩展的威廉希尔官方网站
功能 - 从具有电子CAM和PLCOpen功能模块的智能IEC
2023-04-24 15:40:45
323 基于SiC器件的电力电子变流器研究
2023-06-20 09:36:23
410 
目前,电力机车采用机械脚踏开关人工定时(1分钟内)发送触发脉冲(110V/0V)到监控器
2023-07-11 09:15:58
424 
电子发烧友网站提供《SS4改电力机车电气线路分析.doc》资料免费下载
2023-10-30 11:36:03
0 电子发烧友网站提供《气体型流量传感器在电力机车上的应用.doc》资料免费下载
2023-11-01 09:59:57
0  
                     
                
评论