隔离变压器,是用以对两个或多个有耦合关系的电路进行电隔离的变压器。属于安全 电源,一般用来机器维修保养用起保护、防雷、滤波作用。本文主要介绍了隔离变压器系统厂家及品牌
2018-01-29 08:53:11 7487
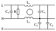
7487 车载电源线路用共模滤波器
2023-08-22 14:25:35 840
840 
情况下外部线缆上的共模过电压可通过分布电容从初级耦合到次级,从而进入到内部电路中,这样就破坏了变压器的隔离效果,因此应尽量选用带有初次极间屏蔽层的变压器,并将变压器屏蔽层外引线在单板内接地。这时变压器
2020-09-16 17:03:13
情况下外部线缆上的共模过电压可通过分布电容从初级耦合到次级,从而进入到内部电路中,这样就破坏了变压器的隔离效果,因此应尽量选用带有初次极间屏蔽层的变压器,并将变压器屏蔽层外引线在单板内接地。这时变压器
2022-06-09 10:21:37
变压器差动保护的工作原理是什么?变压器差动保护与线路差动保护的区别在哪?变压器纵差动保护的特点有哪些?
2021-09-23 09:20:29
问个简单的问题,目前在搞个开关电源,隔离的,带变压器,由于副绕组过多,所以变压器很大,我想问,是不是变压器足够大,就不用在搞繁琐的计算了?都能满足另外,是不是可以用于500khz的变压器,就可以用于100khz?
2018-04-22 16:06:41
滤波变压器的作用就是滤波吗?还有其它的作用没?
2015-07-24 14:24:46
,低通滤波器用得最多,因为:1.电磁干扰大多频率较高的信号,因为频率越高的的信号越容易辐射和耦合2.数字电路中许多高次谐波是电路工作所不需要的,必须滤除,防止对其它电路产生干扰。3电源线上的滤波器都是
2017-04-22 21:49:23
隔离措施。 许多产品为了降低成本,将滤波器直接安装在线路板上。这种方法从直接成本上看有些好处,但是,实际的费效比并不高。因为高频干扰会直接感应到滤波电路上的任何一个部位,使滤波器失效。因此,这种方式往往
2016-08-16 20:26:24
/emc_emi/485629.html[导读] 电源滤波器就是对电源线中特定频率的频点或该频点以外的频率进行有效滤除的电器设备。关键词:滤波器 电源滤波器就是对电源线中特定频率...
2021-11-12 06:21:57
 – 30MHz的频率范围内有较大的衰减,如图1所示。 图1理想和实际滤波器滤波特性曲线1.3电源线滤波器的低频特性主要是由电路的结构和器件参数决定,滤波器的有效频率越低,则...
2021-11-11 08:59:13
有良好的电气连接。在这种安装方式下,滤波器的壳体和机壳接触良好,可堵住电源线在机箱上的开口,提高机箱的屏蔽性能。另外,滤波器的输入输出线之间有机箱屏蔽相隔离,消除了输入输出线之间的骚扰耦合,保证滤波器的滤波性能。
2023-03-11 14:17:49
电源中一般都含有软磁铁心组成的电磁器件。按照比较广义的说法,在电子设备和电子电路中的电磁器件,都叫做电子变压器。电源中变压器或电磁器件,绝大多数属于电子变压器。但是,有的电源中,变压器还具有耐高压的绝缘要求。
2020-04-02 09:00:09
 为传统变压器方法会抑制直流信号分量并引入非线性。低速时的数字信号隔离相当简单,但在高速或需要低延迟时则非常困难,并且耗电量巨大。带3相逆变器的系统中的电源隔离尤为困难,因为有多个电源域连接至电源电路
2018-08-16 09:39:41
电源线滤波器相关资料分享 资料来自网络资源
2020-11-24 22:31:03
电源线滤波器资料分享
2020-11-01 16:30:34
请大神们推荐一款隔离变压器,1:1变比,输入电压为13V左右,占空比为0.1-0.3的脉冲电压,输出信号用来驱动Buck电路.谢谢了
2015-08-24 19:40:44
隔离变压器是电源线抗干扰的一种常用措施,用以解决设备间的电气隔离。通过浮地,较好地解决了电路环流在公共阻抗上产生的电压变化对敏感设备带来的干扰问题。但是隔离变压器的作用还不止这些,即使是普通的隔离
2009-10-12 16:55:43
隔离变压器和普通变压器有什么区别
2023-01-06 20:55:08
大家好,我是新手小白,刚入手了一个220V输入220V输出的隔离变压器,100VA,想用来做示波器的安全隔离。单独测试变压器时发现,插拔插头,会影响电视机,插入插头影响小,拔出插头,电视屏幕黑了一下,感觉拔掉插头产生了高压,不知道对不对,请问大神如何解决,非常感谢~
2023-08-01 11:13:37
,问题解决。随着开关电源的普遍应用,在电源线入口处安装滤波器已经是项必要的措施。因为开关电源工作在大功率脉冲状态,它会产生很强的电磁辐射,这些辐射感应到线路上形成传导发射。如果不使用滤波器,就没有可能通过
2009-11-14 16:52:03
1.MOS管驱动基础和时间功耗计算2.MOS管驱动直连驱动电路分析和应用3.MOS管驱动变压器隔离电路分析和应用4.MOS管网上搜集到的电路学习和分析今天主要分析MOS管驱动变压器隔离电路分析
2012-11-12 15:39:26
与抑制 骚扰来源: ①非线性流。 ②初级电路中功率晶体管外壳与散热器之间的容光焕发性耦合在电源输入端产生的传导共模噪声。 抑制方法: ①对开关电压波形进行“修整”。 ②在晶体管与散热器之间加装带屏蔽层
2014-11-19 13:54:37
;nbsp;  把正弦波变成脉冲波输出的不是脉冲变压器而是变压器前端的控制电路。他通过把PWM信号把被滤波整流成直流的市电调制成高频的脉宽电压,通过脉冲变压器变压,然后通过滤波整流把变压后的脉宽电压变成直流。[此贴子已经被admin于2009-8-19 16:20:46编辑过]
2009-08-19 15:57:20
行放电时,电路出现故障。经检查,发现面板后面是一束电缆,面板上的静电放电电流产生的电磁场在电缆束上感应出了噪声电流,形成干扰。在电缆的端口处安装滤波器后,问题解决。 随着开关电源的普遍应用,在电源线
2016-01-12 15:09:53
;   4)起原边和副边绝缘隔离作用的隔离变压器,起屏蔽作用的屏蔽变压器;   5)起单相变三相或三相变单相作用的相数变换变压器,起改变输出相位作用的相位变换变压器(移相器);   6)起改变输出频率
2018-05-18 22:17:32
是能有效抑制电磁干扰的滤波器。电磁干扰滤波器常常又分为信号线EMI滤波器、电源EMI滤波器、印制电路板EMI滤波器、反射EMI滤波器、隔离EMI滤波器等几类。实践表明,即使对一个经过很好设计并且具有正确
2018-05-09 21:50:26
和在滤波器电路中的插损。⑺尽量使用屏蔽的继电器并使屏蔽壳体接地。⑻选用有效地屏蔽、隔离的输入变压器。⑼用于敏感电路的电源变压器应该有静电屏蔽,屏蔽壳体和变压器壳体都应接地。⑽设备内部的互连信号线必须使用屏蔽线,以防它们之间的骚扰耦合。⑾为使每个屏蔽体都与各自的插针相连,应选用插针足够多的插头座。
2016-08-23 19:59:40
:在绕制变压器中,线圈框架层间的隔离,绕组间的隔离均要使用绝缘材料。一般的变压器框架材料可用酚醛纸板制作,层间用聚酯薄膜,绕组间用黄腊布做隔离。浸渍材料:浸渍绝缘漆能增强变压器的机械强度,提高绝缘性能,延长使用寿命。
2019-09-12 09:00:04
结构的开关电源来说,变压器的电磁兼容性(EMC)设计对整个开关电源的EMC水平影响较大。通常情况下,加装电源线滤波器是抑制传导EMI的必要措施。但是,仅仅依靠电源输入端的滤波器来抑制干扰往往会导致
2015-12-29 14:04:39
、插入损耗等。在这些参数中,最重要的是插入损耗,插入损耗经常用“IL”来表示,有时候也称插入衰减,这项指标是价电源滤波器性能优劣的主要指标,通常用分贝数或频率特性曲线来表示。它是指滤波器接入线路前后
2022-09-08 18:07:23
``最近做一个PD48W的电源遇到一个变压器屏蔽的问题,变压器是用PCB多层板做的平面变压器,传导测试很好,辐射超得太多,想在变压器初级与次级之间贴一块铜皮接地,结果电源工作不正常,电源无输出。后来
2019-06-04 21:51:41
小功率电源变压器是电子变压器中应用最广的一类变压器。由于它主要应用在电子设备的电源线路中,加之它的功率比电力变压器的功率小得多,因而称之为小功率电源变压器。防伪不干胶 小功率电源
2010-03-22 17:16:16
体积增加;电容量的增大受到漏电流安全标准的限制。电路中的其他 部分如果设计恰当也可以完成与滤波器相似的工作。本文提出了变压器的噪声活跃节点相位干燥绕法,这种设计方法不仅能减少电源线滤波器的体积,还能
2014-10-10 10:07:06
变压器。  6、在系统线路中设置滤波器 设备滤波器的作用是为了抑制干扰信号从变频器通过电源线传导干扰到电源和电动机。为减少电磁噪声和损耗,在变频器输出侧可设置输出滤波器;为减少对电源干扰,可在变频器输入
2016-01-26 11:18:32
变频电源的核心组件之一的:变压器。变频电源里面大大小小有很多变压器,其中有功能不尽相同的,有大有小,有的是反馈信息用的,有的是隔离输出用的等等。今天要介绍的就是变频电源的隔离输出变压器。就是下面这张
2018-11-14 18:03:06
较大电感,从而起到衰减共模干扰信号的作用。 这里共模扼流圈要采用导磁率高、频率特性较佳的铁氧体磁性材料。图1 电源线滤波器基本电路图利用吸收回路改善开关波形开关管在开通和关断过程中,由于存在变压器漏感
2019-07-09 04:20:12
EMI测试结果如图7所示,产品即可通过测试。比较测试结果可得出:在图3所示的电路中,主要是由于大量共模传导EMI,才使电源不能通过电磁干扰测试。    图7 变压器内部不设置屏蔽的传导EMI测试结果
2018-09-27 15:17:42
的噪声返回到噪声源。这种情况下,同时还起到了电路接地的接地加强作用。使用屏蔽的电缆时,屏蔽层可以连接到滤波器接地。这种情况下,必须以极低的阻抗将其连接到屏蔽罩接地,因为屏蔽电缆的效果会因滤波器接地
2018-05-02 10:26:55
  了解如何使用谐波变压器和滤波器最大限度地减少电气系统中谐波的存在。  三相负载不会产生三次谐波。因此,在三相负载占主导地位的情况下,谐波问题主要来自5次、7次、17次、19次或更高次谐波处流动
2023-02-24 14:57:36
假设任何故障电流约为计算故障电流的133%。在进行电弧闪光保护的协调研究时,这一点非常重要。    锯齿形变压器的单相阻抗约为铭牌阻抗的75%至85%。  谐波滤波器  谐波滤波器是一种用于降低谐波
2023-02-21 15:11:43
1、如何选择电源线干扰滤波器? 有的顾客以为EMI滤波器的插入损耗越高越好,滤波网络的级数越多越好。其实这并不是选择滤波器的正确方法。此外,级数越多的滤波网络,价格越贵,体积和重量也越大。其实选择
2017-03-14 16:23:10
描述隔离式电源是每个工业应用的主要要求,在这些应用中,模块连接到可编程逻辑控制器 (PLC)。通常,这些 PLC 模块的可用空间有限,难以安装大型隔离变压器。TIDA-00688 以超薄外形尺寸提供
2022-09-26 07:48:32
的输入电压为零时,表示输入端是开路状态。  用途:  开关变压器在电路中除具有电压转换功能外,还具有绝缘、隔离与功率传送功能。器主要作用是为各电路提供工作电压,实现输入、输出电路之间的隔离。  文章来源:http://www.cenkersz.com/Article/kgbyqgzylh_1.html
2017-04-26 11:34:15
  开关电源变压器是加入了开关管的电源变压器,在电路中除了普通变压器的电压变换功能,还兼具绝缘隔离与功率传送功能一般用在开关电源等涉及高频电路的场合。    开关电源变压器和开关管一起构成一个自激
2018-10-16 15:36:55
的增加使体积增加、电容量的增大受到漏电流安全标准的限制。本文提出了新的变压器设计方法。不仅能减少电源线滤波器的体积,对传导电磁干扰(EMI)的抑制能力更强,且能降低变压器的制作成本和工艺复杂程度。
2018-10-19 16:27:04
的增大受到漏电流安全标准的限制。本文提出了新的变压器设计方法。不仅能减少电源线滤波器的体积,对传导电磁干扰(EMI)的抑制能力更强,且能降低变压器的制作成本和工艺复杂程度。  开关电源变压器啸叫原因
2018-10-15 20:18:59
,是指从电路上把干扰源和易受干扰的部分隔离开来,使它们不发生电的联系。在变频调速传动系统中,通常是电源和放大器电路之间电源线上采用隔离变压器以免传导干扰,电源隔离变压器可应用噪声隔离变压器。  2、在
2011-11-17 17:20:31
用电源变压器降压的PFC电路图
2019-11-01 05:16:25
抑制由此产生的干扰,避免将电网或电路中的共模电压偶合到次级或初级中去,对音响用电源变压器的绕组加法拉第静电屏蔽是很关键的。这种屏蔽可以是层间交替的铜箔,也可以是完整的合状结构,总之对绕组(尤其是对初级
2010-11-11 14:15:13
压表一起使用的电压互感器。  这些本质上是隔离变压器,可将电源线与测量仪器安全隔离。电源线电压通过高匝数比准确地降低到较低电压,以便典型的测量仪器可以轻松测量它。电流互感器串联连接到供电线路以测量电流
2023-03-29 15:57:54
以在系统电源、整流器、滤波器上提供一些额外的抽头,然后通过LDO传输信号即可。较大的电源变压器通常符合一定的安全标准,而额外绕组则不一定。很多情况下,您连接的系统可能有其自己的离线电源,因此可以不花
2018-10-18 09:34:10
彩色电视机的电源部分和市电相连,若维修人员不注意碰到了这部分电路,就会引触电,危及人身安全。其次,在维修一些家用电器时,也应该接上隔离变压器。接入的方法是:首选把隔离变压器的一边接头接入电源插座,另一边接一
2016-10-20 14:14:37
本案例描述了晶振屏蔽以及开关电源变压器屏蔽对系统稳定工作的影响, 硬件设计时应考虑。
2021-11-16 06:18:33
有谁知道设置图中变压器,和LC滤波器参数的,麻烦指点一下谢谢
2011-06-05 13:45:48
电磁感应原理,主要隔离一次电源回路,二次回路对地浮空,以保证用电安全。另一用途是防干扰。可广泛用于地铁、高层建筑、机场、车站、码头、工矿企业及隧道的输配电等场所。中电电气变压器产业是集团主导产业之一,集团变压器产业
2013-10-25 17:14:43
、隔离EMI滤波器等几类。线路板上的导线是最有效的接收和辐射天线,由于导线的存在,往往会使线路板上产生过强的电磁辐射。同时,这些导线又能接受外部的电磁干扰,使电路对干扰很敏感。在导线上使用信号滤波器是一个
2008-09-12 17:44:53
(300~1000pF),这给电磁干扰滤波器、瞬态保护器和隔离变压器的法拉第屏蔽层提供了有较的吸收装置。在高频端,这种虚地比长的、绿的或黄绿的接地导线更有效。
2011-09-14 09:46:30
(300~1000pF),这给电磁干扰滤波器、瞬态保护器和隔离变压器的法拉第屏蔽层提供了有较的吸收装置。在高频端,这种虚地比长的、绿的或黄绿的接地导线更有效。
2011-09-08 09:46:57
理解。  在电源输入端接入一个隔离变压器后,隔离变压器初次级线圈隔离,从而能够保障电源系统安全运行。这也是电源输入隔离变压器的主要作用。通常来看,隔离变压器大多适用于输电范围小,线路短的供电范围。而
2016-01-18 15:03:25
描述简单的电源线滤波器原理图+PCB
2022-08-01 06:21:38
线性电源用LM7812经过整流滤波,变压器次级电压选择多少V?我选的15V,经过整流滤波不知会不会小?另外24V的输出,变压器次级电压选择30V合适吗?
2012-12-09 15:34:05
滤波器的通带和阻带之间存在一定频率范围的过渡带。网络变压器具体有T1/E1隔离变压器;ISDN/ADSL接口变压器;VDSL高通/低通滤波器模块、接口变压器;T3/E3、SDH、64KBPS接口变压器
2019-04-14 12:30:00
,自耦变压器由于辐向厚度小,运行中漏磁相对隔离变压器小,所以对铁芯的要求较隔离变压器低,换句话说就是同种片材,在自耦变压器中铁芯的磁通密度取值可以较隔离变压器高一些.五.在提高电源质量功能上的不同&
2009-02-14 15:42:31
  一些电子线路设计人员及电子、电工爱好者经常碰到设计好的变压器,绕制时却绕不下;另外,设计的变压器,在带足负载后,次级电压明显下降。还有一部分设计的变压器的性能良好,但成本较高而没有商业价值。笔者
2011-05-25 11:33:31
设计2kVA以下的电源变压器及音频变压器一些电子线路设计人员及电子、电工爱好者经常碰到设计好的变压器,绕制时却绕不下;另外,设计的变压器,在带足负载后,次级电压明显下降。还有一部分设计的变压器的性能
2011-07-09 16:07:16
滤波器需要辅助滤波器,以便满足更加苛刻的电噪声管制或者保护器件免受过多的外部噪声源干扰。定义噪声  电磁干扰可以是传导型的电磁干扰,也就是说干扰噪声沿着电导体、电线、印刷电路的线路或者变压器、电感、电容
2019-05-30 07:33:10
要求是220V/24v,变压器由自耦变压器和隔离变压器构成,功率100以上。该如何选择变压器?重点是“由自耦变压器和隔离变压器构成”不是明白,我觉得选用隔离变压器不就可以了吗?还有输出20v~30v可调,看了一下发现变压器体积过大,找不到合适的怎么办嘞?
2013-09-04 09:48:30
应用 CM 缓解与外部 CM EMI 滤波之间的成本/性能权衡。 变压器内部的屏蔽层和 CM 平衡层会增加变压器的材料和人工成本——但它们可以非常有效地降低 CM 噪声,而不会显着增加整体尺寸或功率损耗
2021-10-12 07:00:00
数字隔离的1位数据流输出。隔离模拟信号利用一个基于双通道、低噪声、轨到轨运算放大器 AD8646 的四阶有源滤波器恢复。 ADuM5000 用作隔离端的电源,两端完全隔离,系统仅使用一个电源。该电路
2018-10-22 16:42:44
您好,现在非隔离开关电源,加个隔离变压器就可以变成隔离电源吗?谢谢 过安规就OK了吗?
2019-11-01 05:36:28
高频变压器的屏蔽   为防止高频变压器的漏磁对周围电路产生干扰,可采用屏蔽带来屏蔽高频变压器的漏磁场。屏蔽带一般由铜箔制作,绕在变压器外部一周,并进行接地,屏蔽带相对于漏磁场来说是一个短路环,从而
2011-07-11 11:40:53
摘要:文章介绍了在高静电场中高频高压电源变压器等电感器件的屏蔽问题。其基本设计原理是在紧靠绕组的较低电磁场区和绕组外围的较高电磁场区域各设置若干个电气上连续的屏蔽环路,形成对器件的电磁屏蔽作用。关健词:高频电源变压器,静电场,屏蔽环路。[/hide]
2009-10-12 16:44:18
高频与低频变压器有什么区别 功放为什么要使用环形变压器隔离变压器有什么用隔离有哪些特性电源变压器的隔离作用是什么
2021-03-11 07:59:17
屏蔽体。  从电路形式上分,有单个电容型、单个电感型、L型、π型等。滤波器的器件越多,从通带到阻带的过渡带越窄。对于一般的民用设备,使用单个电容型或单个电感型就可以满足要求。  二、信号滤波器在电子设备
2012-02-07 14:14:02
采用变压器隔离的电源电路
2009-11-14 14:05:24 788
788 
隔离变压器是指输入绕组与输出绕组带电气隔离的变压器,隔离变压器用以避免偶然同时触及带电体,变压器的隔离是隔离原副边绕线圈各自的电流。早期为欧洲国家用在电力行业,广泛用于电子工业或工矿企业、机床和机械设备中一般电路的控制电源、安全照明及指示灯的电源。
2018-01-25 19:39:12 21171
21171 
本文主要介绍了几款隔离变压器的型号以及它们的参数。隔离变压器是指输入绕组与输出绕组带电气隔离的变压器,隔离变压器用以避免偶然同时触及带电体,变压器的隔离是隔离原副边绕线圈各自的电流。目前广泛用于电子工业或工矿企业、机床和机械设备中一般电路的控制电源、安全照明及指示灯的电源。
2018-04-09 16:52:19 20171
20171 
隔离变压器是各种电源及电气设备的主要部件。最简单的隔离变压器是一种在初级 和次级之间不设屏蔽层,匝数为1:1的变压器,主要用于输入与输出间的电气隔离,从而解决两者之间的共地问题。有时也叫绝缘变压器。
2019-06-10 16:21:56 9044
9044 供电线路的电源滤波器器应安装在设备或屏蔽壳的电源入口,电源滤波器应屏蔽,屏蔽体应与设备外壳连接良好。
2020-07-22 16:25:58 884
884 屏蔽体上电源线滤波器的安装方法 如果欲在高频获得极佳的滤波性能,那么滤波器很容易由于其PCB走线和/或滤波与未滤波分界面上导线的射频泄漏而使其性能发生降级。许多工程威廉希尔官方网站
人员对滤波器周围的射频泄漏疑惑
2021-05-07 17:55:41 2336
2336 .屏蔽体上电源线滤波器的安装方法 如果欲在高频获得极佳的滤波性能,那么滤波器很容易由于其PCB走线和/或滤波与未滤波分界面上导线的射频泄漏而使其性能发生降级。许多工程威廉希尔官方网站
人员对滤波器周围的射频泄漏
2021-07-09 16:47:43 2021
2021 前言 安全性和舒适性不断增强的汽车中搭载了很多电子设备。电子电路分为信号线路和电源线路,需要分别采取防噪声对策。TDK的共模滤波器的特点是可以根据用途分别推出多种产品阵容,准备了追求小型薄型化的产品
2021-09-16 09:58:36 2528
2528 
 – 30MHz的频率范围内有较大的衰减,如图1所示。       图1理想和实际滤波器滤波特性曲线1.3电源线滤波器的低频特性主要是由电路的结构和器件参数决定,滤波器的有效频率越低,则...
2021-11-06 15:21:04 32
32 电子发烧友网站提供《简单的电源线滤波器.zip》资料免费下载
2022-07-15 14:34:57 1
1 安全性和舒适性不断增强的汽车搭载了很多电子设备。电子电路有信号线路和电源线路,需要分别采取防噪声对策。TDK的共模滤波器的特点是可以根据用途分别提出多种产品阵容,准备了追求小型薄型化的产品群、为了在车载用途中能应对严格的环境条件,采用独有端子结构的产品群。本章将介绍电源线路用共模滤波器。
2022-11-04 09:21:45 1264
1264 电源滤波器的接线方法是将电源滤波器的输入端接入电源线,将输出端接入电路元件,以抑制电源线上的电磁干扰。
2023-02-17 15:18:13 2207
2207 电源滤波器是一种接在电源电路与市电之间的LC滤波电路,用来滤除输入电源线路中的高频干扰。电源滤波器也可以抑制电源尖峰,且可消除由电源产生的射频干扰辐射。电源滤波器接在变压器之前,如下图。
2023-03-10 11:01:41 2647
2647 
隔离变压器是指输入绕组与输出绕组带电气隔离的变压器。一次侧、二次侧绕组间有较高绝缘强度以隔离不同电位抑制共模干扰的专用变压器。隔离变压器属于安全电源,一般用来机器维修、保养用,起保护、防雷、滤波作用。
2023-03-16 11:01:59 1371
1371 
使用变压器变压的电源还需要滤波器吗
2023-08-31 14:03:45 480
480 
变压器是一种常用的电力设备,是将电源端的电源完全隔离分离成一路电源,然后传递到负载端的电源装置。隔离变压器的主要作用是将输入电压变压,以便将输出电压和输入电压隔离。隔离变压器通常用于隔离低压电源和设备,放大信号和
2023-09-04 15:34:00 1563
1563 的电路稳定性和可靠性。本文将从以下几个方面分析电源线滤波器性能的优劣取决于什么因素。 1. 工作频率范围 电源线滤波器的主要工作范围是在30Hz~1GHz之间,范围越大,意味着其能够过滤的信号频带范围相对较大,其抗干扰性会更
2023-09-12 14:47:29 477
477  
                
评论