|
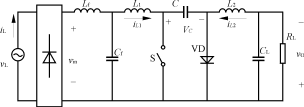
1引言 随着电力电子装置的大量应用,使大量谐波电流注入了电网中,从而污染了电网。为了限制总的谐波含量(THD)以提高功率因数,制定了许多标准,如IEC1000?3?2。近年来,如何提高功率因数成为了电力电子领域研究的热点。工作于不连续导电模式的Boost,Buck?Boost,Cuk等变换器具有平均输入电流自动跟踪输入电压的特点[1][2][3],由于它们的控制电路简单,对小功率运用特别具有吸引力。然而,由于工作在电流不连续导电模式,这些变换器的电流应力很大,导致其损耗很大,效率变低,而且,其输入电流含有大量开关纹波,需要进一步滤波。本文介绍的工作于DCVM(DiscontinuousCapacitorVoltageMode)的Cuk变换器具有很好的输入电流波形自动跟踪输入电压波形的能力,除此之外,它还具有下面的特征: (1)主功率开关自动实现软关断这对于关断时具有电流拖尾的器件如IGBT特别有用,因为这大大减小了开关的关断损耗; (2)低开关电流应力和输入电流纹波由于其开关电流应力小,从而减小了开关的导通损耗; (3)单位功率因数在很大的输入电压范围内, 其输入等效阻抗为纯电阻,从而其功率因数接近于1; (4)易于实现隔离对于用变压器隔离的Cuk变 换器,与正激和反激变换器相比,其变压器铁芯的利用率高。在本文中,如没有特别说明,表示变量x在一个开关周期TS内的平均值,大写字母表示变量的稳态值,小写字母表示变量的瞬时值。 2电路原理分析 下面先对工作于DCVM模式的CukDC/DC变换器进行分析,CukDC/DC变换器如图1所示,在进行电路分析之前,先作如下假设: (1)所有元器件均为理想元器件; (2)电感L1、L2足够大,从而确保电路工作于DCVM模式,在一个开关周期内,流过L1、L2的电流的纹波可以忽略,分别用和表示;
图1Cuk变换器
图2Cuk变换器的工作状态 (a)工作状态1(b)工作状态2(c)工作状态3 图3VC的波形
图4Cuk变换器中的开关网络 (3)电容C足够小,从而保证它在开关S的导通时间内放电完毕;电容CL足够大,在一个开关周期TS内,输出电压VO保持不变。 经分析,工作于DCVM的Cuk变换器有三种工作状态,各种工作状态的等效电路如图2(a)、(b)、(c)所示,图中用粗线表示的支路为有电流流过的支路。C上的电压vC的波形如图3所示,图中D1表示在一个开关周期内C放电所用时间与开关周期的比值,D表示开关的占空比。下面对电路各种工作状态作具体的分析。工作状态1(0 式中:D1=(2)
3变换器的大信号模型及其稳态特性
下面先采用平均电路法[5]推导出变换器的大信号模型,根据其大信号模型,推导变换器的稳态特性。Cuk变换器的开关网络如图4所示,假设流过电感L1、L2的电流iL1、iL2在一个开关周期内的平均值分别为、,电容电压vC在一个开关周期内的平均值为,二极管VD上承受的电压vD在一个开关周期周期内的平均值为。
由图3可以得到:=dt+dt=(1-D)(1-D+D1)(3)=dt=(1-D)D1=(1-D)2(4)
于是可得:=-=(1-D)2(5)由式(5)可以看出,输入端口电压与输入端口电流成正比,也就是说:=(6)
式中等效电阻Re(D)为:Re(D)=(7)
所以开关网络输入端口的等效电路如图5(a)所示。由图5(a)可以看出,由于输入端口等效为一电阻Re(D),所以变换器具有输入电流波形自动跟踪输入电压波形的能力,从而达到了功率因数校正的目的。
由式(4)、式(5)可得:=(8)式中表示在一个开关周期内开关网络所处理的平均功率。由式(8)可以看出,与变换器的负载特性无关,也就是说,开关网络的输出端呈现出电源的特性,所以开关网络输出端的等效电路用一受控电源表示,如图5(b)所示。由图5(a)、(b)得到开关网络的“无损电阻模型”,如图5(c)所示。最后,用开关网络的“无损电阻模型”代替图1中的开关网络,得到工作于DCVM模式的Cuk变换器大信号交流等效模型,如图6所示。另外,根据变换器的大信号等效模型,经小信号线性化处理,可以得到其交流小信号模型,从而为整个系统的设计提供依据,限于篇幅,在此略去。
将图6中所示的各平均值用它们的稳态值代替,并让图中的电感短路,电容开路,从而得到工作于DCVM模式的Cuk变换器的直流模型,如图7所示。
由图7可得,输入功率Pin为:
Pin=Vin2/Re(D)=2CVin2/(1-D)2TS(9)
输出功率PO为:
PO=VO2/RL(10)
假设变换器的效率为100%,即Pin=PO,于是可得变换器的变比M为:M=(11)
式中:fs为变换器的开关频率。
同样,由图7可以得到:IL1=(12.a)IL2=(12.b)
工作于DCVM模式的CukDC/DC变换器用于单相功率因数校正的电路图如图8所示,图中加了滤波电感Lf和滤波电容Cf,用于滤除少量开关纹波。由图8可得,Cuk变换器的输入电压为:
vin=VL|sinωLt|(13)
式中:VL和ωL分别为输入电压的幅值和角频率。
设Ein为半个输入电压周期(TL/2)中流入变换器的能量,则有:Ein=VinIL1dt(14)
由式(12)、式(13)、式(14)可得:
图5Cuk变换器的开关网络
(a)输入端等效电路(b)输出端等效电路(c)无损电阻模型
图6变换器大信号交流等效模型
图7变换器的直流模型
图8工作于DCVM的Cuk功率因数校正电路
图9仿真波形
(a)输入电压vL的波形(b)输入电流iL的波形
(c)流过电感L1的电流iL1的波形(d)流过电感L2的电流iL2的波形
图10参数变化对THD的影响
(a)输入电压波形的影响(b)负载电阻值变化的影响
(c)储能电容值变化的影响
Ein=dt=(15)
另一方面,在半个输入电压周期内变换器输出的能量为:EO=(16)
由于大电容CL的存在,VO可以视为常数,假设变换器的效率为百分之百,即输入与输出能量相等,于是:
EO=Ein(17)
由式(15)、式(16)、式(17)可得:
VO=MVrms(18)
式中:Vrms为输入电压的均方根值。
4仿真结果
根据Cuk变换器工作于DCVM的条件,选择下面的参数用专用电力电子仿真软件PSIM进行仿真:输入电压vL=150sin(100πt),输入电感L1为950μH,输出电感L2为350μH,电容C取0.047μF,输出电容CL取2200μF,开关频率fS取45kHz,开关S的占空比取0.5,负载电阻RL取10Ω。仿真所得的波形如图9所示,其中图9(a)表示输入电压vL的波形,图9(b)表示输入电流iL的波形,可以看出,输入电流很好的跟踪了输入电压,达到了功率因数校正的目的。图9(c)和图9(d)分别为流过电感L1和电感L2的电流波形,可以看出,在绝大部分时间里电流连续,从而减小了器件的电流应力。图10(a)表示了输入电压峰值波动对THD的影响,从图中可以看出,输入电压允许在较大范围内波动。图10(b)表示了负载电阻RL对THD的影响,图10(c)表示了储能电容C的值对THD的影响。仿真结果很好的验证了理论分析的正确性。
5结论
本文讨论了工作于DCVM模式的Cuk变换器的工作特性,从讨论可以看出,工作于这种模式的Cuk变换器的平均输入电流具有自动跟踪输入电压的能力,从而使变换器的控制电路变得简单,而且,开关管实现了零电压关断,从而减小了关断损耗,另外器件的电流应力小,从而减小了器件的导通损耗,提高了变换器的效率。由于Cuk变换器易于实现输入、输出隔离,工作于DCVM模式的输入输出隔离的Cuk变换器与单端正激变换器和反激变换器相比,提高了变压器的利用率。PSIM仿真结果验证了理论分析的正确性。 |
应用DCVM模式工作的Cuk变换器于功率因数校正
- Cuk变换器(5183)
相关推荐
基于SEPIC变换器的高功率因数LED照明电源设计
针对LED驱动电源功率因数低的问题,依据LED照明电源的特点,选择SEPIC电路作为主电路拓扑实现功率因数校正(PFC)和LED电流控制。传统的SEPIC电路用于功率因数校正时都工作在断续模式
2018-02-28 09:07:27
5952
5952
从6个问题解析功率因数校正
1、什么是功率因数校正(PFC)? 功率因数指的是有效功率与总耗电量(视在功率)之间的关系,也就是有效功率除以总耗电量(视在功率)的比值。 基本上功率因数可以衡量电力被有效利用的程度, 当功率因数
2018-03-28 14:34:56
15755
15755
功率因数校正在离线式电源中的应用
正弦电流有效值。 120V , 15A 的线路甚至不能在不导致电路断路器动作时提供 1Kwde 输入功率。而高功率因数校正却能够提供几乎是其两倍的功率,并且损耗很低,因此在许多领域内,高功率因数校正器成为一
2019-10-12 14:14:44
功率因数的校正
。免受公用事业公司“复仇”之苦的一个办法是使用TI 全新功率因数校正控制器 UCC28180。该产品在连续导通模式下工作,支持从几百瓦到数千瓦的宽泛功率级,进而可用于广泛的家庭及办公电器设备,例如电视
2018-09-19 11:30:24
NCL30000功率因数校正可调光LED驱动器的典型应用
NCL30000功率因数校正可调光LED驱动器的典型应用。 NCL30000是一款开关模式电源控制器,适用于中低功率单级功率因数(PF)校正LED驱动器
2019-05-16 09:08:41
NCL30000功率因数校正可调光LED驱动器的典型应用
NCL30000功率因数校正可调光LED驱动器的典型应用。 NCL30000是一款开关模式电源控制器,适用于中低功率单级功率因数(PF)校正LED驱动器
2019-05-16 09:09:09
PFC功率因数校正与LDO低压差线性稳压器简介
PFC (功率)变换 LDO(线性稳压器)* 阻抗匹配 == 耦合电路1 LDO低压差线性稳压器(限流过热保护)2 PWM方波发生器占空比 D = τ (tao) \ T(周期)调制深度3 SPWM音频/全波整流后的正弦波信号(脉宽调整)4 PFC功率因数校正
2022-03-02 07:40:37
pspice升压功率因数校正
各位老师我用pspice10.5仿真基于uc3854的升压功率因数校正,但是输入电流与输入电压相位相差90,这是为何呢?谢谢了。如果给我解决我可以把积分都给你的。
2012-05-03 08:14:05
什么是功率因数校正 PFC?
供应器上的功率因数校正器的运作原理是去控制调整交流电电流输入的时间与波型, 使其与直流电电压波型尽可能一致,让功率因数趋近于。 这对于电力需求量大到某一个水准的电子设备而言是很重要的, 否则电力设备
2022-10-08 11:30:07
关于电源的功率因数校正
这些天准备和小伙伴攻一下功率因数校正,但是不知道哪些芯片能够比较好的进行功率因数测量,或者是用哪种方法可以测得功率因数。我们也查阅了一些资料,但是没找到满意的方法,哪位大神指点一下!!
2015-06-17 13:28:34
单级BUCK-BOOST变换器实现APFC的原理及分析
单级BUCK-BOOST变换器实现APFC的原理及分析本文分析了用BUCK-BOOST电路和反激变换器隔离实现单级功率因数校正的原理和变换过程,给出了电路的Matlab仿真分析的模型。通过对变换器工作在DCM模式下的电路仿真,验证了此方法有良好的效果。[hide][/hide]
2009-12-10 17:09:18
基于功率因数校正的离线式开关电源设计
功率因数校正器成为一需求。 本文所述的高 PFC 放置于输入整流和 BUS 电容之间,工作频率远大于线电压频率,校正器吸收正弦半波输入电流,相位与线电压相位相同通过 BUS 直流电压与参考电压的比较控制
2011-04-14 10:00:46
基于SEPIC变换器的高功率因数LED照明电源设计
,能对输出电压进行升压和降压控制和对输出电流进行控制,实现对LED的亮度控制。文中首先从理论上证明了SEPIC变换器工作在临界连续模式时可以实现功率因数校正,分析了功率因数值和输入输出电压比的关系
2018-10-22 15:24:12
如何区别主动式功率因数校正?
知道了主动式功率因数校正(Active Power Factor Correction)的好处后,使用者最想知道的是如何区分真的具有主动式功率因数校正功能的电源供应器。在此提供几项简单评量的方式
2022-10-08 11:59:08
山胜电子电源模块PFC变换器
由于AC/DC变换电路的输入端有整流元件和滤波电容,在正弦电压输入时,单相整流电源供电的电子设备,电网侧(交流输入端)功率因数仅为0.6~0.65。采用PFC(功率因数校正)变换器,网侧功率因数
2013-08-20 16:00:47
应用临界导通模式的有源功率因数校正控制器
FAN7930C的典型应用临界导通模式控制器。 FA N7930C是一款有源功率因数校正(PFC)控制器,用于在临界导通模式(CRM)下工作的升压PFC应用。它使用电压模式PWM,将内部斜坡信号与误差放大器输出进行比较,以产生MOSFET关断信号
2020-07-29 09:56:44
无桥功率因数校正转换器
`描述此设计是一种数字控制的无桥 300W 功率因数校正转换器。无桥 PFC 转换器的明显特征是输入端不再需要二极管电桥。这降低了二极管电桥通常发生的功率损失,从而改进了总体系统效率。对于
2015-04-08 15:10:13
有源功率因数校正与单级功率因数校正的关系
请问有源功率因数校正与单级功率因数校正有关系吗?在我看来单级功率因数校正是否包括有源功率因数校正威廉希尔官方网站
呢,对不对呢?有人能详细解答一下嘛?
2020-04-19 21:26:10
有源功率因数校正威廉希尔官方网站 介绍
开关功率因数校正电路的原理,包括单相、三相有源箱位零电压开关功率因数校正电路。
本书可作为电气工程与自动化专业、电子信息工程专业的高年级本科生、电气工程学科的研究生参考书,也可作为从事开关电源、变频器、UPS、工业电源等电力电子装置开发、设计工程威廉希尔官方网站
人员的参考书。
2023-09-19 07:12:10
有源功率因数校正电路工作原理分析
一段因输人电压低而不能正常工作,输出电压较低,在相同功率等级时,后级DC/DC变换器电流应力较大;开关管门极驱动信号地与输出地不同,驱动较复杂,加之输人电流断续,功率因数不可能提高很多,因此很少被采用
2012-11-28 14:38:48
有源功率因数校正电路工作原理分析
常用有源功率因数校正电路分为连续电流模式控制型与非连续电流模式控制型两类。其中,连续电流模式控制型主要有升压型(Boost)、降压型(Buck)、升降压型(Buck-Boost)之分;非连续电流模式
2011-09-22 09:45:00
有源功率因数校正电路和无源功率因数校正电路介绍
很多场合中不满足谐波准入的限制要求。此外,由于二极管不控整流,PFC输出电压随输入电压和负载的变化而变化,严重影响变换器输出性能,因此无源功率因数校正电路适用于对供电质量要求较低,对体积和性能要求较低
2023-04-03 14:37:48
用于AC/DC系统的功率因数校正PFC控制器IC
和BD7691FJ功率因数校正控制器IC具有低功耗、宽输入电压范围和宽工作温度范围的优点。BD7690FJ工作电流的典型值为310μA,BD7691FJ工作电流的典型值为360μA。这两款芯片的输入电压范围为
2019-04-28 09:55:07
请问电机变频时功率因数如何测?
接于变频器进线端,不工作时显示0.735,工作时显示0.93,也不对吧。功率因数表厂家的工程师也是不明不白,难道电机变频时的功率因数无法测量吗?
2023-12-14 06:41:54
采用UC3854的有源功率因数校正电路工作原理与应用
采用UC3854的有源功率因数校正电路工作原理与应用简介: 本文主要介绍了有源功率因数校正(APFC)的工作原理、电路分类。并对在国内得到广泛应用的UC3854集成电路的典型应用电路、工作原理做了
2009-08-20 19:07:43
L4981在门机电源功率因数校正中的应用
针对普通开关电源功率因数较低和谐波较大的缺陷,以M981功率因数校正芯片为核心,构建了双级式PFC电源的功率因数校正前级。在选取确定了主电路拓扑结构后,介绍了它的工作原
2008-12-19 01:50:41
55
55三相单级全桥 PFC 变换器电压尖峰产生机理分析与抑制
文中提出一种基于全桥结构的三相单级功率因数校正(PFC)变换器,该变换器工作于电感电流断续模式(DCM),电感电流即输入电流的峰值自动跟踪输入电压,可实现功率因数校正。详细
2009-04-08 15:13:44
32
32有源功率因数校正变换器的实现
本文介绍了开关电源功率因数校正的实质,分析了功率因数校正的电路实现方法,并提出了变换器的相关要求。近年来,随着电子威廉希尔官方网站
的发展,各种办公自动化设备,家用电器,
2009-08-07 08:56:16
56
56电荷泵高功率因数变换器
本文提出一种新型电荷泵高功率因数准半桥变换器拓扑结构。该变换器具有电路结构简单和采用普通的PWM 控制方式的特点。文中分析了电路的工作过程及取得高功率因数的条件,
2009-08-15 15:35:10
19
19Boost型功率因数校正变换器的数字控制研究
Boost 型功率因数校正变换器的数字控制研究:数字控制逐渐和电力电子应用紧密结合,功率因数校正是电力电子威廉希尔官方网站
的一个重要应用。文中针对Boost 型功率因数校正电路建立了平均
2009-10-14 09:39:23
28
28单相有源功率因数校正威廉希尔官方网站 的发展
本文对现有的功率因数校正威廉希尔官方网站
进行了分析和总结。通过软开关威廉希尔官方网站
以及新型高性能的电路拓扑设计,分析了提高AC-DC变换器的转换效率的威廉希尔官方网站
。提出了无桥PFC电路是高性能功率因
2009-10-14 10:40:54
41
41功率较大的可多路独立供电的半桥DC/DC变换器
介绍了一种功率较大的可多路独立供电的半桥DC/DC变换器。采用了有源功率因数校正威廉希尔官方网站
以实现系统的高功率因数。DC/DC主电路采用高速双路PWM芯片UC3825控制的半桥变换器,并且
2009-10-14 12:28:17
24
24BOOST高功率因数变换器
BOOST 高功率因数变换器5 电力电子仿真领域的方案探求:由于电力电子研究中相关功率变换器的非线性以及可能有的多种运行模(连续模式CCM和不连续模式D
2010-03-20 16:14:19
36
36单级PFC变换器的功率因数校正效果的研究
单级PFC变换器的功率因数校正效果的研究
为了使开关电源的输入电流谐波满足要求,必须加入功率因数校正(PFC)。目前应用得最广泛的是PFC级+DC/DC级的两级方案,它们
2010-04-12 18:04:27
34
34临界不连续电流模式功率因数校正电路设计
摘要:研究了电压型和电流型临界不连续电流模式的功率因数校正电路。采用MC33260设计的500w AC/DC变换器可以适应90~265V电压变化范围,功率因数在0.98以上。关键词:功率因数
2010-04-30 09:17:08
27
27电荷泵式功率因数校正电子镇流器
电荷泵功率因数校正(CPPFC)电子镇流器由于其良好的功率因数校正性能越来越受到人们的关注。以几种带电荷泵功率因数校正器的电子镇流器为例子,介绍了电荷泵功率因数校正
2010-05-08 08:44:39
54
54先进的功率因数校正
议程AgendaR26; 引言Introductionh8707; 功率因数校正的基本解决方案Basic solutions for power factor correctionh8707; 要满足的新需求New needs to addressR26; 交错式的功率因数校正In
2010-07-30 10:18:37
38
38有源功率因数校正电路的设计
主要介绍了有源功率因数校正(APFC)的工作原理、电路分类。设计了基于UC3854芯片的一种有源电路功率因数校正电路方案,着重分析了电路参数的选择和设计。实践证明采用APFC后,
2010-08-04 11:26:30
0
0L6562功率因数校正器及应用
L6562型功率因数校正控制器工作在临界传导模式下。文中介绍了L6562的结构和特点,叙述了其工作原理,并给出一种典型应用电路,测试了其工作波形。
2010-10-19 16:46:19
426
426DCBM模式160瓦功率因数校正器的研制
介绍了有源功率因数校正器(7*4)的拓扑结构和几种工作模式,分析了电流断续临界模式(3456 )控制的7*4 电路的工作原理,并给出了#-)8 7*4 电路参数的选取方法、实验波形和结
2010-10-19 16:46:59
15
15开关电源功率因数校正威廉希尔官方网站 及功率级设计
摘要:本文较详细地分析了普通开关电源功率因数过低的原因及产生的危害,简要分析了各类功率因数校正电路的工作原理及主要优缺点,还介绍了功率因数校正主回路的设计方法。
2010-12-14 12:46:54
46
46临界导电模式(BCM)功率因数校正Boost开关变换器的设计
分析整流电路的拓扑结构和工作模式,探讨该整流电路关键参数的选取依据,提出临界导电模式(BCM)功率因数校正Boost开关变换器的设计方法。仿真结果表明,所设计的以MC33262为
2010-12-30 10:24:04
54
54电压临界工作模式的有源功率因数校正原理设计
提高开关电源的功率因数,不仅可以节能,还可以减少电网的谐波污染,提高了电网的供电质量。为此,研究出多种提高功率因数的方法,其中,有源功率因数校正威廉希尔官方网站
(简称APFC)
2009-01-04 19:23:54
733
733
连续调制模式功率因数校正器的设计
连续调制模式功率因数校正器的设计
介绍了有源功率因数校正的工作原理及实现方法,并针对各种校正威廉希尔官方网站
的特点进行了对比分析。之后着重分析了工作于连续调制模
2009-06-30 19:55:03
532
532
反激式功率因数校正电路的电磁兼容设计
反激式功率因数校正电路的电磁兼容设计
通过反激式功率因数校正电路说明了单级功率因数校正电路中的电磁兼容问题,分析了单级功率因数校正电路中骚扰的产生机
2009-06-30 20:23:29
934
934
一种新颖的功率因数校正芯片的研究
一种新颖的功率因数校正芯片的研究
摘要:介绍了一种新颖的功率因数校正(PFC)芯片。它的主要特点是提高了轻载时的功率因数和改善了电路的
2009-07-06 09:17:39
871
871
NCP1650型功率因数校正器的工作原理
NCP1650型功率因数校正器的工作原理
摘要:利用有源功率因数校正威廉希尔官方网站
可以大大提高电能利用率,降低线路损耗,减小电网的谐
2009-07-08 14:21:04
2144
2144
单极隔离式功率因数校正(PFC)变换器
单极隔离式功率因数校正(PFC)变换器
1引言
现代开关电源的主要发展趋向之一是提高AC/DC变换器输入端功率因数,减少对电网的谐波污染。传统的AC/DC开关变换
2009-07-10 10:07:39
2759
2759
一种新颖的完全断续箝位电流模式功率因数校正电路
一种新颖的完全断续箝位电流模式功率因数校正电路
摘要:提供了一种新颖的宽输入范围、完全DCM、箝位电流工作模式的Boost功率因
2009-07-11 09:39:00
600
600
改进的单级功率因数校正AC/DC变换器的拓扑综述
改进的单级功率因数校正AC/DC变换器的拓扑综述
摘要:单级功率因数校正(简称单级PFC)由于控制电路简单、成本低、功率密度高在中
2009-07-11 13:55:24
640
640
基于Flyboost模块的新型单级功率因数校正变换器
基于Flyboost模块的新型单级功率因数校正变换器
摘要:提出了一种新型的功率因数校正模块(flyboost模块),它具有
2009-07-14 09:16:36
1030
1030
一种新型单级功率因数校正(PFC)变换器
一种新型单级功率因数校正(PFC)变换器
摘要:提出了一种新型的功率因数校正单元(flyback+boost单元)。这种功率因数单
2009-07-14 17:49:32
932
932
一种小功率单级功率因数校正电路
一种小功率单级功率因数校正电路
摘要:讨论一种单级功率因数校正电路的原理,并分析其实验结果。
关键词:单级功率因数
A Low Powe
2009-07-21 16:53:38
2032
2032
基于BCM的有源功率因数校正电路的实现
基于BCM的有源功率因数校正电路的实现
摘要:分析整流电路的拓扑结构和工作模式,探讨该整流电路关键参数的选取依据,提出临界导电模式(BCM)功率因数校正Boost开关
2010-03-13 10:50:22
2388
2388
PFC变换器输入电流过零畸变校正
摘要:功率因数校正(PFC)变换器普遍存在输入电流在输入电压过零点附近发生畸变的现象。现分析了PFC变换器输入电流在输入电压过零点附近产生畸变原因的基础上,针对PFC变换器的输入电流超前于输入电压,从而导功率因数不为1和输入电流过零畸变的问题,提出
2011-02-23 16:45:06
69
69基于Matlab的高功率因数校正威廉希尔官方网站 的仿真
模拟控制器和数字控制器在单相Boost功率因数校正电路中都可以提高功率因数,消除高次谐波电流和降低总谐波畸变因数(THD),完全的实现了功率因数校正的目的,但是数字控制器在相比于模拟控制器
2011-06-03 11:21:38
4178
4178
新型单级隔离型软开关功率因数变换器
提出一种兼具软开关和箝位的新型单级隔离型 功率因数校正 变换器拓扑。该变换器能满足电气隔离的应用要求,提升单级隔离型PFC的功率等级。与传统单级结构相比,新拓扑输入电流
2011-07-26 17:58:43
33
33新型三相功率因数校正器的研究
以单相Cuk型变换器合成三相功率因数校正电路为研究对象,将三相交流电分成单相A-B、B-C、C-A进行功率因数校正,运用升压型平均电流控制的功率因数校正思想,解决了常规单相Cuk型有
2011-09-23 14:51:36
51
51基于MATLAB的有源功率因数校正系统的建模与仿真_江兆根
有源功率因数校正器(简称APFC)现在广泛地使用在交—直电源变换电路中,以消除电力系统的谐波,提高功率因数。而在校正器中采用新的控制算法或威廉希尔官方网站
,可以更好地达到消除电力系统的谐波、提高功率因数的目的。
2016-11-05 17:55:00
12
12功率因数校正器与uc3853设计
。的uc3853采用平均电流控制模式,并与一个升压或反激式变换器。这是从PFC控制电路UC3854的家庭发展起来的,在一个8引脚封装相同的部件功能。多用于集成电路UC3854的家庭信息也适用于uc3853。特别是,Unitrode应用笔记u-134提供功率因数校正的一个很好的概述
2017-06-29 15:35:22
28
28二次型Boost功率因数校正变换器
与传统电流断续模式( DCM) Boost功率因数校正(PFC)变换器相比,定占空比控制二次型DCM-DCM Boost PFC变换器的输出电压纹波明显减小,然而,其功率因数(PF)低于传统DCM
2018-03-28 10:56:04
1
1三相二级有功功率因数校正电路设计的详细资料说明
电力电子设备的谐波污染对供电质量和电能效率有很大的负面影响。为了提高功率因数,我们设计了三相二电平有源功率因数校正(APFC)电路。前级升压变换器与整流器输入功率侧相连,实现功率因数校正,后级降压
2019-05-15 08:00:00
4
4美浦森推荐PFC 功率因数校正方案
功率因数可以衡量电力被有效利用的程度,当功率因数值越大,代表其电力利用率越高。说明PFC拓扑常见的工作模式有CCM电流连续型、DCM不连续型和CRM临界型三种,P
2022-04-29 16:40:55
648
648
什么是功率因数 功率因数校正基础知识
简介 功率因数校正 (PFC) 是客户在选择电源时寻求的功能之一,因为它对设备的整体效率起着巨大的作用。本文档介绍了功率因数校正 (PFC)的基本事实和原理以及管理该功能的法规。它还讨论了常见的原因
2023-10-05 15:56:00
1056
1056
电子发烧友App







评论