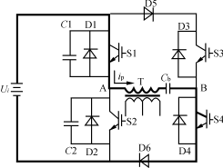
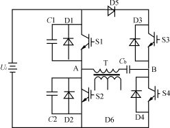
零压零流开关电源的研究与应用摘要:提出一种新型的软开关电路拓扑,通过仿真分析和试验验证,实现了变换器的零压零流开关特性,降低了开关损耗,并已应用于通信开关电源。 关键词:变换器零压零流开关仿真 Study and Application of Zero? Voltage Zero? Current Switching Power Supply Abstract:A novel soft switching circuit topology is introduced in this paper.Through the simulation analysis and experimental results,the zero? voltage zero? current switching characteristics of converter are realized,the switching losses are reduced and it has been applied in communication power supply. Keywords:Converter,Zero? voltage zero? current switching,Simulation 1引言 目前,具有谐振软开关和PWM控制特点的,相移全桥零电压PWM(FB?ZVS?PWM)变换器得到了广泛应用,由于功率开关器件实现了零电压开关,从而减小了开关损耗,提高了电源系统的稳定性。但是,FB?ZVS?PWM变换器仍然存在占空比丢失严重、环路导通损耗大等缺点。为此,在以上研究的基础之上,本文提出了一种新型的零电压零电流拓扑结构,改善了器件的运行状态,通过仿真分析和试验研究,实现了变换器的零压零流开关特性,并已成功用于通信开关电源。 2工作原理 相移全桥零压零流PWM(FB?ZVZCS?PWM)逆变电路的结构如图1所示。S1~S4为功率开关器件,D1~D4为器件自身反并二极管,D5和D6为阻断二极管,C1~C2为S1和S2的旁路电容,Cb为隔直电容。零压零流逆变电路的相关波形如图2所示。 在零压零流软开关逆变电路的工作过程中,半个周期有六种工作模式,如图3所示。具体工作过程如下:
图1零压零流逆变电路原理图
图2零压零流逆变电路相关波形 Mode1: [t0~t1]期间,S1、S4导通,uAB=Ui,变压器T向次级传递能量,隔直电容Cb电压线性上升。 Mode2: [t1~t2]期间,S1关断,S4仍然导通,S1两端并联电容C1充电至Ui,S2两端并联电容放电至零时,S2的反并联二极管D2导通,若S2随后导通,即为零电压导通。 Mode3: [t2~t3]期间,S1、S4导通,uAB=0,隔直电容Cb电压全部加在变压器T漏感上,初级电流线性下降至零。 Mode4: (a)Model(t0~t1)
(b)Mode2(t1~t2)
(c)Mode3(t2~t3)
(d)Mode4(t3~t4)
(e)Mode5(t4~t5)
(f)Mode6(t5~t6) 图3零压零流逆变电路工作模式分析示意图 [t3~t4]期间,S2、S4导通,阻断二极管D6阻止初级电流反向流动,变压器初级无电流流过,仍将保持为零。 Mode5: [t4~t5]期间,S4关断,S2导通。由于初级无电流流过,S4的关断为零电流关断,电路处于开路状态。 Mode6: [t5~t6]期间,S2、S3导通,初级电流瞬时仍保持为零。随后,初级电流增大,隔直电容电压线性下降,变压器初级向次级传递能量。 3电路特点 零压零流软开关逆变电路利用了与滞后臂串联阻断二极管的阻断工作特性,可以在宽负载范围内实现超前臂功率器件的零电压开关和延迟臂功率器件的零电流开关。 3?1超前臂功率器件的零电压开关 与零压软开关逆变电路一样,零压零流软开关逆变电路超前臂功率器件的零电压开通可通过输出滤波电感中的能量来实现,其软开关程度主要取决于旁路电容和原边电流。 旁路电容充放电时间为: 式中:Ui——输入直流电压; C——超前臂功率器件旁路电容量; Ip——初级电流,类似一个恒流源。 功率器件开通时,变压器初级电流已通过器件反并二极管流动,集射极间电压为零。若旁路电容量较大,电路不仅可以在宽负载范围内实现零电压导通,而且可减小IGBT的关断损耗。 3?2延迟臂功率器件的零流开关 在续流阶段,变压器初级电流保持为零,延迟臂功率器件的开通和关断都将在零电流条件下完成的,减小了IGBT的开关损耗。如果延迟臂实现零电流开关,初级电流必须在延迟臂关断之前从负载电流减小为零,并在此后保持为零。 初级电流从负载电流降低为零的时间为: Cb——隔直电容量; D——占空比; Ts——开关周期。 从上式可以看出,电流下降时间与负载无关,因此,如果开关时间设置合适,延迟臂可以在任意负载范围内实现零电流开关。
4试验研究 采用FB?ZVZCS?PWM变换器,成功研制出大功率通信开关电源。具体威廉希尔官方网站 参数如下: 输入电压:三相380V 开关频率:25kHz 输出功率:≥3kW 效率:≥92% 超前臂功率器件的电流波形和集射极间电压波形、延迟臂功率器件的电流波形和集射极间电压波形、变压器初级电流波形和逆变电路中点电压波形如图4所示,其中,(a)(c)(e)为仿真波形,(b)(d)(f)为试验波形。 5结语 通过以上分析和试验研究,得出以下结论: (1)FB?ZVZCS?PWM逆变电路可在宽负载范围内实现超前臂功率器件的零电压和延迟臂功率器件的零电流开关; (2)续流阶段,变压器初级电流为零,有效降低了环路损耗; (3)与FB?ZVS?PWM逆变电路相比,效率明显提高。 参考文献 1阮新波.PWMDC/DC全桥变换器的软开关威廉希尔官方网站 研究[博士后研究报告].南京航空航天大学,1998 2J.G.Cho,J.Sabate,G.Hua,and F.C.Lee. Zero? Voltage and Zero? Current? Switching Full Bridge for high Power Application.IEEE transaction,Power Electronics, 1996( 11) : 622~ 628 |
零压零流开关电源的研究与应用
- 开关电源(468550)
相关推荐
绿色模式开关电源的研究与设计
提出了一种中小功率绿色模式开关电源设计,该电源采用两级变换器分别对输入电流波形整形和快速调节输出电压。采用过渡模式有源功率因数校正、准谐振变频控制功率隔离变换和同
2011-09-15 13:55:00
1344
1344
基于脉冲负载的中小功率开关电源研究
基于脉冲负载的开关电源在毫米波系统中得到广泛应用。分析了脉冲负载的原理, 对影响脉冲电源输出电压的各种因素进行探讨, 提出了分析脉冲电源的基本方法。基于以上方法, 较
2011-09-28 10:28:37
4401
4401
简化的离线式开关电源设计的研究
开关电源的使用日益普及,电视机、机顶盒和录像机均采用这种方式供电,移动电话充电器、PDA(个人数字助理),甚至一些电动牙刷都采用开关电源。本文对一种简化的离线式开关电源进行研究,以便为之后的设计带来
2014-03-11 10:38:30
2239
2239基于PSIM软件的BUCK开关电源仿真研究
BUCK是开关电源中的降压拓扑之一,也是最基础电源拓扑,这也是入门开关电源最好入手之处。下面我们基于PSIM软件对BUCK进行仿真研究。
2024-03-14 10:03:07
178
178
24V开关电源的正极与零线之间有没有电压?
无论是开关电源还是线性电源,其低压直流部分一般都是与交流高压输入部分完全隔离的,所以24V开关电源的正极与零线(N)之间是没有电压的! 线性电源的设计思路是先通过工频变压器将高压交流
2021-03-15 15:14:57
开关电源和LDO设计
本人菜鸟一只,想用芯片实现低噪声电源,需要1A左右驱动能力的电源,目前打算用开关电源后接LDO设计。总电源输入是24V电源适配器,目前还不知道电源适配器的纹波和噪声性能,但是看到大部分高驱动
2014-04-22 22:30:52
开关电源导致的噪声怎么解决?
定制的一个开关电源,使用后,系统噪声稍大,用手接触开关电源金属外壳,系统噪声就正常了。开关电源外壳是接大地的。感觉是可能EMI导致的噪声,目前无好的测试方案,无法证明。各位坛友有好的建议么?开关电源输入接了一个电源滤波器。
2019-10-28 05:43:03
开关电源常见的问题
输出的情况。在用万用表测量次级元件,排除了高频整流二极管击穿、负载短路的情况后,如果这时输出为零,则可以肯定是电源的控制电路出了故障。 开关电源和线性电源相比,虽然二者增长速率各异,但是二者的成本都
2013-04-11 20:08:18
开关电源威廉希尔官方网站 的发展
几百瓦~几,推挽型次电流回路只有一个开关, 低输入电压的开关电源 有偏磁问题 千瓦通态损耗较小,驱动简单 4 开关电源控制威廉希尔官方网站
的研究 母线的开路、短路以及模块的损坏都不会影响系 统其它模块的正常
2018-11-21 16:29:12
开关电源环路设计与计算经验分享
本文主要内容是为大家简单介绍开关电源,以反激变换器为例进行开关电源环路分析,并进行开关电源的环路补偿。开关电源简介用途:AC/DC, DC/DC, DC/AC (inverter)基本拓扑结构: 非
2022-10-26 14:55:00
开关电源电磁兼容及其研究新进展
开关电源电磁兼容及其研究新进展Review on EMC studies of SMPS 内容一. 开关电源威廉希尔官方网站
发展面临的EMC挑战二. 开关电源电磁干扰发射形成和传播三. 开关电源电磁干扰发射的抑制四. 开关电源电磁兼容研究新进展五. 结束语[hide][/hide]
2009-12-23 15:44:22
开关电源的三种检修技巧分享
端电压有一个小的电压输出,然后降为0V,这种情况说明开关电源在加电的初始产生了振荡,但后由于过压,过流保护引起停振,或开关机接口电路加电初始为开机状态,但随CPU清零的结束而转入待机状态,引发这种情况
2020-12-01 17:39:08
开关电源的偏置绕组的位置问题
我手头有一本《经典开关电源实用电路139例》,其中大部分电源的偏置绕组都放在次级绕组一边,但有些电路却把它放到次级绕组一边(比如说7.5V/1A恒压/恒流充电开关电源)。这两种位置区别大么?
2014-01-14 09:35:33
开关电源的原理及选用
开关电源的效率在80%以上。所以在输出电流的选择,要对设备最大耐流值进行准确的测量和分析。使开关电源具有更长的使用寿命。常用的公式计算的输出电流:Is = K * If最大吸收电流If。额定输出电流Is。裕
2018-05-14 10:18:04
开关电源的种类
相反,电感传输。4)Cuk:升/降压斩波器,入出极性相反,电容传输。(三).按拓补结构:1.隔离型:有变压器。2.非隔离型:无变压器。威廉希尔官方网站
专区隔离式电源设计需要开发最好的拓扑中大功耗、低效稳压器散热问题,电源模块不可忽视!关于开关电源的相关知识开关电源EMC过不了?PCB画板工程师有不可推卸的责任!
2020-03-01 12:39:58
开关电源设计各模块精解
、功率变换电路、PWM控制器电路、输出整流滤波电路组成。辅助电路有输入过欠压保护电路、输出过欠压保护电路、输出过流保护电路、输出短路保护电路等。希望本文能帮到同行的你更加深入的了解开关电源,温故而知新!!
2012-08-08 21:18:52
开关电源设计的可靠性研究
的解决途径是采用具有功率因素校正威廉希尔官方网站
的开关电源。 在保护电路的方面,为使电源能在各种恶劣环境下可靠地工作,应在设计时加入多种保护电路,如防浪涌冲击、过欠压、过载、短路、过热等保护电路措施。 对于控制策略
2018-09-25 18:10:52
开关电源辅助绕组过流
开关电源辅助绕组过流,正常工作电流5mA,实际测得14mA,正常温度25°下,辅助绕组7.5Ω限流电阻温度100°左右。电源管理芯片是好的。想请问一下可能什么原因
2022-07-25 09:02:06
开关电源过流和过压保护方案
``电源部分的保护方案 在开关电源部分, 推荐的过流和过压保护方案如下: TVS管AK6和AK10系列是具有极高额定电流的瞬态电压抑制器(TVS),特别为保护AC和DC输入电路免受瞬态电压损坏
2020-07-06 15:15:08
流压转换
利用运放组成的简单的流压转换电路,转换完成后,在后边直接接一个电压表,显示的示数完全不对,电流为零时,电压表示数仍为2.0。请问,如何测量流压转换后的输出电压值。
2016-04-21 23:59:57
零电源开关原理电路图
工作原理:开关接通后一个量子化的能量从输入源传输到由次级变压器固有泄露电感L 和电容元件C 构成的LC(谐振) 电路, 。同时,一个近似于半个正弦波的电流通过开关“, 零电流”时开关接通, 而当电流
2011-01-07 17:15:01
零电压电流开关相关资料分享
PWM开关电源按硬开关模式工作(开/关过程中电压下降/上升和电流上升/下降波形有交叠),因而开关损耗大。高频化虽可以缩小体积重量,但开关损耗却更大了。为此,必须研究开关电压/电流波形不交叠的威廉希尔官方网站
,即所谓零电压开关(ZVS)/零电流开关(ZCS)威廉希尔官方网站
,或称软开关威廉希尔官方网站
。
2021-10-29 08:20:30
DC-DC可调开关电源设计与仿真研究
老师留的题目,DC-DC开关电源可以设计,可是之前没接触过可调开关电源,不知如何下手,各位能人异士能否帮一下,帮忙设计一款直流转直流可调开关电源呢,最好是纯电路,不涉及单片机,会更加复杂,谢谢
2017-03-28 08:06:48
LED开关电源有哪些重要的保护模式
led开关电源的保护模式如下:1、过流电路:通常要先知道当出现负载短路、过载或者控制电路失效等意外情况时,会引起流过开关管的电流过大,使管子功耗增大、发热,假如没有过流保护装置,大功率开关管就有几率
2016-04-27 10:26:37
LED用开关电源的设计与研究
研究概述 LED用开关电源属于电网电源供电的、额定电压不超过600V的单路输出式交流-直流外部电源,而室外用的LED开关电源比室内用的环境更严酷,所以选室外用的LED开关电源作为研究的重点
2018-09-27 10:06:14
SM7525恒流开关电源芯片应用知识
SM7525恒流开关电源芯片概述:SM7525是一款高性能的恒流控制功率开关芯片,采用我司的恒流控制专利威廉希尔官方网站
,在90Vac~264Vac输入电压范围内,兼容3~5W的照明方案,系统恒流精度小于±3
2015-11-25 14:30:29
[银联宝推荐]开关电源芯片基本功能
直接影响输出频率的稳定性。 开关电源芯片SF6773银联宝科技开关电源芯片SF6773V基本功能1.效率满足六级能效要求2.内置650V 功率MOSFET3.内置反馈脚(FB)短路保护4.±5%恒压恒流
2017-06-09 11:21:32
“开关电源”你必须知道的电路详解
最近看到一份开关电源的资料,看了觉得很有用,很适合刚接触开关电源的小伙伴学习提升,对于已经在从事开关电源方面工作的小伙伴作为提升的参考资料。开关电源的主要电路是由输入电磁干扰滤波(EMI)、整流滤波
2020-10-23 10:12:57
一种无APFC的全压开关电源设计方案
的特点,使得该方案具备较强的商用性。 1.引言 相对于传统线性电源,开关电源拥有体积小、重量轻、效率高等方生俱来的优势。因此近些年,研究开关电源的人越来越多,相应的威廉希尔官方网站
也层出不穷。研究成本低廉、性能
2018-11-29 17:11:47
关于开关电源,求高手
今天维修一个开关电源,100W,24V单路输出,通电后,电压从24V逐渐变低,发光二极管慢慢熄灭,最后电压为零,不知道这是那部分电路出问题了,求高手赐教,,
2013-06-03 20:53:44
关于U741运放的调零遇到的问题
本帖最后由 sunboy25 于 2016-1-6 15:27 编辑
我想问一下运放调零时用的电源,是不是只能是线型电源,不能用开关电源的?如果用了开关电源,Vout脚的输出电压就会跟VCC脚电压大小差不多?
2016-01-06 15:26:26
几种常用的开关电源保护电路
几种常用的开关电源保护电路在电气威廉希尔官方网站
指标满足正常使用要求的条件下,为使电源在恶劣环境及突发故障情况下安全可靠地工作,必须设计多种保护电路,比如防浪涌的软启动,防过压、欠压、过热、过流、短路、缺相等
2009-12-01 17:28:16
大功率65W电机开关电源芯片可以选择哪款型号?
大功率65W电机开关电源芯片可以选择哪款型号?首先得有恒流恒压控制模式,其次得有CS开路保护。满足这些条件的芯片有银联宝开关电源芯片U6101型号,这款芯片可以恒压控制状态,也可以恒流控制状态
2020-03-25 11:38:17
恒流LED开关电源的纹波电压测试使用的负载是什么?
如题,在对恒流型的LED开关电源的纹波电压参数进行测试时,使用的负载是选择LED串还是用电子负载的CV模式?亦或是其他方式?如果使用LED作为负载,考虑到随着温度上升,前向压降有所变化,好像不是很合适。请问国标里有无恒流型开关电源的负载的相关规定,如果有,是哪个国标?谢谢!
2019-10-17 09:10:48
最全开关电源电路分类讲解,带你攻破电路电路设计难点
,开关电源处于正常运行状态。 DCDC模块电源的反馈电路和设计方法开关电源常用电路详解开关电源的主要电路是由输入电磁干扰滤波器(EMI)、整流滤波电路、功率变换电路、PWM控制器电路、输出整流滤波电路组成。辅助电路有输入过欠压保护电路、输出过欠压保护电路、输出过流保护电路、输出短路保护电路等。
2020-07-16 15:00:21
此软件适合开关电源的设计么?
如题此软件适合开关电源的设计么?此软件适合开关电源的设计么?此软件适合开关电源的设计么?此软件适合开关电源的设计么?此软件适合开关电源的设计么?此软件适合开关电源的设计么?此软件适合开关电源的设计么?
2015-08-13 23:27:20
求大神帮忙指导下,小弟新手,看看这开关电源PCB怎么零件怎么摆放合适。
大神请帮忙看下,小弟是新手,这是一个开关电源,我不怎么会摆放零件,求大神帮忙看下,在此谢过。我们老大说强电部分回路太长,那我应该怎么摆放零件呢?小弟是新手啊,求大神指导。我只要求指导下怎么摆放就行了。
2016-05-14 12:28:56
秒懂开关电源小技巧
开关管过压损坏1.市电电压过高,对开关管提供的漏极工作电压高,开关管漏极产生的开关脉冲幅度自然升高许多,突破开关管D-S的耐压值造成开关管击穿。2.稳压电路有问题,使开关电源输出电压升高的同时,开关
2014-06-05 14:15:17
稳压恒流型开关电源概述
体积小、重量轻、效率高,确保了长期满负荷运行的稳定、可靠。 设有完善的保护功能。 稳压恒流开关电源内置温控散热风扇,既能有效散热,又能有效延长风扇寿命;过热自动关机保护;输出过压、过流
2009-07-31 15:00:14
简化的离线式开关电源设计的研究
导读:开关电源的使用日益普及,电视机、机顶盒和录像机均采用这种方式供电,移动电话充电器、PDA(个人数字助理),甚至一些电动牙刷都采用开关电源。本文对一种简化的离线式开关电源进行研究,以便为之后
2018-09-27 15:28:58
设计开关电源LM25085发热并产生压降
用威廉希尔官方网站
手册上面的典型电路设计一个开关电源,没有任何负载的情况下电压显示正常,但是接上负载后,就会出现电源发热严重,并产生压降的问题
2018-08-27 09:58:14
隔离的开关电源输出GND可以接零线吗?
如果我有一个隔离的开关电源,现在输出的GND要接零线 ,这样可以吗,对过3C有影响吗,因为供电的板子的GND 要跟零线连接,要以零线为参考地,但是我的电源又是隔离的,这样接会出现什么样的问题?
2021-04-21 08:56:14
高频开关电源
目前空间威廉希尔官方网站
、计算机、通信及家用电器中的电源多采用高频开关电源。开关电源的效率、体积、重量等指标均优于线性稳压电源。开关电源的调整管工作在开关状态,损耗小,效率可达75-95;稳压电源体积小
2013-08-07 15:58:09
高频开关电源的故障分析及解决
很多客户在使用高频开关电源时都会问到,为什么电流调不上去?或者电压调不上去? 对于刚介入使用稳定电源的操作人员,由于对电源的基本概念缺乏实质性的理解。如恒压、恒流、欧姆定律、电源的主体结构等。以下分
2022-04-24 11:28:44
大功率APFC开关电源中的并联均流威廉希尔官方网站
本文在对APFC大功率高频开关电源研究的过程中,着重对开关管的并联均流威廉希尔官方网站
进行了深入研究,并对一种新的并联均流威廉希尔官方网站
进行了理论分析、模拟仿真,结合中功率(3KW)ZVT-APFC模
2009-12-16 14:17:25
102
102开关电源的谐波分析及谐波抑制研究
开关电源的谐波分析及谐波抑制研究
摘 要:文章以开关电源这一很多设备中普遍使用的电源为对象,实测其供电电压及电流数据,分析了电压、电流中的
2010-05-15 14:49:06
43
43IGBT全桥逆变器用RCC多路开关电源的研究
摘要:文章简述IGBT全桥逆变器对其控制电源的威廉希尔官方网站
要求,应用RCC自激反激型变换器原理,研制成功6路独立输出开关电源,给出了实际电路和试验结果。关键词:开关电源 变换器 控制
2010-06-11 08:47:07
106
106开关电源磁芯特性
开关电源磁芯特性摘要: 本文对高频开关电源所用磁芯的特性进行了研究。将磁芯理论与开关电源相结合,简明的阐述了功率磁芯的重要特性。文章解释了温度对磁性能的
2010-06-23 09:41:23
59
59直流开关电源的研究
摘要本文以DICKSON电荷泵的基本原理为出发点研究了一种输出是负电压的开关电容电源电路参考功率MOSFET的电容模型通过增大驱动电路的电流减小了开关管的上升延时提高了开关动作
2010-11-30 13:37:05
35
35基于移相控制的大功率并联软开关电源的研究
摘要:采用AVR单片机实现了大功率并联软开关电源的数字化控制,并设计了主电路系统,研究了移相全桥变换器的工作原理。电源采用模块并联威廉希尔官方网站
和主从控制方式,构成了N+1冗
2010-12-14 15:43:03
61
61开关电源EMI滤波器原理与设计研究
开关电源EMI滤波器原理与设计研究
来源:电源威廉希尔官方网站
应用 作者:魏应冬 吴燮华
摘要:在开关电源中,EMI滤波器对共模和差模传导噪声的抑制起着
2006-06-07 11:27:48
1233
1233高频开关电源设计中的电磁兼容性问题研究
高频开关电源设计中的电磁兼容性问题研究
来源:电源威廉希尔官方网站
应用 作者:邓重一
摘要:说明了开关电源的组成及工作原理;从开关电源的各组成部分出发,分
2006-06-07 11:32:34
495
495基于UC3846的新型开关电源的设计
基于UC3846的新型开关电源的设计
研究了一种新型开关电源的设计。它采用移相全桥PWM控制电路,输出较大的功率,并具有体积小、重量轻、开关频
2009-06-30 19:53:22
3001
3001
关于开关电源的电磁干扰问题研究和解决方法
关于开关电源的电磁干扰问题研究和解决方法
开关电源由于本身工作特性使得电磁干扰问题相当突出。从开关电源电磁干扰的模
2009-06-30 20:22:24
1168
1168
电流控制型开关电源的研究
电流控制型开关电源的研究
信息产业部电子第14研究所鞠文耀(南京210013)
摘要:介绍电流控制型开关稳压电源的基本原理,并将其与电压型
2009-07-25 11:02:57
1581
1581
基于数字化控制的开关电源的研究
基于数字化控制的开关电源的研究
0 引言
开关电源被誉为高效节能型电源。传统的开关电源采用模拟控制威廉希尔官方网站
,使用比较器、误差放大器和模拟调变器等
2009-11-28 09:16:59
800
800
降低开关电源电磁干扰水平的研究
降低开关电源电磁干扰水平的研究
随着电力电子威廉希尔官方网站
的快速发展,开关电源正日益得到广泛应用。但是随着开关电源的高频化和大容量化,其在换流过
2010-01-27 11:08:34
771
771
基于单片机控制的程控开关电源研究
提出了基于单片机控制的程控开关电源解决方案,给出的主电路采用典型单端反激电路模式,控制电路采用51单片机为核心芯片,结合AD采样解决了控制功率开关管导通与关断信号PWM的控制
2011-09-29 17:26:37
234
234基于移相控制的大功率并联软开关电源的研究
采用AVR单片机实现了大功率并联软开关电源的数字化控制,并设计了主电路系统,研究了移相全桥变换器的工作原理。电源采用模块并联威廉希尔官方网站
和主从控制方式,构成了N+1冗余结构,并研
2011-10-21 18:12:48
93
93基于NCP1014的反激式开关电源设计研究
介绍了反激式开关电源的原理.给出了基于NCP1014芯片的电源设计方案.高频变压器初次级匝数以及临界电感计算方法,研究了反激式开关电源电压质量与MOSFET开断的关系,给出了解决方
2011-10-21 18:38:03
139
139基于UC3846N的舰用大功率开关电源研究
本文介绍了UC3846N 电流脉冲宽度调制器( PWM )的特点, 研究了由其构成的某舰用大功率直流开关电源的工作原理, 提出了基于UC3846N 的舰用大功率开关电源故障检测的方法和技巧
2011-11-10 16:01:31
355
355基于梯形积分PI控制的LED反激式开关电源的研究
LED照明具有节能、安全、环保的特性,作为一个新兴的威廉希尔官方网站
领域,在最近几年得到很大发展。LED是典型的电流驱动器件,精确控制驱动电流,可决定光效、电源效率、散热等许多参数。
2012-09-12 16:21:58
34
34开关电源的高频变压器设计方案解析
摘 要 随着电源威廉希尔官方网站
的不断发展,高频化和高功率密度化已经成为开关电源的研究方向和发展趋势,变压器是开关电源的核心部件,并且随着频率和功率的不断提高,其对电源系统的性能产生影响也日益重要,因此高频
2017-12-11 10:31:36
9
9基于UC3845双管正激开关电源研究设计
双管正激拓扑变换器具有较低的开关电压应力,无桥臂直通带来的高可靠性等优点,使其在通信电源、焊接电源、计算机电源等领域得到了广泛的应用。本文介绍基于UC3845双管正激开关电源研究设计。
2018-01-02 10:25:41
27533
27533
可行有效的非隔离负电压DC/DC开关电源的设计
负电压的输出,但这会增大负电源的体积以及电路的复杂性。而随着越来越多专用集成DC/DC控制芯片的出现,使得电路简单、体积小的非隔离负电压开关电源在电子测量装置中得到了越来越广泛的应用。因此,对非隔离负电压开关电源的研究具有很高的实用价值。
2018-10-14 11:26:00
5476
5476
分享一篇高压直流开关电源的设计与实验研究的文章
在国内,低压通信电源较成熟,高压开关电源尚处于研究阶段。一般大功率直流开关电源输入多采用220 V交流电网,为
2021-03-23 17:07:20
3902
3902
一种基于IGBT的双管正激软开关电源的研究与设计
一种基于IGBT的双管正激软开关电源的研究与设计(新型电源威廉希尔官方网站
论文)-随着全控型器件(目前主要是功率MOSPET与IGBT)的广泛使用以及脉宽调制威廉希尔官方网站
的成熟,高频软开关电源也获得了极快地发展。变换
2021-09-17 09:34:39
21
213V10A低压大电流反激式同步整流开关电源的研究与设计
3V10A低压大电流反激式同步整流开关电源的研究与设计(最新电源威廉希尔官方网站
)-近年来,随着电子威廉希尔官方网站
的快速发展,使得低电压、大电流电路为未来主要发展趋势。低电压、大电流工作有利于提高工作电路的整体功率
2021-09-17 13:32:22
21
21软开关高压开关电源设计方法研究总结
软开关高压开关电源设计方法研究总结(现代电源威廉希尔官方网站
基础答案杨飞)-该文档为软开关高压开关电源设计方法研究总结文档,分析了理想和实际的串联谐振充电电 源的充电电 流特性, 提 出用图表 法设计 和调试
2021-09-22 16:29:28
14
14关于同步开关电源和异步开关电源
关于同步开关电源和异步开关电源,关于同步开关电源和非同步开关电源,关于开关电源同步和异步,关于开关电源同步和非同步,关于开关电源同步升压和异步升压,关于开关电源同步升压和非同步升压,如下图所示:...
2021-10-21 14:06:06
62
62大功率并联软开关电源的研究
2023-11-07 08:31:28
0
0
电子发烧友App


















评论