80V,25A的高精度稳流电源制作过程
2012-08-06 10:58:44
上海剑平动平衡机制造有限公司,随着生产成本的提高,材料的品质提高,上海剑平的价格依然是很平稳,针对市场行情做出了性价比最高的价格调整,给予客户优惠的价格,同时也会给予老客户更优惠的价格。其实动平衡
2015-06-19 00:59:53
本文介绍的“自动平衡的射频小电压标准”成功地应用于766厂研制的DO-29型校正接收机中,也可直接用来校准射频电压表及其它无线电设备。该标准使用了经过改进的镇流电阻座,充分发挥了测量射频小电压的优点
2019-06-20 07:42:04
 本帖最后由 qzlhgju706 于 2021-2-23 14:14 编辑 
龙海起重进口品牌运营商:专注起重工具20余年龙海起重销售气动平衡器包括:韩国KHC气动平衡器、韩国东星气动平衡
2018-12-11 10:14:38
/直流电子负载、交流电源供应器、回收式电网模拟电源、功率表、数位式功率表、直流电源供应器、可程控直流电源供应器、可程控直流电源供应器(具I-V模拟)、模块式直流电源供应器、自动测试系统、开关电源自动
2020-07-25 11:28:36
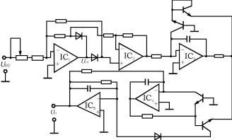
本稳流电源电路中,由T2、D5、VW1、R5、R6、C10及继电器K构成自适应切换动作电路。当输出电路低于14V时,VW1因击穿电压不够而截止,无电流通过,T2截止,K不吸合,其触点K在常态位置
2021-05-12 06:11:09
的电流稳定度。而我们设计的这个稳流电源就能满足上面提到的要求。  2 性能指标9  (1) 输入:三相50Hz、380V;    
2009-08-27 14:36:56
摘要:自动平衡式交流稳流电源是由自动平衡式交流稳压电源衍生而来的。自动平衡式交流稳压电源是利用输出电压采样来控制输出电压的偏离;而自动平衡式稳流电源则利用电流采样,对输出电流的偏离进行补偿。&
2009-09-29 11:24:24
生产的饱和电抗器绕组的直流阻抗较高,约为1n,差别非常大。由于原变压器的交流电流互感器的原因,无法独立取得Y、△两组整流桥交流输入电流的大小,只能从稳流电源机组总直流互感器取得输出直流电流的大小。由上述
2009-08-27 14:48:25
直流稳流电源负载作用的功率  设计人员都用直流电子负载来测试稳流电源,如太阳能阵列或电池,但商用直流电子负载很昂贵。你只要将功率 MOSFET在其线性区内使用,就可制作出自己的直流电子负载(图 1
2009-09-29 10:57:37
 本帖最后由 qzlhgju706 于 2021-2-23 14:13 编辑 
龙海起重进口品牌运营商:专注起重工具20余年龙海起重销售气动平衡器包括:韩国KHC气动平衡器、韩国东星气动平衡
2018-12-14 10:44:25
proteus仿真中如何用交流电源搭建三相交流电proteus仿真中如何用交流电源搭建三相交流电
2016-06-04 10:28:08
,而主动平衡则能够将一个电池单元中的电荷传送至另一电池单元。实现电荷传送有几种方法,如使用开关电容或电感。当使用电容式方法时,电容会与有较高电压的电池单元并联。一旦此电池单元完成充电,它即与有较低
2019-05-13 14:11:47
我们小组做一个可调稳压稳流电源,我负责的是电压,电流检测,并将监测的电压,电流(通过霍尔元件转换成电压)通过窗口比较器,转换成数字量,再经过一个逻辑电路,根据检测的电压和电流大小,选择是电压输出还是电流输出,现在问题是这个逻辑不知道怎么弄!求大神解答!
2019-05-30 08:35:09
`四岭 稳压稳流电源 605S直流电源WYL605S 一台,功能正常 不包精度 价格:620元不含 运费规格是直流稳压稳流电源 60V 5A luoluping996 威❤ 现货咨询有优惠
2019-12-17 21:18:18
四轮定位和四轮动平衡听起来就差几个字,但却是两种不同的操作,而且其价格也相差甚远。四轮动平衡:调车轮子上图是手机里的震动器,原理说来也简单,电机前面装一个偏心轮,由于偏心轮质量分布不均匀,所以转起来
2021-08-30 08:44:58
天津稳压稳流直流电源机柜以上以共摸干扰为主,采用抑制共摸的方法。直流电源直流电源中的非静电力是由负极指向正极的。当直流电源与外电路接通后,在电源外部(外电路),由于电场力的推动,形成由正极到负极
2021-11-12 06:41:48
在一边放置重物 跷跷板自动平衡 本人小白 求助
2017-04-23 01:41:08
如何设置ODrive以使用RC PWM输入来驱动平衡车轮毂电机?有哪几个步骤?
2021-10-09 08:26:20
 本帖最后由 eehome 于 2013-1-5 10:08 编辑 
带电子负载的数控稳压稳流电源的全套资料
2012-08-05 18:43:11
主轴转速达到多少转时候,需要做现场动平衡?接下来就跟着恒兴隆小编一起来看看吧!机床主轴如同机床的心脏,当出现问题的时候,就会影响整个机床的运行。一般在主轴安装好之后,我们就需要测量一下主轴的振动值
2021-07-28 09:16:09
电动平衡车CE认证如何办理?CE认证流程  电动平衡车,又叫体感车、思维车、摄位车等。市场上主要有独轮和双轮两类。其运作原理主要是建立在一种被称为“动态稳定”(Dynamic
2021-07-29 08:47:23
`近几年街头上出现好多种形形色色的电动平衡车,有独轮型的,也有两轮型的,还有滑板车型的,已经成为一条城市风景线。并且越来越多的电影、电视剧和娱乐节目里都开始出现电动平衡车。想必很多人都对电动平衡车
2015-12-28 16:22:16
近几年街头上出现好多种形形色色的电动平衡车,有独轮型的,也有两轮型的,还有滑板车型的,已经成为一条城市风景线。并且越来越多的电影、电视剧和娱乐节目里都开始出现电动平衡车。想必很多人都对电动平衡车
2016-01-11 16:37:30
近几年街头上出现好多种形形色色的电动平衡车,有独轮型的,也有两轮型的,还有滑板车型的,已经成为一条城市风景线。并且越来越多的电影、电视剧和娱乐节目里都开始出现电动平衡车。想必很多人都对电动平衡车
2016-01-15 17:40:42
电动平衡车怎么选电动平衡车选购技巧
2016-11-11 11:56:43
电动平衡车的基本原理是什么?怎样去操作使用电动平衡车呢?
2022-02-23 07:04:25
2020年平衡车推荐,电动平衡车哪个牌子好?老司机教你如何选购电动平衡车随着我国科技的发展,生活水平的提高,在很多地方都出现了电动平衡车的身影,人们将电动平衡车当做短距离代步的工具,也是
2021-08-27 07:09:25
直流稳压电源与直流稳流电源的区别在哪?有人可以详解一下吗?有图最好。
2015-07-16 08:35:46
  这是一种可以为负载提供稳定的直流电源的电子设备,大多数直流稳压电源供电电源是交流电源。即使交流电源的电压或负载电阻发生变化,稳压电源的直流输出电压也保持稳定。随着电子设备向高精度,高稳定性
2021-11-12 07:32:34
稳压稳流电源的工作原理       一个直流电源有两种工作状态,一种是稳压状态,按照
2010-05-29 01:32:07
稳压稳流电源
2012-08-16 22:36:08
 本帖最后由 eehome 于 2013-1-5 09:55 编辑 
兄弟我最近要做个自动平衡的设备,平衡检测元件是用的一款模拟输出的陀螺仪,输出电压0.1-5V,我的执行元件准备用步进电机
2011-07-29 17:12:00
随着计算机威廉希尔官方网站
的飞速发展,虚拟仪器在自动测试及自动化领域起着越来越重要的角色。本文的动平衡测试系统采用LabView 软件及其数据采集卡NI DAQ-6221,实现对凸轮轴转速的精确
2009-05-30 13:33:03
36 本文介绍了一种使用TI 公司高速数字信号处理器(DSP)TMS320F2812 芯片控制的高速电主轴在线动平衡控制系统及其控制策略,根据平衡环的矢量变换和振动平衡原理,提出一种高效
2009-07-11 08:44:46
15 介绍现场动平衡威廉希尔官方网站
特点和优势及系统组成,重点论述现场平衡检测原理及平衡方法。关键词:现场;动平衡;平衡方法Abstract:The feature & advantage of site dynamic balance technolog
2009-08-06 09:43:48
20 动平衡测试威廉希尔官方网站
是随着旋转机械的制造和使用中提出来的。计算机的发展为虚拟仪器的应用提供了可能,本文用“软件代替硬件”的虚拟仪器实现了对动平衡量的测量,提高了测
2009-09-17 11:24:35
21 本文以物镜磁透镜稳流电源为例,介绍了透射电子显微镜透镜稳流电源的结构和工作原理。透镜稳流电源由前置高精度稳压电源模块、数模转换器、低漂移电压比较放大器、高精度
2010-02-23 11:38:38
21 交流恒流源简介  交流恒流源又叫、电流发生器、大电流发生器、电流源、稳流源,是一种宽频谱,高精度稳流,低谐波、失真的交流稳流电流源。采用IGBT高频开关变换和波形闭环控制威廉希尔官方网站
,输出波形品质高
2023-07-16 22:52:11
产品概述NHAC系列是高精度稳流、低谐波、失真的稳流电流源。本恒流源是在外界电网电源产生波动或用电符合阻抗特性发生变化时仍能使输出电流保持恒定的交流电源。该电源主要应用在进行特定电流热效应应用和测试
2023-07-19 20:27:20
WWL-LSX精密线性大功率直流稳压稳流电源使用说明
2010-06-03 11:24:15
22 SINCHIP系列电源是一种具有国际先进水平的程控直流稳压、稳流电源。本系列电源系统采用国际先进的软开关逆变威廉希尔官方网站
,以最新IGBT威廉希尔官方网站
和非晶磁芯为核心器件研制而成,它提供了高度
2010-06-04 08:22:25
49 WLK系列程控稳流电源为开关型稳流电源,主要用于提供磁粉制动器、磁粉离合器、电涡流制动器的激磁电流;具有RS232(或定制RS485)串行接口,可与计算机、PLC控制器通讯。
2010-10-01 20:26:14
20 DH1718E(G)型双路稳压稳流电源是一种带有双3位数字面板表显示的恒压(CV)与恒流(CC)自动转换的高精度电源。DH1718E(G)型可同时显示输出电压及电流。本机设有输出电压、电
2010-10-10 16:04:35
220 
动平衡机(仪)校零补偿电路
2009-02-09 12:52:59
889 
电子自动平衡记录仪信号发生器电路
2009-02-22 11:34:47
319 
电子自动平衡记录仪信号发生器电路 
2009-02-23 21:40:38
479 
电子自动平衡记录仪信号发生器电路
2009-02-25 21:18:27
376 
电子自动平衡记录仪信号发生器电路
2009-02-25 21:48:09
357 
动平衡感觉检测电路
2009-02-28 18:32:50
1011 
电机动平衡综合测试实验一、 实验目的1、 了解动平衡测试原理及电机动平衡测试系统的组成,构建方法及各环节的功能作用。2、 通过示波器和测振表观
2009-03-07 11:12:43
6260 
双面现场动平衡操作步骤(一)动平衡测试仪的标定意义及步骤由实验原理知,测量不平衡量1 M 、2 M 是通过测量电机飞轮上的振动V1、V2 实现的,故标定就是
2009-03-07 11:22:39
3670 实验五、刚性转子动平衡设计与实验一、实验目的     1.掌握刚性转子动平衡设计的原理和方法:    2.掌握在动平衡机上对刚性转
2009-03-13 11:52:25
5238 
氢弧灯稳流电源电路图
2009-06-11 11:20:41
670 
一种交流稳流逆变电源的设计与实现 
0    引言 
    本文所描述的交流稳流逆变电源应用于低压电器长延时热脱扣试验,适用于对断路器、热
2009-07-04 12:22:23
851 
宽带压控式交流电流源
Wide- band Voltage- control AC Current Source 
杭州侨兴电讯有限公司高学锋
摘要:给出宽带交流稳流电源的一种解决方案
2009-07-11 09:18:12
2584 
一种双路输出的稳压稳流电源 
    摘要:采用新型单片式开关电压调整器LM2576代替常
2009-07-16 08:32:13
2419 自动平衡电桥
2009-10-03 09:01:29
2288 
采用晶体管稳压稳流型直流电源电路
2009-10-13 14:39:23
841 
WLK系列程控电源为开关型稳流电源,1A电流输出型配接36负载时,输出电流为0~1A;3A电流输出型配接12负载时,输出电流为0~3A;5A电流输出型配接12负载时,输出电流为0~5A。通过RS232(或RS485)接口与计算机连接,实现计算机对该电源的程控。 WLK系列程控电源
2011-02-22 15:20:37
43 本文设计的动平衡测试系统采用立式旋转方法测不平衡量,解决了大型弹箭体积大、质量重用通常的卧式旋转无法实现的问题,适合测量大型重物动不平衡量
2011-05-26 10:21:39
1154 
实用电源威廉希尔官方网站
手册:交流稳定电源分册, 作者: 张乃国, 版本: 第1版, 辽宁科学威廉希尔官方网站
出版社, 主要叙述 交流稳压 、稳频和稳流电源知识。
2011-07-09 14:30:23
275 80V,25A的高精度稳流电源制作过程:
2012-05-21 14:45:58
206 电动平衡车它让我能够更快的穿梭于大街小巷,自由自在的寻觅美食,品尝到幸福的感觉!
2015-06-09 14:22:09
990 由广东产品质量监督检验研究院、阿里巴巴有限公司、广东省电动车商会、深圳乐行天下科技有限公司为主要起草单位的《电动平衡车通用威廉希尔官方网站
条件》相关条目显示,电动平衡车最高车速不能超过20km/h。同时加强了对电动平衡车生产、销售企业的监管。
2016-12-21 22:10:20
1602 发电机转子动平衡简介_侯仁丙
2017-01-02 16:30:30
2 未来世界的交通工具,电力驱动,智能系统,自动导航,自动平衡,而且还是共享的。
2018-03-05 16:04:59
7330 针对高速主轴在运行过程巾产生的振动对零件加工精度、表面质量等造成的破坏问题,对离线动平衡威廉希尔官方网站
、在线动平衡威廉希尔官方网站
及其在线动平衡装置的发展情况进行了研究与总结,对高速主轴在线动平衡装置的动平衡原理和在
2018-03-06 10:13:44
2 介绍了动平衡的基本概念,并针对传统的单微处理器动平衡系统处理实时性不强等缺陷,介绍了 M SP430 单片机结合 TM S320 数字信号处理器组成的动平衡测量系统的原理和实现方法。
2018-04-19 09:06:27
6 XZS系列长图自动平衡记录仪包括XWZS型电位差计记录仪和XQZS型平衡电桥记录仪两大类,其外形结构如图1所示。
2020-01-06 08:01:00
6211 这里介绍的可调稳流电源可以实现从1.25A~30A连续可调,输出电流可到35A左右。采用最常见的可调稳压集成电路LM317组成电路的核心,关于LM317的详细指标参数可参阅用LM317制作简易稳流电源电路。下面简单介绍一下该电路的特点。
2018-10-27 09:58:36
9921 
电动平衡车,又叫体感车、思维车、摄位车等。市场上主要有独轮和双轮两类。其运作原理主要是建立在一种被称为“动态稳定”(Dynamic Stabilization)的基本原理上。
2018-10-03 12:32:00
23906 电动平衡车,又叫体感车、思维车、摄位车等。市场上主要有独轮和双轮两类。其运作原理主要是建立在一种被称为“动态稳定”(Dynamic Stabilization)的基本原理上。
2019-06-04 06:06:00
11033 来自中国广东工业大学自动化学院的研究人员开发出了一种新型自动平衡机器人,开发代号为Jet-HR1,该机器人可用喷气动力引擎调整重心,未来双足机器人或许能够发挥自己的全部潜力,可以在各种不同的路况下导航前进,并且处理任何潜在的障碍。
2019-06-27 09:29:50
764 便携式动平衡测试仪具有多功能性,既可作转速表用,又可作振动测试用,特别是具有测量动平衡的一切功能,该仪器操作简单,人机对话,菜单提示,测量数据可随时锁定保持,配机内蓄电池和市电双重供电,很方便地用于现场旋转机械的动平衡测试。也可与平衡机相配套,直接替代平衡机电箱,用于老平衡机的改造。
2020-03-10 10:46:09
970 操作简单,测试分析精度高,测试分析快速,图线清晰,大屏幕彩色液晶汉字显示,用于现场汽轮机、水轮机、农业机器、离心机、风机、水泵等旋转机械动平衡的测量,动平衡的纠正及信号分析。
2020-03-16 16:09:30
1257 相信大多数人都不了解,大家熟悉的可能只是电动平衡车本身而已,而对于电动平衡车导热矽胶片是什么产品材料,能起到什么作用并没有概念。电动平衡车又名扭扭车,无论大人还是小朋友,都以拥有一辆漂亮美观的电动平衡
2020-04-01 16:58:55
719 VT700动平衡仪用于现场旋转机械的动平衡测试,可作转速表用,又可作振动测试用,是一款多功能平衡仪,随着现代化工业的飞速发展,对旋转机械的性能提出了越来越高地要求。旋转设备其质量中心由于种种原因
2020-04-26 08:39:28
1181 交流电桥是测量各种交流阻抗的基本仪器,如电容的电容量,电感的电感量等。此外还可利用交流电桥平衡条件与频率的相关性来测量与电容、电感有关的其他物理量,如互感、磁性材料的磁导率、电容的介质损耗、介电常数和电源频率等,其测量准确度和灵敏度都很高,在电磁测量中应用极为广泛。
2021-01-15 15:28:32
13796 
这是一种可以为负载提供稳定的直流电源的电子设备,大多数直流稳压电源供电电源是交流电源。即使交流电源的电压或负载电阻发生变化,稳压电源的直流输出电压也保持稳定。随着电子设备向高精度,高稳定性和高可靠性
2021-02-22 15:58:33
6721 原创: 谭祥军  模态空间
对于旋转机械而言,动平衡是一个经常会遇到的问题。如果不平衡量过大会导致更大的振动噪声问题,同时降低了设备的使用寿命、效率转化等。因此,旋转机械的NVH分析必然包括平衡
2021-01-28 07:21:27
5 交流电源和直流电源的区别在于,直流电源没有变化,而交流电源有一个变化周期,交流电压e=EMSinω t。EM是交流电压的峰值或最大值,而直流电压是恒定的,交流有有效值。根据电流的热效应。通常,铭牌
2021-05-24 14:36:34
8457 基于单片机的两轮自动平衡小车的设计方法。
2021-05-28 11:03:16
40   这是一种可以为负载提供稳定的直流电源的电子设备,大多数直流稳压电源供电电源是交流电源。即使交流电源的电压或负载电阻发生变化,稳压电源的直流输出电压也保持稳定。随着电子设备向高精度,高稳定性
2021-11-07 15:36:04
19 网上的电源装置,可为非车辆电动汽车的动力电池提供直流电源,直流充电可提供足够的电源,输出电压和电流调节范围大,可实现快速充电的要求。稳压稳流程控电源在选择稳流电源的时候,***基本的要求是稳流端的电压就是...
2021-11-07 18:51:03
1 我们生活中有很多不同的电器——手电筒、微波炉、空调、插头等等,那么,这些电器中哪些是使用直流电源的,又有哪些是使用交流电源的呢?交流电源又是如何进行工作的呢?下面,让我们一起对交流电源的工作原理和应用范围进行一个简单的了解。交流电源的工作原理  AMETEK交流电源不同于直流电源,直流电源是在...
2022-01-06 15:46:15
7 本文将介绍如何使用Arduino来制造一个自动平衡机器人,并介绍其控制原理。
2022-04-02 17:28:48
3897 
超级电容器自动平衡 (SAB) MOSFET 系列适合工业应用,以调节和平衡泄漏电流,同时最大限度地减少用于平衡两个或多个串联堆叠的超级电容器电池的能量。
2022-08-26 08:08:49
474 转子动平衡检测是指利用平衡原理对转子进行不平衡校正的一种试验,主要适用于单转子、双转子、多叶叶轮、叶片型叶轮以及轮毂型叶轮。
2023-06-28 09:50:18
840 对于初始不平衡量很大,旋转时振动过大的转子,在作动平衡之前要做单面平衡,以消除静不平衡。校正最好是在重心所在的平面内进行,以减少力偶不平衡。若重心所在平面不允许去重时,一般应在位于重心所在平面两侧的两个平面内进行。
2023-08-05 11:59:02
906 
在电机运行过程中,转子动平衡是确保电机稳定运行和减少振动噪声的关键步骤。电机转子动平衡机作为专用设备广泛应用于电机制造、维修和调试等领域。杭州集智本文将深入探讨电机转子动平衡机的原理和应用,并解析在实际使用过程中可能遇到的相关问题。
2023-08-07 10:12:06
530 电动平衡车,又称体感车、思维车、摄位车等。通过使用车身内部的陀螺仪和加速度传感器来检测车身姿势的变化,并使用伺服控制系统来相应调整地面驱动电机,从而保持系统的平衡。电动平衡车通常需要EMC+LVD
2023-08-08 16:51:36
279 恒流是交流电源吗?恒流电源有什么用 恒流电源并不是交流电源,而是直流电源中的一种。它的主要作用是为电子设备提供稳定的电流输出,从而保证设备的正常工作。 恒流电源的工作原理是通过调节电压大小来保持输出
2023-09-02 17:12:30
1620 直流稳压稳流电源基本功能 电源使用注意事项  直流稳压稳流电源是一种常用的电源设备,用于提供直流电能以满足各种电子设备的供电需求。它具有稳定输出电压和电流的特点,能够保证电子设备稳定、安全地工作
2023-11-16 14:27:59
558 作为电子发烧友,我们经常需要使用可调直流稳流电源。然而,市场上有琳琅满目的各种品牌和型号的电源。那么,如何选择适合自己的可调直流稳流电源呢?  首先,我们要了解自己的需求。如,我们需要用到的电压范围
2024-02-01 18:13:36
528 
 
                     
                
评论