|
400Hz逆变器电压环反馈控制设计 摘要:主要介绍了Bode定理,以此为理论基础,介绍了逆变器建模,电压环反馈控制设计等。 关键词:Bode定理;Bode图;回路增益
1 控制理论基础 1.1 回路增益 对于一般负反馈控制系统,其闭环系统方框图如图1所示。闭环传递函数
图1 闭环系统框图 1.2 Bode定理 Bode定理对于判定所谓最小相位系统的稳定性以及求取稳定裕量是十分有用的。其内容如下: 1)线性最小相位系统的幅相特性是一一对应的,具体地说,当给定整个频率区间上的对数幅频特性(精确特性)的斜率时,同一区间上的对数相频特性也就被唯一地确定了;同样地,当给定整个频率区间上的相频特性时,同一区间上的对数幅频特性也被唯一地确定了; 2)在某一频率(例如剪切频率ωc)上的相位移,主要决定于同一频率上的对数幅频特性的斜率;离该斜率越远,斜率对相位移的影响越小;某一频率上的相位移与同一频率上的对数幅频特性的斜率的大致对应关系是,±20ndB/dec的斜率对应于大约±n90°的相位移,n=0,1,2,…。 例如,如果在剪切频率ωc上的对数幅频特性的渐进线的斜率是-20dB/dec,那么ωc上的相位移就大约接近-90°;如果ωc上的幅频渐近线的斜率是-40dB/dec,那么该点上的相位移就接近-180°。在后一种情况下,闭环系统或者是不稳定的,或者只具有不大的稳定裕量。 在实际工程中,为了使系统具有相当的相位裕量,往往这样设计开环传递函数,即使幅频渐近线以-20dB/dec的斜率通过剪切点,并且至少在剪切频率的左右,从ωc/4到2ωc的这段频率范围内保持上述渐近线斜率不变。 2 逆变器电压环传递函数(建模) 一个逆变器的直流输入电压24V,交流输出电压110V,频率400Hz,电路开关频率40kHz,功率500W。其控制至输出整个电压环的电路结构如图2所示。现求其回路增益。
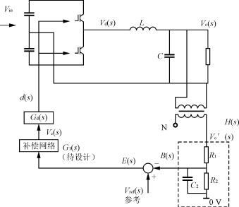
图2 逆变器电路结构图 2.1 驱动信号d(s)至输出Vo(s)的传递函数 1)驱动信号d为SPWM脉冲调制波,加在IGBT管的栅极(G)上,而输入母线电压Vin加在管子的集电极(C)和发射极(E)两端,根据图2所示结构,输出电压Vd与驱动d之间相差一个比例系数,设为K1,则K1= 2)LC低通滤波网络传递函数推导可得 综上,驱动信号d(s)至输出Vo(s)的传递函数为 2.2 输出Vo(s)至反馈信号B(s)的传递函数H(s) 1)输出电压采样变压器的传递函数为一个比例系数,即其变比,设为K2,即 2)电阻电容分压网络如图2虚线框所示,其传递函数为 综上,Vo(s)至B(s)的传递函数H(s)= 2.3 脉宽调制器(PWM)传递函数Gd(s) 一般PWM调制器的传递函数为Gd(s)= 综上,在未加入补偿网络之前,整个回路增益为 G(s)=G1(s)H(s)Gd(s) 绘制其幅频Bode图,如图3所示。
图3 G(s)的幅频Bode图 3 补偿网络设计 由前述Bode定理,补偿网络加入后的回路增益应满足,幅频渐近线以-20dB/dec的斜率穿过剪切点(ωc点),并且至少在剪切频率左右从 由此要求,首先选择剪切频率。实际应用中,选fc=fs/5为宜,其中fs为逆变器工作频率或开关管开关频率。具体逆变器中,开关频率为40kHz,则fc=40/5=8kHz。 在未加补偿网络之前的回路增益Bode图如图3所示,在fc=8kHz处的增益为-20.17dB,由此,补偿网络应满足如下条件,即在fc=8kHz处的增益为+20.17dB,斜率为+20dB/dec,而且,此斜率在fc/4=2kHz与2fc=16kHz(取15kHz)的范围内保持不变。补偿网络的Bode图如图4所示(幅频)。
图4 补偿网络的Bode图 由图4可得:f1=2kHz处,G(ω)=20lg(2πf1)=8.129dB或者2.55(倍数)=AV1,f2=15kHz处,G(ω)=20lg(2πf2)=25.63dB或者19.12(倍数)=AV2,两个零值对应频率为fz1=fz2=2kHz,一个极值在fp1=15kHz处,另一个极值在fp2=20kHz处。考虑选用如图5所示补偿放大器时,其电阻电容参数值可计算如下:
图5 补偿网络的电原理图 取R3=5.1kΩ,R0=39kΩ,则R2=R3AV2=97.5kΩ,C2= 实际电路中,取R2=100kΩ,C2=100pF,C1=800pF,R1=39kΩ,C3=2200pF。 4 实验结果 将上面补偿网络加入后,逆变器可带满载并稳定工作,其IGBT管两端电压vCE及输出电压vo的波形如图6所示,电路工作条件为:功率P=500W(满载),母线电压Vin=±180V。
(a) IGBT端电压vCE波形
(b) 输出电压vo波形 图6 逆变器开关管电压与输出电压波形
5 结语 实验结果表明,将控制理论的频率响应法应用于逆变器电压单环反馈控制设计有其直观简单的优点,同时易于实现。逆变器电路加入补偿网络后其稳定性有所改善。不足之处在于,输出波形在非线性负载及负载变化较大时畸变明显,需要寻求更好的调节方法来改善。 |
400Hz逆变器电压环反馈控制设计
- 逆变器(200798)
相关推荐
输出为115V、400Hz的单相逆变电源
输出为115V、400Hz的单相逆变电源
1 引言
直流27V变为交流115V、400Hz的逆变电源在部队和船舶上应用广泛,
2010-03-03 16:32:12
6352
6352
三相逆变器电压闭环控制仿真
三相逆变器电压闭环控制仿真 一、引言 三相逆变器是电力电子威廉希尔官方网站
中的重要组成部分,广泛应用于新能源发电、电动汽车、工业自动化等领域。电压闭环控制是逆变器控制策略中的一种常见方法,通过对输出电压进行实时
2023-12-14 11:16:26
423
42350MHz生成400Hz资料下载
50MHz生成400Hz资料下载,这是数电实验的部分内容, 实验采用的开发板芯片是 Cylone II EP2C8Q208C8, 时钟主频50MHz, 生成400Hz的频率主要用于数码管显示。要将
2021-07-22 07:26:52
400Hz中频电源怎么用
400Hz中频电源采用高频电子开关转换威廉希尔官方网站
,具有电磁兼容性好,输出电压质量高,运行稳定,工作时间长,无故障的特点。电源用户在购买电源产品后直接就打开电源进行测试和使用。实际上,这样做是错误
2021-12-28 06:02:42
逆变器带载输出电压不稳
500W/50HZ方波逆变器进行带载实验时,负载增加,输出电压、输出频率跳动幅度越大,改变母线电压可以降低电压频率的跳动幅度,但不明显,还有其他方法可以使电压频率稳定?(输出220V/50HZ)
2016-02-18 21:42:25
逆变器的两种双环瞬时反馈控制方式的比较与分析
=20μF;调制频率为f;输出:U0=115VAC、fo=400Hz;额定负载:1kVA电流和电压反馈系数分别为0.4167和0.25;电压调节器为PI型:放大倍数 Ap=13?5,时间常数τ1
2019-08-19 17:12:31
AD7770,AD7771和AD7779的Filter Profiles的具体参数在400hz处的衰减具体值是多少?
您好,我想问下AD7770,AD7771和AD7779的Filter Profiles的具体参数,在400hz处的衰减具体值是多少
2023-11-30 06:03:35
ADXL362的数据输出速率怎么设置为400Hz?
数据手册中说,将FILTER_CTL的低3位设置为111才可以把数据输出速率设置为400Hz。但在ADI公司提供的代码库中,宏定义如下:
#define ADXL362_ODR_400_HZ
2023-12-28 06:49:10
EP2C8Q208C8芯片时钟主频由50MHz生成400Hz有何作用
如何去编写Verilog代码?EP2C8Q208C8芯片时钟主频由50MHz生成400Hz有何作用?
2021-08-11 07:50:18
FPGA实现负反馈控制纯数字锁相环
该文章是完全原创,用最简洁的语言讲清楚FPGA实现负反馈的精要。震撼!FPGA实现负反馈控制纯数字锁相环!.zip (225.26 KB )
2019-04-30 04:50:41
V/Hz控制是如何工作的?V/Hz控制的性能和优点有哪些?
给出。例如,额定电压为230 V和60 Hz的电机将始终以3.83的V / Hz比率运行(230/60 = 3.83)。传统的V / Hz控制不使用反馈,只根据外部速度命令改变电机的电压和频率。对于
2021-03-16 14:52:06
【电力电子】【2016.05】光伏发电用单相DC-AC逆变器的控制设计 精选资料分享
不断提高。在太阳能、光伏逆变器配置、逆变器控制设计和硬件元件选择等方面进行了背景研究。控制器设计为独立和并网运行模式。对于独立逆变器控制,外部控制回路调节滤波器电容电压。将同步帧外控制环与电容电流反馈内环
2021-07-09 07:27:58
伺服电机三环控制的原理
运动伺服一般都是三环控制系统,从内到外依次是电流环速度环位置环。1、首先电流环:电流环的输入是速度环PID调节后的那个输出,我们称为“电流环给定”吧,然后呢就是电流环的这个给定和“电流环的反馈”值
2021-06-28 06:40:07
使用C2000™ F2837xD微控制器实现单相逆变器的控制
描述此参考设计使用 C2000™ F2837xD 微控制器来实现单相逆变器(直流/交流)控制。此设计支持逆变器的两种工作模式。第一个模式是使用输出 LC 滤波器的电压源模式。此控制模式一般用于
2022-09-21 07:14:56
具有电压源和并网模式的单相逆变器参考设计
描述此参考设计使用 C2000™ F2837xD 微控制器来实现单相逆变器(直流/交流)控制。此设计支持逆变器的两种工作模式。第一个模式是使用输出 LC 滤波器的电压源模式。此控制模式一般用于
2018-10-15 14:54:11
单相逆变器控制 精选资料下载
本文分析研究单相LC滤波器逆变器的控制方法。对于单相LC滤波器,主要控制策略有:1)单电压闭环控制:引入电压闭环会是系统稳定性变差[2],但为实现输出电压的恒定,必须引入电压负反馈。2)电感电流内环
2021-07-09 07:38:14
单相PWM整流反馈电压陷波滤波的好处 精选资料推荐
单相PWM整流中,母线电压含有100hz的交流分量,其反馈进入电压环,导致指令电流中含有100hz的指令,与电流环指令相位相乘,造成一个150HZ的指令电流,这个指令电流会通过电流环控制输出实际上
2021-07-09 06:15:54
基于ARM控制的逆变器设计方案
DC170V高压直流电,然后经全桥逆变电路DC/AC转换和LC滤波器滤波后得到AC110V的正弦交流电。 逆变器以ARM控制器为控制核心,输出电压和电流的反馈信号经反馈电路处理后进入ARM处理器的片内
2018-11-29 11:13:17
如何用单片机控制蜂鸣器发出“叮咚”的声音?
我需要用单片机控制蜂鸣器发出“叮咚”的声音,在网上查过说“叮咚”声是600Hz与400Hz组合,我做了一个150ms 600Hz+250ms 400HZ的波形去驱动,感觉听起来还是有一些差距,有哪位做过的朋友,请不吝分享一下实际的频率时间关系,谢谢
2020-06-19 04:27:26
新型逆变器控制策略的设计
新型逆变器控制策略的设计本文以高频链逆变器为被控对象,在推导出被控对象的动态模型后,提出了一种新型控制方案:即内环电流环采用混合型PI-模糊控制策略,外环电压环采用PI控制策略的瞬时值双闭环控制方案.[hide][/hide]
2009-12-10 16:47:21
求400Hz RDC,价格便宜的
请问,有没有用过励磁频率400Hz价格便宜的RDC。现在400Hz的就很少,价格便宜的就没找到了(百元以内),请问有没有什么推荐的啊
2016-11-03 21:29:33
独立逆变器的电感电流环控制问题?
最近在用DSP28335做独立逆变器,开关频率20K,正弦波50Hz。在调试电感电流闭环控制时出现问题,在输入电压小于25V时能控制住,当电压高于25V时DSP程序跑飞,采样后经过调理电路进入到
2017-08-07 19:12:09
电源威廉希尔官方网站 _采用电感电流内环的单相逆变器设计
` 要得到性能稳定的逆变器并联系统,其单台逆变器的性能非常重要,因此,单台逆变器的控制方法选择就显得尤为重要。常见的单闭环控制威廉希尔官方网站
主要有电压瞬时值反馈、无差拍控制和重复控制等方案。为了满足某些应用场
2012-03-14 10:19:23
福禄克437-II;回收Fluke 437系列 II 400Hz电能质量和能量分析仪
置仪器要处理吗。处理仪器找《东莞市诺展电子仪器有限公司》诚信回收,互利共赢Fluke 437 系列 II 400Hz 电能质量和能量分析仪专为运输应用而设计Fluke 437 系列 II 400Hz
2020-01-11 15:45:32
航空400赫兹三相电源电压继电器的相关资料推荐
交流电也用于照明,其中的电力是由整流子产生的,整流子调节28伏直流电的输出电压。交流电源通常在115V的相电压下,由交流发电机产生,通常在三相系统中,频率为400Hz。在115v 400Hz下运行允许使用较小的变压器。每个周期变压器铁心中储存的能量更少,因此铁心可以更...
2021-12-29 07:37:50
设计输入115v400hz开关电源用什么IC?
最近收集留很多220v市电的acdc开关电源资料。现在想设计的是输入115v,400hz,输出12v2a左右。应该用什么ic来控制。我什么都不会。。。。。
2020-03-12 18:06:07
请问AD9361中的可调谐带宽400Hz~56MHz是什么意思?
我的理解是射频端工作频率最高可到6GHz,经过混频到基带后,基带工作频带是400Hz~56MHz。也就是ADC、DAC只支持最大56MHz的带宽,给我处理的数字信号也只有56MHz带宽,不知道我理解的有没有问题?
2018-09-05 22:47:12
请问MPU6050采样频率设定为400Hz意味着数据寄存器的更新频率是400Hz吗?
假定把MPU6050的采样频率设定为400Hz,是否意味着数据寄存器的更新频率是400Hz(也就是2.5ms更新一次数据)?另一个问题:请问MPU6050数据寄存器(陀螺仪和加速度计的数据)更新后会不会产生标志位? 如果是,请问监测标志位的函数是?
2019-04-25 06:36:11
逆变电源的两种双环瞬时反馈控制方式
=115VAC、fo=400Hz;额定负载:1kVA电流和电压反馈系数分别为0.4167和0.25;电压调节器为PI型:放大倍数 Ap=13?5,时间常数τ1=0.27ms; 表1为不同负载和不同调
2018-10-09 10:26:51
间断型输出的115V/400Hz中频电源如何检测其有效值
现有一间断型(40周期/min)的115V/400Hz交流电输出,如何检测其有效值。类比:正常交流电输出,手动每分钟40次动作开关,测试结果仍未115V/400Hz。可用资源为正常交流电测试电表。
2019-03-03 23:43:28
CPLD在航空15V 400Hz高频链逆变电源中的应用
航空配电系统所用l15V/400Hz 电源一般是由直流逆变所得,主要供军用飞机、雷达等设备使用。逆变电源中的能量转换过程是,直流电通过逆变电路变换成高频脉冲电压,经滤波电路
2009-11-30 15:23:04
31
31航空中频逆变电源变流器DC28V转AC115V/400HZ
一、简介航空静止变流器是专为航空及军用电子设备设计制造的400Hz或50Hz单相和三相静止逆变电源,输出功率由单相的50VA到三相的45KVA,可广泛应用于飞机机载设备、雷达、导航等任务系统以及
2023-07-12 21:41:12
航空地面115V/400HZ中频电源,飞机供电中频静止电源
产品概述NH400系列是我公司最新一代航空地面中频电源,专为民航科技和军用飞机等在生产检测、维修和维护时提供400Hz的外部供电。产品采用多脉冲整流,高性能DSP作为中央处理器,纯数字测量控制威廉希尔官方网站
2023-07-16 22:57:54
400HZ交流中频电源,航空地面静变电源,飞机地面供电电源
产品概述NH400系列是我公司最新一代航空地面中频电源,专为民航科技和军用飞机等在生产检测、维修和维护时提供400Hz的外部供电。产品采用多脉冲整流,高性能DSP作为中央处理器,纯数字测量控制威廉希尔官方网站
2023-07-19 20:25:46
CPLD在航空1l5V/400Hz高频链逆变电源中的应用
CPLD在航空1l5V/400Hz高频链逆变电源中的应用航空配电系统所用l15V/400Hz 电源一般是由直流逆变所得,主要供军用飞机、雷达等设备使用。逆变电源中的能量转换过程
2010-05-14 13:40:27
29
296kVA单相航空静止变流器研制
摘要:以新颖的双管正激组合变换器作为三态滞环控制电流型逆变器直流输入前级,研制了一种6kVA单相航空静止变流器,将飞机115V/400Hz恒压恒频二次电源,变换成230V/50Hz单相交
2010-05-25 11:00:55
38
38115V航空交流中频电源丨400HZ机库电气间电源装置
前言115V 400HZ航空交流中频静变电源用于向飞机和机载设备提供飞前发动机启动、试车检查稳定的115/200V交流电源,115V中频电源主要应用在飞机航前、航后、定检、排故工作时,向飞机提供所需
2023-09-13 08:48:09
400HZ交流静变电源丨115V中频电源装置
商品详情115V航空电源是高品质交流400hz中频电源,400HZ/115V航空电源用于向飞机和机载设备提供飞前发动机启动、试车检查稳定的115/200V交流电源,115V中频电源主要应用在飞机航前
2023-09-13 14:19:09
CPLD在航空15V/400Hz高频链逆变电源中的应用
CPLD在航空15V/400Hz高频链逆变电源中的应用介绍了一种基于CPLD的,用于大功率航空逆变电源的,触发电路的设计原理和设计方法。实
2009-10-09 09:29:48
826
826
单相逆变器多环反馈控制策略分析
单相逆变器多环反馈控制策略分析
应用了一个多环反馈控制策略来调节不间断电源逆变器的输出。分析了这种控制策略的时域与频域特性。最后给
2009-10-09 10:01:59
1092
1092
听觉电压表的原理电路图
听觉电压表的原理电路图
工作原理:听觉电压表的原理电路图(如下),图中电压控制式音频振荡器能够在400Hz至1600Hz这个2倍频程范围内随控制电压而变
2009-12-27 16:28:18
760
760
用于输入交流400Hz场合的机载高频开关电源解决方案
用于输入交流400Hz场合的机载高频开关电源解决方案
机载高频开关电源产品专门用于输入交流400Hz的场合,这项产品主要应用于军用雷达、航空航天、舰船、
2010-02-26 16:53:10
1626
1626
基于状态反馈与重复控制的逆变器控制威廉希尔官方网站
针对PWM 电压型逆变器提出了一种将带积分状态反馈与重复控制相结合的输出电压控制方案。状态反馈所需的变量为电容电压和电容电流。为避免采样、计算延时占用PWM 脉宽,以上反馈
2011-08-18 16:40:01
35
35电压电流双闭环反馈逆变器并联控制
对电压电流双闭环反馈控制单相逆变器的输出特性进行了研究,给出了单相逆变器并联系统的等效模型.分析了并联系统中电流环流与逆变器基准信号幅值和相位的关系。并在此基础上
2011-08-30 14:53:45
131
131基于单极性SPWM控制的400Hz航空信号电源研究
利用单片机输出比较功能实现单极性SPWM 控制、幅值可控的400Hz 航空信号电源,涉及到脉冲变压器、输出滤波器设计,文中给出了SPWM 脉冲序列中的最小脉冲处理问题的解决方案,实验输
2011-09-16 16:27:46
58
58逆变器的分类分析和功能特性以及其评价选用
逆变器的种类很多,可按照不同的方法进行分类。 1、按逆变器输出交流电能的频率分,可分为工频逆变器、中频逆器和高频逆变器。工频逆变器的频率为 50~60Hz的逆变器;中频逆变器的频率一般为 400Hz
2017-12-04 06:14:01
2834
2834光伏并网逆变器误差反馈控制
一种基于非线性离散最速函数的控制策略,通过误差反馈实现逆变器输出电流的快速无差跟踪,提高系统抗干扰能力。搭建以TI公司DSP2812为控制核心的4.5kW三相光伏并网逆变器样机,实验证明了该方法的优越性。
2018-03-22 14:16:18
0
0TI中基于F2812的逆变器数字控制器的建模与设计
的时间延迟对控制性能的影响进行了理论分析和仿真研究,在500VA 210VDC/115V 400Hz逆变器样机上进行了实验,对控制传递函数设计的有效性进行了验证。
2018-04-08 11:44:09
1
1采用400Hz电机的工业电源的介绍
本文旨在提供有关使用400 Hz电机的工业电源的概述。大多数大型飞机都配有辅助电源装置(APU),为中性点提供115 VAC 400 Hz资源。 APU主要用于启动飞机发动机,但也用于在乘客登机时在飞机上运行附件,并在飞机离开大门时由机组人员进行飞行前检查。
2019-01-22 09:47:00
6650
6650
我们国家为什么选用的是50Hz的交流电而不是5Hz或400Hz呢
货开拓市场,比老牌英法产品便宜,所以50hz 220V交流电成了中国标准,退到台湾不得不面对日拒50年局面,再加上获得大力美援设备也是110V,60hz,所以不得不又变更标准。飞机发电机是400HZ
2019-07-20 11:39:32
9944
9944Fluke 437系列II 400Hz电能质量和能量分析仪的特点和应用分析
Fluke 437 系列II 400Hz电能质量和能量分析仪专为国防和航空工业而设计。 437 II 能够测量高达 400 Hz 的频率,是在潜艇、飞机及其他的运输应用中进行作业的人员必备工具。
2020-11-25 09:53:33
1235
1235红魔6配备400Hz采样率双触控肩键 六指操作指哪打哪!
红魔的触控肩键就是一种优秀的解决方案。 红魔6配备400Hz采样率双触控肩键 今天下午,努比亚总裁倪飞发文透露,即将发布的红魔6将配备400Hz触控采样率的双触控游戏肩键,能够极速的处理触控操作,同时还能配合屏幕实现六指操作,玩和平精英这
2021-02-24 17:52:28
4519
4519浅谈逆变器的分类方式
1、按逆变器输出交流电能的频率分,可分为工频逆变器、中频逆变器和高频逆变器。工频逆变器的频率为50-60Hz的逆变器,中频逆变器的频率一般为400Hz到KHz,高频逆变器的频率一般为KHz到MHz
2021-04-29 17:01:42
10568
10568基于DSP的光伏发电并网逆变器优化控制
文章研究的太阳能光伏发电并网全桥逆变器使用一种电流内环、电压外环的双闭环调节器下的重复控制综合优化策略,采用负载电流解耦的内环电感电流反馈和状态反馈解耦控制方法,以多功能EG8010数字化芯片为控制核心。文章设计了该逆变器的全部电路,仿真表明该逆变器输出电压波形质量好,动态响应快,抗干扰能力强。
2021-05-17 15:11:45
38
38400Hz中频电源的硬件原理与设计
400Hz中频电源的硬件原理与设计(电源威廉希尔官方网站
应用停刊时间)-4MHz信号基准电源,通过分频电路进行分频得到400Hz的信号,经过积分电路将方波转化为正弦波,为提高电压的幅值还要经过放大电路进行放大
2021-09-29 16:59:02
29
29400Hz中频电源如何使用?主要的应用范围?
400Hz中频电源采用高频电子开关转换威廉希尔官方网站
,具有电磁兼容性好,输出电压质量高,运行稳定,工作时间长,无故障的特点。电源用户在购买电源产品后直接就打开电源进行测试和使用。实际上,这样做是错误
2022-01-05 15:00:13
0
0航空400赫兹三相电源电压继电器简介
伏交流电也用于照明,其中的电力是由整流子产生的,整流子调节28伏直流电的输出电压。交流电源通常在115V的相电压下,由交流发电机产生,通常在三相系统中,频率为400Hz。 在115v 400Hz下运行允许使用较小的变压器。每个周期变压器铁心中储存的能量更少,因此铁心可以更...
2022-01-06 14:57:05
3
3电压型逆变器和电流型逆变器的区别
电压型:当逆变器的逆变功率P的脉动波形由直流电流来体现时,称之为电压型逆变器,恒压源作为输入。 电流型:当逆变器的逆变功率P的脉动波形由直流电压来体现时,称之为电流型逆变器,恒流源作为输入。 各自
2023-02-28 14:10:16
0
0基于PI双闭环解耦控制的三相SVPWM电压型逆变器之仿真验证
型逆变器(2)--控制器设计 基于PI双闭环解耦控制的三相SVPWM电压型逆变器(3)--调制方法 电能变换--锁相环 搭建主电路主流电源选择400V,输入电容选择470vf,开关管选择mos管,电感取值3m
2023-03-03 09:48:16
7
7太阳能逆变器的分类
太阳能逆变器输出的频率,分为工频、中频、高频逆变器。工频逆变器的频率为50-60Hz,中频逆变器的频率为400Hz到KHz,高频逆变器的频率为KHz到MHz。
2023-04-09 11:40:12
728
728半导体泵浦Nd:YAG激光器-Merion C(400Hz)
400 Hz,波长范围266mn - 1064nm,覆盖了非常宽的应用范围。 激光器所有的关键部件均由我们内部设计,从而可确保对整个过程的完全控制。 Merion C是对一些高要求应用领域的可靠解决方案
2023-04-19 07:23:31
638
638
400Hz电能质量监测 ——航空应用
Dranetz是为数不多的提供400Hz应用产品的电能质量分析仪制造商之一。Dranetz HDPQ Xplorer 400及其前身PowerXplorer PX5 400功能齐全,可提供400Hz以及传统的50Hz和60Hz的范围。
2023-08-21 17:09:56
303
303
使用400Hz中频电源的正确方法是什么?主要是应用在哪些方面的呢?
使用400Hz中频电源的正确方法是什么?主要是应用在哪些方面的呢? 400Hz中频电源是一种特殊的电源系统,其输出频率为400赫兹,相比传统的50赫兹或60赫兹电源系统,它具有更高的频率。本文将详细
2023-11-16 11:23:03
545
545电压反馈和电流反馈怎么判别?
电压反馈和电流反馈怎么判别? 电压反馈和电流反馈是电子电路中两种常见的反馈方式,用于控制电路的性能和稳定性。在这篇文章中,我们将介绍电压反馈和电流反馈的基本概念、原理、应用、优缺点以及如何判断电压
2023-12-07 16:32:36
1647
1647
电子发烧友App














评论