| 
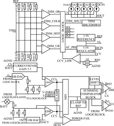
 基于MAX1647的大功率激光电源的设计 摘要:针对大功率全固态激光电源的特点,利用MAX1647电源管理芯片的恒流、恒压及相互之间自动转换功能,设计了输出为60A/160V的大功率激光器电源。利用单片机89C51对MAX1647进行高效管理,并采用改进型线性拓扑结构,大大提高了激光器电源的效率及稳定性。在激光打标系统中的应用,证明了该电源不仅高效、安全、可靠,而且大大地提高了整个系统的智能化程度。 关键词:激光电源;单片机;恒流;恒压 1引言 随着二极管泵浦全固态激光器相关威廉希尔官方网站 的不断发展,它在工业、国防科研、生物医学工程等领域的应用越来越广泛,对其输出功率、可靠性要求也不断提高。作为二极管泵浦全固态激光器的重要组成部分的电源,其可靠性、稳定性也就显得格外重要。二极管泵浦全固态激光器的电源功率较大,输出为大电流、低电压,工作脉冲频率较高(可达1kHz),输出电流、电压的稳定性要求很高。微小的电流扰动将影响激光器的出光质量,不当的保护可能引起巨大的损失。针对这些特点,我们选择功能强大的电源管理芯片MAX1647作为整个系统控制的核心部分,设计出完全满足要求的大功率激光器电源。 2MAX1647电源管理芯片介绍 MAX1647是MAXIM公司的新型电源管理芯片,其内部结构如图1所示。它包括两个调整环,即一个电压调整环与一个电流调整环,实现恒流与恒压功能及相互之间的自动转换;并采用INTEL系统管理总线(SMBUS)接口,其中内部有一个6位和一个10位的D/A转换器分别用于电流和电压的预置;另外,MAX1647提供了最大为4A的电流输出。 
 图1MAX1647的内部结构 
 图2MAX1647的输出特性曲线 
 图3整机电路框图 
 图4SMBUS总线访问时序图 在MAX1647的电压调整环中,通过SMBUS总线,经内部10位DAC设置预置电压,负载电压与预置电压通过GMV误差放大器进行比较放大后的误差信号输出到CCV端口,然后送到一个由二选一电路组成的恒流/恒压自动转换电路的一个端子上,其中由CCV端口输出的误差信号由内部钳位电路限制在1/4到3/4参考电压之间的;与电压调整环工作原理相类似,被钳位的电流误差信号由CCI端口送到自动转换电路的另一个端子上;利用PWM控制器,把电压/电流误差信号转换为脉宽调制信号,用以驱动两个N沟道MOSFET管,经同步整流、滤波器滤波后,得到所需的输出信号。 MAX1647的输出特性曲线如图2所示,当输出电压小于预置电压V0时,电流调整环发挥作用,输出是恒流模式;当负载的电压到达预置电压V0以后,电流调整环停止作用,电压调整环开始工作,这时输出为恒压模式。恒流模式时,CCV端口输出的电压误差信号被钳位在CCI端口最小电压值80mV以上,这样即可防止更新预置电流值时负载电流溢出,又可防止从恒流模式转换为恒压模式时,出现过冲电现象。在恒压模式时,钳位电路也可起到相类似的作用。 3激光器电源的设计 根据实际需要设计的激光器电源输出为60A/150V,恒流、恒压及相互之间能自动转换。 3.1整体电路设计 整体电路设计框图如图3所示。 MAX1647电源管理芯片是整个系统的控制核心部分,它完成恒流、恒压及相互之间自动转换的功能。但MAX1647的最大输出4A,不足以达到设计要求,因此,把MAX1647的输出信号经由达林顿管组成的改进型线性主电路,进行电流、电压放大。在线性主电路中,由达林顿管、霍尔电流/电压传感器、MAX1647、及光耦隔离一起构成了电流主调环,保证恒流、恒压功能。同时增加了由达林顿管、误差电压放大、晶闸管控制模块、晶闸管降压整流构成的电压从调环,它把达林顿管压降与参考电压进行比较放大,以控制晶闸管触发模块,使达林顿管压降保持在参考电压附近,大大地降低了达林顿管上的功耗,使电源整体输出稳定性、效率等有显著的提高;利用单片机实现电源与机械传动部分、水冷系统部分以及计算机软件控制部分的有机结合;利用高性能的霍尔电流、电压传感器实现对输出电流、电压的实时检测;液晶显示模块实时显示输出电压、电流和有关状态;整个电路通过光耦和传感器实现隔离。 3.2利用89C51对MAX1647进行设置 WORD协议与MAX1647进行双向通信,实现参数的设置。图4为SMBUS总线访问时序图。 从图4可见:89C51与MAX1647通信的开始条件是SDA端口为下降沿,同时SCL端口为高电平;MAX1647的WRITE-WORD协议为0b00010010(0b表示二进制),或者可表示为0x12(0x表示十六进制);READ-WORD协议则可表示为0b00010011或者0x13。另外,CMD0~CMD7代表具体的命令,D0~D15表示数据位。几个常用的WRITE-WORD协议命令:ChargerMode()命令,命令代码为0x12,主要用于清零和复位;ChargingVolage()命令,命令代码为0x15,主要用于电压预置;ChargingCurrent()命令,主要用于电流预置,命令代码为0x14,即CMD7~CMD0的数据为00010100,16位二进制数值由D15~D0组成表示Io的电流值,单位为mA。当端子SEL与AGND短接时,电流Io的最大预置值为1.023A;如果让端子SEL悬空,则Io的最大预置值为2.047A;当端子SEL与VL短接,则Io的最大预置值为4.095A。MAX1647提供两个电流源给负载供电:一个来自内部的线性电流源IOUT,一个是开关电路提供的电流。IOUT提供1mA~31mA的电流(步长为1mA)。例如,当Io最大预置值为4.095A时,数据位D11~D6对应为6位电流预置DAC的DA5~DA0位;数据位D4~D0对应输出电流IOUT的I4~I0,表示IOUT线性电流源二进调整数。注意任何时候DAC位被置位,线性电流源被调整至满幅(31mA)。AlarmWarning()命令,命令代码为0x16,主要用于保护设置;ChargerStatus()命令,命令代码为0x13,主要用于返回温度传感器以及MAX1647的内部信息,这些信息暂存D15~D0位中。 
 图589C51与MAX1647应用电路图 为了满足SMBUS的通信规则,用单片机P1口的其中两位分别interwetten与威廉的赔率体系 数据信号SDA和时钟信号SCL,89C51的P1.1口与MAX1647的SCL端子连接,P1.0口与MAX1647的SDA端子连接。电路如图5所示,其中:高频电感L1用粉末铁心,外加粗线线圈绕制而成。 4实验结果 利用该电路结构,开发9kW半导体激光二极管电源。选用的主要元器件如下:霍尔传感器选用北京莱姆公司生产的电压电流传感器,具有高灵敏度、优良的线性度、极快的响应速度;晶闸管触发模块采用山东威海生产的内部带光电隔离的SCR-JKSK,它的调整性能较好,同时为保证三相平衡,应采用每相单独调整;达林顿管选用东芝公司的MG75G2YL1A,在应用时注意其电流放大倍数小于20,故应保证驱动电路能提供满足需要的驱动电流。另外,为了判定故障原因,利用液晶显示模块实现显示电源状态。 采用PM300仪器测试装置性能指标为:输入3相380V,输出0~160V,0.5~60A,恒压、恒流,并且相互之间能实现无扰自动转换,效率为88.5%。 5结语 利用MAX1647与89C51组成控制电路的核心部分,采用?进型线性结构设计的大功率激光器电源,由于MAX1647具有恒流、恒压及相互之间自动转换的功能,一方面,克服了完全用单片机控制带来的响应速度慢、恒流恒压特性差、可能出现死机的缺陷;另一方面,又避免了纯硬件控制带来的复杂性,提高了电源的智能性。在激光打标系统中的应用,证明了该电源不仅高效、安全、可靠,而且大大提高了整个系统的智能化程度。 参考文献 [1]李适民.激光器件原理与设计[M].北京:国防工业出版社,1998. [2]赵良炳.现代电力电子威廉希尔官方网站 基础[M].北京:清华大学出版社,1995. [3]MAXIM公司.MAXIM公司产品资料全集[R].科学威廉希尔官方网站 出版社,1998. [4]李华.MCS-51系列单片机实用接口威廉希尔官方网站 [M].北京:北京航空航天大学出版社,1993.  | 
基于MAX1647的大功率激光电源的设计
- 激光电源(17599)
 
相关推荐
MAX9736大功率D类音频放大器相关资料分享
MAX9736是MAXIM公司生产的一款单声道/立体声大功率D类音频放大器。它能提供高性能、高效散热的放大器方案。MAX9736A能够为8Ω负载提供2 x 15W功率,为4Ω负载提供1 x 30W
2021-04-22 08:06:47
大功率IGBT怎么分类?
按照大功率 igbt 驱动保护电路能够完成的功能来分类,可以将大功率 igbt 驱动保护电 路分为以下三种类型:单一功能型,多功能型,全功能型。
2019-11-07 09:02:20
大功率LED调制信号电路
各位前辈大神,请教个电路结构. 我现在需要用5W的大功率LED灯来调制光信号,电流在1A左右。用的电源芯片是LT3084,通过一个开关MOS开关对LED进行短路实现LED以方波方式断续发光。问题是
2016-06-06 20:33:56
大功率LED驱动电源应该如何选择?
在现今炙手可热的LED产业里,节能环保已经作为新能源的代名词。而随着社会的发展,LED产业需要逐渐想大功率的LED产品转型。大功率LED驱动电源的选择(LED驱动电源的种类)正确选用对于机械设备电控
2019-06-01 15:39:12
大功率光纤激光合成功率突破3kW
【作者】:李伟;陈曦;武子淳;郭胜刚;杨宁;杨超;纪帆;王琦;张亮;【来源】:《强激光与粒子束》2010年02期【摘要】:【关键词】:光纤激光,大功率激光,激光合成,熔融拉锥,掺镱光纤,总功率
2010-04-22 11:37:22
大功率半导体激光器
医疗设备和一起的激光器源其他领域。如激光打标和军事  成都华赢光电威廉希尔官方网站
有限公司代理德国PHOTONTEC公司生产的大功率半导体激光器详细资料请与我们联系:成都华赢光电威廉希尔官方网站
有限公司电话:028-65692335传真:028-66501714网站:www.hawin-laser.com
2009-12-08 09:34:25
大功率半导体激光器驱动电源的设计
威廉希尔官方网站
的发展,同时也使得大功率半导体激光器驱动威廉希尔官方网站
成为大功率半导体激光器在众多应用领域的核心威廉希尔官方网站
。   本文针对大功率光纤激光器中作为泵浦源的半导体激光器对驱动电源的要求,综合运用模拟电子威廉希尔官方网站
、数字控制
2018-08-13 15:39:59
大功率半导体激光电源的作用有哪些
大功率半导体激光电源 输出功率涵盖10W至500W,具有更高的电光转换效率半导体直接输出激光器介绍直接半导体激光器输出功率涵盖10W至500W,具有更高的电光转换效率,输出功率稳定。200W以下
2021-12-29 07:24:31
大功率变频电源的威廉希尔官方网站 资料分享
随着功率的加大,大功率变频电源的威廉希尔官方网站
也必须要创新,让变频电源变得更安全。输出为纯正弦波,波形失真率小,没有干扰控制,精度高。能适应各种输出负载,像阻性负载,容性负载,感性负载都能适应,适用的环境很广
2021-11-16 06:59:59
大功率开关电源EMI设计
1.大功率开关电源的EMI源 大功率开关电源的EMI干扰源集中体现在功率开关管、整流二极管、高频变压器等,外部环境对大功率开关电源的干扰主要来自电网的抖动、雷击、外界辐射等
2010-06-04 16:12:26
大功率微波滤波器设计三大问题
许多大功率微波发射机常有一定功率的寄生输出,成为无线电子干扰的来源之一。为了抑制这种干扰,须用大功率微波滤波器,使发射机的载波和调制边带通过,抑制其寄生辐射。在大功率微波滤波器的设计中,所需要考虑的问题常与小功率滤波器有所不同,因而小功率滤波器的设计方法在大功率设计中要受到限制,甚至完全不能用。
2019-06-21 08:10:59
大功率电感有什么特点?
积,大电流,低直流阻抗,低涡损等特点。大功率电感的出现归功于电脑主板威廉希尔官方网站
的发展和电源威廉希尔官方网站
的发展:CPU主频越来越高,因此对稳定供电和滤波方面的要求也是越来越高,大功率电感的出现刚好解决了这个问题。良好的材料
2015-03-23 16:35:29
大功率短波
寻求有做过大功率短波项目的人员,27.12M40.68M等的大功率短波功率能达到二百瓦,主要涉及信号震荡,选频,放大,耦合,控制精度较高,需符合电磁兼容标准要求YY0505有合作意向的联系我***吴先生
2016-07-11 11:38:22
LED驱动电源的功率的范围值是多少和大功率的驱动电源能...
 本帖最后由 eehome 于 2013-1-5 10:03 编辑 
是一个范围值,大功率的驱动电源不能带小功率的负载,因为你小功率的负载做好成品的固定电压输入的,一般(12V,24V,220V
2012-07-06 17:05:30
LED驱动电源的功率的范围值是多少和大功率的驱动电源能...
 本帖最后由 eehome 于 2013-1-5 10:06 编辑 
是一个范围值,大功率的驱动电源不能带小功率的负载,因为你小功率的负载做好成品的固定电压输入的,一般(12V,24V,220V
2012-07-05 11:47:56
LED驱动电源的功率的范围值是多少和大功率的驱动电源能...
 本帖最后由 eehome 于 2013-1-5 10:07 编辑 
是一个范围值,大功率的驱动电源不能带小功率的负载,因为你小功率的负载做好成品的固定电压输入的,一般(12V,24V,220V
2012-07-05 10:19:04
LLC做的开关电源最大功率能到多大?
LLC做的开关电源最大功率能到多大?多大功率就要考虑用LLC了?[url=http://t.elecfans.com/topic/65.html?elecfans_trackid
2018-07-21 10:39:37
ST25R3916供电的最大功率是多少?
我可以使用的最大功率是多少?我可以使用哪个引脚为电路板提供外部电源?传输到电路板射频电路的最大功率是多少?权力有哪些限制?
2023-01-03 08:12:40
【罗姆BD9V100MUF评估板试用申请】大功率变频电源研制
项目名称:大功率变频电源研制试用计划:项目名称:大功率逆变电源研制试用理由:本项目中由于输入电压范围比较宽,需要设计DC-DC电路,为后面的电路中提供基准电源和芯片的供电电源,因此会用到开关电源IC
2019-11-28 17:41:56
什么是大功率直流电源
  什么是大功率直流电源?大功率直流电源是各种电子设备都不可缺少的设备,其功能会影响整体产品的使用效果,通常在选择不同功率的电源会根据产品的性能以及要求,大功率直流电源能够很好的为大功率设备供电
2021-12-29 06:52:58
反射法测量大功率二极管激光器腔面温度
通过光热反射威廉希尔官方网站
测量大功率二极管激光器腔面温度,并取得了初步结果。由于是非接触探测,故而比较真实反映了正在工作的大功率二极管激光器腔面温度。通过实验及分析表明,有源区是产生热最多的地方,通过测量
2010-05-04 08:04:08
基于PLC威廉希尔官方网站 的大功率半导体激光治疗仪设计方案
介绍了一种以小型PLC为控制核心的大功率半导体激光治疗仪。该治疗仪采用单管激光器光纤耦合威廉希尔官方网站
设计了波长为808rim、输出功率30W 的激光器模块,采用恒流充电威廉希尔官方网站
设计了高效激光器驱动电路,整机具有散热好、低功耗和高可靠性等优点。
2023-09-19 08:23:52
急急急急需大功率电源设计原理图
各位老师请问有大功率电源设计原理图,如有麻烦给我一份可以给一些报酬的,或者成品也行价格可商谈微信号:dai138528功率要7000W只能大不能小4000W的也行我可以两个电源并机用输入220VAC输出24V
2019-12-13 18:02:24
招聘大功率LED封装工程师
的研发。职位要求大专以上学历,两年以上大功率LED封装经验。对大功率LED封装的物料、设备、工艺、威廉希尔官方网站
熟练掌握。江苏奥雷光电有限公司是一家由旅美归国博士团队创建的中外合资高科技企业。公司创建
2015-01-26 14:15:30
请问有应用于大功率(100kW以上)的数字电源参考设计电路吗?
 本帖最后由 一只耳朵怪 于 2018-6-8 10:49 编辑 
有应用于大功率(100kW以上)的数字电源参考设计电路吗?
2018-06-07 06:32:46
配置描述符的最大功率不起作用
来供应这个板,它可以正常工作。描述符不工作。当我把最大功率配置为0x0C时(USB 3.0将是96Ma),在这种情况下,我让我的板使用USB 3.0电源和外部电源,我发现电源(外部电源)是0.36A
2019-10-17 07:07:20
激光调制的可控大功率微波射频源
激光调制的可控大功率微波射频源:本文研究了用于激光调制的可控大功率微波射频源的英国威廉希尔公司网站
及其实现威廉希尔官方网站
。文中详细阐述了大功率微波源的硬件实现威廉希尔官方网站
、微波信号源的控制技
2009-10-23 13:04:18
16
16大功率步进电机驱动电源的应用
大功率步进电机驱动电源的应用:针对以上大功率驱动电源出现的问题,我们对使用较普遍的110BF 系列、130BF 系列、反应式步进电机细分驱动电源从理论上进行分析研究,建立高频斩
2010-01-12 10:51:02
91
91MAX1647,MAX1648 datasheet pdf
MAX1647,MAX1648  datasheet pdf
Chemistry-Independent Battery Chargers
The MAX1647/MAX
2010-02-23 14:19:13
10
10脉冲和连续两用的大功率CO2激光电源
TEA CO2激光器脉冲高压电源电压通常在40-60KV,电流甚小;而高速流动连续波大功率CO2激光,又需要安培级的大电流直流电源,电压较低,约10KV以下,这两套电源都是高压大功率电源,加上调
2010-06-05 09:32:18
56
56大功率LED路灯驱动电源的设计
摘要:该文根据大功率LED的工作特性,对市场上常见的大功率LED路灯驱动电源进行了分析,并提出了大功率白色LED在路灯照明应用中,其驱动电源需要满足的多个设计要素。关键词:大
2010-06-28 15:09:53
214
214大功率LED简述
大功率LED简述  大功率LED是达到高光通量的最重要手段之一。用大功率LED照明有很多优点,也有缺点。如何用好大功率LED是关键,同时,本文对于大功率LED
2009-11-23 09:22:02
1191
1191光纤激光器简介及大功率光纤激光器相关威廉希尔官方网站 的解析与应用
光纤激光器是当今光电子威廉希尔官方网站
研究领域中最炙手可热的研究课题,尤其是大功率光纤激光器,已在很多领域表现出取代传统固体激光器和G晚激光器的趋势。本文从光纤激光器的结构出发,详细论述了大功率光纤激光
2017-11-08 10:46:22
26
26长光华芯开启国产大功率半导体激光芯片研究
项目针对面向制造业的大功率半导体激光器发展中所面临的迫切需求及关键挑战,重点研究国产大功率半导体激光芯片,开展双微通道散热、热沉、大功率多光束合成、光纤耦合、光束整形等关键威廉希尔官方网站
及半导体激光器失效机制等研究。
2018-08-29 10:07:03
8829
8829瑞波光电胡海:大功率激光芯片破局者
瑞波光电主要致力于开发和生产大功率半导体激光芯片,也是目前国内极少数掌握包括外延设计、材料、芯片制备、芯片封装和测试等全链条核心威廉希尔官方网站
的新创企业。
2018-09-22 15:14:00
13126
13126大功率电源变压器的应用领域以及性能特点
应用领域: X光电源、激光电源、通讯设备电源 UPS不间断电源和高频感应加热电源 大功率电源变压器性能特点: 高饱和磁感应强度 -- 有效缩小器件体积, 减轻器件质量 高导磁率低矫顽力 -- 提高变压器效率,减小激磁功率 低剩磁(Br≤0.2T) -- 获得更大的磁
2021-06-26 17:38:41
1321
1321大功率LED驱动电源的选择需要考虑哪些问题
大功率LED驱动电源的选择(LED驱动电源的种类)正确选用对于机械设备电控系统的正常运行是至关重要的。在选择大功率LED驱动电源(大功率LED驱动电源知识)时,我们所要考虑的因素及要点也是多方面的。
2020-03-19 15:42:55
1053
10533分钟看懂大功率半导体激光器!
作者陈绍婷、蒋丽媛 半导体激光器一般具有质量轻、调制效率高、体积小等特点,在民用、军用、医疗等领域应用比较广泛。大功率半导体激光器的研究从20世纪80年代开始,从未停止,随着半导体威廉希尔官方网站
与激光威廉希尔官方网站
2020-10-27 16:24:44
7507
7507IGBT器件的大功率DCDC电源并联威廉希尔官方网站
IGBT器件的大功率DCDC电源并联威廉希尔官方网站
(通信电源威廉希尔官方网站
2019第七期)-该文档为基于IGBT器件的大功率DCDC电源并联威廉希尔官方网站
总结文档,是一份不错的参考资料,感兴趣的可以下载看看
2021-09-22 12:39:19
50
50设计和优化大功率激光系统的光学元件
大功率激光器广泛用于各种领域当中,例如激光切割、焊接、钻孔等应用中。由于镜头材料的体吸收或表面膜层带来的吸收效应,将导致在光学系统中由于激光能量吸收所产生的影响也显而易见,大功率激光器系统带来的激光能量加热会降低此类光学系统的性能。为了确保焦距稳定性和激光光束的尺寸和质量,有必要对这种效应进行建模。
2022-10-18 10:03:04
847
847一文解析大功率激光器芯片
对于单颗输出光功率超过500mW的激光器芯片已经是大功率激光器芯片了。转换效率根据材料的不同而不同,像红光的目前大功率也能达到50%,剩余的电能就转换成热能。
2023-02-10 11:33:34
2390
2390何谓激光器?大功率激光器如何老化测试?
大功率半导体激光器在出厂前需要在高温和电流等极端条件下进行寿命和可靠性测试。但我们在测试中通常会面临一些问题,针对千瓦级大功率半导体激光器,普赛斯推出国产化极优性价比大功率激光器老化测试系统解决方案.设备可扩展至4层结构,每层设计若干路,每路支持1-16只激光器芯片的串联老化。
2023-02-22 14:04:21
1382
1382
厂家教你如何解决大功率电源磁环电感引脚长的问题
厂家教你如何解决大功率电源磁环电感引脚长的问题 编辑:谷景电子 之前有朋友留言咨询关于大功率电源磁环电感的引脚太长是否会影响使用,其实关于电感引脚的问题我们在以前分享过的的文章中也有过简单的介绍
2023-03-03 10:14:10
492
492
大功率电源磁环电感的选型记住这几条
我们都知道电感有很多种类,其中大功率电源磁环电感是近年来更多使用的一种电感产品。在大功率电源磁环电感的使用上,我们更注重其类型的选择。在本文中,我们将简单讨论电感的选择原则。 大功率电源磁环电感
2023-04-03 17:23:23
701
701#500W大功率调光电源方案#LED降压恒流无频闪调光IC芯片FP7195 PWM调光深度1%
#500W大功率调光电源方案#LED降压恒流无频闪调光IC芯片FP7195 PWM调光深度1%
2021-10-15 12:01:15
1595
1595
大功率数字电源芯片有哪些?
大功率数字电源芯片有哪些?  数字电源芯片是非常常见的电子元器件,可以用于各种各样的应用中。而大功率数字电源芯片则是其中的一种,非常适合需要高功率和高效率的应用。本文将介绍一些常见的大功率数字电源
2023-10-16 16:25:05
1085
1085大功率数字电源的优缺点
大功率数字电源的优缺点 一、引言 数字电源是一种能够提供稳定、可靠、高效、精确电压与电流输出的电源设备。数字电源分为低功率(小于100W)与大功率(大于100W)数字电源。本篇文章主要讨论大功率数字
2023-10-16 16:25:11
538
538大功率数字电源电路图
大功率数字电源电路图  数字电源是一种使用数字威廉希尔官方网站
来控制电压输出的电源。它具有精度高、可程控、稳定性好等优点,广泛应用于工业自动化、医疗仪器、光电子等领域。 下面介绍一种大功率数字电源的电路图
2023-10-16 16:29:41
542
542大功率数字电源芯片国内有哪些
大功率数字电源芯片国内有哪些 随着科技的不断发展,现代电子产品对大功率数字电源芯片的需求越来越高,国内的大功率数字电源芯片市场也随之迅速发展。本文将会详细介绍国内市场上的大功率数字电源芯片
2023-10-16 16:35:42
949
949大功率直流电源是什么?如何对其选择?
大功率直流电源是什么?如何对其选择? 大功率直流电源是一种能够提供大功率直流电能的设备。它主要由输入开关电源、整流电路、滤波电路、稳压电路和输出电源组成。大功率直流电源广泛应用于工业生产、科学研发
2023-11-17 11:22:08
668
668UPS大功率电源有何优势?购买大功率UPS电源的诀窍
UPS大功率电源有何优势?购买大功率UPS电源的诀窍  UPS(不间断电源)是一种能够在停电或电网出现问题时提供临时电力供应的设备。大功率UPS电源是指电力输出大于10千瓦的UPS设备。它与普通
2024-01-10 13:46:00
382
382
                        电子发烧友App
                    
                
                
          
        
        
 
 
 
 
 









           
            
            
                
            
评论