用于通信电源中的零电压准谐振开关变换器
摘要:分析零电压准谐振开关变换器的基本工作原理,同时介绍PFM控制器UC1864。实践证明,采用这种软开关威廉希尔官方网站 设计的通信开关电源,具有良好的性能。
关键词:软开关准谐振变换器脉频调制
The Application of Zero- voltage Quasi- resonant Switching Converter
in Telecommunication Power Supplies
Abstract:The paper analyzes the basic principle of zero- voltage quasi- resonant switching converter,and introduces PFM controller UC1864.The experimentation results that the sort of soft- switching control technology has the good characteristics to the telecommunication switching mode power supply.
Keyword:Soft- switching Quasi- resonant converter PFM
1引言
随着电子应用威廉希尔官方网站 的迅速发展,要求电子仪器和设备的可靠性不断提高、功能不断增加、使用趋向自动化及智能化、体积小型化。这样开关电源的优势便显示出来,它已广泛应用于以电子计算机为主导的各种终端设备、通信设备中,是当今电子信息产业飞速发展不可缺少的支撑。另一方面,由于集成电路威廉希尔官方网站 的普及应用,也促进了电子设备的小型化和多功能化,使成本不断降低。但限制开关电源体积减小和重量减轻,主要是开关电源的变压器、电抗器等磁性元件和平滑波形的电容器。虽说可通过提高开关频率减小磁性元件和平滑电容器的尺寸,但却带来元器件损耗增大、温升增高。同时开关频率提高后,受电路中分布电感和电容或二极管中存储电荷的影响而产生浪涌或噪声。这样,不仅会影响周围电子设备,而且还会大大降低电源装置本身的可靠性。目前,提高开关电源工作频率的一种最有效的方法,是采用软开关威廉希尔官方网站 ,即在开关管导通时加在开关两端的电压或通过开关的电流呈正弦波,这样既可减少开关损耗,同时也可以控制浪涌的发生,使得噪声很小。
基于以上考虑,通信车载电源的研制,采用了零电压准谐振式开关变换器,使整个电源达到体积小、重量轻、电磁兼容性好、成本低、可靠性高等特点。

图1整机电路原理框图
2系统总体框图及控制原理
整机电路可以分成如图1所示的两大部分。
输入直流13.5V电源经输入保护、输入滤波给开关电路提供直流电压和脉动电流。开关电路由控制电路提供脉频可调的信号,控制开关管的通断,将直流电压变换成为交变电压,再经输出整流滤波电路平滑成低纹波的26V直流输出电压。
控制电路由脉频调制(PFM)电路、电压采样、保护电路等组成。电压采样电路将取出与输出电压成正比的信号,送至脉频调制电路,调整开关管的脉冲频率,达到稳定输出的目的。电路的保护功能,是当检测到开关管有过流、输入电压欠压或极性接反,立即关断输入电压及PFM控制信号,从而实现对电源本身和负载的保护措施。
3零电压准谐振电路
3.1准谐振电路结构
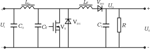
主开关电路为零电压半波准谐振升压变换器,如图2所示。

图2零电压半波谐振升压变换器电路
设计零电压准谐振电路有两种方式:一是全波型,二是半波型。零电压准谐振电路的全波型比半波型多串联了一个反向二极管。在开关过程中,全波型串联二极管起到反向电流阻止作用,但开关中的结电容的能量在开关关断期间被储存,在开关导通期间承受电容导通的损耗,这在高频下工作是不利的,所以准谐振变换器的方式,在高频情况下一般选择零电压半波准谐振变换器电路。
3.2基本工作原理
准谐振变换器的特性受谐振电路中Lr、Cr的影响很大,分析工作原理时,需引入下述参数: 特性阻抗 规一化开关频率 规一化负载电阻 谐振角频率
电压变比n=UO/Ui
零电压半波准谐振变换器,在稳态工作下,一个完整的开关周期可分为四个阶段,其等效电路如图3所示。

图3零电压准谐振变换器的等效电路

图4零电压准谐振变换器的典型波形
将输入部分看作恒流源Ii,输出负载部分看作电压负载UO,零电压准谐振变换器典型波形如图4所示。
(1)电容充电阶段[t0-t1]
在t0时刻,开关VT关断,电容Cr充电,Cr上的电压线性上升,在t1时刻,Ucr达到UO,二极管VDO导通。
t1时刻,二极管VDO导通,电容与电感产生谐振,在t2时刻Ucr降到零时,由反向并联二极管钳位于零,谐振状态结束。初始条件为uCr(t1)=UO
iLr(t1)=0
状态方程式的解为uCr=UO+IcrZrsinωr(t-t1)
iLr=Icr-IcrZrcosωr(t-t1)
(3)电感放电阶段[t2-t3]
在t2以后,电感电流线性下降,在时间t3下降到零。同时,在t2时刻,Ucr降到零以后,开关中的二极管电流降到零时,开关中的晶体管开始导通,即零电压导通。
(4)续流阶段[t3-t4]
在t3时刻,开关晶体管继续导通,输入电流流过晶体管,流过晶体管的电流保持不变,直到t4时管子关断,完成一个周期。输出电流的平均值(直流电流)由以上分析得,电压半波准谐振升压变换器的电压变比 零电压开关条件IO≥Ui/Zr
对于零电压准谐振开关,加在开关两端的电压与流经开关的电流峰值为Usp=UO+IiZr Isp=Ii
4PFM控制电路
本机PFM控制电路采用的是Unitorde公司推出的UC1864高效率脉频调制电路。
4.1UC1864的主要性能特点
UC1864采用DIP-16封装,管脚排列如图5所示。

图5UC1864的管脚排列
各管脚的功能如下:
UI—输入电源端,UI通常取12—20V直流电压。
OUT1、OUT2—分别为输出端1、输出端2。
SGND、PGND—分别是信号地与功率地,二者应在输出端汇合。
5V—内部5V发生器的引出端。
FAULT—保护电路输入端。
SVREF—软起动及基准电压端。
+、-、Ur—分别为误差放大器的同相输入端、反相输入端、误差电压输出端。
Cv、Ra、Rm—压控振荡器的外接阻容元件端。其中,Cv是振荡电容。利用Ra可定出最高振荡频率与最低振荡频率的比值:fsmax/fsmin,所以称之为振荡频率的量程电阻。Rm则用以设定fsmin值。Cv、Ra和Rm应接在相应的引出端与信号地之间。
ZERO—零点比较器的零点检测信号输入端。
RT/CT—瞬间定时器的外接定时电阻和定时电容的公共端。
UC1864有如下主要特点:
(1)具有脉冲宽度固定而频率可变的脉冲频率调制原理,两个输出端,可作并联使用。
(2)采用零电压开关的设计方案,使外部MOS开关功率管工作在理想的通、断状态。
(3)内部有宽频带的压控振荡器(VCO),频率范围一般设定为50~500kHz。振荡频率受反馈的误差电压控制。
(4)完善的保护电路,有欠压锁定电路和故障比较器。当输入电压低于7V阈值或者检测到过压、过流故障时,能将两个输出端拉成低电平,起到保护作用。
(5)具有通电时软起动功能,同时当故障排除后能重新起动。
4.2UC1864工作原理
UC1864内部主要包括误差放大器,压控振荡器,瞬时定时器,控制逻辑,输出级,欠压锁定。5V电压发生器,故障比较器,故障锁存器和延迟锁存器,零点比较器等。如图6所示。

图6UC1864的内部框图
误差放大器的同相输入端接反馈的输出电压UO,反相输入端接软基准端的5V基准电压,由它输出的误差电压Ur就作为控制电压,用来控制压控振荡频率fs。
压控振荡器(VCO),其振荡频率受Ur控制。设计时,通常先选定fsmax、fsmin值,求出fsmax/fsmin比值以及中心频率fso值,再根据下列公式计算外围元件值:fso=(fsmax+fsmin)/2
频率调制灵敏度为
fs/Ur=-1/(RaCv)
上式中,负号表示Ur电压升高时,振荡频率降低。单位为f:kHz,C:μF,R:kΩ。
零点电压检测及比较电路,目的是要实现真正的零电压开关。零点比较器的参考电压为0.5V,信号电压取自主电路开关MOS管漏—源极电压Uds。当Uds
波形的下降沿通过0.5V时,零点比较器就翻转,改变瞬间定时器的状态,进而使输出级关断。
故障比较器、故障锁存器和延迟锁存器构成的保护电路,有两种保护方式:软起动和重新起动。
计算软起动时间(t1)和重新起动的延迟时间(t2)为
t1=10-2C
t2=1.9×10-2C
式中C的单位为μF,t1,t2单位为s
UC1864的稳压工作过程可概括为:通电后首先经过软起动阶段建立输出电压UO,然后由误差放大器,输出的控制电压Ur来调制VCO的振荡频率fs,再经过瞬间定时器、控制逻辑和输出级,驱动外部MOS开关管,最后通过整流滤波电路获得稳定的输出电压UO。假若输出电压UO升高,即进行下述闭环调整:
UO↑→Ur↑→fS↓→UO↓,使输出电压降至稳定值,反之亦然。
5实验结果与讨论
5.1实验结果
采用零电压准谐振变换器以及UC1864脉频调制集成电路,为部队设计了一种车载通信电源。经测试达到如下威廉希尔官方网站 指标:
输入电压:DC13.5V±15%
输出电压:DC26V
最大输出电流:15A
源效应及负载效应:<1%
纹波电压:≤20mVP-P
整机效率:>85%
5.2讨论
(1)准谐振变换器电路在设计时,不但要考虑在轻负载下满足谐振条件,又要考虑到重负载时,开关管上所承受的电压。经优化设计,本电路输出在26V、2.5A到26V、15A的情况下,其转换效率η>85%。
(2)由于准谐振电路采用的是脉频调制方法,需根据频率范围来设计适当的滤波电路,以减小输出电压的纹波。
(3)准谐振变换器电路与ZVS—PWM电路相比,虽然ZVS—PWM是采用固定频率脉宽调制的方式控制输出电压,但也面临轻负载下难于满足谐振条件的问题,而且在同样情况下还需增加一个辅助开关管,控制电路较复杂。
6结论
零电压准谐振变换器的突出优点在于,加在主开关器件两端的电压呈正弦波,开关时在零电压处通断。同时,开关中寄生电感与电容作为谐振元件的一部分,可完全控制开关导通时电流浪涌与断开时电压浪涌的发生。采用这种方式不仅能把开关损耗减到很小,而且能降低噪声。这种方式已成为开关电源高频化较好的方式之一。
参考文献
1赵效敏,开关电源的设计与应用,上海科学普及出版社。
2沙占友等,新型特种集成电路及应用,人民邮电出版社。
电子发烧友App


















评论