本文主要介绍了18650锂电池容量测量方法步骤。锂电池的容量有多大,是设备能够使用多长时间的前提。那么朋友们知道如何测锂电池容量比较准确吗?一般生产厂家的标称容量与实际容量都存在一定的偏差,了解18650锂电池容量测量方法步骤,下面一起来学习。
2019-07-24 11:08:06
34045 高级电池电导容量测试仪
功能特点:●
2009-11-19 14:14:35
990 充电电池简介
目前大量应用的充电电池包括铅酸蓄电池、镍镉/镍氢电池、锂离子/锂聚合物电池。这几种电池的特性如表1所示。
铅酸蓄电池容量大,内阻低(一般4
2010-07-28 11:34:01
7376 
充电电池已经成为当今电子产品的一种标准电源,特别是便携设备:笔记本电脑、掌上导航仪、手机等。这些产品需要消耗的功率越来越大,而可充电电池容量的增长速度远远不能满足它们的需求。功耗增长的主要原因是设备功能的增强,便携设备功耗的增大使得用可充电电池要比标准电池更便宜、更环保。
2014-10-16 15:43:22
2025 
充电电池测试仪
2019-10-18 09:00:54
计算的话,锂离子电池自我放电约是1%-2%、镍氢电池自我放电约3%-5%。 I、充电循环寿命(Cycle life)充电电池在反复充放电使用下,电池容量回逐渐下降到初期容量的60-80%。 J、记忆效应
2009-03-15 10:36:05
最佳的充电环境薄,紧凑的物联网和可穿戴设备利用最新的充电电池。展望未来,ROHM 将通过提供更高效的充电解决方案,继续为应用提供更大的便利。主要特点兼容需要低电压充电的新型全固态/半固态充电电池
2022-03-09 10:10:07
电池充电器测试 充电电池放电后需要充电器来充电,一个良好的充电器应该能够提供恒定电流来充电,并且在电池足时能够自动停止充电这样才能使电池的寿命最长。FT电子负载提供的电池充电器测试解决方案,可以用
2019-12-13 16:15:03
使用BT3562或BT3563电池测试仪。 此外,还可以测量镍氢电池(Ni-MH)、铅蓄电池、镍镉电池等充电电池的内部电阻和电池电压,请按照电池电压(OCV)来选择电池测试仪。电磁干扰测试仪器:http://www.hyxyyq.com/wz/news/xpxx/90.html
2017-10-20 09:13:44
锂电池保护板测试仪可以快速测量1~2节锂电池保护板,为了同时兼顾快速批量测试和高精度测试,深圳市宏大电子设备有限公司生产的锂电池保护板测试仪特设两种测试模式
2019-10-12 10:42:08
内阻测试仪是用于测量电池内部阻抗和电池酸化薄膜破损程度的仪器,以下简称仪器。它是对被测对象施加1KHz交流信号,通过测量其交流压降而获得其内阻。
2019-10-21 09:13:27
电池实时容量的测试现在用的是EBC-A01(几百块钱)的设备测试电池的容量,可惜不能测试实时的电池容量,只能最终测出电池的总容量。哪个有能测试实时容量设备推荐?价格要在1500以内!
2021-09-02 17:39:27
电池容量怎么选择,还有放电倍率等等
2023-10-16 07:51:09
数很高,最高达到1024个通道或更多。此外,锂电池容量越高,则所需的充电电流越大。这意味着锂电池测试系统的功耗可能非常高,因此,锂电池测试仪的第一个挑战是提高能源利用效率。最近,开关测试仪越来越多,它
2018-09-26 14:34:45
也是根据fgu的电流跟电池容量,预估时间剩余充电时间。有意思的,平常调试主板时,会将电源焊在电池正极和主板的地上(非电池负极上),这时也是能正常开机的,但由于无法统计fgu上的电流,导致看到...
2021-09-14 08:35:23
测试仪或者一整套的测试系统。在这里,我们特别推荐的是IT6500C系列的电源,将电源本身额外扩展了直流内阻测试功能,可省去实验室的成本投入。用户进入IT6500C的菜单,选择DCR测试项,输入电池容量后
2018-10-12 17:04:54
测试电源。● 内置高性能锂离子充电电池,容量大,充满电可连续测试500台以上。● 可测量各种类型的变压器的空载电流、空载损耗、短路电压、短路损耗。● 可自动进行波形畸变校正,温度校正,电压校正(非额定
2020-06-19 17:41:08
的原因,大多数情况下并不是最初配置时蓄电池的备用容量不够,而是蓄电池的容量没有发挥出来。造成蓄电池实际容量降低的原因很多,有电池质量问题,但更多的是使用和维护问题(1)电池容量铅酸蓄电池的极板在制造
2017-11-21 14:43:54
、蓄电池电导在线监控系统、蓄电池组放电容量测试仪、蓄电池容量测试仪、蓄电池无线监测系统、蓄电池组智能充电设备、蓄电池组智能充电设备、智能单体电池活化仪、蓄电池单体充电器等蓄电池维护检测仪表。&
2010-10-29 15:23:23
、蓄电池电导在线监控系统、蓄电池组放电容量测试仪、蓄电池容量测试仪、蓄电池无线监测系统、蓄电池组智能充电设备、蓄电池组智能充电设备、智能单体电池活化仪、蓄电池单体充电器等蓄电池维护检测仪表。&
2010-10-29 16:35:56
、蓄电池容量测试仪、蓄电池无线监测系统、蓄电池组智能充电设备、蓄电池组智能充电设备、智能单体电池活化仪、蓄电池单体充电器等蓄电池维护检测仪表。 六、诚招代理商,欢迎OEM配套销售福州
2010-10-29 15:39:26
合理选择蓄电池的容量,是UPS 对负载设备正常供电的重要保证。容量配置过大,蓄电池不能充分被利用,浪费资源;容量配置过小,又不能满足用户对后备时间的要求,且对电池的寿命不利。 蓄电池容量选择应
2011-11-25 17:17:26
变电站环境下,也能精确测量。4、自动显示士壤电阻率,无须繁琐计算。5、内置大容量存储器,可储存100组测量数据。6、配置充电器和充电电池,省电设计、超过规定时间自动断电。7、采用四线法测量,对0.7
2012-02-06 17:24:48
、蓄电池电导在线监控系统、蓄电池组放电容量测试仪、蓄电池容量测试仪、蓄电池无线监测系统、蓄电池组智能充电设备、蓄电池组智能充电设备、智能单体电池活化仪、蓄电池单体充电器等蓄电池维护检测仪表。&
2010-10-29 14:23:07
表:全在线蓄电池放电安全节能维护系统、蓄电池电导仪、蓄电池电导测试分析管理软件、蓄电池电导在线监控系统、蓄电池组放电容量测试仪、蓄电池容量测试仪、蓄电池无线监测系统、蓄电池组智能充电设备、蓄电池组智能充电
2010-10-28 17:37:08
大神们帮忙解决一下,c语言实现库仑计电池容量的计算,剩余电量的实现,要考虑到温度对电池容量的影响,充电次对电池容量的影响以及自耗三个因素的影响,超级感谢哦
2017-04-23 18:01:56
买了四节某品牌的5号充电电池,(2015-12-03订单号: 1444139704234160),开封后装相机上使用,感觉不错,好评付款。闲着没事看了看评论,发现有个网友用户很认真,做了试验,结论是容量
2015-12-05 23:32:51
描述Arduino电池容量测试仪现在假冒的锂电池和镍氢电池随处可见,通过广告销售的容量比真实容量大。所以真的很难区分真假电池。同样,打捞出来的 18650 笔记本电池的剩余容量也很难知道。因此,需要
2022-06-30 16:24:01
60分钟,那么我们就说电池的使用容量是2200mAh,在这段时间里 根据充电电池特性,做出一个图如下,可以更好理解电池容量和电压电流时间与放电平台关系:锂电池电池容量与放电平台理解示意图容量(C
2018-08-28 16:15:14
`相信大家都有这种疑问:明明自己的手机电池容量高达3000mAh了,而iPhone6才1810mAh,可却不如人家耐用,为什么?那么,下面我们就聊一聊哪些因素决定了手机的续航。1.影响手机续航的3个
2016-11-27 23:14:25
想买个电池容量测试仪,180 元左右的,主要测各种锂电,马云那边不少,100以下的没外壳,300以上的,不想要,贫民啊,求荐
2016-10-30 16:59:45
`你有见过USB接口的充电电池吗?关于USB和充电电池,爱稀奇曾经介绍过一些不错的创意,但是现在,我们终于可以看到它们变成现实了,这就是USB接口充电电池(USBCell Batteries):电池
2012-08-14 17:33:34
我的新MP3播放器需要使用7号电池,而不是更常用的5号电池。这MP3可是电老虎呀,7号电池容量又那么小,听几个小时就没电了。所以,用普通电池肯定是不行的,费用大,而且会产生那么多废电池,也不环保
2008-10-04 12:04:52
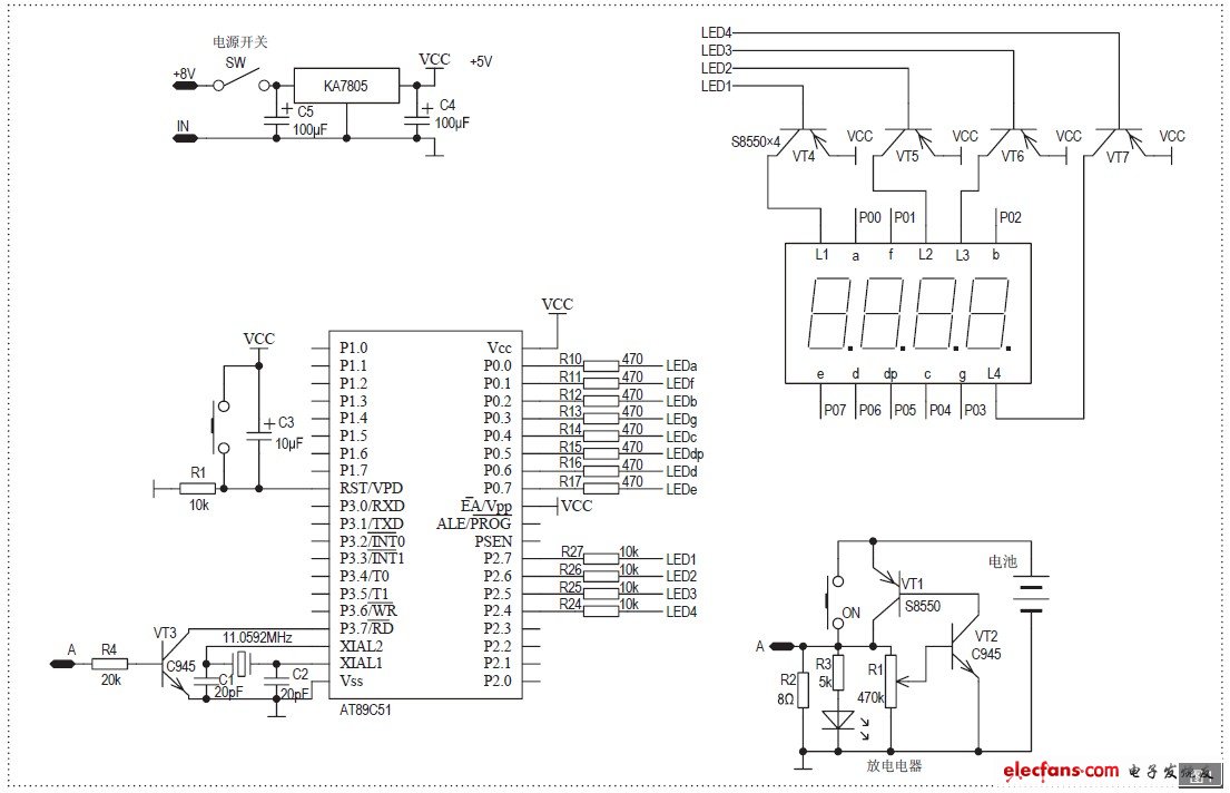
用单片机制作电池容量测试实验源程序
2023-09-26 08:26:55
大家知道可充电电池有哪些?怎样充电
2012-05-10 07:46:02
可充电电池类型有哪些如何检测碱性电池 常见电池的问题及如何解答
2021-03-11 07:20:26
,基于Isc,Voc,等特殊点,以数学模拟的方法获得相应的特性曲线。本文基于MCU,设计了可以数控调节、有源、高速响应的可变电阻器模块以及对应的测量电路,开发出了可获取光伏电池I-V和P-V曲线测试仪。物理实验
2020-11-26 07:20:51
不多说,先上实物图工作原理时:此设计是用万能板搭建,显示用12864字库屏,主板与屏幕分开,这个单片机电池容量测试仪对于锂电/镍氢程序实现自动识别。该设备会自动识别电池类型(锂电池还是镍氢电池)。识别的方法:电压高于2.7就是锂电,低于2.7高于2V就是锂电低电压,会有提示;高于1低于2,就是镍氢电池。
2021-12-03 07:55:25
如题,由于本人是做电源的,所以对电池的容量比较敏感,但回想以往,似乎没接触过能够快速测量电池容量的方法。过往按照常规方法,最简单的方式就是带载测试,以恒流或恒功率通过若干小时的放电过程来计算电池
2013-06-14 21:23:24
开发EPON测试仪有什么意义?EPON测试仪的功能结构是怎样构成的?如何去实现EPON测试仪硬件平台的设计?
2021-05-27 06:36:48
投资变得巨大,直接占电池最终成本的20%。显然需要一种经济高效的多范围测试解决方案,该解决方案可以处理更大范围的电池电压,容量和物理尺寸。本文介绍了数字控制回路电池测试仪的优势,并提供了一个灵活且经
2021-04-27 14:49:38
` 怎样分辨电池是不是充电电池?`
2019-08-28 17:03:49
大家好!有哪位朋友知道手机用大容量充电电池怎样制作吗!
2012-02-07 11:16:58
,保存内阻,容量,电压, 电流等参数,对电池进行全面的分析。 电池综合测试系统由工业电脑、电源、电子负载(功率耗散器)、内阻测试仪、温度采集仪等设备搭配专业的电池测试软件所组成。突破单一测试的局限性
2023-09-20 17:55:35
求多节锂电池并联充电的方案,锂电池容量较小,50mAh。
2022-07-14 20:44:49
求大神分享一种高速突发模式误码测试仪的FPGA实现方案
2021-04-29 06:58:18
电容单位如何进行换算?电容与电池容量的关系是什么
2021-03-11 06:11:00
就必须靠妥善管理手机电池容量,让手机电池可以提供更长的使用时间,而适当的手机电池管理就显得格外重要。[backcolor=rgb(***,***,***)] 例如对电池的侦测、充电控制、电池保护等
2012-09-11 17:18:10
自我充电电池 走路就能为电池充电
2012-08-20 13:02:44
`蓄电池内阻测试仪简介:杭州高特电子设备有限公司蓄电池内阻测试仪是快速准确测量蓄电池参数的最新测试仪器,采用异频信号测试法,彻底解决了测试过程中的工频干扰;采用高精度数字选频、高精度采样A/D
2016-07-13 13:45:32
有谁做过蓄电池容量检测的吗,请指导指导,谢谢了。
2013-11-14 20:01:17
显然,需要一种可处理不同电压、容量和外形尺寸且成本效益好、多量程的电池测试解决方案。本文介绍了数字控制回路电池测试仪的优势,并提供了一个灵活且具备较高性价比的电池测试设计示例。数字控制回路的优势电池
2022-11-07 06:11:51
充电电池用一段时间之后电量不足了,请问它2端的电压会降多少啊,例如9V的充电电池?谢谢!
2013-01-10 16:44:51
为什么要设计一种快速充电电池供电系统?怎样去设计一种快速充电电池供电系统?电池充电器如何才能同时实现最佳的散热性能和最理想的效率呢?
2021-06-15 08:46:02
需要基于单片机的蓄电池容量测试系统设计的论文或仿真,不甚感激
2015-05-10 21:12:26
各位高手请指教一下,现有一个7号1.5V的干电池,容量规格为200mAh,请问怎么测量其容量值?还有其泄漏量怎么测量?备注:现本公司没有电池容量测试仪。
2012-07-18 17:34:56
测试。根据GB/T18287-2000《蜂窝电话用锂离子电池总规范》,手机电池容量可以简单叙述为:在20±5℃温度下,将充满电的电池按五小时率放电至终止电压(2.75V)时的所提供的电量。基于此定义
2013-08-29 10:15:05
电流和电子钟的走时时间即可算出锂电池的容量。测量步骤:1.将锂电池充电到4.2V,就用手机万能充给待测电池充电。 2.将电子钟拨到0点,并接到测试仪的相应端口(见图1);3.根据电池容量的大小选择放电
2013-05-25 14:22:08
、电池存放模块和电源模块组成。其中,控制模块由单片机及外围电路组成,用于实现充放电控制、电池切换控制、温度控制、电池检测和指示控制;充放电模块由充放电电路组成, 用于实现充电电池的充电和放电;切换模块由
2011-11-25 17:26:03
摘要:随着电子威廉希尔官方网站
的发展,镍镉和镍氢等充电电池的使用愈来愈多,购买和使用充电电池时,电池容量(Ah)成为人们关注的指标.本文采用一种基于AT89C2051单片机制作的电池容量测试
2010-09-10 11:37:18
157 充电电池有最佳状态吗 有一种说法就是,充电电池使用得当,会在某一段循环范围出现最佳的状态,就是容量最大.这个要分情况,密封的镍氢电池和镍镉电池,
2008-09-07 01:47:47
577 充电电池测试器电路图
2009-05-29 13:15:34
883 
电池容量计的一种实现方法
摘要:介绍一种计量电池容量的方法,即对电池充进能量和放出能量进行计算并乘以相应的损失系数从而指示电池的容量。采用对电
2009-07-21 14:41:45
809 
电池容量测量仪电磁容量测量仪电路,专门用来估算镉镍电池的容量,以及判断其充电效果。电路原理见图。将充好电的镉镍电池连接在A、B处(注意电
2009-08-13 12:08:48
1743 
充电电池为什么不能统霸电池市场?
充电电池的电压
2009-11-10 13:59:25
2372 初识充电电池和电池充电放电
充电电池的基本认识
A、镍镉电池(Ni-Cd)
电压:1.2V 使用寿命为:500次
放电温
2009-11-17 09:57:39
1350 什么是电池容量 容量是指电池存储电量的大小。电池容量的单位是“mAh”,中文名称是毫安时(在衡量
2009-12-23 11:16:06
1030 充电电池有最佳状态吗
有一种说法就是,充电电池使用得当,会在某一段循环范围出现最佳的状态,就是容量最大.这个要分情况,
2010-09-06 11:01:12
583 池容量是衡量电池质量的重要指标。充电电池的容量测试有很多的方法。可以依据电池的放电曲线,进行短时间放电,从而粗略得出电池容量。这种方法最大的优点是快速,但是充电电
2012-10-10 14:09:37
1659 
仪器而非整架设备。通过拉电流为电池充电,通过消耗功率为电池放电,并对电压和负载电流进行监控,是实现对可充电电池的充电和放电循环进行测试的理想工具,因为它具有精确地4象限、高功率输出,能够精确地测量电流和电压。
2015-05-25 09:46:44
80 基于单片机的电池容量检测与智能充电系统基于单片机的电池容量检测与智能充电系统。
2016-05-05 14:56:49
53 5号充电电池多少钱?已超霸5号电池为例:gp超霸5号充电电池2600毫安五5号充电电池:68元。5号充电电池的使用寿命主要是与充电次数有关,据说使用镍镉充电电池的寿命可以长达10年。
2017-10-20 11:12:45
18972 电池容量是衡量电池质量的重要指标。充电电池的容量测试有很多的方法。可以依据电池的放电曲线,进行短时间放电,从而粗略得出电池容量。这种方法最大的优点是快速,但是充电电池的放电曲线并不具有普遍性,很多
2017-12-04 04:43:06
4821 
蓄电池容量测试仪是一种功能齐全、智能化的高新威廉希尔官方网站
产品;应用了先进的嵌入式微处理器威廉希尔官方网站
,并采用LCD液晶显示屏,全中文显示界面,实时监控放电过程中的蓄电池电压、放电电流、放电时间、放电容量等参数
2018-01-28 11:13:29
31583 
本文档的主要内容详细介绍的是用于灼智的电池容量测试仪ED测试软件详细资料免费下载。
2018-10-11 08:00:00
20 本文主要阐述了充电宝额定容量和锂电池容量区别。
2019-12-02 10:29:22
134796 蓄电池容量测试仪是一种很实用的测试仪器,它的作用是监控每节电池的放电过程,避免了红热现象。且蓄电池容量测试仪的功能是提高了放电测试的科学性和智能化,下来小编就为大家讲解一下蓄电池容量测试仪产品功能、威廉希尔官方网站
参数及应用。
2020-03-01 06:46:00
5240 
本文首先阐述了电池容量的概念,其次介绍了电池容量的单位,最后介绍了电池容量值的看法。
2020-03-18 09:49:17
31939 蓄电池容量放电测试仪用于电厂、电站、等后备电源电池系统检测 。
2020-03-19 10:56:12
2426 大多数手持设备使用碱性或可充电电池,因此测量电池容量是此类设计的关键特征。 但是,在大多数情况下,对于预算紧张的项目而言,使用电池电量监控IC可能是一种奢望。 这是一个更简单,更便宜的选择。 如今
2021-04-25 21:37:53
22845 
大多数手持设备使用碱性电池或可充电电池供电,因此测量电池容量是这类设计的一个关键特征。
2021-07-05 09:14:47
2943 
不多说,先上实物图工作原理时:此设计是用万能板搭建,显示用12864字库屏,主板与屏幕分开,这个单片机电池容量测试仪对于锂电/镍氢程序实现自动识别。该设备会自动识别电池类型(锂电池还是镍氢电池)。识别的方法:电压高
2021-11-23 17:36:36
6 用Ariduino制作的电池容量测试仪,可以自行识别电池类型,压缩包中有源码。
2021-12-30 09:23:42
11 好多用户最近提问,是不是充电时间短的电池容量就小?这个也不是绝对的,我们今天就谈谈以充电来说电池。 我们一般用户,没有专门的仪器,也没有专业的电池知识,最简单怎样测容量? 如果没有放电仪检测容量
2022-05-16 11:58:25
708 电池容量的真实测量对于许多情况都是必不可少的。容量测量设备也可以解决发现假电池的问题。如今,假冒的锂电池和镍氢电池随处可见,无法满足其宣传的容量。有时很难区分真假电池。这个问题存在于备用电池市场
2022-07-28 08:02:29
2515 
电子发烧友网站提供《简单的Arduino电池容量测试仪.zip》资料免费下载
2022-11-07 09:29:40
5 一、产品概述: 武汉凯迪正大KDZD880 智能蓄电池放电测试仪主要用于电信、移动、联通、电力直流行业的后备电源铅酸蓄电池的放电测试,具备蓄电池快速容量测试、在线监测及容量核对测试三大功能于一体
2023-02-07 16:12:11
552 
本文中解释的精确电池容量测试仪电路可用于实时测试任何可充电电池的最大备用容量。
2023-05-17 17:15:27
2008 
如何测试锂电池容量?锂电池的可用容量和剩余容量是什么? 锂电池容量的测试与评估是确定其性能和寿命的重要方法之一。在这篇文章中,我将详细介绍如何测试锂电池的容量,并解释可用容量和剩余容量的概念。 首先
2024-01-10 14:32:16
716 电池容量是衡量电池性能的重要指标之一,它是指电池在一定条件下放出的电量,可以用于帮助评估电池的性能和寿命。那么如何快速测试电池容量呢?一般用万用表、负载、电池测试仪来检测电池容量。
2024-01-19 16:08:38
224 华为Pocket S的电池容量为4000mAh,这样的电池容量在折叠屏手机中算是比较常见的。对于大多数用户来说,这个电池容量应该能够满足一天的正常使用。然而,如果您是重度使用者,可能需要频繁充电或考虑携带备用电源。
2024-03-06 17:01:34
272
评论