基于线性电源供电的LED发光二极管驱动电路设计
2022-04-21 09:18:21
6766 
演示电路DC703A采用LTC3459 10V微功率同步升压转换器。 DC703中的电路设计用于在1.8V至5.5V输入电压范围内产生8V输出
2020-07-15 07:32:49
在电路设计每个电路电源设计必不可缺少的一部分中,在PCB上设计专用的12V电源。确实有现成的电源模块,在主电路旁边构建一个电源模块通常更经济,更节省空间。建立12V电源如果您正在使用警报系统
2021-12-28 08:12:51
48V/50A开关电源整流模块主电路设计高频开关电源系统具有体积小,重量轻,高效节能,输出纹波小,输出杂音电压小和动态响应性能好等很多优点,现已开始逐步地取代整流式电源而成为现代通讯设备的新型
2008-08-07 16:13:10
5V电源电路设计
2012-08-06 12:33:47
5V电源电路设计
2013-04-16 20:24:33
5v电源电路设计,想输出5v电源的可以下载参考参考
2014-07-25 10:30:18
微功率DC-DC电源模块以高集成度、高可靠性、简化设计等多重优势,广泛应用于电路设计中。虽然其应用电路简单,操作简单,但往往在应用时还是会遇到一些常见问题。针对此本文对电源模块常见的应用问题以及
2018-10-15 12:21:48
一、传统变压器篇 本文主要讲了一下关于DC DC电源转换电路设计需要注意的一些问题,希望对你的学习有所帮助。 第一条、搞懂DC/DC电源怎么回事 DC/DC电源电路又称为DC/DC转换电路
2018-10-12 16:50:57
DC-DC升压专用芯片有谁用过,求推荐,输入电压是10-40V,输出电压是500-600V,路过的各位看下,设计电路用,急用!!!
2017-04-28 11:20:24
本人电路小白,有个题目想请教一下各路大佬,求帮忙。题目:采用单片机控制,设计完成基于 DC-DC 模型的直流稳压电源,实现 DC-DC转换功能。1、在输入电压 12V 时,要求输出电压稳定在+5V
2021-03-08 23:07:25
这里写自定义目录标题DC DC电源转换电路设计新的改变功能快捷键合理的创建标题,有助于目录的生成如何改变文本的样式插入链接与图片如何插入一段漂亮的代码片生成一个适合你的列表创建一个表格设定内容居中
2021-11-17 07:59:48
通及截止时间,使输出电压保持不变。 图片说明:DC/DC变换器基本工作原理图三、DC-DC电路设计要考虑以下条件: 1.外部输入电源电压的范围,输出电流的大小。 2.DC-DC输出的电压,电流,系统
2018-09-29 15:30:43
的导通及截止时间,使输出电压保持不变。
图片说明:DC/DC变换器基本工作原理图
三、DC-DC电路设计要考虑以下条件:
1.外部输入电源电压的范围,输出电流的大小。
2.DC-DC输出
2023-12-19 07:09:16
编写版本:V1.0在进行远程通信电路设计中,供电电源芯片到底是选用LDO器件还是DC/DC转换器呢?从上三篇博文中,对LDO和DC/DC器件做了一个威廉希尔官方网站
参数的对比,和优劣势比对,发现其实LDO和DC
2021-11-17 06:19:48
供电电源为36V左右的锂电池,要求转换为24V和5V,24V的负载电流是20mA左右,5V的负载电流最大在60mA左右,考虑到成本不想用DC-DC模块,我该如何设计该电源电路,请各路高手指点,感激不尽!
2015-09-19 16:27:19
电源电路设计流程电源系统的架构和测试第一步 :AC-DC220V(AC)~48V(DC)第二步 :DC-DC(IDC转换)常用转换电源电压:48V~12V48V~8V48V~5V第三步 :LDO目的
2021-11-17 06:00:28
。
最后在电感(高频变压器)的帮助下,输出所需的稳定低压直流电。
对于电源电路设计来说,一般首先需要掌握的就是开关电源电路,从家用交流电压220V中获取电压,转换为直流稳定电压之后,再给电子设备主板供电
2024-01-04 13:55:43
的电源。总之,DC-DC转换器为整个系统中的各个电路供电。只有掌握DC/DC转换器电路设计的技巧,把所有要考虑的因素考虑全面,才能提高系统的整体性能,达到各个电路的性能效果的体现。
2019-11-24 08:00:00
第1章 电源单元单片机供电电压一般为5V或者3.3V,但由于产品的成本和电路的安装空间等原因,实际接入电路板的电源是不同的,我们把它们分为三类:开关电源或者电源适配器供电:开关电源和电源适配器的输入
2021-11-17 06:49:57
ACS600变频器晶闸管TSU的主电路图如下所示:ACS600变频器晶闸管TSU运行原理:晶闸管供电单元的主要元件是两个六脉波晶闸管桥。正桥将三相交流电转换成直流电,然后通过中间的直流环节将电能输送
2021-09-03 08:21:57
随着 CAN总线在客车上应用 的不断普及 ,其强大的智能化功能让汽车电器设 计者能够非常容易地实现 自己设计思想 ,使汽车电路设计不断得到完善 。下面介绍 一种利用软件编程 的 CAN总线 客车的 电源 、起动和熄火 电路的设计 ,供读者参考。
2023-09-22 08:10:41
和CC3100电路板设计中遇到的大部分疑问。2. 电源部分的设计 2.1 芯片内部 DC-DC CC3200 的电源管理子系统包含三个直流电压变换器(DC-DC),分别为给数字部分电路供电
2016-03-03 11:09:37
本实施规则适用于时速200公里以下旅客列车DC600V供电系统的DC600V供电电源与逆变电源(简称普通型DC600V供电电源与逆变电源)产品认证。时速200公里及以上DC600V供电电源与逆变电源
2011-03-11 12:39:41
1、A产品的DC-DC电路受干扰掉电DC-DC电路设计采用LMR14030芯片实现交流24V转换成直流5V,给GSM模块供电,基中LMR14030芯片的EN脚连接一个开关,用于控制电路开关的功能,在
2021-11-12 07:42:50
电路图LTC3407是双输出稳压器,单片,提供2.5V / 600mA和1.5V / 600mA电流,由本地3.3V或5V电源供电
2019-07-22 08:48:37
MPS DC-DC Designer帮你搞定DC-DC电路设计
2021-03-11 06:15:08
本帖最后由 电子人steve 于 2018-7-29 19:21 编辑
本文主要讲一下关于dcdc电源模块转换电路设计需要注意的一些问题,希望对各位有所帮助。1、搞懂模块怎么回事dcdc
2018-07-28 17:16:58
3.3V处理器电源电路设计 可作为DSP、MCU等处理器的电源供电电路。作品地址://www.obk20.com/uploads/ComDoc/20150623/55892eeab6c62.pdf
2015-06-23 18:04:20
法则一懂什么是DC/DC电源以及DC/DC转换电路分类DC/DC电源电路又称为DC/DC转换电路,其主要功能就是进行输入输出电压转换。一般我们把输入电源电压在72V以内的电压变换过程称为DC/DC
2018-10-24 13:36:14
Arresters品名:DC600V φ8x10mm带引线三极气体放电管商品规格Product SpecificationTOPφ8 x 10mm 带引线 三极气体放电管 ◎ 直流击穿电压:DC 600V
2019-11-19 13:06:38
,对IGBT 管进行保护。由于二极管和IGBT 管的电压和电流几乎相等。所以选取二极管的型号为:HFA 70NH60 额定电压600V, 额定电流70A( 快恢复型) . 2. 3 输出滤波电路设计
2018-09-26 16:23:15
的电源。总之,DC-DC转换器为整个系统中的各个电路供电。只有掌握DC/DC转换器电路设计的技巧,把所有要考虑的因素考虑全面,才能提高系统的整体性能,达到各个电路的性能效果的体现。 45天BMS
2022-05-27 10:50:28
由于其高功率效率而成为大多数(如果不是全部)供电方案的一部分。DC / DC转换器的效率可以达到90%左右,为需要提供电源的解决方案提供最节能的解决方案。DC-DC转换器的内部功耗有两个主要组成部分
2018-07-24 17:34:16
经常看到很多电路设计,一个产品上有多个芯片都使用相同电源,比如都使用3.3V或者5V等,电路上使用多个相同的电源芯片分别给不同电路供电。比如电源芯片1生成3.3V给A电路供电,电源芯片2生成3.3V
2019-06-22 17:40:27
10uF的磁片电容或钽电容。(2)在输出端再加一颗电容和一颗电容对原来的电源做一个LC滤波,会得到一个纹波更小的电源。总之,DC-DC转换器为整个系统中的各个电路供电。只有掌握DC/DC转换器电路设计的技巧,把所有要考虑的因素考虑全面,才能提高系统的整体性能,达到各个电路的性能效果的体现。
2018-03-27 17:17:04
在做电路的时候,用到一块芯片ADF41020,有两个电源引脚,+3V的 AVDD(模拟电源)和+3V的DVDD(数字电源),请问该怎样供电?数字电源是怎么提供的?请高手赐教。我是电路设计菜鸟,请说
2015-03-30 14:19:43
这样一个电路 需要双电源供电请问应该把两个直流电源的负极接在一起作为地端吗?
2022-09-04 16:54:52
十一条助你轻松搞定DC/DC电源转换方案设计法则,让你的电源设计变得轻松起来第一条、搞懂DC/DC电源是啥?DC/DC电源电路又称为DC/DC转换电路,其主要功能就是进行输入输出电压转换。一般我们把
2014-05-08 14:03:00
摘要:本文提出了一种推挽逆变车载开关电源电路设计方案。该方案在推挽逆变-高频变压器-全桥整流设计的基础上,利用24VDC输入-220VDC 输出、额定输出功率600W的DC-DC变换器,并采用
2018-09-29 16:55:57
利用TI 的功能强大的在线设计软件,设计一款汽车24V电源供电的输出5V2.4A的电压电路方案,供大家学习借鉴,旨在让大家了解学习webench软件的强大功能和卓越的效率。1,输入的电源参数
2018-09-17 16:20:49
不足或过大引起这样那样的问题,本文11大金律轻松搞定DC/DC电源转换电路设计。01搞懂DC/DC电源怎么回事DC/DC电源电路又称为DC/DC转换电路,其主要功能就是进行输入输出电压转换。一般我们把
2018-12-07 17:14:44
芯片电路设计方案 DC/DC开关转换集成电路芯片,这类芯片的使用方法与第六条中的LM317非常相似,这里用L4960举例说明,一般是先使用50Hz电源变压器进行 AC-AC变换,将220V降至开关电源
2022-05-13 23:11:08
DC24V抗SURGE(浪涌)电路设计方案最近在研究DC24V的板子在电源的输入口在网上搜到了很多前辈的电路,综合分析后选择如下电路
2021-11-17 08:19:50
本人水平低,现实需要两个UPS电源,当一个UPS故障(电池和市电都无法给负载供电),可自动切换到另一个UPS,急需电路设计!(不想用继电器组成互锁电路)
2012-10-15 13:23:42
个LM2575,这东西有些大,还要跟着个在的电感,也是个胖子。想询个体型不大,外部电路也不胖,且发热小(密闭空间,无法对流),电路内耗不要太大,毕竟电池供电电量很宝贵。呵呵请问大家都用过或推荐什么样的电路能满足这个电源转换的要求,谢谢!
2016-05-09 22:37:26
不足或过大引起这样那样的问题,本文十大金律轻松搞定DCDC电源转换电路设计。 第一条、搞懂DC/DC电源怎么回事 DC/DC电源电路又称为DC/DC转换电路,其主要功能就是进行输入输出电压转换。一般
2018-10-10 15:20:49
时间,使输出电压保持不变。 DC/DC变换器基本工作原理图 三、DC-DC电路设计要考虑以下条件: 1.外部输入电源电压的范围,输出电流的大小。 2. DC-DC输出的电压,电流,系统的功率最大值。 四
2018-10-09 14:24:39
我家里最近经常断电.急求能安装日光灯支架里面的小型简易电路.要DC12V电源供电,输出功率100以下就行.能点亮30-40W的日光灯{:2:}有高手的谢谢指教下哈!!
2012-04-14 10:44:50
我想做一个DC 0-36V的电源,大家有没有电路提供参考呢?谢谢
2019-07-09 04:36:15
这是一个DC/DC的7-85V的宽电压5v稳压输出电源,该电源的输入部分是一个开关电源的输出电压。为了防止开关电源短路造成交流220v电压直接输入DC/DC的输入端,现需要在输入端加一个保护电路,对这种情况进行保护。
2016-12-13 13:59:39
TI公司生产的升压型DC—DC变换IC TPS61090可以在用两节电池供电的情况下向负载提供5V、500mA的电路。附图是其应用。由于电源电压最低可以为1.8V.所以用两节电池串联就可以满足电源
2021-05-12 06:08:09
:η=78%;输出纹波电压的值:±60mV;工作温度范围:TA=0~50℃。三、DC-DC电源1、3V转+5V、+12V的电路图由电池供电的便携式电子产品一般都采用低电源电压,这样可减少电池数量,达到
2022-02-25 10:50:44
求助课题通过分析通信原理,设计信号连接的控制协议,掌握协议的编写能力,通过与终端用电设备电源供电控制的上位机的连接,接收信号,设计要求完成单片机系统电路设计、通信电路设计、单片机控制的电源开关电路设计
2012-02-18 19:37:54
,而一旦进行系统设计,到了给电源系统供电,虽然也能让其精心设计的程序运行起来,但对于新手来说,有时可能效率低下,往往还有供电电流不足或过大引起这样那样的问题,本文十大金律轻松搞定DCDC电源转换电路设计
2014-03-25 14:00:45
设计一个DC-DC的升压开关电源设计。要求将3.7V锂离子电池电压变为±5V/100mA,12V/30mA输出,电路的效率不低于80%,电源纹波小于100mV。利用上述电源给1W白光LED供电,要求作成恒流源。
2020-12-08 17:58:44
最近要用一个双电源的功放,请教一下用电源芯片怎么设计这样的供电电路。
2020-04-17 23:05:20
请教开关电源输入DC12V,输出AC220V,功率30W的电路设计?这个电路需要用Multisim仿真最终结果,各位前辈,请指教。
2016-10-13 10:46:08
如何有效完成DC-DC变换器的通讯电路设计?
2021-05-20 06:05:15
−20 to +80°C从上面的指标可见,BP5048 AC/DC电源模块及电路的保护设计使电源输出稳定,纹波很小,电路安全可靠,设计简单方便,整个电源占有很小体积,非常适合墙上小功率电器的供电应用。如需要24V直流输出,ROHM可提供的型号是BP5048-24。
2019-03-28 06:20:06
`描述:AP2989 是一款高效降压型DC-DC转换器,可工作在DC6V到36V输入电压范围,低纹波,内置功率MOS。AP2989内置固定频率振荡器与频率补偿电路,简化了电路设计。电子ICPWM控制
2018-09-25 10:59:26
、DC12V用作灯带与继电器线圈、DC5V用作MCU和面板驱动芯片供电。今天我们就来拿出来分析一下。一、AC220V-DC12V非隔离电源荣事达的这一款无叶暖风机是采用一款PN3038的非隔离电源芯片来实现AC220V-DC12V的电源转换的,在我们搭建智能化方案的时候一般会避免使用非隔离电源,不过在搭建产品方
2021-11-17 06:56:59
众所皆知,电源电路设计,乃是在整体电路设计中最基础的必备功夫,因此,在接下来的文章中,将会针对实体电源电路设计的案例做基本的探讨。电源device电路※输出电
2008-05-13 08:46:33
442 简介:根据铁道部运输局运装客车电[2006]2996号文要求设计,是DC600V供电列车应急启动电源设备。当全列蓄电池发生亏损,母线电压过低,导致控制柜、充电机不能工作时,可用DC600V/110V
2022-11-12 23:45:23
产品简介: 济南能华生产的NHDA6003系列DC600/AC380V移动式铁路列车/客车空调专用逆变电源是采用高频脉宽调制威廉希尔官方网站
的高新威廉希尔官方网站
产品。电路经过精心设计、优化,大量
2022-11-15 22:16:26
AC/ DC 开关电源模块的电路设计:介绍了由WS157 构成AC/ DC 单片开关电源模块的电路设计。这类模块可广泛用于各类数字仪表和智能仪器中。关键词AC/ DC 电源模块单片开关电源 脉
2010-03-24 09:16:53
312 适用范围:本实施规则适用于时速200公里以下旅客列车DC600V供电系统的DC600V供电电源与逆变电源(简称普通型DC600V供电电源与逆变电源)产品认证。时速200公里及以上DC600V供电电
2010-11-09 22:19:28
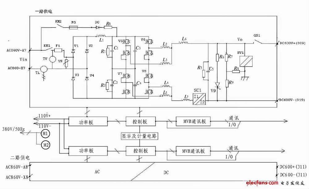
54 简要的回顾了铁路空调客车的供电方式,重点介绍空调客车DC600V供电系统,并介绍了DC600V供电系统在运用中存在的主要问题并提出解决的方法。
Abstract:
&nbs
2010-12-25 16:29:33
31 简要介绍绝缘栅极晶体管(IGBT)的结构、特点及其在铁路供电系统中的应用。重点讨论IGBT模块在铁路客车DC600V供电系统逆变器中的应用与保护。IGBT模块具有损耗小,便于组装,开
2010-12-25 17:20:09
101 分析25T型空调客车DC600V/DC110V8kW充电系统的组成,重点研究充电系统的PWM高频桥式整流电路和DC/DC电压变换电路的特点、实现方法和保护,阐述充电系统、保护系统的工作过程,分析
2010-12-29 17:11:31
41 IGBT在客车DC 600V系统逆变器中的应用与保护
1.1 IGBT的结构特点
IGBT是大功率、集成化的“绝缘栅双极晶体管”(Insulated Gate Bipolar Transistor)。它是80年代初集合
2009-11-05 10:15:21
1331 
25T型空调客车DC600V DC110V8kW充电系统应用研究
1 引言
DC600V/DC110V8kW充电系统是为DC600V供电系统的25T型客车设计的专用系统,该充电系统由1个8 kW充电
2009-12-16 09:38:40
5942 
用max1674的DC-DC电路设计
好多朋友遇到用电池做电源供电的情况,在这我提供一种使用max1674的DC/DC方案,希望大家能派上用场,也希望大家能实
2009-12-25 12:07:20
2625 
为了提高客车DC600 V供电电源的功率因数,减小输出电压的波动,对主电路提出了基于二极管不控整流+IGBT降压斩波的设计。通过对主电路的PSIM仿真,表明该电路能够大幅提高DC600 V电源
2012-06-06 16:29:26
74 使用开关电源供电的高速高精度模数转换电路设计
2016-01-04 15:31:55
25 自举供电驱动电路设计。
2016-05-11 11:08:05
15 不足或过大引起这样那样的问题,本文十一条金律轻松搞定DCDC电源转换电路设计。 第一条、搞懂DC/DC电源怎么回事 DC/DC电源电路又称为DC/DC转换电路,其主要功能就是进行输入输出电压转换。一般我们把输入电源电压在72V以内的电压变换过程称为DC
2017-09-28 14:52:25
12 600V100MA直流逆变器电源、采用多个直流逆变电源并联使用,可以增加到KW级的功率输入12V5A输出600V100MA直流逆变器电源,该电路有输出电压控制和过电流保护。应用在汽车大灯(HID35W供电时输出
2018-09-20 20:20:37
828 通过对电路原理及逻辑关系的分析,阐明了CAN总线在客车电源、起动及熄火电路设计中的应用。
2021-04-12 16:36:09
37 CAN总线在客车电路设计中的应用综述
2021-06-17 09:39:15
40 调度数据网的双电源不间断供电电路设计
2021-06-26 16:05:03
5 紧凑型全桥DC-DC隔离电源电路设计(电源威廉希尔官方网站
图解大全)-紧凑型全桥DC-DC隔离电源电路设计
2021-08-31 19:41:55
62 第1条、 搞懂DC-DC电源怎么回事DC-DC电源电路 又称为DC-DC转换电路,其主要功能就是进行输入输出电压转换。一般我们把输入电源电压在72V以内的电压变换过程称为DC-DC转换。常见的电源
2021-10-22 17:36:09
21 编写版本:V1.0在进行远程通信电路设计中,供电电源芯片到底是选用LDO器件还是DC/DC转换器呢?从上三篇博文中,对LDO和DC/DC器件做了一个威廉希尔官方网站
参数的对比,和优劣势比对,发现其实LDO和DC
2021-11-09 17:51:00
16 这里写自定义目录标题DC DC电源转换电路设计新的改变功能快捷键合理的创建标题,有助于目录的生成如何改变文本的样式插入链接与图片如何插入一段漂亮的代码片生成一个适合你的列表创建一个表格设定内容居中
2021-11-09 17:51:00
30 主板电源DC-DC电路设计之电容的选择
2021-11-18 17:15:23
11 最早的时候,我们都是自己搭建电源供电电路,现在已经有很多集成芯片。DC-DC电路在电子产品中也是随处可见。本文与大家分享一些DCDC电路设计的一些基本知识。
2022-12-06 11:34:37
1200 BOSHIDA DC电源模块如何简化电路设计 DC电源模块是一种集成了直流电源电路的模块,可以提供稳定的直流电源输出。使用DC电源模块可以简化电路设计,具体步骤如下: 1. 选择合适的DC电源
2023-12-20 13:35:30
214 
评论