1981年,日本的Nabae等人提出了多电平变换器的思想,近年来成为了高压大功率变频领域的一个研究热点。多电平逆变器输出电压阶梯多,从而可以使输出的电压波形具有较小的谐波和较
2011-10-09 11:15:42
2175 
随着太阳能、UPS威廉希尔官方网站
的不断发展和市场的不断扩大,对逆变器效率的要求也越来越被制造商所重视,因此三电平的拓扑结构便应运而生。众所周知,与传统两电平结构相比,三电平结构除了使单个IGBT阻断电压减半之外,还具有谐波小、损耗低、效率高等优势。
2017-10-31 14:58:45
56756 
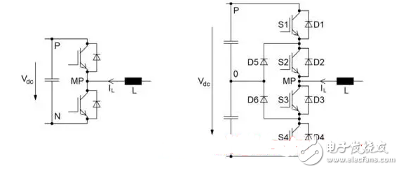
两电平电压型逆变器的主电路所示,电压型逆变器典型工作方式是180°导通方式,任何时刻都有不相同的三只主管导通
2023-11-09 14:44:55
3076 
三电平逆变器基本介绍
2024-02-26 10:09:49
439 
硬件研发工程师设计时肯定离不开电平这个概念,目前有多种电平定义,今天我就常用的电平做了下总结,和大家分享下现在常用的电平标准有TTL、CMOS、LVTTL、LVCMOS、ECL、PECL
2011-05-11 08:02:01
` 本帖最后由 那些留恋?-℡ 于 2015-4-9 09:57 编辑
各种GND,磁珠,0Ω电阻小结`
2015-04-09 09:56:14
多电平逆变器有源软开关威廉希尔官方网站
的研究
2012-08-20 16:21:42
,帅智康,孟阳DOI:10.13334/j.0258-8013.pcsee.1611341项目背景 级联多电平并网逆变器具有各级直流电压分散控制的能力,应用于光伏发电系统中可以实现不同光伏阵...
2021-09-03 08:19:38
在进行多辊道电机控制时,经常采用集中整流,公共直流母线加逆变器的传动方式,关于逆变器容量的选择,有几个问题需要注意。 本文以一个工程为例,介绍逆变器的选择。 1. 工程背景介绍 本工程
2023-03-16 17:06:40
[url=]常用逻辑电平[/url]
2016-01-29 13:53:27
ROS实操入门系列(三)1、Topic通讯小结2、编写ros驱动实现电机控制和编码器读取Topic通讯小结控制板驱动代码实现及工具调试完整代码Topic通讯小结Topic通讯特点通讯模型是通过
2021-09-16 09:11:45
。七、按输出电平数量分类任何逆变器的输出电平数可以至少为两个或两个以上。根据输出电平的数量,逆变器分为两电平逆变器和多电平逆变器两类。两电平逆变器两电平逆变器有两个输出电平。输出电压在正负之间交替
2021-11-23 10:46:20
信号放大器威廉希尔官方网站
的基础,然后发展用于驱动高功率。目前,静态变流器可以连接具有不同电气特性的系统。例如,斩波器连接两个不同电压等级的直流系统,而逆变器则通过变幅和变频将直流电转换成交流电。由于多电平逆变器输出波形
2021-11-15 08:30:34
谁有三电平逆变器svpwm的仿真,波形图也可以,可买
2015-01-16 11:50:42
通过该仿真可以充分理解中性点箝位(NPC)多电平逆变器的概念。This simulation is used full to understand the concept
2021-07-09 08:03:17
逆变器和多电平逆变器。与单电平逆变器相比,多电平逆变器具有谐波失真小、EMI/RFI产生量小、可在多个电压电平下工作等优点。多级逆变器正被用于多种用途,如有源电力滤波器、静态无功补偿和用于正弦和梯形...
2021-11-15 08:36:54
那位大神知道做单相三电平逆变器采用svpwm算法,具体是怎么控制的,看了几天资料都不太懂,望电源大神们指点几句,感激不尽!
2015-09-13 21:05:46
针对传统多电平拓扑结构的上述不足,本文提出了一种新的不对称混合多电平逆变器结构,通过控制输入端的电源数目,可以得到不同的电平数,最多可以得到六个输出电平,在减少器件与直流电压源的同时,增加了电平数
2021-07-23 07:00:00
0引言在高压大功率领域,电压源型中性点箝位(NPC)三电平逆变器因其特定的优点而取代了传统的两电平逆变器,成为驱动交流电机的高质量逆变器[1,2],工业界正普遍将电压源型三电平逆变器应用于高压大功率
2021-09-03 06:56:46
本文为印度Rourkela国立威廉希尔官方网站
研究所(作者:SANJEEV BALACHANDRAN)的学士论文,共54页。本课题主要研究和分析三相多电平逆变器及其不同的拓扑结构。本文的主要目的是研究调制威廉希尔官方网站
2021-11-15 07:24:33
该文在研究传统的级联型多电平逆变器的基础上提出了一种多电平逆变器基本构 成单元的概念,并从这一概念出发,提出了基于基本构成单元串-并、并-串思想生成多电平逆变器拓
2009-06-15 08:50:06
24 三电平逆变器作为多电平逆变器的一种,在高压大功率场合获得了较为广泛的应用。研究和分析了三电平逆变器主电路的原理和调制策略,并在Matlab/Simulink 下进行了仿真分析。
2010-01-20 16:00:24
79 现在常用的电平标准有TTL、CMOS、LVTTL、LVCMOS、ECL、PECL、LVPECL、RS232、RS485等,还有一些速度比较高的LVDS、GTL、PGTL、CML、HSTL、SSTL等。下面简单介绍一下各自的供电电源、电平标准以
2010-06-01 10:09:22
41 各种逆变器电路简介
CCFL背光逆变器和EL背光逆变器
2010-06-01 18:39:23
113 摘 要:本文提出一种新的级联型多电平逆变器拓扑结构,通过负载将两个电压型三相逆变器级联在一起,该逆变器能作为一个三电平或四电平逆变器运行。本文对这
2006-03-11 12:57:23
4379 
几种常用逻辑电平电路的特点及应用
几种常用逻辑电平电路的特点及应用
标签/分类:
在通用的电子器件设备中,TTL和CMOS电路的应用非常广泛。但
2007-08-21 15:34:59
1152 
多电平逆变器载波PWM控制方法的仿真研究
摘要:讨论了多电平逆变器的载波PWM控制方法,介绍了它们的原理,为了
2009-07-09 10:28:31
1696 
多电平逆变器有源软开关威廉希尔官方网站
的研究
摘要:分析
2009-07-09 10:46:06
736 
三电平逆变器SVPWM控制策略及实验研究
摘要:在两电平的常规空间矢量PWM算法的基础上,给出了三电平空间矢量PWM算法
2009-07-15 09:09:28
6489 
串联谐振单相全桥逆变器常用控制方法的研究
摘要:讨论了几种常用的串联谐振单相全桥逆变
2009-07-16 08:14:20
1604 
所谓电流型TPWM(Trapezoida-PWM)逆变器的级联,就是把N个出电流为TPWM波形的相同三相逆变器进行并联叠加。当前常用的三相电流型TPWM逆变器的共同特点是,并联叠加与TPwM控制,
2010-11-24 11:32:47
2348 
引言
我曾发表过一篇“直流电源PWM级联与多电平逆变器的威廉希尔官方网站
改革”的文章,这是针对电压型逆变器而写的。实际
2011-01-09 16:42:10
1241 
电子发烧友为您提供了三电平逆变器电路,希望对您的工作学习有用!
2011-06-28 14:32:31
3102 
在交流电动机调速领域,大容量多 电平变换器 的应用越来越广泛,为了改善系统性能,各种各样的多电平拓扑结构被提出。本文提出了一种新颖的混合级联式多电平拓扑结构,该结构
2011-08-11 16:57:02
47 大容量传动场合中, 多电平电压型逆变器得到广泛的应用, 但是多电平逆变电路输出矢量的选择较为困难。在细致地分析了三电平电路的输出矢量后, 总结了其矢量变化的规律, 以异步电
2011-09-22 16:27:18
37 本文提出用级联多电平逆变器取代变压器多重化结构的STATCOM 拓扑结构,用载波相移正弦脉宽调制威廉希尔官方网站
(Carrier phase-shifted SPWM,以下简称CPS-SPWM)取代工频调制。这种基于CPS-SPWM 级联多电平逆
2012-03-29 11:17:24
61 级联型结构是最早发明的一种多电平拓扑结构,早在1975 年就申请了专利,但当时没引起足够的重视。级联型五电平逆变器电路:
2012-03-29 11:30:33
4629 
介绍I型三电平逆变器的拓扑结构,换流方式及svpwm控制等
2015-10-28 14:15:03
12 60_坐标系下三电平逆变器SVPWM的实现
2016-04-13 16:12:11
15 H桥级联多电平逆变器相移SVPWM威廉希尔官方网站
的研究
2016-04-13 16:12:11
16 NPC型三电平逆变器SVPWM控制研究与仿真
2016-04-13 16:12:11
88 SVPWM控制三电平逆变器的电压调节,下来看看
2016-04-13 16:12:11
19 动车组牵引传动三电平逆变器SVPWM控制
2016-04-15 17:49:14
22 多电平逆变器SVPWM算法研究与实现,下来看看
2016-04-15 17:49:14
11 基于DSP的三电平SVPWM逆变器的研究。
2016-04-18 09:47:49
32 基于DSP的三电平逆变器SVPWM调制研究。
2016-04-18 09:47:49
18 基于DSP控制的60_坐标系下三电平逆变器SVPWM的研究
2016-04-18 09:47:49
8 基于PWM分解的三电平逆变器SVPWM的DSP实现方法。
2016-04-18 10:13:45
15 基于TMS320LF2407三电平逆变器SVPWM研究
2016-04-19 13:57:23
11 基于矩阵变换的Ⅳ电平逆变器通用SVPWM算法
2016-03-30 18:24:14
14 基于空间电压矢量法(SVPWM)的三电平逆变器的研究
2016-03-30 18:24:14
25 基于三电平逆变器的异步电机SVPWM控制策略研究
2016-03-30 18:24:14
8 基于神经网络的三电平逆变器SVPWM算法研究
2016-03-30 18:24:14
21 某型动车组用SVPWM三电平逆变器仿真。
2016-03-30 14:59:59
20 三相多电平逆变器SVPWM的一种统一快速算法
2016-03-30 14:59:59
11 新颖的SVPWM过调制策略及其在三电平逆变器中的应用
2016-03-30 14:59:59
14 一种三电平逆变器空间矢量PWM控制算法的实现
2016-03-30 14:40:32
24 一种实用级联式多电平逆变器SVPWM方法研究
2016-03-30 14:40:32
8 具有对称辅助电路的谐振直流环节三电平软开关逆变器,感兴趣的小伙伴们可以瞧一瞧。
2016-11-05 17:45:10
1 三电平光伏逆变器并网控制策略的研究_李练兵
2017-01-04 16:57:55
5 T型三电平光伏逆变器适应低电压穿越的调制策略探讨_严成
2017-01-08 10:40:54
2 级联H桥多电平并网逆变器的模型预测控制研究_杨腾飞
2017-01-08 10:57:06
8 一种SVPWM过调制算法及其在两电平逆变器中的应用_吴晓新
2017-01-08 11:28:38
6 低开关频率下三电平逆变器的中点电位控制_袁庆庆
2017-01-08 12:03:28
1 混合级联多电平逆变器的改进混合调制威廉希尔官方网站
_叶满园
2017-01-08 12:03:28
0 二极管钳位型级联多电平逆变器新型SPWM研究_林城美
2017-01-08 13:26:49
1 digsilent光伏小结
2017-03-16 14:26:10
0 多电平中性点箝位PWM式逆变器
2017-09-14 08:33:02
7 三电平逆变器介绍
2017-09-25 09:16:52
14 常用电平转换
2017-10-18 08:50:27
0 三电平逆变器:拓扑为在两个电力电子开关器件串联的基础上,中性点加一对箝位二极管的三电平逆变器,又称为中性点箝位型三电平逆变器,所示即为三相三电平NPC逆变器拓扑结构,由两个直流分压电容C1=C2、三相逆变电路组成。
2017-11-22 16:59:12
108185 
根据中点钳位三电平单Z源逆变器的拓扑结构,详细分析了其3种T作状态。与传统逆变器不同,直通状态的插入不仅省去死区的设置以及死区时间的补偿,同时实现了逆变器升压输出的效果。根据直通矢量插入特点,提出
2017-12-09 11:58:48
11 提出一种新颖的两电平电压型逆变器拓扑结构。该三相逆变器具有三个桥臂,每个桥臂由2个晶闸管、1个IGBT及4个二极管组成。晶闸管完成逆变器的相位定位,IGBT完成不同调制方式(SPWM、SVPWM
2017-12-29 14:02:56
3 多电平逆变器能产生多阶梯、低失真电压波形,特别适合于大功率高电压场合。其中二极管箝位式多电平逆变器(DCMLI)因无需独立的直流电源来维持每级电压而备受关注。但由于该逆变器存在直流侧电容电压的不平衡
2018-01-05 10:06:12
0 在多电平逆变器的调制中,Sigma-Delta调制器可以改善逆变器输出电压频谱,减少系统噪声。而将其运用到共直流母线的开绕组异步电机双两电平逆变器系统中时,由于开关状态和开关频率的不固定,无法采用
2018-01-12 11:47:11
0 针对传统多电平逆变器存在电平数大于3时,分压电容难以平衡,造成拓扑电路结构复杂等问题,对扩展NP点的混合H桥拓扑和独立分压电容平衡拓扑电路进行组合,简化并得到一种新型九电平逆变器拓扑电路;针对该拓扑
2018-01-22 14:04:12
0 针对直接转矩控制系统稳态转矩波动较大的问题,提出一种采用新型评价表的三电平逆变器占空比调制算法。首先,为减小占空比调节过程对电机参数的依赖性,对三电平逆变器大、中和小矢量建立了转矩和磁链的矢量评价
2018-03-14 10:50:25
3 提出一种新型的可实现多端口输入的多电平高频逆变器。该逆变器由交错并联Buck-Boost全桥单元级联而成,通过简单的脉宽调制(PWM)即可实现多电平输出,其输出频率与开关频率一致,可应用于高频交流
2018-03-14 15:08:27
0 基于PWM控制的级联型多电平逆变器相关资料——外文文献
2018-04-24 16:44:50
2 针对现有非隔离单相光伏并网逆变器拓扑漏电流大、并网电流谐波大等问题,提出一种新型共地型五电平单相非隔离光伏并网逆变器。该逆变器拓扑需要7个功率开关、2个电容、和1个滤波器。新型逆变器的主要优点
2021-05-19 09:28:10
7 基于Simulink的多电平二极管NPC逆变器
2021-06-25 10:19:15
17 DCDC环路补偿小结(无线电源威廉希尔官方网站
)- DCDC环路补偿小结
2021-09-18 11:10:09
77 本文为印度Rourkela国立威廉希尔官方网站
研究所(作者:SANJEEV BALACHANDRAN)的学士论文,共54页。本课题主要研究和分析三相多电平逆变器及其不同的拓扑结构。本文的主要目的是研究调制威廉希尔官方网站
2021-11-08 16:36:02
16 STM32串口学习小结串口是一个单片机常用的外设模块,对于单片机的外部通讯,程序调试都有着十分重要的作用。所以作为嵌入式学习中一个必须掌握的外设模块,这里向大家分享的我学习小结。1.通讯理论知识简要介绍...
2021-12-24 18:42:11
4 逆变器适用范围非常广泛,比如说光伏逆变器、车载逆变器、储能逆变器等等方面。这些类型应用都已经遍布在我们的生活中,究竟如何选择能够用于光伏、车载、储能等各种类型逆变器电路中的MOS管呢?
2022-09-28 10:14:31
4418 逆变器是反转所施加信号的逻辑元件。在数字电路中,开关或逻辑功能的二进制算术和数学操作最好使用符号0(零)和1(一)执行。如果逻辑电平为0(接地)或0 V,1(V伏),则在逆变器中,0 V的输入电平会导致输出电平为V伏,反之亦然。
2023-02-20 17:30:29
1706 
本文介绍了二极管中点箝位式三电平电压型逆变器为主电路的逆变装置,详细分析了三相三电平逆变器SVPWM传统算
法的原理,详细阐述了SVPWM波形发生的方法,在Matlab/simulink里以三电平
2023-02-28 14:41:27
11 当逆变器用于交流电机调速时,各次谐波会引起电机的各种损耗和转矩脉动,在控制逆变器时,一个重要的问题就是用最简单的控制方式使输出波形接近正弦波。非正弦电量会产生功率损耗、电磁干扰
和交流电机的转矩
2023-02-28 14:43:36
2 今天讨论一点小“姿势”,解决一些小白的入门问题,欢迎有问题互相交流。 经常有人问,“哎,两电平逆变器为什么叫两电平,体现在哪里?”“为什么相电压又是五电平?”“线电压又是三电平呢?” 下面就一一
2023-02-28 15:39:15
0 单相半桥两电平电压型逆变器的正弦脉宽调制(SPWM)之Matlab程序分享
2023-03-02 15:26:21
1 本文对三相两电平逆变器的Simulink仿真建模及SPWM进行简单介绍。
2023-03-17 11:07:50
8658 
本文对T型三电平逆变器的工作原理及simulink仿真建模方法进行介绍。
2023-03-17 11:07:57
22765 
在上期中介绍了在Simulink仿真中用S函数构建控制器,方便代码从仿真到嵌入式设备的迁移,本期则直接进入正题,通过两电平逆变器模型来介绍S函数在电力电子仿真中的应用。
2023-03-17 11:13:08
740 
电平,就是指电路中两点或几点在相同阻抗下电量的相对比值。这里的电量自然指“电功率”、“电压”、“电流”,并将倍数化为对数,用“分贝”表示,记作“dB”。常用逻辑电平有TTL、CMOS、RS232、RS485等。
2023-04-12 14:58:39
8896 
多电平逆变器将DC信号转换成多电平阶梯波形。多电平逆变器的输出波形不是直接正负交替,而是多步交替。因为波形的平滑度与电压电平的数量成正比。因此,多电平逆变器将产生更平滑的波形。如前所述,较小
2023-05-18 11:10:33
510 
你知道哪些常用逻辑电平?TTL与COMS电平可以直接互连吗? 常见的逻辑电平有TTL(Transistor-Transistor Logic)、CMOS(Complementary
2023-11-17 14:16:06
649 I型三电平和T型三电平是现代交流电力系统中常见的多电平逆变器拓扑结构。它们在电力电子威廉希尔官方网站
领域中扮演着重要的角色。本文将详细探讨这两种拓扑结构的优劣,并分析它们在不同应用下的适用性。 I型三电平拓扑
2023-12-19 16:22:47
1416 三电平拓扑是一种常用的多电平逆变器拓扑结构,用于将直流电能转换为交流电能。它采用三个电平的输出电压,相对于传统的二电平逆变器,可以显著降低输出电压的谐波含量,提高逆变器的输出波形质量。下面将详细介绍
2024-01-02 14:56:38
1022 相对于传统的两电平逆变器,三电平逆变器有哪些优点? 三电平逆变器是一种电力电子变换器,用于将直流电能转换为交流电能。相比传统的两电平逆变器,三电平逆变器具有许多优点。在本文中,我将详尽、详实、细致
2024-01-18 11:30:02
337
评论