RSM232隔离RS-232收发器具备电源隔离、电气隔离、RS-232收发器,有提高系统稳定性,简化设计等诸多优点。
2016-12-07 10:47:26
3290 
产品特点:● 低成本、小体积模块化设计● RS-485/232接口,隔离转换成8路标准模拟信号输出● 模拟信号输出精度优于0.2%● 可以程控校准模块输出精度● 信号输出/ 通讯接口之间隔离耐压
2022-01-14 06:45:04
RSM232隔离RS-232收发器具备电源隔离、电气隔离、RS-232收发器,有提高系统稳定性,简化设计等诸多优点。完全符合EIA/TIA-232E和ITU-T V.28规格,采用5V电源供电,具有2500VDC的隔离电压
2009-11-10 14:08:16
103 RSM232隔离RS-232收发器具备电源隔离、电气隔离、RS-232收发器,有提高系统稳定性,简化设计等诸多优点。完全符合EIA/TIA-232E和ITU-T V.28规格,采用3.3V或5V电源供电,具有2500VDC的隔离电
2010-03-06 14:59:19
36 RSM232D是致远公司开发的一款双路隔离RS-232收发器。内部具备电源隔离、电气隔离、RS-232收发器,可以有效提高系统稳定性,简化电路设计。RSM232D完全符合EIA/TIA-232E和ITU-T V.28规格,
2010-03-04 14:01:06
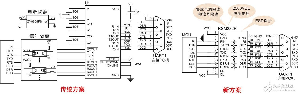
35 RSM232P隔离全功能RS-232收发器是一款具备电源隔离、电气隔离的全功能RS-232收发器,使用RSM232P可以提高系统稳定性、简化电路设计。电路完全符合EIA/TIA-232E和ITU-T V.28规格
2010-11-17 17:33:28
48 本文首先介绍了RS232接口连接器接口定义图及采用RS-232接口存在的问题,其次介绍了选择RSM232系列隔离收发器模块原因,最后介绍了ADM3251E实现RS-232接口隔离的电路图。
2018-05-22 14:56:17
48455 
RSM232D是致远公司开发的一款双路隔离RS-232收发器。内部具备电源隔离、电气隔离、RS-232收发器,可以有效提高系统稳定性,简化电路设计。
2012-04-01 15:13:25
91 压缩包里面有MRT1040DLT、MRT485DLT、MRT232DLT的数据文档和封装文件,兼容周立功的CTM8251系列,RSM485系列和RSM232系列。
2018-10-18 08:00:00
8 RSM 是广州致远电子全新系列的基于RS-485 总线接口的数据采集模块。RSM 数据采集模块在单个设备中集成了I/O、数据采集和隔离的RS-485 总线接口。支持标准的Modbus 协议和自定义A
2010-03-11 16:37:50
34 RSM-4055 是带隔离的数字量输入输出模块。模块有8 路隔离数字量输入,8 路隔离数字量输出。数字量输入可支持开关触点信号或电平信号,数字量输出采用开漏输出,最大负载可
2009-11-10 14:04:39
96 本文档介绍了RS232接口隔离芯片的基础知识以及工作原理、电路图等等。
2017-08-31 10:16:52
45 RSM485P系列嵌入式隔离RS-485,PROFIBUS收发器模块,是集成电源隔离、电气隔离、高速RS-485接口器件和总线保护功能于一身,方便嵌入用户设备,使设备具有连接RS-485,PROFIBUS总线的功能
2010-11-16 17:45:09
72 LTM2882-隔离RS232+1W电源
2021-04-17 10:25:37
1  ZLAN5143-232是专门针对RS232需要隔离的应用领域设计的,有效隔离RS232设备之间的干扰。ZLAN5143-232 可以实现 RS232/485/422 和 TCP/IP 之间进行透明数据转发。
2019-11-11 14:49:37
2164 
  波仕超高速RS-232隔离器(BS232HA)用于实现RS-232信号的光电隔离。BS232HA可以保护通信的RS-232串行口及机器,实现RS-232串行通信的机器之间的光电隔离。
2017-09-22 11:46:59
7 MRT232隔离RS-232收发器具备电源隔离、电气隔离、RS-232收发器,有提高系统稳定性,简化设计等诸多优点。完全符合EIA/TIA-232E和ITU-T V.28规格,采用3.3V或5V电源供电, 具有1500VDC的隔离电压, 波特率可高达115200bps。
2018-10-18 08:00:00
3 RSM是广州致远电子有限公司全新系列的基于RS-485接口的数据采集模块。RSM数据采集模块在单个设备中集成了I/O、数据采集和隔离的RS-485总线接口。支持标准的Modbus协议和自定义ASCII协
2010-11-18 16:35:30
40 RSM485C_DS数据手册,下来看看。
2016-12-14 22:08:25
16 ) 或是25个引脚 (DB-25) 的型态出现,一般个人计算机上会有两组 RS-232 接口,分别称为 COM1 和 COM2。 泰德- 01230参考设计提供了一个紧凑型解决方案,能够生成隔离式直流电源
2017-05-05 09:21:34
11 ◆ 功能简介 MWE232-H4实现一路RS-232与4路RS-232的高速光电隔离转换,总线分割威廉希尔官方网站
。 ◆ 产品性能 实现一个串口设备与4个串口设备主从式通信 迈威公司专用工业导轨槽模块 两端信号保持光电隔离; 全面容错机制,一路从节点损坏不影响其他节点通信 工业级设
2011-02-23 17:19:21
78 RSM2249 系列是红外遥控接收电路采用CMOS 工艺和RSM2248 遥控编码器一起组成遥控系统RSM2249 系列DIP16 封装有的也采用SOP 封装10 个功能提供多种设置适应不同应用要求反相/非反相
2008-11-27 23:25:53
50 RSM2272 电路是与RSM2262 配对使用的遥控解码器采用CMOS 工艺制造它具有12 位三态地址引脚可提供最多531441 312 种地址码因此可以显著得减少码间冲突和恶意码扫描的可能性RSM2272
2008-09-02 11:20:26
31 图1所示电路提供使用广泛的USB总线与RS-485或RS-232总线之间的完全隔离连接。信号和电源隔离确保USB设备与工业总线或调试端口之间实现安全接口, 允许监控TIA/EIA-485/232总线
2021-06-04 17:43:01
10 RSM系列数据采集模块配置测试工具
应用程序
2010-11-16 16:52:02
35 由于RS-232的典型应用是在系统间的通讯,因此在各系统间的隔离设计已经变的非常必要。隔离不仅可以保护器件免受总线上的高压危害,还可以消除总线上的接地回流,同时隔离还可以有效的减少系统间数据传输的误码与错误。
2020-09-23 16:49:26
12680 
2500VRMS隔离RS485+RS232收发器,带电源
2021-04-22 18:25:15
2 光电隔离型RS232/485到RS485集线器。 有效隔离从口RS485之间、从口RS485和主口RS485之间干扰。 RS485主口和从口支持256个从站,超强信号放大能力。 可实现RS485网络
2020-04-04 16:22:00
1526 设计适合恶劣环境下工业应用的鲁棒隔离式RS-232数据接口
2016-01-07 16:21:25
23 2500VRMS隔离RS485+RS232收发器,带电源
2021-04-23 08:13:58
5 元器件100%国产化的RS-485隔离收发器有RSM(3)485JCHT系列、RSM(3)485PHT系列、RSM485MG和DMX505,如图1所示。元器件100
2023-10-12 08:25:14
194 
电子发烧友网站提供《ESP32隔离式闪光器FT232开源.zip》资料免费下载
2022-07-29 09:34:49
0 凌力尔特推出双通道隔离式RS232微型模块收发器,集成了隔离电源
日前,凌力尔特公司 (Linear Technology Corporation) 推出双通道隔离式 RS232 微型模块 (uModule) 收发器 LTM2882,
2010-01-12 08:49:40
760 
模拟转数字4-20mA转rs-485/232总线I/O采集模块带隔离
2022-12-20 11:29:10
956 
MAX3250高失调电压(高-VOS)抑制RS-232收发器为线路侧收发器电路提供±50V隔离数据接口和电源。与光隔离或变压器隔离的RS-232收发器不同,其主要特点是低成本、在单个小型IC封装中允
2023-03-30 11:07:30
577 
嵌入式隔离RS-485收发器原理及应用
RSM485 系列隔离收发器模块,是集成电源隔离、电气隔离、RS-485 接口芯片,总线保护器件于一身,方便嵌入用户设备,使产
2010-03-06 11:01:18
97   ADM3251E是一款高速、2.5 kV完全隔离、单通道RS-232/V.28收
2010-11-10 17:52:47
3877 
此设计可实现利用接口到电源本身的残余电力的隔离式数据转换器。这样就不再需要进行跨隔离边界的成本昂贵的电力传输。通过在电表上轻松启用无处不在的 RS-232 连接,可以用各种各样的测试站硬件执行工厂
2017-05-12 14:46:40
37 LTM2882:双隔离RS232型μ模块收发器+电源数据表
2021-04-28 20:03:15
5 ADH232S:高隔离度SPDT开关直流至15 GHz芯片数据表
2021-04-25 13:17:14
8 AN-740: RS-232应用中的iCoupler® 隔离
2021-03-21 14:03:52
3 RSM2314二通道音频处理器电路图
2010-09-01 21:06:44
46 FT232RL USB转RS232/485/TTL接口转换器 工业级 隔离型
高速通信稳定、电压隔离、信号隔离、高质量外壳
型号 USB TO RS232/485/TTL
2019-12-30 14:53:52
3262 
AN-740:RS-232应用中的I耦合器隔离
2021-04-20 19:33:59
6 RSM485D 系列双路隔离收发器模块,是集成电源隔离、电气隔离、RS-485 接口芯片和总线保护器件于一身,方便嵌入用户设备,使产品具有连接两路RS-485 网络的功能。该系列模块
2010-03-04 13:50:32
35 ◆ 功能简介 MWE-CAN200隔离转换延长器将RS-232/RS-485/422信号转换成CanBus电平信号传输,达到延长RS-232/RS-485/422通信距离、抗干扰的目的。 ◆ 产品
2011-02-23 17:02:07
129 低成本单输出3KVAC隔离定压输入电力仪表485接口隔离电源:F S/D-W1/2W系列
FxxxxS-xW电源模块RS485接口DC-DC隔离电源模块主要用于RS232/RS485、CAN总线等
2022-04-07 00:00:00
224 
WJ31系列产品实现主机RS-485/232接口信号隔离转换成标准模拟信号,用以控制远程设备。WJ31系列产品可应用在 RS-232/RS-485总线工业自动化控制系统,4-20mA,0-5V,0-10V等标准信号输出,用来控制工业现场的执行设备,控制设备以及显示仪表等等
2022-11-22 14:43:13
419 
Linear推出集成隔离电源的双通道隔离式微型模块收发器
凌力尔特公司 (Linear Technology Corporation) 推出双通道隔离式 RS232 微型模块 (uModule®) 
2010-01-12 17:22:18
756 串行通信总线通过RS-232、RS-485和控制器局域网(CAN)等物理网络传送数据,这些相互连接的系统每个都配备有自己的电源,而且各系统之间往往间隔较远,因此,我们通常需要隔离电源进行电气隔离来确保系统的物理安全,且通过隔离切断接地回路,来保护系统免受瞬态高电压冲击,同时减少信号失真;
2023-06-24 11:09:00
461 
 
                     
                
评论