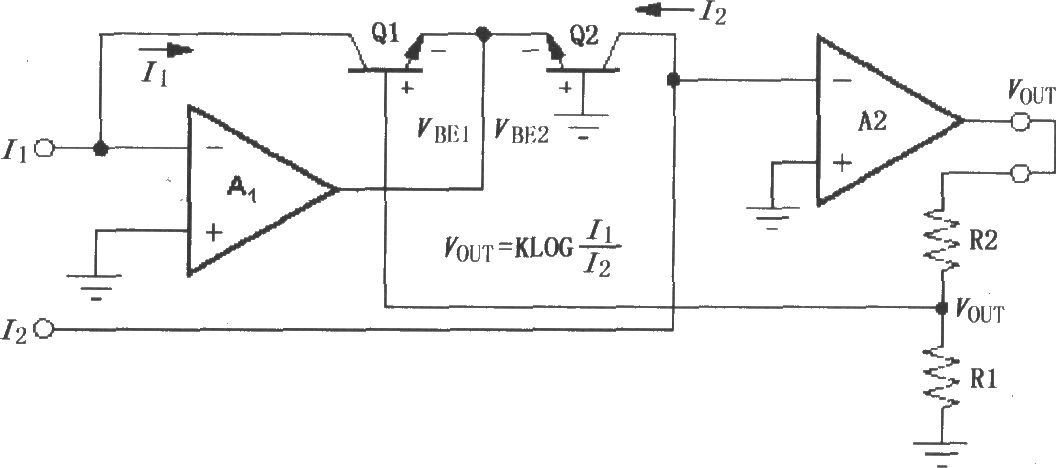
LOG100的简单模式对数放大电路
- 放大(35939)
 
相关推荐
对数与对数比率放大器LOG100的电流反向输入电路
关键词:LOG100 , 对数 , 对数比率放大器 , 反向输入 如图所示为LOG100的电流反向输入电路。LOG100的输入电流只能是正电流,即通常输入电流只能流入1脚和14脚。而在有些应用场
2019-02-05 22:38:01
437
437精密对数和对数比率放大器LOG100
关键词:LOG100 , 对数 , 对数比率放大器 LOG100采用先进的集成电路威廉希尔官方网站
实现其高精确度,它使用方便、成本低和尺寸小,使对数型运算合乎逻辑。在规格说明书里所保证的放大器最大误差超过了6
2019-02-05 22:36:01
1299
1299对数和对数比率放大器LOG100的偏流调零电路
关键词:LOG100 , 对数 , 对数比率放大器 , 偏流调零 如图所示为LOG100的偏流调零电路。该电路中采用两个10kΩ电位器R2、R'2,对内部放大器A1、A2的输入偏流进行调零。内部
2019-02-03 07:31:01
288
288对数与对数比率放大器LOG100的电流基准温度补偿电路
关键词:LOG100 , 电流基准 , 对数 , 对数比率放大器 , 温度补偿 如图所示为LOG100的电流基准温度补偿电路。如果将I2=IREF设置为常数,IREF即为基准电流,则输出电压为
2019-01-09 18:59:01
328
328DWDM电路中的对数运算互阻抗前置放大器研究浅析
作为密集波分复用电路中使用的光功率计的开发的一部分,我们对一种对数运算互阻抗前置放大器进行了研究,将其性能与另一种开关增益互阻抗前置放大器进行了比较。利用MMICAD LAYOUT™软件以及LPKF C60 样品电路板雕刻机,我们制作了电路的样品。
2019-06-21 07:51:15
对数和对数比率放大器LOG101/104的偏流调零电路
对数和对数比率放大器LOG101/104的偏流调零电路
如图所示为LOG101/104的偏流调零电路。LOG101/104输入电流I1、I2限制在100pA~3.5mA范围,输
2007-05-15 20:02:30
1221
1221
LOG100输入端的基准电流的“T”型网络电路
关键词:LOG100 , 基准电流 如图所示为LOG100输入端的基准电流的“T”型网络电路。在应用LOG100时,如果基准电流IREF很小,则往往需要非常大的电阻值来设置IREF。例如,电源为
2019-02-05 22:46:01
391
391对数和对数比率放大器LOG101/104的信号和电源的基本连接电路
关键词:LOG101 , 对数 , 对数比率放大器 , 基本连接 如图所示为LOG101/104的信号和电源的基本连接电路。信号电流I1、I2输入1脚和8脚,3脚输出电压VOUT=(1V)·log
2019-02-05 22:42:01
385
385LOG101/104精密对数和对数比率放大器
关键词:LOG101 , 对数 , 对数比率放大器 LOG101/104是以输入电流相对于一个基准电流进行对数或对数比率运算的通用型集成电路,对输入信号在整个宽的动态范围内测试。在对数比率运算应用时
2019-02-05 22:44:01
682
682由精密对数和对数比率放大器LOG102构成的增大输出电压威廉希尔官方网站 电路
关键词:LOG102 , 对数 , 对数比率放大器 , 输出电压 如图所示为由LOG102构成的增大输出电压威廉希尔官方网站
的电路。在许多光学传感器检测应用中,增大输出电压威廉希尔官方网站
如同增大光电二极管电流功能一样重要
2019-02-06 00:01:01
354
354由对数和对数比率放大器LOG101/104构成的测量雪崩光电二极管
关键词:LOG101 , 对数 , 对数比率放大器 , 光电二极管 , 雪崩 如图所示为由LOG101/104构成的测量雪崩光电二极管(APD)电流的电路。REF3025基准电源与25kΩ电阻产生
2019-02-05 22:54:01
252
252高速率高精度对数放大器LOG114的性能特点及适用范围
德州仪器 (TI) 推出的一款直流精度的高速度、高精度对数放大器 -- LOG114。该器件能够以升降时间1 微秒的超高速计算输入电流或电压与参考电流或电压的对数或对数比。LOG114 提供 8
2020-12-21 11:43:00
1933
1933一个基于LM11C的对数放大电路
这是一个基于LM11C的对数放大电路。不寻常的频率补偿为这个对数转换器提供了 100 us 的连续时间,从 1 mA 下降到 100 uA,从 200 us 升级到 200 ms,从 10 nA 到 10 pA。
2022-06-15 17:05:45
1140
1140
LOG101 对数放大器
电子发烧友网为你提供TI(ti)LOG101相关产品参数、数据手册,更有LOG101的引脚图、接线图、封装手册、中文资料、英文资料,LOG101真值表,LOG101管脚等资料,希望可以帮助到广大的电子工程师们。
2018-09-06 17:46:29

LOG104 对数放大器
电子发烧友网为你提供TI(ti)LOG104相关产品参数、数据手册,更有LOG104的引脚图、接线图、封装手册、中文资料、英文资料,LOG104真值表,LOG104管脚等资料,希望可以帮助到广大的电子工程师们。
2018-09-06 17:24:09

驱动VCA610增益产生的反馈放大电路
如图所示为驱动VCA610增益的控制脚产生一个温度补偿对数响应的反馈放大电路。VCA610提供具有低失调电压和低增益漂移的250kHz(-3dB)对数(Log)放大,在温度控制方面,VCA610的指数增益控制特性允许产生简单的温度补偿对数运算响应。
2020-01-28 17:18:00
2046
2046
LOG101/LOG104偏流调零电路
LOG101/LOG104偏流调零电路
如图所示为LOG101/LOG104的偏流调零电路。
LOG101/LOG10
2009-05-13 16:10:57
1312
1312
四种方式来让您以简单模式访问迁移器
在《库迁移系列 - 前言》中,主要介绍了什么是库迁移器。DigiPCBA专用的库迁移器界面会自动分析您所选择的本地库并将它们迁移到您登录的工作区,实现一键式解决方案。库迁移器可以提供极简的简单界面模式和高级模式两种模式,文中介绍了四种方式来让您以简单模式访问迁移器。
2022-08-05 10:05:23
486
486集成直流对数放大器
对数放大器中遇到的电路模块、影响对数放大器性能的各种误差,以及MAX4206的设计示例。最后,详细介绍了通过校准和设计指针优化对数放大器性能的建议。
2023-03-08 12:27:00
191
191
LOG112 片上电压参考为 2.5V 的精密对数和对数比放大器
电子发烧友网为你提供TI(ti)LOG112相关产品参数、数据手册,更有LOG112的引脚图、接线图、封装手册、中文资料、英文资料,LOG112真值表,LOG112管脚等资料,希望可以帮助到广大的电子工程师们。
2018-09-06 17:38:01

LOG2112 片上电压参考为 2.5V 的精密对数和对数比放大器
电子发烧友网为你提供TI(ti)LOG2112相关产品参数、数据手册,更有LOG2112的引脚图、接线图、封装手册、中文资料、英文资料,LOG2112真值表,LOG2112管脚等资料,希望可以帮助到广大的电子工程师们。
2018-09-06 17:29:43

SIMULINK简单模型的建立及模型特点
SIMULINK简单模型的建立及模型特点1、简单模型的建立    exp5_1.mdl(1)建立模型窗口(2)将功能模块由模块库窗口复制到模型窗口(3)对模块进
2008-06-19 12:48:44
2585
2585AD8306:5 MHz-400 MHz 100 dB高精度限幅对数放大器数据表
AD8306:5 MHz-400 MHz 100 dB高精度限幅对数放大器数据表
2021-04-18 16:32:18
3
3可以满足RF功率测量的对数放大器的设计
对数放大器(通常称为对数放大器,有时称为对数检测器)是RF电路和电光接口中使用的模拟元件。其传递函数在概念上很简单:输出电压或电流与输入电压或电流的对数成正比(图1)。它在60到80分贝(通常
2019-03-27 09:02:00
3739
3739
对数放大器满足射频功率测量,信号缩放需求
对数放大器(通常称为对数放大器,有时称为对数检波器)是用于RF电路和电光接口的模拟元件。它的传递函数在概念上是简单的:输出电压或电流正比于输入电压或电流的对数(图1)。
2017-05-19 14:17:09
7
7基于对数放大的视频AGC系统设计
本文介绍了可变增益放大器AD602和对数放大器AD8310的工作原理,给出了利用AD602和AD8310级联实现基于对数放大的视频AGC系统设计的设计实现。系统基于AD8310对数输出特性,较好地实现
2010-08-03 16:03:21
43
43什么是单模光纤?什么是多模光纤?
单模光纤和多模光纤是光纤通信中两种不同的传输介质。 单模光纤(Single Mode Fiber)的传输模式是在横向模式直接传输光信号。在单模光纤中,光以一个特定的入射角度进入光纤,并在光纤和包层
2023-10-07 11:19:26
205
205输入电压E1为负时的对数变换功能电路(对数放大器4127)
输入电压E1为负时的对数变换功能电路(对数放大器4127)
如图所示为信号E1以电压形式输入,且E1为负时的输出对数变换功能电路。当输入E1以
2007-05-15 22:36:49
1110
1110
4127对数放大器
关键词:4127 , 对数放大器 4127是第一个混合对数放大器,采用双倍宽度DIP陶瓷封装,它可以接受来自电流源或电压源的任一极性信号。4127是用于对数变换的专用集成电路芯片,具有精确的输入电流
2019-02-03 07:06:01
1240
1240AD8307型对数放大器及其应用
 AD8307是一款基于连续压缩威廉希尔官方网站
的完全单片500MHz解调对数放大器,该对数放大器提供92dB的动态范围,即使在高达100MHz的频率下仍能提供误差为±1dB的88dB动态范围。AD8307输出电压
2010-12-31 17:46:18
76
76集成直流对数放大器
摘要:在对数放大器应用中,直流对数放大器在压缩传感器信号动态范围的应用中仍然占据主导地位,是一种高性价比的解决方案。本文推导了直流对数放大器的传输函数,从双极
2009-05-07 10:39:52
977
977
小知识:对比单模光纤和多模光纤区别
光纤相比,单模光纤由于模间色散小,可以支持更长的传输距离。单模光纤在100Mbps以太网甚至1千兆网络中可以支持5KM以上的传输距离。 目前,单模光纤仍是光纤传输的主流应用。 单模光纤(SMF) 是指在其工作波长内只能传输一种模式的光
2023-07-11 10:13:53
1006
1006来自单模光纤和多模光纤自述
按光在光纤中的传输模式可分为:单模光纤和多模光纤。支持的多种传播路径或横向模式的光纤被称为多模光纤(MMF),而支持单一模式的被称为单模光纤(SMF)。下面就是来自单模光纤和多模光纤自述,从中找到两者的不同吧。
2022-11-02 10:21:22
1165
1165基于LM12CLK的100W音频放大器电路
基于100W音频放大器的LM12CLK是可以简单组装的放大器电路之一。虽然结构简单,但产生的功率在2欧姆扬声器上可以达到150瓦,在4欧姆扬声器负载下可以达到100瓦。
2023-05-16 17:44:02
1864
1864
100W MOSFET放大器电路图
这种基本 MOSFET 放大器的构建非常简单且成本低廉。非常适合 Hi-Fi 放大器和乐器放大器(吉他、键盘……)。 8 欧姆负载时输出功率为+/- 100 Wrms,4 欧姆负载以下
2023-08-24 15:44:37
342
342
解析单模光纤定义
单模光纤在学术文献中的解释:一般v小于2.405时,光纤中就只有一个波峰通过,故称为单模光纤,它的芯子很细,约为8一10微米,模式色散很小.影响光纤传输带宽度的主要因素是各种色散,而以模式色散最为重要,单模光纤的色散小,故能把光以很宽的频带传输很长距离。
2023-04-23 10:36:30
338
338小知识:对比单模光纤和多模光纤的区别
光纤相比,单模光纤由于模间色散小,可以支持更长的传输距离。单模光纤在100Mbps以太网甚至1千兆网络中可以支持5KM以上的传输距离。 目前,单模光纤仍是光纤传输的主流应用。 单模光纤(SMF) 是指在其工作波长内只能传输一种模式的光
2022-07-26 10:17:15
3512
3512
基于Rust的Log日志库介绍
了一种简单的方法来实现日志记录,本文将介绍如何使用Rust的Log库作为日志门面,并结合env_logger和log4rs两个日志库的实战用例进行深入探讨。 Rust的Log库 Rust的Log库是一个轻量级的日志记录框架,它提供了一个简单的API,可以方便地记录日志。Log库允许您
2023-09-19 14:49:56
315
315TI特殊功能放大器LOG104
比例因子为 0.5V/十倍频的精密对数和对数比放大器   Scale factor (V/decade)   0.5    Input current range (Min) (nA)   100
2022-12-01 14:43:02
单模光纤和多模光纤的区别
所谓"模"是指光以一定角速度进入光纤后的传输路径。纤芯直径的粗细不同,光纤中传输模式的数量也不同。 光纤按光在其中的传输模式可分为单模和多模。
单模光纤(单模光纤是黄色
2023-02-14 10:39:46
1994
1994100W音频阀放大器电路分享
这款 100 W 音频阀放大器电路可以产生高达 100 瓦的输出,具有出色的音频质量。放大电路由一组真空管组成。对于发烧友来说,真空管放大器是特别的东西。
2023-05-13 17:33:30
713
713
LOG112,LOG2112,pdf(Precision Logarithmic and Log Ratio Ampli
The LOG112 and LOG2112 are versatile integrated circuits that compute the logarithm or log ratio
2010-09-26 01:10:36
38
38LOG114 具有 2.5V 参考和非约束输出运算放大器的精密高速对数放大器
电子发烧友网为你提供TI(ti)LOG114相关产品参数、数据手册,更有LOG114的引脚图、接线图、封装手册、中文资料、英文资料,LOG114真值表,LOG114管脚等资料,希望可以帮助到广大的电子工程师们。
2018-09-14 14:34:25

关于放大器单位增益稳定运放的的问题解析
因为决定稳定性的只是环路增益AOL*β。同相反相放大,它的β都是一样的,即Rg/(Rg+Rf)。对数之后,则为log10(aol)-log10(1/β)。
2022-12-05 09:24:03
1699
1699
                        电子发烧友App
                    
                
                
                    
                
                


























           
            
            
                
            
评论