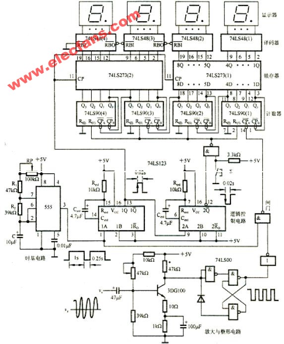
频率计整机电路图
- 频率计(43360)
 
相关推荐
分享一个简单的模拟频率计电路
 以下简单的模拟频率计电路可用于测量频率,可以是正弦波或方波。要测量的输入频率必须至少为25 mV RMS,以实现最佳检测和测量。
2023-05-18 18:17:49
848
848
[求助]数字频率计设计
     我是一大三测控专业的学生,我们微电子实习需要设计一数字频率计,个人由于能力限制,许多方面都还不是很明白,希望能得到
2008-12-12 19:01:39
基于51单片机的频率计仿真方案原理图
系统的硬件设计(末尾附文件)本频率计的硬件电路主要由时钟信号发生器、频率计控制电路和LCD显示电路组成。频率计的主要核心部件是采用AT89S52的内部定时/计数器来产生定时和记录脉冲变化次数。主要
2021-11-11 12:36:06
11
11基于单片机的频率计设计 单片机 仿真 频率计
课程设计题二十三:基于单片机的频率计设计1)设计任务:设计一个频率计。2)指标要求(1)测量范围 50HZ~10KHZ,可测正弦,方波,三角波。(2)测量误差 5% (3)液晶显示。 (4)具有
2021-11-04 13:36:00
57
57一个智能频率计的设计与制作的proteus仿真电路图和程序与工程文件
本文档的主要内容详细介绍的是一个智能频率计的设计与制作的proteus仿真电路图和程序与工程文件免费下载。
2020-11-16 08:00:00
20
20空调器的整机电路原理图
该空调器整机电路图如下图所示,(A)为整机电路图,双点虚线框内为室外机电气元件,方框内数字为室表里机组连线端子号。(B)为室外机电路图。该电路剖析进程如下:此空调器主控开关RS1共分四挡,即OFF-停机、FAN-通风、COOL-制冷、HEAT-制热。
2020-04-05 16:23:00
11733
11733正点原子开拓者FPGA:频率计实验
频率计又称为频率计数器,是一种专门对被测信号频率进行测量的电子测量仪器。频率计主要由四个部分构成:时基(T)电路、输入电路、计数显示电路以及控制电路。
2019-09-10 06:01:00
2925
2925
cd4046应用电路图大全(金属探测仪/频率计/充电器/信号发生器)
本文主要介绍了cd4046应用电路图大全(金属探测仪/频率计/充电器/信号发生器)。重点介绍了一款由CD4046构成的金属探测仪电路图、由CD4046构成的频率计电路图、采用CD4046的电池快速
2018-05-11 09:20:39
25347
25347
简易数字频率计电路图大全
本文主要介绍了四款简易数字频率计电路图大全,由六功能电子表(以下简称“表”)原理可知,当把“表”置于“跑表计时”工作状态时,在两次按动“ADVANCE”键后,“表”显时间就是两次按键的间隔时间。若设
2018-03-27 15:41:50
57505
57505
频率计工作原理
部分: 1)信号调理部分 2)事件门和时间门 3)事件计数器和时间计数器 4)处理器和显示器 5)时基电路 图2是频率计测试时间间隔的原理:对开始点和结束点之间的时间段内统计脉冲的个数,从而计算出时间间隔数值。 图2 频率计测量时
2017-11-23 03:32:00
1240
1240
基于verilog语言的数字频率计设计
基于verilog语言的数字频率计设计基于verilog语言的数字频率计设计基于verilog语言的数字频率计设计基于verilog语言的数字频率计设计
2015-12-08 15:57:23
74
74数字频率计的制作
数字频率计是采用数字电路制做成的能实现对周期性变化信号频率测量的仪器。频率计主要用于测量正弦波、矩形波、三角波和尖脉冲等周期信号的频率值。其扩展功能可以测量信号的周期和脉冲宽度。通常说的,数字频率计是指电子计数式频率计。
2015-11-20 14:55:57
142
142基于AT89C51的频率计硬件电路图
本电路图是基于AT89C51的频率计硬件电路图。具体如图所示。该频率计实现以下功能: 1. 测试功能 它表明数字频率计所具备的全部测试功能,一般包括测频,周期,累计脉冲数,频率比
2012-08-14 11:33:21
4175
4175
基于单片机的数字频率计电路图
基于单片机的数字频率计电路图如下图所示,其频率范围是1Hz-5MHz,使用7位数码管先是测量结果,如果在输入端加上高频分频器还可以扩展量程。
2012-07-19 09:58:59
4914
4914
时基集成电路组成指针频率计电路图
图所示是指针式频率计的组成电路.图中555拼成单稳态电路形式,如果输入信号不是方波时,应采用施密特电路进行整形.图中R1,C控制单稳态触发器的延迟时间,R1,C确定之
2010-10-02 15:04:00
1244
1244超高频数字频率计的设计
摘要:介绍了以通用频率计数器ICM7216D为核心,结合大规模集成电路和简单的外围电路,采用分频法进行测量范围为10kHz~700MHz的超高频数字频率计的设计方法,并给出了该频率计的
2010-05-25 09:03:31
100
100数字频率计测频率的基本原理
了解数字频率计测频率与测周期的基本原理;熟练掌握数字频率计的设计与调试方法及减小测量误差的方法。[重点与难点]重点:数字频率计的组成框图和波形图。难点:
2008-12-01 14:36:48
505
505
                        电子发烧友App
                    
                
                
                    
                
                





























           
            
            
                
            
评论