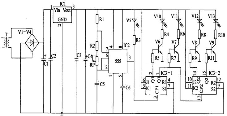
五路灯光控制器的原理

                        
                        电子发烧友App
                    
                
                        
                        硬声App
                    
                完善资料让更多小伙伴认识你,还能领取20积分哦,立即完善>
电子发烧友网>电子威廉希尔官方网站 应用>电子威廉希尔官方网站 >电路图>信号处理电子电路图>五路灯光控制器的原理
相关推荐
7283
2512
1670
596
3781
765
4073
6893
986
8676
0
6023
2640
16915
50
3680
333
1036
4059
231
3686
3182
28
416
32
1540
19
3436
3667
1051
972
34
11260
55
2876
4517
0
评论