AN-1520:采用ADA4851-1放大器和ADV7180视频解码器的低成本差分视频接收机
2021-05-19 16:30:54
6 对于已存在单一HDMI输入端的系统设计中,通过开关来复用HDMI解码器从而加入第二组HDMI输入端口,这样既简化了设计又降低了系统的成本。首批因HDMI开关产品而受益的主要应用包括各种格式的高清
2018-12-10 10:21:00
AN-1337:ADI视频解码器与MIPI CSI-2接收器连接的设计考虑
2021-04-19 16:21:44
15 ADV7482:集成式视频解码器和HDMI接收器
2021-03-21 03:16:37
7 ADV7481:集成式视频解码器和双模HDMI/MHL接收器
2021-03-20 15:12:08
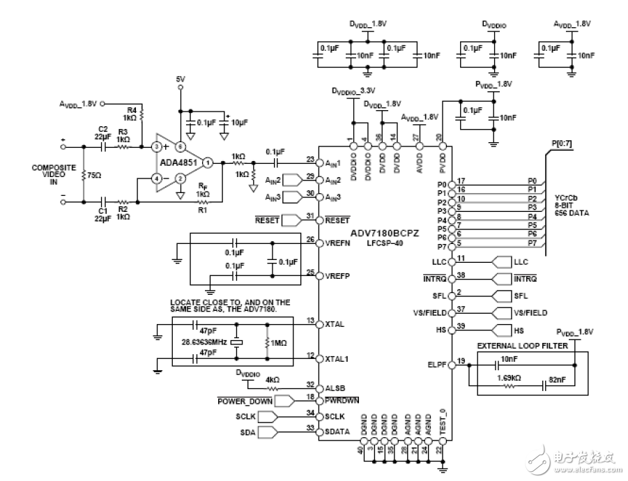
10 图1所示电路提供了极为鲁棒的解决方案,集成过压(电池短路[STB])保护,可在恶劣环境下接收CVBS视频信号。它采用低成本、低功耗、单极性、差分接收器ADA4830-1,可在 ADV7180完成
2021-06-05 21:43:50
5 LTC490:差分驱动器和接收器对数据表
2021-05-26 14:26:37
0 AD8143:带比较器的高速三差分接收器数据表
2021-04-18 16:34:49
1 AD8145:带比较器的高速三差分接收器数据表
2021-04-21 12:15:29
7 LTC1690:差分驱动器和接收器对,带故障安全接收器输出数据表
2021-04-19 08:48:03
2 AD8129/AD8130:低成本270 MHz差分接收放大器数据表
2021-04-21 17:23:28
0 AN-1260:视频解码器、HDMI接收器和收发器的晶体设计注意事项
2021-05-10 09:05:19
4 ADV601LC:超低成本视频编解码器数据表
2021-04-23 13:59:29
2 AD8124:三差分接收器,200米可调电缆均衡数据表
2021-04-21 17:05:53
9 AD8123:三差分接收器,带可调线路均衡数据表
2021-04-18 15:34:31
2 AD8129/AD8130均为配合AD8131或AD8132驱动器工作,在双绞线电缆上实现高速信号传输的接收器。两款器件均可用于模拟或数字视频信号及高速数据传输。AD8129/AD8130均为差分至
2015-11-30 10:34:46
48 DN55-新型低成本差分输入视频放大器简化设计并提高性能
2021-04-19 13:55:45
3 AD8137:低成本、低功耗差分ADC驱动器 数据手册
2021-03-20 13:54:28
1 AD8131:低成本高速差分驱动器数据表
2021-04-15 08:12:10
0 AD8145是一款三路、低成本、差分至单端接收器,专为通过双绞线电缆或差分印刷电路板迹线接收红绿蓝(RGB)视频信号而设计,也可用于接收任何类型的模拟信号或进行高速数据传输,还内置两个具有迟滞特性
2023-07-05 10:14:34
通信系统中接收链差分滤波器设计
2018-04-08 14:03:08
21 ADV601:低成本多格式视频编解码器数据表
2021-04-25 13:26:32
1 AD8122:具有300米可调线路均衡特性的三通道差分接收器
2021-03-20 13:50:46
8 低成本手机的发展及射频接收器所扮演的角色
手机销售前景日益看好,行动终端装置在大众市场的复合年成长率又很惊人,这兩项因素
2010-03-22 11:06:46
18 ADV7182:带差分输入的10位SDTV视频解码器数据表
2021-05-27 20:44:24
8 ADV7182A:带差分输入的10位SDTV视频解码器数据表
2021-05-10 21:08:02
0 UG-1155:带差分输入的ADV7182A 10位SDTV视频解码器评估板
2021-05-15 12:36:34
1 通信应用中差分电路设计的相关威廉希尔官方网站
有哪些呢?首先对单端和差分信号进行一下比较,然后简单介绍接收器的信号链和系统性能方面一些需要考虑的因素,然后就会发现差分应用的优势。
2011-01-26 09:34:14
2545 
调整到新的通信速度。以下关于接收器如何检测RS-232接口的传输速率的描述没有描述接收和发送例程的实现。相反,它描述了一个由发射器和接收器组成的系统。发送器(例如,PC)将字符发送到接收器。接收器是一种低成本μC,可检测传输速率并根据新速率调整其软件。实现原理很简单。
2019-08-13 16:07:18
2390 当今许多手持电子设备都在LCD、照相机和键盘的接口电路中采用串行器/解码器(SerDes)威廉希尔官方网站
。SerDes可以减少穿过铰链或滑动装置的信号数量,从而允许采用新的铰链或滑动装置,并可以降低成本。从
2020-07-27 15:00:44
2349 
光接收器,光接收器原理和结构组成是什么?
光接收器的定义:
在光纤通信系统中,光接收
2010-03-19 17:03:21
12551 通过改善视频解码器和编解码器接口降低DVR系统成本
在过去几年中,视频监控录像设备的性能得到了极大提升。借助新的硅器件产品,监控 DVR 设计人员可以创建全帧
2010-01-04 11:26:35
603 
今天我们就说说差分滤波器布局时需要考虑的那些点儿。成对差分走线的长度须相同 此规则源自这一事实:差分接收器检测正负信号跨过彼此的点,即交越点。因此,信号须同时到达接收器才能正常工作。
2017-02-10 11:37:29
1924 本威廉希尔官方网站
笔记重点介绍如何确定CDMA接收器的系统规格,以便为低噪声放大器和下变频器建立实用规格。第二部分详细介绍了MAX2323/25/29的性能和特性。最后一部分详细介绍了如何设计接收器前端,包括设计RF和IF SAW滤波器的匹配电路,以优化接收器的性能。本笔记还显示了实用的电路和测量数据。
2023-02-24 15:08:19
668 
是一种视频接收器集成电路 (IC),可为光纤到户 (FTTP) 应用中单系列 ONT 中使用的光接入三工器模块提供低噪声模拟接口。QPB8888 具有低输入噪声和
2023-05-26 09:33:24
在电缆应用中,接收器将不总是由发送器驱动,并且接收器输入上可能存在超过20 mV的差分噪声,应考虑使用额外的故障保护电阻。
2021-05-21 06:24:00
2562 电脑遥控接收器电路及制作,我们的遥控接收器的电路方案取自Girder的第三方插件:"SFH-56 plugin for Girder"。
2011-12-20 10:27:11
9265 
GX6107…… QPSK+MPEG2+PVR+PIP(交互式双路卫星单片接收)
产品描述: GX6107是面向DVB-S市场推出的一款高性能低成本机顶盒单片接收解码系统芯
2008-09-24 08:33:43
1050
光纤数据接收器电路
2009-02-12 07:44:47
948 
该文档是AD8128(差分接收器和均衡器)中文资料用户手册,AD8128的应用特征、功率参数、应用范围和基本电路。还包括AD8128应用电路图和引脚配置图,是最全的AD8128中文资料,欢迎大家免费下载
2017-10-28 12:32:16
5 该文档是AD8124(差分接收器和均衡器)中文资料用户手册,AD8124的应用特征、功率参数、应用范围和基本电路。还包括AD8124应用电路图和引脚配置图,是最全的AD8124中文资料,欢迎大家免费下载。
2017-10-28 12:28:59
15 该文档是AD8123(差分接收器和均衡器)中文资料用户手册,AD8123的应用特征、功率参数、应用范围和基本电路。还包括AD8123应用电路图和引脚配置图,是最全的AD8123中文资料,欢迎大家免费下载。
2017-10-28 11:22:23
17 该文档是AD8122(三通道差分接收器)中文资料用户手册,AD8122的应用特征、功率参数、应用范围和基本电路。还包括AD8122应用电路图和引脚配置图,是最全的AD8122中文资料,欢迎大家免费下载。
2017-10-28 11:19:49
12 调谐射频接收器(或TRF接收器)是一种无线电接收器,它使用许多调谐射频(RF)放大器级以及检测器(解调器)电路来输出音频信号,以及用于将提取的音频放大到扬声器中的音频放大器。
2023-04-02 10:28:32
1157 
接收器电路图
2009-07-06 14:48:07
1359 
一是使用专用编解码芯片,比如典型的接收器GS2971,发送器GS2972,优点是简单,比如GS2971接收器直接将SDI解码为并行的YCRCB,
2023-06-14 14:48:28
411 
灵敏的光电接收器电路:
2007-08-15 12:57:51
956 
ADV7283:10位、4倍过采样SDTV视频解码器,带差分输入和去隔行器数据表
2021-05-25 17:35:46
15
光接收器电路图
2009-04-01 09:21:52
1626 
AN-1166: 使用HDMI多路复用器和HDMI接收器的器件的HDMI接收端抖动容差问题
2021-03-19 04:36:37
7 这里显示的是传统的超外差接收器的框图。无论拓扑结构,单端还是差分,系统目标都是成功地将所需信号传送到模数转换器进行数字化。信号路径由几个RF模块组成:天线,滤波器,低噪声放大器(LNA),混频器,ADC驱动放大器和ADC。
2019-03-18 08:59:00
4496 
解码器(decoder),是一种能将数字视音频数据流解码还原成模拟视音频信号的硬件/软件设备。像视频的mpeg4,音频的mp3,ac3,dts等这些编码器可以将原始数据压缩存放,但这也还都是常用
2017-06-07 14:56:45
3 设计并实现了一种基于OMAP3730的低成本高清屏媒系统,能够充分发挥可编程C64+DSP的强大计算功能, 利用硬件实现常用视频格式的高清硬解码播放,利用软件兼顾不常有视频格式的解码播放,同时针对屏媒系统的特点利用DSP实现转屏,达到在横屏和竖屏上的自适应播放的效果。
2018-02-06 17:13:09
1494 
Maxim Integrated Products推出首款可完全编程的通用GNSS接收器,有效提高汽车及工业应用的系统性能、降低成本、节省空间。
2012-03-16 09:06:53
751 SSM2143:-6 dB差分线路接收器数据表
2021-05-09 12:36:22
3 UG-1175:ADV7282A-M 10位4倍过采样差分输入SDTV视频解码器评估板
2021-05-24 18:49:09
4 UG-1173:ADV7281A-M 10位4倍过采样差分输入SDTV视频解码器评估板
2021-05-24 18:50:52
4 ADV7281A:10位、4倍过采样SDTV视频解码器,带差分输入数据表
2021-05-10 19:51:36
4 ADV7282A:10位、4倍过采样SDTV视频解码器,带差分输入数据表
2021-05-15 12:39:20
3 PCB上;而接收器则是显示器上的一块电路,它可以接受数字信号,将其解码并传递到数字显示电路中,通过这两者,显卡发出的信号成为显示器上的图象。如果用户希望得到一个完美显示的画面,那么传送器就需要将干净的信号传给接收器,而接收器自己也需要将信号解码并干净的传给显示器。
2020-07-29 16:41:01
1212 
BC7210 低成本通用红外遥控解码芯片:BC7210 是一款低成本通用红外遥控解码芯片,可以完成目前应用最广泛的多种红外遥控编码的解码,包括飞利浦(RC5)编码(典型编码芯片如
2008-11-29 08:42:46
38 NI推出全新基于LabVIEW的 GPS接收器测试工具包
NI LabVIEW及 PXI模块化仪器为GPS接收器提供低成本测试选择
2008-08-02 12:28:41
585 低成本低功耗的实现MPEG-4视频解码。而基于SoC的解码方案可以有多种, 例如采用CPU 内核软件解码,也可引入DSP核, 或者设计专用的硬件加速电路。但是, 软件解码在系统繁忙时难以满足实时性要求
2019-02-14 14:43:01
386 音频/视频立体声接收器6050手册免费下载。
2022-09-07 14:42:11
0 VP386 数据表 8/28 位 LVDS 视频接收器
2023-04-27 19:34:18
0 差分跳频信号最佳接收机设计
2.1 差分跳频信号最佳接收机实现方法根据差分跳频的原理可以将接收机划为差分跳频信号解跳器和最大似
2009-03-01 17:05:32
796 
射频/无线系统会同时包含一个发射器和接收器分别用于发送和接收信号。我们先介绍发射器的基本测试,接下来再介绍接收器的基本测试。 发射器测试基础 数字通信系统发射器由以下几个部分构成: * CODEC
2017-11-24 16:12:21
6628 滤波器。那么版主问一句,如何使用差分滤波器?你晓得伐?不晓得,就继续往下看,版主简单明了的给你们说说8个需要注意的点儿~ 1、 成对差分走线的长度须相同此规则源自这一事实:差分接收器检测正负信号跨过彼此的点,即交
2020-10-10 10:43:00
2 Analog Devices, Inc.(ADI)推出单芯片宽带IF接收器子系统AD6676,可让高性能通信和仪器仪表设备的设计人员减少接收器设计的复杂性,同时实现频率规划灵活性和业界领先的瞬时动态范围。观看有关AD6676的视频:
2018-09-12 17:12:00
995 AD8137是一款低成本差分驱动器,提供轨到轨输出,非常适合在要求低功耗和低成本的系统中驱动模数转换器 (ADC)。它应用简便,内部共模反馈架构允许通过在一个引脚上施加电压来控制输出共模电压。内部
2020-04-08 08:00:00
1
评论