路由器处理器的作用 路由器处理器是路由器中最重要的部分之一,也是路由器的核心部分。它用来处理路由器的网络数据流,执行各种路由器功能,例如路由转发、包过滤、网络地址转换(NAT)、协议转换等等。在现代
2023-08-27 17:08:34
434 4G路由器相比普通路由器有啥特别之处!
2023-07-19 09:02:24
220 主路由器和副路由器的网速主要取决于设备性能和连接方式,一般情况下,我们都会把性能较好的路由器作为主路由,副路由则采用次一些的设备,这种情况下肯定是主路由器的网络更快更稳定些,但如果采用了两台相同的路由器连接二级路由,网速就取决于连接方式了,下面请看具体分析。
2023-06-03 09:23:45
2974 
光纤路由器或光纤路由器是专门为支持光纤互联网而配备的路由器。光纤提供超快速的互联网连接,并通过光纤电缆发送红外光脉冲来实现。光纤路由器能够将所有光纤速度传递到您的网络,而非光纤路由器则无法做到这一点。
2023-05-18 16:18:31
629 有线路由器(Cable Router),是相对于无线路由器的一个定义。传统的路由器都是有线连接,所以当路由器没有注明是无线路由器时,所指都是有线路由器。路由器是互联网络的枢纽、“交通警察”。
2023-05-09 18:17:24
1691 所谓路由器的千兆百兆指的就是路由器有线接口的连接速率,千兆即1000Mbps,百兆即100Mbps,因此千兆路由器和百兆路由器就不难理解了。那么,百兆路由器和千兆路由器有啥区别?有必要买千兆路由器
2023-04-28 10:49:33
4081 
路由器的配置【实训目的】(1)熟悉路由器。(2)了解路由器的配置方式。(3)掌握路由器的基本配置命令。(4)了解路由器的升级方法。【实验环境】 实验室中的设备都是按照图E3-1所示组网的,但在该实验
2008-12-07 14:09:51
又有什么不同呢?5G无线路由器工业路由器最主要的用户还是公司企业,比如商场的自动售货机、停车场的智能停车系统、野外的电动车充电桩、气象环保部门的高空监控装置、社区
2022-12-30 16:02:07
264 
电子发烧友网站提供《路由器自动定时开关机.zip》资料免费下载
2022-12-28 11:23:22
0 电子发烧友网站提供《WiFi路由器的DIY UPS系统.zip》资料免费下载
2022-11-28 11:15:36
1 totolink路由器怎么设置 toto路由器WiFi设置教程
2022-09-28 09:26:48
0 多个路由器如何无线桥接成一个网络 路由器桥接教程
2022-09-28 09:25:29
1 路由器多久关机一次最合适 路由器一天关一次好吗
2022-09-27 14:23:14
0 路由查询的行为是逐跳的,到目标网络沿途的每个路由器都必须有关于该目标网段的路由信息。简单来说,数据包每经过一个路由器,路由器就会告诉它下一跳是谁,该往哪个方向走。
2022-09-14 14:41:11
589 路由器是现在我们生活中必不可少的。其实路由器有许多种类,根据不同的种类,在各个领域都有被广泛使用,比如工业4G路由器就主要应用于物联网连接,那么到底工业4G路由器和普通路由器有什么区别?下面小编给
2022-08-05 16:59:01
540 
你可以通过这个项目知道有多少设备连接到您的路由器,并且可以通过不同颜色的 LED 显示实时网速。
2022-05-25 16:19:03
5761 
欢来到迎东用小知识课堂,每天学习一分钟,让你紧跟时代,扩充自己,成为大佬不是梦!路由器常见协议都有哪些呢?我们都知道路由器的作用是链接2个或者多个网络的硬件设备,可以在网络间起网关的作用。它具有
2022-05-10 14:24:12
652 
工业级路由器是一种用于连接两个或以上网络的耐用器件,工业级路由器和家用路由器的区别。可将信号仅传送到所需端口。工业级路由器和家用路由器的区别。价格相较家用级比较便宜,功能稳定强大。 家用
2022-02-07 10:43:26
2334 路由器是连接两个或多个网络的硬件设备,它是互联网的主要结点设备,常见的路由器有骨干级路由器、企业级路由器和接入级路由器等。接下来简单介绍一下路由器的结构及功能。
2022-01-21 16:46:46
9848 路由器是什么?路由器又以称之为网关设备,是连接两个或多个网络的硬件设备,是一种基于网络层的互联设备,路由器是互联网的主要结点设备。接下来简单介绍路由器的功能及结构。
2022-01-12 15:39:39
9559 毋庸置疑,无线路由器已经成为了每个家庭的必备。而大多数家庭的路由器其实都处于24小时开机的状态,很少有人会关闭路由器或者重启路由器,估计也只有路由器出现问题时才会重启路由器吧
2020-12-26 01:57:06
388 毋庸置疑,无线路由器已经成为了每个家庭的必备。 而大多数家庭的路由器其实都处于24小时开机的状态,很少有人会关闭路由器或者重启路由器,估计也只有路由器出现问题时才会重启路由器吧。 而我们使用的路由器
2020-09-17 11:49:20
6452 什么是4G工业路由器?如何利用路由器远程运维?工业路由器都有些什么功能?这些问题我们平时在使用路由器或项目中都可能会遇到。
2020-06-03 10:54:01
1056 现在的路由器都是双频的,还有的还是三频段的。只是双频路由器怎么用,才是最好的。
2020-03-30 22:35:38
5608 绝大多数Linksys品牌的路由器都没有开关机按钮,一般来说,将路由器接通电源插座时会自动启动路由器。
2020-03-12 09:51:02
12944 边界路由器是连接内部局域网和外部Internet的关键路由。作为内外网络之间的桥梁,它的安全运行关系到整个局域网的命运。因为直接与Internet连接,边界路由器首当其冲是黑客攻击的重点。
2020-01-21 16:42:00
11074 路由器的天线传输速率很重要,影响路由器的使用体验。路由器标称的无线传输速率,代表着路由器支持的协议,以及路由器对应的天线的数量。
2019-10-14 16:08:37
2350 
路由器的转发性能受限于端口的连接速率,百兆路由器转发性能只能达到百兆,因此超过100M的宽带建议使用千兆路由器,可以最大限度发挥出宽带的性能。
2019-08-13 15:50:00
5419 路由器,你家的会经常关吗? 反正小编家的路由器,除了断网会拔掉插头重启,用到坏我都不会给它断电的!那么,这样子长时间连续工作,对路由器寿命有影响吗?对网速有影响吗?
2019-05-26 11:25:15
4693 普通路由功能上非常单一,就是给你提供有线接口输出和无线信号发射;智能路由相比于普通路由器,具有质的差别。智能路由器具有独立的操作系统,可以由用户自行安装各种应用。除此之外,智能路由器还可以实现自行控制带宽、自行控制在线人数、自行控制浏览网页、自行控制在线时间等用户管理功能。
2019-04-12 16:37:24
7828 从过滤网络流量的角度来看,路由器的作用与交换机和网桥非常相似。但是与工作在网络物理层,从物理上划分网段的交换机不同,路由器使用专门的软件协议从逻辑上对整个网络进行划分。例如,一台支持IP协议的路由器可以把网络划分成多个子网段,只有指向特殊IP地址的网络流量才可以通过路由器。
2019-03-19 16:06:54
12673 由于路由器的特殊性,能保证路由器正常工作状态的寿命,一般是3到5年。
2019-03-19 15:52:22
93939 本视频主要详细介绍了路由器的功能,分别是网络互连、数据处理、网络管理,其次介绍了宽带路由器功能。
2019-03-19 15:49:59
14358 配置无线路由器之前,必须将PC与无线路由器用网线连接起来,网线的另一端要接到无线路由器的LAN口上。物理连接安装完成后,要想配置无线路由器,还必须知道两个参数,一个是无线路由器的用户名和密码;另外一
2019-03-12 16:58:40
3344 关键词:DIY , 无线路由器 , 电源 相信很多人都体验过通过路由器共享一个网络的寝室生活,也经历过寝室断电之后有网不能上的痛苦。作为DIYer,我们的目标是——让路由器随时随地的工作,再也不
2019-02-03 11:21:01
2627 多年以前,人们只知道有路由器手机就可以上网而不消耗流量,但却并不知道路由器的其他功能,也不知道什么双频路由器和普通路由器。近年来,各路由器厂家都在推双频路由器,但双频路由器的价格相较普通路由器,价格上又贵了一个档次,那到底双频和单频有什么区别呢?
2018-12-22 16:47:00
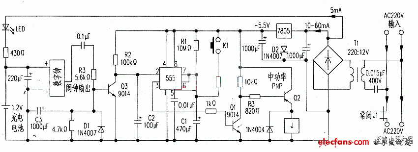
5603 路由器定时关机装置,Timer for router
关键字:NE555,定时关机电路
电路如附图所示.通电时+5.5V电源通过
2018-09-20 18:54:20
402 图解无线路由器天线制作,Router Antenna DIY
关键字:图解无线路由器天线制作
刻录光盘盒用完了就没什么用了,我们可以
2018-09-20 18:31:59
3110 现在的人们想必对于路由器来说是豪不陌生的,当时路由器一经推向市场就受到了非常多人们的喜欢以及购买。本文主要跟大家讨论的是思科路由器,思科(Cisco)路由器是一个集成多业务路由器,福利综合服务网络
2018-05-14 10:18:29
2764 苹果的产品一直受到大家的追捧,但是近日苹果宣布停产了AirPort路由器,那么苹果停产的原因是什么呢?本文主要介绍的是苹果路由器停产的原因,其次给大家阐述了苹果路由器到底怎么样,值不值得购买呢?具体的跟随小编一起来了解一下。
2018-04-27 10:33:48
25117 随着互联网络的普及,路由器的更新换代,早期的有线路由,渐渐被新的双频无线路由取代,当然双频路由器使网络的使用更方便,管理更简单,速度更快了,那么双频路由器的设置跟有线路由器有什么不同呢?下面就给新手朋友分享一下双频无线路由器设置的方法和步骤。
2018-04-04 14:29:21
35507 
路由器它是属于网络层设备,通常是以包为单位进行数据的发送。在路由器的子接口,是有分割广播域的作用,所以当我们用交换机做VLAN以后,都是要在路由器上做一个三层的路由。而我们在这个路由器的子接口出设置的IP地址就是网关。当然在现在我们最常用的以太网当中,网关就会被退化成路由器。
2018-02-10 09:43:39
35066 门槛不高的智能路由器正在高速发展,随着越来越多的玩家加入,倒逼传统路由器转型的同时,将推动智能路由器的硬件、软件、应用、生态以及商业模式的变化。在与智能路由器从业者深度沟通后,笔者认为智能路由器将有以下变化趋势:
2018-01-04 16:37:37
12625 路由器,是连接因特网中各局域网、广域网的设备,它会根据信道的情况自动选择和设定路由,以最佳路径,按前后顺序发送信号。 路由器是互联网络的枢纽,“交通警察”。目前路由器已经广泛应用于各行各业,各种不同档次的产品已成为实现各种骨干网内部连接
2018-01-04 15:58:29
1440 openwrt是嵌入式设备上运行的linux系统。本文主要介绍了openwrt的特点、openwrt优势与劣势、常见刷openwrt的路由器以及路由器刷openwrt好处和人路由器怎么刷openwrt。
2017-12-27 09:47:46
166014 想要刷入OPENWRT系统是要路由器支持的,如果你的路由器不支持请不要刷机,以免路由器成为砖头,另外路由器的主芯片必须是博通的芯片,其它的芯片现在还不支持刷机,TP-LINK的部分路由器不支持刷入此固件。
2017-12-27 09:14:00
109889 
在看到这篇东西的时候,大家估计已经看到了太多的小米路由器的野心实测小米路由器之类的专业文章,所以本文不普及任何威廉希尔官方网站
参数,只从一个重度路由器用户来谈谈自己对小米路由器、360路由器和极路由的看法
2017-12-04 20:43:02
592 有线路由器下接无线路由器通常有两种接法,但前提是有线路由下的电脑能正常上网,那么我们只需设置无线路由器的参数就OK了。下面以TP-LINK TL-WR340G为例,其它无线路由大同小异。 第一种
2017-11-16 11:09:21
12 而WIFI的载体-----路由器,已经成为每个家庭的刚需标配。
大多数人家中的路由器都处于24小时开机的状态,那路由器究竟应不应该定时关机呢?长期不关机对路由器又有哪些影响?
2017-08-24 08:31:28
7489 现在高端路由器没个千兆,你都不好意思叫高端路由器,最近小米推出了旗下的高端路由器——小米路由器HD,这款路由器主打大户型,4天线、金属机身、MU-MIMO、内置硬盘等,可谓是一款定位发烧的旗舰路由器,今天我们就来看看这款小米路由器做的怎么样吧!
2017-05-05 10:41:59
19781 
昨日,小米发布了全新一代路由器,小米路由器HD和小米路由器Pro,两者外观一致。
2017-03-03 16:08:09
1981 企业级路由器和家用路由器的区别
2017-01-13 22:00:42
29 路由器常用基础知识总结路由器常用基础知识总结路由器常用基础知识总结
2015-10-30 18:08:40
16 几种常见路由器设置方法以宽带路由器D-Link的di-740p型号为例介绍路由器设置方法。
2011-12-12 16:43:48
13644 这里将提供一些路由器设置知识,教您路由器怎么用,如何进行路由器设置与路由器密码设置。还有路由器的品牌华为和磊科路由器设置手册等。
2011-12-08 15:01:05

掌握利用配置向导对 路由器 进行初始配置的步骤和命令,掌握查看路由器状态和配置的命令
2011-05-31 10:42:46
71 信元交换路由器(CSR),信元交换路由器(CSR)是什么意思
信元交换路由器(Cell Switch Router,CSR)是一个通过标准ATM UNI接口与多个ATM子网相
2010-04-03 14:41:00
1487 什么是软件路由器/高端路由器
软件路由器
路由器是网络中的核心设备。硬件路由器是大家所熟悉的,最典
2010-04-03 14:21:49
626 无线路由器,静态路由表
无线路由器
概念:
无线路由器是单纯型AP与宽带路由器
2010-04-03 14:20:42
1163 路由器,宽带路由器
路由器定义
所谓“路由”,是指把数据从一个地方传送到另一个地
2010-04-03 14:19:07
635 软、硬路由器大PK
路由器是网络中的核心设备。硬件路由器是大家所熟悉的,最典型的就是Cisco公司的系列路由器。软件路由器是个新
2010-04-01 11:40:42
487 路由器,路由器原理和作用是什么?
路由器是一种连接多个网络或网段的网络设备,它能将不同网络或网段之间
2010-04-01 11:31:10
1317 路由器,路由器原理,路由器协议,路由器算法
路由器:连接因特网中各局域网、广域网的设备,它会根据信道的情况自动选择和设定路
2010-03-29 17:44:22
1159 VPN术语-P路由器 简 称:P路由器
全 称:服务商核心路由器
注 解:P网中的骨干路由器,对VPN的
2010-02-24 10:47:56
1467 VPN术语-PE路由器 简 称:PE路由器
全 称:服务商边沿路由器
注 解:P网中连接CE路由器
2010-02-24 10:47:19
1370 路由器的控制端口
由于路由器本身不带有输入和终端显示设备,但它需要进行必要的配置后才能正常使用,所以一般的路由器都带有一个控制端口"Console",
2010-01-08 15:10:36
860 路由器内存
路由器中可能有
2010-01-08 14:56:06
663 路由器的分类
路由器产品,按照不同的划分标准有多种类型。
2010-01-08 14:53:55
844 路由器内存
路由器中可能有多种
2010-01-06 11:27:14
592 本课程介绍了路由器的概念,网络地位,应用等方面的内容路由器的基本概念路由器在网络中的地位路由器的基本应用相关资料quidway 路由器用户手册quidway路由器
2009-09-13 14:20:10
25 路由器原理及路由协议
本文通过阐述TCP/IP网络中路由器的基本工作原理,介绍了IP路由器的几大功能,给出了静态路由协议和动态路由协议,以及内部网关协议和外部
2009-08-01 11:53:53
689 路由器原理
本文通过阐述TCP/IP网络中路由器的基本工作原理,介绍了IP路由器的几大功能,给出了静态路由协议和动态路由协议,
2009-08-01 11:48:00
1320 路由器接口及连接 一、路由器接口
路由器具有非常强大的网络连
2009-08-01 11:45:33
1603 路由器基础知识
一、路由器配置途径
可以通过以下几个途径来配置路由器:
2009-08-01 11:37:51
789 路由器支持哪些安全协议,启用后对路由器的性能影响?
2009-06-30 08:54:45
886 课程介绍. . . . . . . . . . . 1课程目标. . . . . . . 1相关资料. . . . . . . 1第一节 路由器总体介绍.. 21.1 常见网络设备. 21.2 路由器的概念. 31.3 路由器的用途. 41.4 路由
2009-06-24 16:43:13
6 路由器的接口
路由器具有非常强大的网络连接和路由功能,它可以与各种各样的不同网络进行物理连接,这就决定了路由器的接口威廉希尔官方网站
非常复
2009-04-26 11:06:27
2208 
如何配置路由器
【实训目的】(1)熟悉路由器。(2)了解路由器的配置方式。(3)掌握路由器的基本配置命令。(4)了解路
2008-12-07 14:09:48
2872 
路由器工作原理:
路由器是网络中进行网间连接的关键设备,是互连网络的枢纽,路由器系统
2008-01-30 16:58:24
288 无线路由器的工作原理
路由器的分类应用离不开对路由器的工作原理的剖析,而路由器的工作原理则决定了其主要分类及其应用的范围。为了简单地说明
2008-01-30 16:53:36
34832 
评论